Поиск подшипника
Статьи
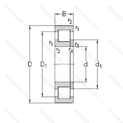
NUP2218-E-M6 — Роликовый радиальный однорядный подшипник, модификация основного исполнения NUP2218, производство NKE.
Размер подшипника: 90x160x40 мм.
Однорядный цилиндрический роликоподшипник. Наружное кольцо имеет два борта, внутреннее — один борт и одно свободное фланцевое кольцо. Основные размеры по DIN 5412-1, относится к подтипу фиксированные подшипники, разъемные, с сепаратором, 20-28 um (c3 & c4), повышенная грузоподъемность.
Международная стандартизации ISO
NUP2218EM6
В наличии
| Обозначение | Конструктивные изменения |
|---|---|
| NUP2218 | Сталь сквозной закалки SUJ2 (японская) и взаимозаменяемость (только для метрических серий). Канавка под стопорное кольцо на наружном кольце подшипника. Точность размеров примерно соответствует классу точности Р4. Класс точности 2. Однорядный цилиндрический роликовый подшипник. Наружное кольцо имеет два борта. Основное конструктивное исполнение. |
| NUP2218E.TVP2.C3 | Внутренний зазор больше нормального. Повышенная грузоподъемность. Твердый сепаратор оконного типа из армированного стекловолокном полиамида. |
| NUP2218M | Подшипник с латунным сепаратором. центрированный по телам качения. |
| NUP2218-E-XL-TVP2-C3 | Внутренний зазор больше нормального. Повышенная грузоподъемность. Серия X-Life премиум-класс. увеличиный срок службы. Cепаратор изготовленный из полиамида PA66. армированного стекловолокном. |
| NUP2218-E-XL-M1 | Повышенная грузоподъемность. Серия X-Life премиум-класс. увеличиный срок службы. Механически обработанный латунный сепаратор. вращающийся элемент качения (крестовина на заклепках). |
| NUP2218-E-XL-TVP2 | Повышенная грузоподъемность. Серия X-Life премиум-класс. увеличиный срок службы. Cепаратор изготовленный из полиамида PA66. армированного стекловолокном. |
| NUP2218-E-XL-M1A-C4 | Внутренний зазор подшипника больше. чем C3. Повышенная грузоподъемность. Серия X-Life премиум-класс. увеличиный срок службы. Массивный латунный сепаратор. двухтельный. центрированный по бортам. |
| NUP2218ECP/C3 | Внутренний зазор больше нормального. Оптимизированная внутренняя конструкция предусматривает увеличенное количество роликов и/или ролики большего размера с улучшенными условиями контакта торцов роликов с бортами внутреннего кольца. Сепаратор из стеклонаполненного полиамида PA66. центрируемый по роликам. |
| NUP2218-E-XL-M1-C3 | Внутренний зазор больше нормального. Повышенная грузоподъемность. Серия X-Life премиум-класс. увеличиный срок службы. Механически обработанный латунный сепаратор. вращающийся элемент качения (крестовина на заклепках). |
| NUP2218E.M1 | Повышенная грузоподъемность. Механически обработанный латунный сепаратор. вращающийся элемент качения (крестовина на заклепках). |
| NUP2218E.M1.C3 | Внутренний зазор больше нормального. Повышенная грузоподъемность. Механически обработанный латунный сепаратор. вращающийся элемент качения (крестовина на заклепках). |
| NUP2218ECP | Оптимизированная внутренняя конструкция предусматривает увеличенное количество роликов и/или ролики большего размера с улучшенными условиями контакта торцов роликов с бортами внутреннего кольца. Сепаратор из стеклонаполненного полиамида PA66. центрируемый по роликам. Однорядный цилиндрический роликовый подшипник. |
| NUP2218EMA | Конструкция с увеличенной грузоподьемностью. Механически обработанный латунный сепаратор. Центрирование по внешнему кольцу. |
| NUP2218MA | Механически обработанный латунный сепаратор. Центрирование по внешнему кольцу. |
| NUP2218EM | Стандартный фланцевый ( с резьбой и сквозным отверстием). |
| NUP2218C3 | Внутренний зазор больше нормального. |
| NUP2218ZS | Цилиндрический роликоподшипник. Взаимозаменяемые уменьшенные радиальные зазоры в пределах ограниченной группы зазоров. В соответствии с DIN43283. |
| NUP2218M C3 | Внутренний зазор больше нормального. Механически обработанный латунный сепаратор .Расположенный на элементах качения. |
| NUP2218-E-M1A-C4 | Внутренний зазор подшипника больше. чем C3. Повышенная грузоподъемность. Массивный латунный сепаратор. двухтельный. центрированный по бортам. |
| NUP2218-E-TVP3 | Повышенная грузоподъемность. Цельный сепаратор из полиамида PA66-GF25. сепаратор оконного типа. направляемый телами качения. |
| NUP2218-E-MA6 | Повышенная грузоподъемность. Изготовленный из двух частей латунный сепаратор. Центрирование по внешнему кольцу. Различные конструкции или сорта материалов обозначаются цифрой или буквой.. |
| NUP2218-E-MPA | Повышенная грузоподъемность. Твердый латунный сепаратор. |
| NUP2218 ET | Сквозная закалка и шлифовка стали с переломом в одной точке. |
| NUP2218E | Повышенная грузоподъемность. |
| NUP2218R | С выпуклыми асимметричными роликами и обработанным сепаратором. |
Модификации роликового подшипника NUP2218-E-M6 — это измененное основное конструктивное исполнение NUP2218, основные размеры (90x160x40) не отличаются.
| Обозначение | Гост | Конструктивные особенности |
|---|---|---|
| 20-32518 ЛМ | ГОСТ | Сепаратор из латуни.. Модифицированный контакт.. |
| 28-32518 ЛМ | ГОСТ | Сепаратор из латуни.. Модифицированный контакт.. |
| 32518EM | ГОСТ | Стандартный фланцевый ( с резьбой и сквозным отверстием). |
| 32518ЛM | ГОСТ | Подшипник с латунным сепаратором. центрированный по телам качения. Сепаратор из латуни.. |
| NH2218 E | ISO | Повышенная грузоподъемность. |
| NH2218 | ISO | Канавка под стопорное кольцо на наружном кольце подшипника. |
| NJ2218R | ISO | С выпуклыми асимметричными роликами и обработанным сепаратором. |
| NJ2218-E-M6+HJ2218-E | ISO | Повышенная грузоподъемность. 20-28 UM (C3 & C4). |
| NJ2218-E-MA6 | ISO | Повышенная грузоподъемность. Изготовленный из двух частей латунный сепаратор. Центрирование по внешнему кольцу. Различные конструкции или сорта материалов обозначаются цифрой или буквой.. |
| NJ2218-E-MA6+HJ2218-E | ISO | Повышенная грузоподъемность. Изготовленный из двух частей латунный сепаратор. Центрирование по внешнему кольцу. Различные конструкции или сорта материалов обозначаются цифрой или буквой.. |
| NJ2218-E-M6 | ISO | Повышенная грузоподъемность. 20-28 UM (C3 & C4). |
| NJ2218-E-TVP3 | ISO | Повышенная грузоподъемность. Цельный сепаратор из полиамида PA66-GF25. сепаратор оконного типа. направляемый телами качения. |
| NJ2218-E-MPA+HJ2218-E | ISO | Повышенная грузоподъемность. Твердый латунный сепаратор. |
| NJ2218-E-MPA | ISO | Повышенная грузоподъемность. Твердый латунный сепаратор. |
| NJ2218-E-TVP3+HJ2218-E | ISO | Повышенная грузоподъемность. Цельный сепаратор из полиамида PA66-GF25. сепаратор оконного типа. направляемый телами качения. |
| NU2218-E-MPA | ISO | Повышенная грузоподъемность. Твердый латунный сепаратор. |
| NU2218-E-MA6 | ISO | Повышенная грузоподъемность. Изготовленный из двух частей латунный сепаратор. Центрирование по внешнему кольцу. Различные конструкции или сорта материалов обозначаются цифрой или буквой.. |
| NU2218-E-M6 | ISO | Повышенная грузоподъемность. 20-28 UM (C3 & C4). |
| NU2218-E-TVP3 | ISO | Повышенная грузоподъемность. Цельный сепаратор из полиамида PA66-GF25. сепаратор оконного типа. направляемый телами качения. |
| 92518-ЛМ | ГОСТ | Сепаратор из латуни.. Модифицированный контакт.. |
Аналог роликового подшипника NUP2218-E-M6 — это подшипник такого же размера dx90,Dx160,Bx40, типа и конструкции.
| Обозначение | Конструктивные особенности | Внутренний (d) | Наружный (D) | Ширина (B) |
|---|---|---|---|---|
| 80-32518 ЛМ | Роликовый радиальный подшипник. Сепаратор из латуни.. Модифицированный контакт.. | 90.00 | 160.00 | 40.00 |
| 80-92518 ЛМ | Роликовый радиальный подшипник. Сепаратор из латуни.. Модифицированный контакт.. | 90.00 | 160.00 | 40.00 |
| X32218M/Y32218M | Роликовый радиальный-упорный однорядный подшипник. Подшипник с латунным сепаратором. центрированный по телам качения. | 90.00 | 160.00 | 40.53 |
| 32218/YA2 | Роликовый радиальный-упорный однорядный подшипник. Raceway Shape Bigger Corner Dimension. | 89.50 | 160.00 | 40.00 |
| 7518EX | Роликовый радиальный-упорный подшипник. Optimized Inner Construction - Extreme Quality F. Extreme Requirements. | 89.50 | 160.00 | 40.00 |
| 92518-Л | Роликовый радиальный подшипник. Сепаратор из латуни.. | 90.00 | 160.00 | 40.00 |
| 97518A | Роликовый радиальный-упорный двухрядный подшипник. Двухрядный радиально-упорный шарикоподшипник без отверстия для смазки. | 90.00 | 160.00 | 40.00 |
| 7518A | Роликовый радиальный-упорный однорядный подшипник. Двухрядный радиально-упорный шарикоподшипник без отверстия для смазки. | 90.00 | 160.00 | 40.00 |
| 2218K+H318 | Шариковый сферический двухрядный подшипник. Коническое внутреннее отверстие. | 90.00 | 160.00 | 40.00 |
| 2218-2RS | Шариковый сферический двухрядный подшипник. Резиновые уплотнения с каждой стороны подшипника. | 90.00 | 160.00 | 40.00 |
| 2218SK | Шариковый сферический двухрядный подшипник. Кулачковый толкатель штифтового типа. С шестигранной головкой. Только для внутреннего и наружного колец. | 90.00 | 160.00 | 40.00 |
| 53518-Е | Роликовый радиальный двухрядный подшипник. Сепаратор из текстолита.. | 90.00 | 160.00 | 40.00 |
| 53518-Л | Роликовый радиальный двухрядный подшипник. Сепаратор из латуни.. | 90.00 | 160.00 | 40.00 |
| 53518-Н | Роликовый радиальный двухрядный подшипник. Детали из теплостойкой стали. | 90.00 | 160.00 | 40.00 |
| 53518-НЕ | Роликовый радиальный двухрядный подшипник. Сепаратор из текстолита.. Детали из теплостойкой стали. | 90.00 | 160.00 | 40.00 |
Способы доставки
Отправка через ведущие транспортные и курьерские компании: ПЭК, Деловые Линии, СДЭК, Байкал-Сервис, Энергия, КИТ, ЖелДорЭкспедиция.
Самовывоз возможен напрямую со склада в Москве.
Сроки доставки
Срок зависит от региона и выбранной транспортной компании. Все заказы комплектуются и отправляются в кратчайшие сроки со склада в Москве.
Надёжность и сохранность
Вся продукция упаковывается с учётом требований транспортировки. Мы гарантируем, что подшипники и комплектующие прибудут к заказчику в полной сохранности.
Доставка в страны ЕАЭС
Мы работаем с проверенными логистическими партнёрами, что позволяет оперативно доставлять заказы в Беларусь, Казахстан, Армению и другие страны ЕАЭС.
Варианты оплаты:
Минимальная сумма заказа и скидки:
Документы и гарантии:
Да, конечно! Наши технические специалисты готовы помочь вам с подбором точного аналога или замены подшипника. Просто позвоните нам по телефону +7 (495) 104-99-04 или напишите на почту zakaz@podsnab.ru.
Для оперативной консультации подготовьте, пожалуйста, имеющиеся данные: маркировку, размеры, тип оборудования или артикул старого подшипника.
Да, конечно! Мы высоко ценим долгосрочное сотрудничество и доверие клиентов по всей России. Для постоянных клиентов действует персональная система скидок.
Условия формируются индивидуально и зависят от:
Чтобы узнать свои условия и получить максимально выгодное предложение, свяжитесь с персональным менеджером или напишите нам на почту zakaz@podsnab.ru.
Вы можете оформить заказ несколькими способами:
Для оформления заказа от юридического лица свяжитесь с нашим отделом по работе с корпоративными клиентами по телефону +7 (495) 104-99-04 или напишите на email zakaz@podsnab.ru, прикрепив реквизиты вашей организации.
Мы оперативно подготовим коммерческое предложение и выставим счет.
Возврат товара надлежащего качества возможен в течение 10 дней с момента получения, если товар не был в употреблении, сохранен товарный вид, упаковка не вскрывалась и присутствуют все сопроводительные документы.
Возврат денежных средств осуществляется в течение 10 рабочих дней после проверки товара складом.
В соответствии с законодательством возврату не подлежат подшипники надлежащего качества, если отсутствует оригинальная упаковка или имеются следы монтажа.
В случае выявления брака или гарантийного случая мы гарантируем возврат или обмен товара.
Да, гарантийный срок хранения устанавливается заводом-изготовителем и в среднем составляет 2 года при соблюдении условий хранения: сухое помещение, оригинальная упаковка и смазка.
Точный срок для конкретного типа подшипника уточняйте у наших менеджеров.
Пн–Пт: с 8:00 до 17:00 (МСК).
Сб–Вс: выходные дни.
Заказы на сайте принимаются круглосуточно. Заявки, поступившие после окончания рабочего дня, обрабатываются на следующий рабочий день.
Минимальная сумма заказа для доставки составляет 3000 рублей. Самовывоз со склада возможен на любую сумму при наличии товара.
ООО «УралТехГрупп»
ИНН: 7415093830
КПП: 772401001
ОГРН: 1167456069021
Банк: ПАО Сбербанк
Р/с: 40702810838000475273
К/с: 30101810400000000225
БИК: 044525225
У подшипника NUP2218-E-M6 пока нет отзывов. Вы можете стать первым покупателем, поделившимся своим мнением.