Поиск подшипника
Статьи
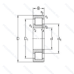
NUP226-E-TVP3 — Роликовый радиальный однорядный подшипник, модификация основного исполнения NUP226, производство NKE.
Размер подшипника: 130x230x40 мм.
Однорядный цилиндрический роликоподшипник. Наружное кольцо имеет два борта, внутреннее — один борт и одно свободное фланцевое кольцо. Основные размеры по DIN 5412-1, относится к подтипу фиксированные подшипники, разъемные, с сепаратором, цельный сепаратор из полиамида pa66-gf25. сепаратор оконного типа. направляемый телами качения, повышенная грузоподъемность.
Международная стандартизации ISO
NUP226ETVP3
В наличии
| Обозначение | Конструктивные изменения |
|---|---|
| NUP226 | Сталь сквозной закалки SUJ2 (японская) и взаимозаменяемость (только для метрических серий). Канавка под стопорное кольцо на наружном кольце подшипника. Точность размеров примерно соответствует классу точности Р4. Класс точности 2. Однорядный цилиндрический роликовый подшипник. Наружное кольцо имеет два борта. Основное конструктивное исполнение. |
| NUP226ECP | Оптимизированная внутренняя конструкция предусматривает увеличенное количество роликов и/или ролики большего размера с улучшенными условиями контакта торцов роликов с бортами внутреннего кольца. Сепаратор из стеклонаполненного полиамида PA66. центрируемый по роликам. Однорядный цилиндрический роликовый подшипник. |
| NUP226-E-M1-C3 | Внутренний зазор больше нормального. Повышенная грузоподъемность. Механически обработанный латунный сепаратор. вращающийся элемент качения (крестовина на заклепках). |
| NUP226E.M1A.J22B | Повышенная грузоподъемность. Массивный латунный сепаратор. двухтельный. центрированный по бортам. Product Without Special Features. With Limited Identification. Packing Instruction. Replaces Z25C. |
| NUP226E MA | Повышенная грузоподъемность. Механически обработанный латунный сепаратор. Центрирование по внешнему кольцу. |
| NUP226-E-XL-TVP2 | Повышенная грузоподъемность. Серия X-Life премиум-класс. увеличиный срок службы. Cепаратор изготовленный из полиамида PA66. армированного стекловолокном. |
| NUP226-E-XL-M1-C3 | Внутренний зазор больше нормального. Повышенная грузоподъемность. Серия X-Life премиум-класс. увеличиный срок службы. Механически обработанный латунный сепаратор. вращающийся элемент качения (крестовина на заклепках). |
| NUP226EM C3 | Внутренний зазор больше нормального. Стандартный фланцевый ( с резьбой и сквозным отверстием). |
| NUP226ET | Сквозная закалка и шлифовка стали с переломом в одной точке. |
| NUP226-E-XL-M1 | Повышенная грузоподъемность. Серия X-Life премиум-класс. увеличиный срок службы. Механически обработанный латунный сепаратор. вращающийся элемент качения (крестовина на заклепках). |
| NUP226-E-M1 | Повышенная грузоподъемность. Механически обработанный латунный сепаратор. вращающийся элемент качения (крестовина на заклепках). |
| NUP226-E-TVP2 | Повышенная грузоподъемность. Cепаратор изготовленный из полиамида PA66. армированного стекловолокном. |
| NUP226E.M1.P63.F1.J20A | Повышенная грузоподъемность. Комбинация P6 (Точность размеров и пробега в соответствии с классом допуска ISO 6 (лучше нормы)) и C3 (Внутренний зазор больше нормы). Механически обработанный латунный сепаратор. вращающийся элемент качения (крестовина на заклепках). Подшипники токоизолированной конструкции. Заменяет Z76. Подшипники качения для тяговых двигателей. |
| NUP226EM | Стандартный фланцевый ( с резьбой и сквозным отверстием). |
| NUP226-E-TVP2-T58EA | Повышенная грузоподъемность. Cепаратор изготовленный из полиамида PA66. армированного стекловолокном. NUP Cylindrical Roller Bearings With Restricted Axial Clearance For Siemens NMA. Nuremberg. |
| NUP226-E-XL-MPAX-J30PC | Повышенная грузоподъемность. Серия X-Life премиум-класс. увеличиный срок службы. Ребристый однокомпонентный цельнолатунный сепаратор является дальнейшим развитием сепараторов FAG типов MPA и MP1A и будет последовательно заменять эти типы. Он обладает большей прочностью по отношению к ударным нагрузкам и вибрациям. чем его предшественники. и особенно хорошо подходит для применения в условиях высоких нагрузок. Кольца и тела качения с черным оксидным покрытием. |
| NUP226-E-MPAX-J30PC | Повышенная грузоподъемность. Ребристый однокомпонентный цельнолатунный сепаратор является дальнейшим развитием сепараторов FAG типов MPA и MP1A и будет последовательно заменять эти типы. Он обладает большей прочностью по отношению к ударным нагрузкам и вибрациям. чем его предшественники. и особенно хорошо подходит для применения в условиях высоких нагрузок. Кольца и тела качения с черным оксидным покрытием. |
| NUP226-E-M1A-C3 | Внутренний зазор больше нормального. Повышенная грузоподъемность. Массивный латунный сепаратор. двухтельный. центрированный по бортам. |
| NUP226-E-XL-M1A-C3 | Внутренний зазор больше нормального. Повышенная грузоподъемность. Серия X-Life премиум-класс. увеличиный срок службы. Массивный латунный сепаратор. двухтельный. центрированный по бортам. |
| NUP226-E-XL-MPAX-J22B | Повышенная грузоподъемность. Серия X-Life премиум-класс. увеличиный срок службы. Product Without Special Features. With Limited Identification. Packing Instruction. Replaces Z25C. Ребристый однокомпонентный цельнолатунный сепаратор является дальнейшим развитием сепараторов FAG типов MPA и MP1A и будет последовательно заменять эти типы. Он обладает большей прочностью по отношению к ударным нагрузкам и вибрациям. чем его предшественники. и особенно хорошо подходит для применения в условиях высоких нагрузок. |
| NUP226-E-MA6 | Повышенная грузоподъемность. Изготовленный из двух частей латунный сепаратор. Центрирование по внешнему кольцу. Различные конструкции или сорта материалов обозначаются цифрой или буквой.. |
| NUP226-E-MPA | Повышенная грузоподъемность. Твердый латунный сепаратор. |
| NUP226-E-M6 | Повышенная грузоподъемность. 20-28 UM (C3 & C4). |
| NUP226E | Повышенная грузоподъемность. |
| NUP226R | С выпуклыми асимметричными роликами и обработанным сепаратором. |
Модификации роликового подшипника NUP226-E-TVP3 — это измененное основное конструктивное исполнение NUP226, основные размеры (130x230x40) не отличаются.
| Обозначение | Гост | Конструктивные особенности |
|---|---|---|
| NJ226-E-TVP3 | ISO | Повышенная грузоподъемность. Цельный сепаратор из полиамида PA66-GF25. сепаратор оконного типа. направляемый телами качения. |
| NJ226-E-TVP3+HJ226-E | ISO | Повышенная грузоподъемность. Цельный сепаратор из полиамида PA66-GF25. сепаратор оконного типа. направляемый телами качения. |
| NJ226-E-M6+HJ226-E | ISO | Повышенная грузоподъемность. 20-28 UM (C3 & C4). |
| NJ226-E-MA6+HJ226-E | ISO | Повышенная грузоподъемность. Изготовленный из двух частей латунный сепаратор. Центрирование по внешнему кольцу. Различные конструкции или сорта материалов обозначаются цифрой или буквой.. |
| NJ226-E-MPA | ISO | Повышенная грузоподъемность. Твердый латунный сепаратор. |
| NJ226-E-MA6 | ISO | Повышенная грузоподъемность. Изготовленный из двух частей латунный сепаратор. Центрирование по внешнему кольцу. Различные конструкции или сорта материалов обозначаются цифрой или буквой.. |
| NU226-E-MPA | ISO | Повышенная грузоподъемность. Твердый латунный сепаратор. |
| NU226-E-M6 | ISO | Повышенная грузоподъемность. 20-28 UM (C3 & C4). |
| 6-2226-КМ | ГОСТ | Модифицированный контакт.. |
| 6-2226-М | ГОСТ | Модифицированный контакт.. |
| 6-32226-Б1М | ГОСТ | Модифицированный контакт.. Сепаратор из безоловянистой бронзы.. |
| 6-32226-М | ГОСТ | Модифицированный контакт.. |
| 6-32226-МШ2 | ГОСТ | Модифицированный контакт.. Нормы шумности. |
| 6-42226-М | ГОСТ | Модифицированный контакт.. |
| 70-32226 М | ГОСТ | Модифицированный контакт.. |
| 42226-КМ | ГОСТ | Модифицированный контакт.. |
| 42226-Л | ГОСТ | Сепаратор из латуни.. |
| 42226-М | ГОСТ | Модифицированный контакт.. |
| 5-2226 М | ГОСТ | Модифицированный контакт.. |
| 5-32226 МШ3 | ГОСТ | Модифицированный контакт.. Нормы шумности. |
Аналог роликового подшипника NUP226-E-TVP3 — это подшипник такого же размера dx130,Dx230,Bx40, типа и конструкции.
| Обозначение | Конструктивные особенности | Внутренний (d) | Наружный (D) | Ширина (B) |
|---|---|---|---|---|
| 226-Е1 | Шариковый радиальный однорядный подшипник. Сепаратор из текстолита.. | 130.00 | 230.00 | 40.00 |
| 226-К5 | Шариковый радиальный однорядный подшипник. Повышенная грузоподъемность. | 130.00 | 230.00 | 40.00 |
| 226-Л | Шариковый радиальный однорядный подшипник. Сепаратор из латуни.. | 130.00 | 230.00 | 40.00 |
| 226-Л1 | Шариковый радиальный однорядный подшипник. Сепаратор из латуни.. | 130.00 | 230.00 | 40.00 |
| 226-Л2 | Шариковый радиальный однорядный подшипник. Сепаратор из латуни.. | 130.00 | 230.00 | 40.00 |
| 26-226-Р | Шариковый радиальный однорядный подшипник. Детали из теплоустойчивой (быстрорежущие) стали.. | 130.00 | 230.00 | 40.00 |
| 4-226 Л | Шариковый радиальный однорядный подшипник. Сепаратор из латуни.. | 130.00 | 230.00 | 40.00 |
| 46226-Л | Шариковый радиально-упорный однорядный подшипник. Сепаратор из латуни.. | 130.00 | 230.00 | 40.00 |
| 46226К | Шариковый радиально-упорный однорядный подшипник. «Замок» (скос) на внутреннем кольце плюс массивный сепаратор из текстолита. | 130.00 | 230.00 | 40.00 |
| 5-226 Л1 | Шариковый радиальный однорядный подшипник. Сепаратор из латуни.. | 130.00 | 230.00 | 40.00 |
| 5-226 Л1Ш3 | Шариковый радиальный однорядный подшипник. Сепаратор из латуни.. Нормы шумности. | 130.00 | 230.00 | 40.00 |
| 5-226 ЛШ | Шариковый радиальный однорядный подшипник. Сепаратор из латуни.. Нормы шумности. | 130.00 | 230.00 | 40.00 |
| 5-46226 АЛ9 | Шариковый радиально-упорный однорядный подшипник. Повышенная грузоподъемность. Сепаратор из латуни.. | 130.00 | 230.00 | 40.00 |
| 5-46226 Л | Шариковый радиально-упорный однорядный подшипник. Сепаратор из латуни.. | 130.00 | 230.00 | 40.00 |
| 5-46228 Л | Шариковый радиально-упорный однорядный подшипник. Сепаратор из латуни.. | 130.00 | 230.00 | 40.00 |
Способы доставки
Отправка через ведущие транспортные и курьерские компании: ПЭК, Деловые Линии, СДЭК, Байкал-Сервис, Энергия, КИТ, ЖелДорЭкспедиция.
Самовывоз возможен напрямую со склада в Москве.
Сроки доставки
Срок зависит от региона и выбранной транспортной компании. Все заказы комплектуются и отправляются в кратчайшие сроки со склада в Москве.
Надёжность и сохранность
Вся продукция упаковывается с учётом требований транспортировки. Мы гарантируем, что подшипники и комплектующие прибудут к заказчику в полной сохранности.
Доставка в страны ЕАЭС
Мы работаем с проверенными логистическими партнёрами, что позволяет оперативно доставлять заказы в Беларусь, Казахстан, Армению и другие страны ЕАЭС.
Варианты оплаты:
Минимальная сумма заказа и скидки:
Документы и гарантии:
Да, конечно! Наши технические специалисты готовы помочь вам с подбором точного аналога или замены подшипника. Просто позвоните нам по телефону +7 (495) 104-99-04 или напишите на почту zakaz@podsnab.ru.
Для оперативной консультации подготовьте, пожалуйста, имеющиеся данные: маркировку, размеры, тип оборудования или артикул старого подшипника.
Да, конечно! Мы высоко ценим долгосрочное сотрудничество и доверие клиентов по всей России. Для постоянных клиентов действует персональная система скидок.
Условия формируются индивидуально и зависят от:
Чтобы узнать свои условия и получить максимально выгодное предложение, свяжитесь с персональным менеджером или напишите нам на почту zakaz@podsnab.ru.
Вы можете оформить заказ несколькими способами:
Для оформления заказа от юридического лица свяжитесь с нашим отделом по работе с корпоративными клиентами по телефону +7 (495) 104-99-04 или напишите на email zakaz@podsnab.ru, прикрепив реквизиты вашей организации.
Мы оперативно подготовим коммерческое предложение и выставим счет.
Возврат товара надлежащего качества возможен в течение 10 дней с момента получения, если товар не был в употреблении, сохранен товарный вид, упаковка не вскрывалась и присутствуют все сопроводительные документы.
Возврат денежных средств осуществляется в течение 10 рабочих дней после проверки товара складом.
В соответствии с законодательством возврату не подлежат подшипники надлежащего качества, если отсутствует оригинальная упаковка или имеются следы монтажа.
В случае выявления брака или гарантийного случая мы гарантируем возврат или обмен товара.
Да, гарантийный срок хранения устанавливается заводом-изготовителем и в среднем составляет 2 года при соблюдении условий хранения: сухое помещение, оригинальная упаковка и смазка.
Точный срок для конкретного типа подшипника уточняйте у наших менеджеров.
Пн–Пт: с 8:00 до 17:00 (МСК).
Сб–Вс: выходные дни.
Заказы на сайте принимаются круглосуточно. Заявки, поступившие после окончания рабочего дня, обрабатываются на следующий рабочий день.
Минимальная сумма заказа для доставки составляет 3000 рублей. Самовывоз со склада возможен на любую сумму при наличии товара.
ООО «УралТехГрупп»
ИНН: 7415093830
КПП: 772401001
ОГРН: 1167456069021
Банк: ПАО Сбербанк
Р/с: 40702810838000475273
К/с: 30101810400000000225
БИК: 044525225
У подшипника NUP226-E-TVP3 пока нет отзывов. Вы можете стать первым покупателем, поделившимся своим мнением.