Поиск подшипника
Статьи
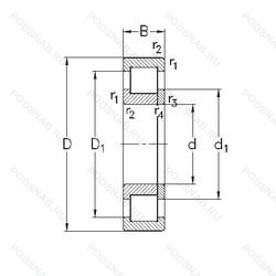
NUP2315-E-M6 — Роликовый радиальный однорядный подшипник, модификация основного исполнения NUP2315, производство NKE.
Размер подшипника: 75x160x55 мм.
Однорядный цилиндрический роликоподшипник. Наружное кольцо имеет два борта, внутреннее — один борт и одно свободное фланцевое кольцо. Основные размеры по DIN 5412-1, относится к подтипу фиксированные подшипники, разъемные, с сепаратором, 20-28 um (c3 & c4), повышенная грузоподъемность.
Международная стандартизации ISO
NUP2315EM6
В наличии
| Обозначение | Конструктивные изменения |
|---|---|
| NUP2315E.M.C3 | Внутренний зазор больше нормального. Повышенная грузоподъемность. Механически обработанный латунный сепаратор .Расположенный на элементах качения. |
| NUP2315-E-XL-M1-C3 | Внутренний зазор больше нормального. Повышенная грузоподъемность. Серия X-Life премиум-класс. увеличиный срок службы. Механически обработанный латунный сепаратор. вращающийся элемент качения (крестовина на заклепках). |
| NUP2315ET | Сквозная закалка и шлифовка стали с переломом в одной точке. |
| NUP2315ECP/C3 | Внутренний зазор больше нормального. Оптимизированная внутренняя конструкция предусматривает увеличенное количество роликов и/или ролики большего размера с улучшенными условиями контакта торцов роликов с бортами внутреннего кольца. Сепаратор из стеклонаполненного полиамида PA66. центрируемый по роликам. |
| NUP2315-E-XL-M1 | Повышенная грузоподъемность. Серия X-Life премиум-класс. увеличиный срок службы. Механически обработанный латунный сепаратор. вращающийся элемент качения (крестовина на заклепках). |
| NUP2315-E-XL-TVP2 | Повышенная грузоподъемность. Серия X-Life премиум-класс. увеличиный срок службы. Cепаратор изготовленный из полиамида PA66. армированного стекловолокном. |
| NUP2315-E-M1-C5 | Повышенная грузоподъемность. Внутренний зазор подшипника больше. чем С4. Механически обработанный латунный сепаратор. вращающийся элемент качения (крестовина на заклепках). |
| NUP2315-E-TVP2 | Повышенная грузоподъемность. Cепаратор изготовленный из полиамида PA66. армированного стекловолокном. |
| NUP2315-E-M1-F1-C4 | Внутренний зазор подшипника больше. чем C3. Повышенная грузоподъемность. Механически обработанный латунный сепаратор. вращающийся элемент качения (крестовина на заклепках). Спецификация производства и контроля FAG для цилиндрических роликоподшипников в тяговых двигателях. |
| NUP2315ECJ | Два стальных сепаратора оконного типа. внутреннее кольцо без фланца. направляющее кольцо с усиленным роликом. |
| NUP2315MA.C3 | Внутренний зазор больше нормального. Механически обработанный латунный сепаратор. Центрирование по внешнему кольцу. |
| NUP2315-E-XL-TVP2-C3 | Внутренний зазор больше нормального. Повышенная грузоподъемность. Серия X-Life премиум-класс. увеличиный срок службы. Cепаратор изготовленный из полиамида PA66. армированного стекловолокном. |
| NUP2315E.TVP2.C3 | Внутренний зазор больше нормального. Повышенная грузоподъемность. Cепаратор изготовленный из полиамида PA66. армированного стекловолокном. |
| NUP2315-E-M1-C3 | Внутренний зазор больше нормального. Повышенная грузоподъемность. Механически обработанный латунный сепаратор. вращающийся элемент качения (крестовина на заклепках). |
| NUP2315-E-MP1A-H67C-C5 | Повышенная грузоподъемность. Внутренний зазор подшипника больше. чем С4. Твердый латунный сепаратор. Однорядный. С ребрами на внешнем кольце. Качество X-Life (грузоподъемность до 18 % больше. чем обычно). Испытания для французских железных дорог. |
| NUP2315E.M1 | Повышенная грузоподъемность. Механически обработанный латунный сепаратор. вращающийся элемент качения (крестовина на заклепках). |
| NUP2315ECJ/C5 | Внутренний зазор подшипника больше. чем С4. Два стальных сепаратора оконного типа. внутреннее кольцо без фланца. направляющее кольцо с усиленным роликом. |
| NUP2315-E-XL-MPAX | Повышенная грузоподъемность. Серия X-Life премиум-класс. увеличиный срок службы. Ребристый однокомпонентный цельнолатунный сепаратор является дальнейшим развитием сепараторов FAG типов MPA и MP1A и будет последовательно заменять эти типы. Он обладает большей прочностью по отношению к ударным нагрузкам и вибрациям. чем его предшественники. и особенно хорошо подходит для применения в условиях высоких нагрузок. |
| NUP2315-E-MPAX | Повышенная грузоподъемность. Ребристый однокомпонентный цельнолатунный сепаратор является дальнейшим развитием сепараторов FAG типов MPA и MP1A и будет последовательно заменять эти типы. Он обладает большей прочностью по отношению к ударным нагрузкам и вибрациям. чем его предшественники. и особенно хорошо подходит для применения в условиях высоких нагрузок. |
| NUP2315C3 | Внутренний зазор больше нормального. |
| NUP2315-E-MPA | Повышенная грузоподъемность. Твердый латунный сепаратор. |
| NUP2315-E-TVP3 | Повышенная грузоподъемность. Цельный сепаратор из полиамида PA66-GF25. сепаратор оконного типа. направляемый телами качения. |
| NUP2315-E-MA6 | Повышенная грузоподъемность. Изготовленный из двух частей латунный сепаратор. Центрирование по внешнему кольцу. Различные конструкции или сорта материалов обозначаются цифрой или буквой.. |
| NUP2315E | Повышенная грузоподъемность. |
| NUP2315R | С выпуклыми асимметричными роликами и обработанным сепаратором. |
Модификации роликового подшипника NUP2315-E-M6 — это измененное основное конструктивное исполнение NUP2315, основные размеры (75x160x55) не отличаются.
| Обозначение | Гост | Конструктивные особенности |
|---|---|---|
| 32615-К1М | ГОСТ | Кольцевая проточка на середине цилиндрической наружной поверхности наружного кольца плюс три отверстия для смазки. Модифицированный контакт.. |
| 32615-КМ | ГОСТ | Кольцевая проточка на середине цилиндрической наружной поверхности наружного кольца плюс три отверстия для смазки. Модифицированный контакт.. |
| 32615-ЛМ | ГОСТ | Сепаратор из латуни.. Модифицированный контакт.. |
| 32615-М | ГОСТ | Модифицированный контакт.. |
| NH2315 E | ISO | Повышенная грузоподъемность. |
| NJF2315 V | ISO | Бессепараторный подшипник. |
| NJ2315R | ISO | С выпуклыми асимметричными роликами и обработанным сепаратором. |
| NJ2315-E-MA6+HJ2315-E | ISO | Повышенная грузоподъемность. Изготовленный из двух частей латунный сепаратор. Центрирование по внешнему кольцу. Различные конструкции или сорта материалов обозначаются цифрой или буквой.. |
| NJ2315-E-MPA+HJ2315-E | ISO | Повышенная грузоподъемность. Твердый латунный сепаратор. |
| NJ2315-E-M6+HJ2315-E | ISO | Повышенная грузоподъемность. 20-28 UM (C3 & C4). |
| NJ2315-VH | ISO | Полный набор роликов (без сепаратора). Самоудерживающиеся. |
| NJ2315-E-TVP3+HJ2315-E | ISO | Повышенная грузоподъемность. Цельный сепаратор из полиамида PA66-GF25. сепаратор оконного типа. направляемый телами качения. |
| NJ2315-E-MA6 | ISO | Повышенная грузоподъемность. Изготовленный из двух частей латунный сепаратор. Центрирование по внешнему кольцу. Различные конструкции или сорта материалов обозначаются цифрой или буквой.. |
| NJ2315-E-MPA | ISO | Повышенная грузоподъемность. Твердый латунный сепаратор. |
| NJ2315-E-TVP3 | ISO | Повышенная грузоподъемность. Цельный сепаратор из полиамида PA66-GF25. сепаратор оконного типа. направляемый телами качения. |
| NU2315-E-MPA | ISO | Повышенная грузоподъемность. Твердый латунный сепаратор. |
| NU2315-E-MA6 | ISO | Повышенная грузоподъемность. Изготовленный из двух частей латунный сепаратор. Центрирование по внешнему кольцу. Различные конструкции или сорта материалов обозначаются цифрой или буквой.. |
| NU2315-E-M6 | ISO | Повышенная грузоподъемность. 20-28 UM (C3 & C4). |
| 92615-КМ | ГОСТ | Кольцевая проточка на середине цилиндрической наружной поверхности наружного кольца плюс три отверстия для смазки. Модифицированный контакт.. |
| 42615-К1М | ГОСТ | Кольцевая проточка на середине цилиндрической наружной поверхности наружного кольца плюс три отверстия для смазки. Модифицированный контакт.. |
Аналог роликового подшипника NUP2315-E-M6 — это подшипник такого же размера dx75,Dx160,Bx55, типа и конструкции.
| Обозначение | Конструктивные особенности | Внутренний (d) | Наружный (D) | Ширина (B) |
|---|---|---|---|---|
| NJ2315-E-TVP2 + HJ2315-E | Роликовый радиальный цилиндрический однорядный подшипник. Повышенная грузоподъемность. Твердый сепаратор оконного типа из армированного стекловолокном полиамида. | 75.00 | 160.00 | 55.00 |
| NU2315R | Роликовый радиальный цилиндрический однорядный подшипник. С выпуклыми асимметричными роликами и обработанным сепаратором. | 75.00 | 160.00 | 55.00 |
| 22315EX | Роликовый радиальный сферический двухрядный подшипник. Optimized Inner Construction - Extreme Quality F. Extreme Requirements. | 75.00 | 160.00 | 55.00 |
| 22315AEX | Роликовый радиальный сферический двухрядный подшипник. Высокоскоростной и высокопроизводительный сферический роликоподшипник. | 75.00 | 160.00 | 55.00 |
| 1615-Л | Шариковый радиальный двухрядный подшипник. Сепаратор из латуни.. | 75.00 | 160.00 | 55.00 |
| UK315L3 | Шариковый радиальный однорядный подшипник. Тройное манжетное уплотнение для вкладыша подшипника. | 75.00 | 160.00 | 55.00 |
| 7615A | Роликовый радиальный-упорный однорядный подшипник. Двухрядный радиально-упорный шарикоподшипник без отверстия для смазки. | 75.00 | 160.00 | 55.00 |
| 7615АЕ | Роликовый радиальный-упорный однорядный подшипник. Сепаратор из текстолита.. Повышенная грузоподъемность. | 75.00 | 160.00 | 55.00 |
| 2315-2RS | Шариковый сферический двухрядный подшипник. Резиновые уплотнения с каждой стороны подшипника. | 75.00 | 160.00 | 55.00 |
| 2315S | Шариковый сферический двухрядный подшипник. Запечатанная версия кулачкового ролика. Только для внутреннего и наружного колец. | 75.00 | 160.00 | 55.00 |
| 53615-Е | Роликовый радиальный двухрядный подшипник. Сепаратор из текстолита.. | 75.00 | 160.00 | 55.00 |
| 53615-Н | Роликовый радиальный двухрядный подшипник. Детали из теплостойкой стали. | 75.00 | 160.00 | 55.00 |
| 53615-НЕ | Роликовый радиальный двухрядный подшипник. Сепаратор из текстолита.. Детали из теплостойкой стали. | 75.00 | 160.00 | 55.00 |
| 53615-Т | Роликовый радиальный двухрядный подшипник. Температура отпуска. 160°. | 75.00 | 160.00 | 55.00 |
| 53615АН | Роликовый радиальный двухрядный подшипник. Детали из теплостойкой стали. Повышенная грузоподъемность. | 75.00 | 160.00 | 55.00 |
Способы доставки
Отправка через ведущие транспортные и курьерские компании: ПЭК, Деловые Линии, СДЭК, Байкал-Сервис, Энергия, КИТ, ЖелДорЭкспедиция.
Самовывоз возможен напрямую со склада в Москве.
Сроки доставки
Срок зависит от региона и выбранной транспортной компании. Все заказы комплектуются и отправляются в кратчайшие сроки со склада в Москве.
Надёжность и сохранность
Вся продукция упаковывается с учётом требований транспортировки. Мы гарантируем, что подшипники и комплектующие прибудут к заказчику в полной сохранности.
Доставка в страны ЕАЭС
Мы работаем с проверенными логистическими партнёрами, что позволяет оперативно доставлять заказы в Беларусь, Казахстан, Армению и другие страны ЕАЭС.
Варианты оплаты:
Минимальная сумма заказа и скидки:
Документы и гарантии:
Да, конечно! Наши технические специалисты готовы помочь вам с подбором точного аналога или замены подшипника. Просто позвоните нам по телефону +7 (495) 104-99-04 или напишите на почту zakaz@podsnab.ru.
Для оперативной консультации подготовьте, пожалуйста, имеющиеся данные: маркировку, размеры, тип оборудования или артикул старого подшипника.
Да, конечно! Мы высоко ценим долгосрочное сотрудничество и доверие клиентов по всей России. Для постоянных клиентов действует персональная система скидок.
Условия формируются индивидуально и зависят от:
Чтобы узнать свои условия и получить максимально выгодное предложение, свяжитесь с персональным менеджером или напишите нам на почту zakaz@podsnab.ru.
Вы можете оформить заказ несколькими способами:
Для оформления заказа от юридического лица свяжитесь с нашим отделом по работе с корпоративными клиентами по телефону +7 (495) 104-99-04 или напишите на email zakaz@podsnab.ru, прикрепив реквизиты вашей организации.
Мы оперативно подготовим коммерческое предложение и выставим счет.
Возврат товара надлежащего качества возможен в течение 10 дней с момента получения, если товар не был в употреблении, сохранен товарный вид, упаковка не вскрывалась и присутствуют все сопроводительные документы.
Возврат денежных средств осуществляется в течение 10 рабочих дней после проверки товара складом.
В соответствии с законодательством возврату не подлежат подшипники надлежащего качества, если отсутствует оригинальная упаковка или имеются следы монтажа.
В случае выявления брака или гарантийного случая мы гарантируем возврат или обмен товара.
Да, гарантийный срок хранения устанавливается заводом-изготовителем и в среднем составляет 2 года при соблюдении условий хранения: сухое помещение, оригинальная упаковка и смазка.
Точный срок для конкретного типа подшипника уточняйте у наших менеджеров.
Пн–Пт: с 8:00 до 17:00 (МСК).
Сб–Вс: выходные дни.
Заказы на сайте принимаются круглосуточно. Заявки, поступившие после окончания рабочего дня, обрабатываются на следующий рабочий день.
Минимальная сумма заказа для доставки составляет 3000 рублей. Самовывоз со склада возможен на любую сумму при наличии товара.
ООО «УралТехГрупп»
ИНН: 7415093830
КПП: 772401001
ОГРН: 1167456069021
Банк: ПАО Сбербанк
Р/с: 40702810838000475273
К/с: 30101810400000000225
БИК: 044525225
У подшипника NUP2315-E-M6 пока нет отзывов. Вы можете стать первым покупателем, поделившимся своим мнением.