Поиск подшипника
Статьи
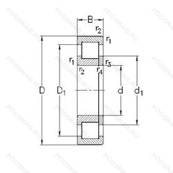
NUP2318-E-M6 — Роликовый радиальный однорядный подшипник, модификация основного исполнения NUP2318, производство NKE.
Размер подшипника: 90x190x64 мм.
Однорядный цилиндрический роликоподшипник. Наружное кольцо имеет два борта, внутреннее — один борт и одно свободное фланцевое кольцо. Основные размеры по DIN 5412-1, относится к подтипу фиксированные подшипники, разъемные, с сепаратором, 20-28 um (c3 & c4), повышенная грузоподъемность.
Международная стандартизации ISO
NUP2318EM6
В наличии
| Обозначение | Конструктивные изменения |
|---|---|
| NUP2318 | Сталь сквозной закалки SUJ2 (японская) и взаимозаменяемость (только для метрических серий). Канавка под стопорное кольцо на наружном кольце подшипника. Точность размеров примерно соответствует классу точности Р4. Класс точности 2. Однорядный цилиндрический роликовый подшипник. Наружное кольцо имеет два борта. Основное конструктивное исполнение. |
| NUP2318ECJ | Два стальных сепаратора оконного типа. внутреннее кольцо без фланца. направляющее кольцо с усиленным роликом. |
| NUP2318E.M1.C3 | Внутренний зазор больше нормального. Повышенная грузоподъемность. Механически обработанный латунный сепаратор. вращающийся элемент качения (крестовина на заклепках). |
| NUP2318-E-TVP2 | Повышенная грузоподъемность. Cепаратор изготовленный из полиамида PA66. армированного стекловолокном. |
| NUP2318-E-XL-M1-C4 | Внутренний зазор подшипника больше. чем C3. Повышенная грузоподъемность. Серия X-Life премиум-класс. увеличиный срок службы. Механически обработанный латунный сепаратор. вращающийся элемент качения (крестовина на заклепках). |
| NUP2318-E-XL-M1-C3 | Внутренний зазор больше нормального. Повышенная грузоподъемность. Серия X-Life премиум-класс. увеличиный срок службы. Механически обработанный латунный сепаратор. вращающийся элемент качения (крестовина на заклепках). |
| NUP2318-E-XL-MP1A | Повышенная грузоподъемность. Серия X-Life премиум-класс. увеличиный срок службы. Твердый латунный сепаратор. Однорядный. С ребрами на внешнем кольце. Качество X-Life (грузоподъемность до 18 % больше. чем обычно). |
| NUP2318-E-XL-TVP2-C3 | Внутренний зазор больше нормального. Повышенная грузоподъемность. Серия X-Life премиум-класс. увеличиный срок службы. Cепаратор изготовленный из полиамида PA66. армированного стекловолокном. |
| NUP2318-E-XL-TVP2 | Повышенная грузоподъемность. Серия X-Life премиум-класс. увеличиный срок службы. Cепаратор изготовленный из полиамида PA66. армированного стекловолокном. |
| NUP2318-E-M1-C4 | Внутренний зазор подшипника больше. чем C3. Повышенная грузоподъемность. Механически обработанный латунный сепаратор. вращающийся элемент качения (крестовина на заклепках). |
| NUP2318-E-MP1A | Повышенная грузоподъемность. Твердый латунный сепаратор. Однорядный. С ребрами на внешнем кольце. Качество X-Life (грузоподъемность до 18 % больше. чем обычно). |
| NUP2318EM C3 | Внутренний зазор больше нормального. Стандартный фланцевый ( с резьбой и сквозным отверстием). |
| NUP2318-E-XL-M1 | Повышенная грузоподъемность. Серия X-Life премиум-класс. увеличиный срок службы. Механически обработанный латунный сепаратор. вращающийся элемент качения (крестовина на заклепках). |
| NUP2318-E-TVP3 | Повышенная грузоподъемность. Цельный сепаратор из полиамида PA66-GF25. сепаратор оконного типа. направляемый телами качения. |
| NUP2318E.TVP2.C3 | Внутренний зазор больше нормального. Повышенная грузоподъемность. Cепаратор изготовленный из полиамида PA66. армированного стекловолокном. |
| NUP2318-E-M1 | Повышенная грузоподъемность. Механически обработанный латунный сепаратор. вращающийся элемент качения (крестовина на заклепках). |
| NUP2318-E-MPAX | Повышенная грузоподъемность. Ребристый однокомпонентный цельнолатунный сепаратор является дальнейшим развитием сепараторов FAG типов MPA и MP1A и будет последовательно заменять эти типы. Он обладает большей прочностью по отношению к ударным нагрузкам и вибрациям. чем его предшественники. и особенно хорошо подходит для применения в условиях высоких нагрузок. |
| NUP2318-E-XL-MPAX | Повышенная грузоподъемность. Серия X-Life премиум-класс. увеличиный срок службы. Ребристый однокомпонентный цельнолатунный сепаратор является дальнейшим развитием сепараторов FAG типов MPA и MP1A и будет последовательно заменять эти типы. Он обладает большей прочностью по отношению к ударным нагрузкам и вибрациям. чем его предшественники. и особенно хорошо подходит для применения в условиях высоких нагрузок. |
| NUP2318-E-MA6 | Повышенная грузоподъемность. Изготовленный из двух частей латунный сепаратор. Центрирование по внешнему кольцу. Различные конструкции или сорта материалов обозначаются цифрой или буквой.. |
| NUP2318-E-MPA | Повышенная грузоподъемность. Твердый латунный сепаратор. |
| NUP2318 ET | Сквозная закалка и шлифовка стали с переломом в одной точке. |
| NUP2318E | Повышенная грузоподъемность. |
| NUP2318 M | Подшипник с латунным сепаратором. центрированный по телам качения. |
| NUP2318 MA | Механически обработанный латунный сепаратор. Центрирование по внешнему кольцу. |
| NUP2318R | С выпуклыми асимметричными роликами и обработанным сепаратором. |
Модификации роликового подшипника NUP2318-E-M6 — это измененное основное конструктивное исполнение NUP2318, основные размеры (90x190x64) не отличаются.
| Обозначение | Гост | Конструктивные особенности |
|---|---|---|
| 32618-ЛМ | ГОСТ | Сепаратор из латуни.. Модифицированный контакт.. |
| NH2318 E | ISO | Повышенная грузоподъемность. |
| NJ2318E | ISO | Повышенная грузоподъемность. |
| NJF2318 V | ISO | Бессепараторный подшипник. |
| NH2318 | ISO | Канавка под стопорное кольцо на наружном кольце подшипника. |
| NJ2318-E-MA6 | ISO | Повышенная грузоподъемность. Изготовленный из двух частей латунный сепаратор. Центрирование по внешнему кольцу. Различные конструкции или сорта материалов обозначаются цифрой или буквой.. |
| NJ2318-E-MPA | ISO | Повышенная грузоподъемность. Твердый латунный сепаратор. |
| NJ2318-E-TVP3 | ISO | Повышенная грузоподъемность. Цельный сепаратор из полиамида PA66-GF25. сепаратор оконного типа. направляемый телами качения. |
| NJ2318-E-TVP3+HJ2318-E | ISO | Повышенная грузоподъемность. Цельный сепаратор из полиамида PA66-GF25. сепаратор оконного типа. направляемый телами качения. |
| NJ2318-E-MA6+HJ2318-E | ISO | Повышенная грузоподъемность. Изготовленный из двух частей латунный сепаратор. Центрирование по внешнему кольцу. Различные конструкции или сорта материалов обозначаются цифрой или буквой.. |
| NJ2318-E-M6 | ISO | Повышенная грузоподъемность. 20-28 UM (C3 & C4). |
| NJ2318-E-MPA+HJ2318-E | ISO | Повышенная грузоподъемность. Твердый латунный сепаратор. |
| NJ2318-E-M6+HJ2318-E | ISO | Повышенная грузоподъемность. 20-28 UM (C3 & C4). |
| NJ2318-VH | ISO | Полный набор роликов (без сепаратора). Самоудерживающиеся. |
| NU2318-E-MA6 | ISO | Повышенная грузоподъемность. Изготовленный из двух частей латунный сепаратор. Центрирование по внешнему кольцу. Различные конструкции или сорта материалов обозначаются цифрой или буквой.. |
| NU2318-E-MPA | ISO | Повышенная грузоподъемность. Твердый латунный сепаратор. |
| NJ2318 MA | ISO | Механически обработанный латунный сепаратор. Центрирование по внешнему кольцу. |
| NJ 2318 ECM | ISO | Однорядный цилиндрический роликовый подшипник. |
| 42618-Л | ГОСТ | Сепаратор из латуни.. |
| 42618-ЛМ | ГОСТ | Сепаратор из латуни.. Модифицированный контакт.. |
Аналог роликового подшипника NUP2318-E-M6 — это подшипник такого же размера dx90,Dx190,Bx64, типа и конструкции.
| Обозначение | Конструктивные особенности | Внутренний (d) | Наружный (D) | Ширина (B) |
|---|---|---|---|---|
| ZSL192318-TB | Роликовый радиальный подшипник. Textite (Fabric-Reinforced Phenolic Resin) Cage Guided On The Inner Ring. | 90.00 | 190.00 | 64.00 |
| NJ2318R | Роликовый радиальный цилиндрический однорядный подшипник. С выпуклыми асимметричными роликами и обработанным сепаратором. | 90.00 | 190.00 | 64.00 |
| NU2318R | Роликовый радиальный цилиндрический однорядный подшипник. С выпуклыми асимметричными роликами и обработанным сепаратором. | 90.00 | 190.00 | 64.00 |
| 22318EX | Роликовый радиальный сферический двухрядный подшипник. Optimized Inner Construction - Extreme Quality F. Extreme Requirements. | 90.00 | 190.00 | 64.00 |
| 22318AEX | Роликовый радиальный сферический двухрядный подшипник. Высокоскоростной и высокопроизводительный сферический роликоподшипник. | 90.00 | 190.00 | 64.00 |
| AR90-34 | Роликовый радиальный-упорный двухрядный подшипник. 2.1/8. | 90.00 | 190.00 | 64.00 |
| 2318 K + H 2318 | Шариковый сферический двухрядный подшипник. Коническое внутреннее отверстие. Pressed Snap-Type Steel Cage. Hardened. | 90.00 | 190.00 | 64.00 |
| 2318SK | Шариковый сферический двухрядный подшипник. Кулачковый толкатель штифтового типа. С шестигранной головкой. Только для внутреннего и наружного колец. | 90.00 | 190.00 | 64.00 |
| 50-153618 Н | Роликовый радиальный двухрядный подшипник. Детали из теплостойкой стали. | 90.00 | 190.00 | 64.00 |
| 53618-Е | Роликовый радиальный двухрядный подшипник. Сепаратор из текстолита.. | 90.00 | 190.00 | 64.00 |
| 53618-Л | Роликовый радиальный двухрядный подшипник. Сепаратор из латуни.. | 90.00 | 190.00 | 64.00 |
| 53618-Н | Роликовый радиальный двухрядный подшипник. Детали из теплостойкой стали. | 90.00 | 190.00 | 64.00 |
| 53618-НЕ | Роликовый радиальный двухрядный подшипник. Сепаратор из текстолита.. Детали из теплостойкой стали. | 90.00 | 190.00 | 64.00 |
| 53618-Т | Роликовый радиальный двухрядный подшипник. Температура отпуска. 160°. | 90.00 | 190.00 | 64.00 |
| 53618ЛН | Роликовый радиальный двухрядный подшипник. Детали из теплостойкой стали. Сепаратор из латуни.. | 90.00 | 190.00 | 64.00 |
Способы доставки
Отправка через ведущие транспортные и курьерские компании: ПЭК, Деловые Линии, СДЭК, Байкал-Сервис, Энергия, КИТ, ЖелДорЭкспедиция.
Самовывоз возможен напрямую со склада в Москве.
Сроки доставки
Срок зависит от региона и выбранной транспортной компании. Все заказы комплектуются и отправляются в кратчайшие сроки со склада в Москве.
Надёжность и сохранность
Вся продукция упаковывается с учётом требований транспортировки. Мы гарантируем, что подшипники и комплектующие прибудут к заказчику в полной сохранности.
Доставка в страны ЕАЭС
Мы работаем с проверенными логистическими партнёрами, что позволяет оперативно доставлять заказы в Беларусь, Казахстан, Армению и другие страны ЕАЭС.
Варианты оплаты:
Минимальная сумма заказа и скидки:
Документы и гарантии:
Да, конечно! Наши технические специалисты готовы помочь вам с подбором точного аналога или замены подшипника. Просто позвоните нам по телефону +7 (495) 104-99-04 или напишите на почту zakaz@podsnab.ru.
Для оперативной консультации подготовьте, пожалуйста, имеющиеся данные: маркировку, размеры, тип оборудования или артикул старого подшипника.
Да, конечно! Мы высоко ценим долгосрочное сотрудничество и доверие клиентов по всей России. Для постоянных клиентов действует персональная система скидок.
Условия формируются индивидуально и зависят от:
Чтобы узнать свои условия и получить максимально выгодное предложение, свяжитесь с персональным менеджером или напишите нам на почту zakaz@podsnab.ru.
Вы можете оформить заказ несколькими способами:
Для оформления заказа от юридического лица свяжитесь с нашим отделом по работе с корпоративными клиентами по телефону +7 (495) 104-99-04 или напишите на email zakaz@podsnab.ru, прикрепив реквизиты вашей организации.
Мы оперативно подготовим коммерческое предложение и выставим счет.
Возврат товара надлежащего качества возможен в течение 10 дней с момента получения, если товар не был в употреблении, сохранен товарный вид, упаковка не вскрывалась и присутствуют все сопроводительные документы.
Возврат денежных средств осуществляется в течение 10 рабочих дней после проверки товара складом.
В соответствии с законодательством возврату не подлежат подшипники надлежащего качества, если отсутствует оригинальная упаковка или имеются следы монтажа.
В случае выявления брака или гарантийного случая мы гарантируем возврат или обмен товара.
Да, гарантийный срок хранения устанавливается заводом-изготовителем и в среднем составляет 2 года при соблюдении условий хранения: сухое помещение, оригинальная упаковка и смазка.
Точный срок для конкретного типа подшипника уточняйте у наших менеджеров.
Пн–Пт: с 8:00 до 17:00 (МСК).
Сб–Вс: выходные дни.
Заказы на сайте принимаются круглосуточно. Заявки, поступившие после окончания рабочего дня, обрабатываются на следующий рабочий день.
Минимальная сумма заказа для доставки составляет 3000 рублей. Самовывоз со склада возможен на любую сумму при наличии товара.
ООО «УралТехГрупп»
ИНН: 7415093830
КПП: 772401001
ОГРН: 1167456069021
Банк: ПАО Сбербанк
Р/с: 40702810838000475273
К/с: 30101810400000000225
БИК: 044525225
У подшипника NUP2318-E-M6 пока нет отзывов. Вы можете стать первым покупателем, поделившимся своим мнением.