Поиск подшипника
Статьи
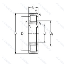
NUP321-E-TVP3 — Роликовый радиальный однорядный подшипник, модификация основного исполнения NUP321, производство NKE.
Размер подшипника: 105x225x49 мм.
Однорядный цилиндрический роликоподшипник. Наружное кольцо имеет два борта, внутреннее — один борт и одно свободное фланцевое кольцо. Основные размеры по DIN 5412-1, относится к подтипу фиксированные подшипники, разъемные, с сепаратором, цельный сепаратор из полиамида pa66-gf25. сепаратор оконного типа. направляемый телами качения, повышенная грузоподъемность.
Международная стандартизации ISO
NUP321ETVP3
В наличии
| Обозначение | Конструктивные изменения |
|---|---|
| NUP321 | Сталь сквозной закалки SUJ2 (японская) и взаимозаменяемость (только для метрических серий). Канавка под стопорное кольцо на наружном кольце подшипника. Точность размеров примерно соответствует классу точности Р4. Однорядный цилиндрический роликовый подшипник. Наружное кольцо имеет два борта. Основное конструктивное исполнение. |
| NUP321-E-MA6 | Повышенная грузоподъемность. Изготовленный из двух частей латунный сепаратор. Центрирование по внешнему кольцу. Различные конструкции или сорта материалов обозначаются цифрой или буквой.. |
| NUP321-E-M6 | Повышенная грузоподъемность. 20-28 UM (C3 & C4). |
| NUP321-E-MPA | Повышенная грузоподъемность. Твердый латунный сепаратор. |
| NUP321EM | Стандартный фланцевый ( с резьбой и сквозным отверстием). |
| NUP321 E | Повышенная грузоподъемность. |
Модификации роликового подшипника NUP321-E-TVP3 — это измененное основное конструктивное исполнение NUP321, основные размеры (105x225x49) не отличаются.
| Обозначение | Гост | Конструктивные особенности |
|---|---|---|
| NU321-E-MPA | ISO | Повышенная грузоподъемность. Твердый латунный сепаратор. |
| NU321-E-TVP3 | ISO | Повышенная грузоподъемность. Цельный сепаратор из полиамида PA66-GF25. сепаратор оконного типа. направляемый телами качения. |
| NU321-E-MA6 | ISO | Повышенная грузоподъемность. Изготовленный из двух частей латунный сепаратор. Центрирование по внешнему кольцу. Различные конструкции или сорта материалов обозначаются цифрой или буквой.. |
| NU321-E-M6 | ISO | Повышенная грузоподъемность. 20-28 UM (C3 & C4). |
| 2321 | ГОСТ | Роликовый радиальный однорядный подшипник. |
| 32321 | ГОСТ | Роликовый радиальный однорядный подшипник. |
| 42321 | ГОСТ | Роликовый радиальный однорядный подшипник. |
| NF321 E | ISO | Повышенная грузоподъемность. |
| NH321 E | ISO | Повышенная грузоподъемность. |
| NJ321 E | ISO | Повышенная грузоподъемность. |
| NP321 E | ISO | Повышенная грузоподъемность. |
| NH321 | ISO | Канавка под стопорное кольцо на наружном кольце подшипника. |
| NP 321 | ISO | Канавка под стопорное кольцо на наружном кольце подшипника. |
| NJ321-E-M6+HJ321-E | ISO | Повышенная грузоподъемность. 20-28 UM (C3 & C4). |
| NJ321-E-TVP3+HJ321-E | ISO | Повышенная грузоподъемность. Цельный сепаратор из полиамида PA66-GF25. сепаратор оконного типа. направляемый телами качения. |
| NJ321-E-M6 | ISO | Повышенная грузоподъемность. 20-28 UM (C3 & C4). |
| NJ321-E-MA6 | ISO | Повышенная грузоподъемность. Изготовленный из двух частей латунный сепаратор. Центрирование по внешнему кольцу. Различные конструкции или сорта материалов обозначаются цифрой или буквой.. |
| NJ321-E-MPA | ISO | Повышенная грузоподъемность. Твердый латунный сепаратор. |
| NJ321-E-MA6+HJ321-E | ISO | Повышенная грузоподъемность. Изготовленный из двух частей латунный сепаратор. Центрирование по внешнему кольцу. Различные конструкции или сорта материалов обозначаются цифрой или буквой.. |
| NJ321-E-MPA+HJ321-E | ISO | Повышенная грузоподъемность. Твердый латунный сепаратор. |
Аналог роликового подшипника NUP321-E-TVP3 — это подшипник такого же размера dx105,Dx225,Bx49, типа и конструкции.
| Обозначение | Конструктивные особенности | Внутренний (d) | Наружный (D) | Ширина (B) |
|---|---|---|---|---|
| QJ 321 | Шариковый радиально-упорный однорядный подшипник. Штампованный сепаратор из стального листа. Шариковый подшипник с четырех-точечным контактом. | 105.00 | 225.00 | 49.00 |
| 7321-BE-MP | Шариковый радиально-упорный однорядный подшипник. Single Row Angular Contact Ball Bearing With A 40° Угол контакта And Optimized Internal Design. Массивный латунный сепаратор. центрированный по телам качения. | 105.00 | 225.00 | 49.00 |
| 6321-RS | Шариковый радиальный однорядный подшипник. Резиновое уплотнение с одной стороны. | 105.00 | 225.00 | 49.00 |
| 6321-Z | Шариковый радиальный однорядный подшипник. Стальная шайба. | 105.00 | 225.00 | 49.00 |
| 6321-2RU | Шариковый радиальный однорядный подшипник. Non Contact Type Friction Torque = Small High Speed Performance = Good Grease Sealing = Better Than ZZ-Type Dirt Resistance = Better Than ZZ-Type Water Resistance = Better Than ZZ / Inferior To 2RS Operating Temp. -30°C To + 100°C. | 105.00 | 225.00 | 49.00 |
| 6321ZX | Шариковый радиальный однорядный подшипник. Съемная защитная шайба с одной стороны. | 105.00 | 225.00 | 49.00 |
| 66321-АЛ1 | Шариковый радиально-упорный однорядный подшипник. Сепаратор из латуни.. Повышенная грузоподъемность. | 105.00 | 225.00 | 49.00 |
| 6321NR | Шариковый радиальный однорядный подшипник. Канавка и стопорное кольцо на наружном кольце. | 105.00 | 225.00 | 49.00 |
| 6321LLU | Шариковый радиальный однорядный подшипник. Контактное резиновое уплотнение с двух сторон. | 105.00 | 225.00 | 49.00 |
| 6321N | Шариковый радиальный однорядный подшипник. Канавка для стопорного кольца на наружном кольце. | 105.00 | 225.00 | 49.00 |
| 2В0-321 Л | Шариковый радиальный однорядный подшипник. Сепаратор из латуни.. | 105.00 | 225.00 | 49.00 |
| 321-Л | Шариковый радиальный однорядный подшипник. Сепаратор из латуни.. | 105.00 | 225.00 | 49.00 |
| 1321K+H321 | Шариковый сферический двухрядный подшипник. Коническое внутреннее отверстие. | 105.00 | 225.00 | 49.00 |
| 1321K | Шариковый сферический двухрядный подшипник. Коническое внутреннее отверстие. | 105.00 | 225.00 | 49.00 |
| 1321S | Шариковый сферический двухрядный подшипник. Запечатанная версия кулачкового ролика. | 105.00 | 225.00 | 49.00 |
Способы доставки
Отправка через ведущие транспортные и курьерские компании: ПЭК, Деловые Линии, СДЭК, Байкал-Сервис, Энергия, КИТ, ЖелДорЭкспедиция.
Самовывоз возможен напрямую со склада в Москве.
Сроки доставки
Срок зависит от региона и выбранной транспортной компании. Все заказы комплектуются и отправляются в кратчайшие сроки со склада в Москве.
Надёжность и сохранность
Вся продукция упаковывается с учётом требований транспортировки. Мы гарантируем, что подшипники и комплектующие прибудут к заказчику в полной сохранности.
Доставка в страны ЕАЭС
Мы работаем с проверенными логистическими партнёрами, что позволяет оперативно доставлять заказы в Беларусь, Казахстан, Армению и другие страны ЕАЭС.
Варианты оплаты:
Минимальная сумма заказа и скидки:
Документы и гарантии:
Да, конечно! Наши технические специалисты готовы помочь вам с подбором точного аналога или замены подшипника. Просто позвоните нам по телефону +7 (495) 104-99-04 или напишите на почту zakaz@podsnab.ru.
Для оперативной консультации подготовьте, пожалуйста, имеющиеся данные: маркировку, размеры, тип оборудования или артикул старого подшипника.
Да, конечно! Мы высоко ценим долгосрочное сотрудничество и доверие клиентов по всей России. Для постоянных клиентов действует персональная система скидок.
Условия формируются индивидуально и зависят от:
Чтобы узнать свои условия и получить максимально выгодное предложение, свяжитесь с персональным менеджером или напишите нам на почту zakaz@podsnab.ru.
Вы можете оформить заказ несколькими способами:
Для оформления заказа от юридического лица свяжитесь с нашим отделом по работе с корпоративными клиентами по телефону +7 (495) 104-99-04 или напишите на email zakaz@podsnab.ru, прикрепив реквизиты вашей организации.
Мы оперативно подготовим коммерческое предложение и выставим счет.
Возврат товара надлежащего качества возможен в течение 10 дней с момента получения, если товар не был в употреблении, сохранен товарный вид, упаковка не вскрывалась и присутствуют все сопроводительные документы.
Возврат денежных средств осуществляется в течение 10 рабочих дней после проверки товара складом.
В соответствии с законодательством возврату не подлежат подшипники надлежащего качества, если отсутствует оригинальная упаковка или имеются следы монтажа.
В случае выявления брака или гарантийного случая мы гарантируем возврат или обмен товара.
Да, гарантийный срок хранения устанавливается заводом-изготовителем и в среднем составляет 2 года при соблюдении условий хранения: сухое помещение, оригинальная упаковка и смазка.
Точный срок для конкретного типа подшипника уточняйте у наших менеджеров.
Пн–Пт: с 8:00 до 17:00 (МСК).
Сб–Вс: выходные дни.
Заказы на сайте принимаются круглосуточно. Заявки, поступившие после окончания рабочего дня, обрабатываются на следующий рабочий день.
Минимальная сумма заказа для доставки составляет 3000 рублей. Самовывоз со склада возможен на любую сумму при наличии товара.
ООО «УралТехГрупп»
ИНН: 7415093830
КПП: 772401001
ОГРН: 1167456069021
Банк: ПАО Сбербанк
Р/с: 40702810838000475273
К/с: 30101810400000000225
БИК: 044525225
У подшипника NUP321-E-TVP3 пока нет отзывов. Вы можете стать первым покупателем, поделившимся своим мнением.