Поиск подшипника
Статьи
NUP421-M — Роликовый радиальный однорядный подшипник, модификация основного исполнения NUP421, производство NKE.
Размер подшипника: 105x260x60 мм.
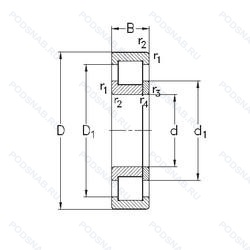
Однорядный цилиндрический роликоподшипник. Наружное кольцо имеет два борта, внутреннее — один борт и одно свободное фланцевое кольцо. Основные размеры по DIN 5412-1, относится к подтипу фиксированные подшипники, разъемные, с сепаратором, подшипник с латунным сепаратором. центрированный по телам качения.
Международная стандартизации ISO
NUP421M
В наличии
| Обозначение | Конструктивные изменения |
|---|---|
| NUP 421 | Канавка под стопорное кольцо на наружном кольце подшипника. Класс точности 4. Точность размеров примерно соответствует классу точности Р4. Однорядный цилиндрический роликовый подшипник. Наружное кольцо имеет два борта. |
Модификации роликового подшипника NUP421-M — это измененное основное конструктивное исполнение NUP421, основные размеры (105x260x60) не отличаются.
| Обозначение | Гост | Конструктивные особенности |
|---|---|---|
| NU421K | ISO | Коническое отверстие. Конусность 1/12. |
| 2421 | ГОСТ | Роликовый радиальный однорядный подшипник. |
| 32421 | ГОСТ | Роликовый радиальный однорядный подшипник. |
| 42421 | ГОСТ | Роликовый радиальный однорядный подшипник. |
| 92421 | ГОСТ | Роликовый радиальный однорядный подшипник. |
| N 421 | ISO | Канавка под стопорное кольцо на наружном кольце подшипника. |
| NH421 | ISO | Канавка под стопорное кольцо на наружном кольце подшипника. |
| NP 421 | ISO | Канавка под стопорное кольцо на наружном кольце подшипника. |
| NJ421-M1 + HJ421 | ISO | Механически обработанный латунный сепаратор. вращающийся элемент качения (крестовина на заклепках). |
| NJ421-M+HJ421 | ISO | Подшипник с латунным сепаратором. центрированный по телам качения. |
| 90-62421 М | ГОСТ | Модифицированный контакт.. |
| 62421М | ГОСТ | Модифицированный контакт.. |
Аналог роликового подшипника NUP421-M — это подшипник такого же размера dx105,Dx260,Bx60, типа и конструкции.
| Обозначение | Конструктивные особенности | Внутренний (d) | Наружный (D) | Ширина (B) |
|---|---|---|---|---|
| NJ421M1.C3 | Однорядный цилиндрический роликовый подшипник. Внутренний зазор больше нормального. Механически обработанный латунный сепаратор. вращающийся элемент качения (крестовина на заклепках). | 105.00 | 260.00 | 60.00 |
| NU421-XL-M1 | Однорядный цилиндрический роликовый подшипник. Серия X-Life премиум-класс. увеличиный срок службы. Механически обработанный латунный сепаратор. вращающийся элемент качения (крестовина на заклепках). | 105.00 | 260.00 | 60.00 |
| NU421-XL-M1-C3 | Однорядный цилиндрический роликовый подшипник. Внутренний зазор больше нормального. Серия X-Life премиум-класс. увеличиный срок службы. Механически обработанный латунный сепаратор. вращающийся элемент качения (крестовина на заклепках). | 105.00 | 260.00 | 60.00 |
| NJ421M.C3 | Однорядный цилиндрический роликовый подшипник. Внутренний зазор больше нормального. Механически обработанный латунный сепаратор .Расположенный на элементах качения. | 105.00 | 260.00 | 60.00 |
| NU421M1 | Однорядный цилиндрический роликовый подшипник. Механически обработанный латунный сепаратор. вращающийся элемент качения (крестовина на заклепках). | 105.00 | 260.00 | 60.00 |
| NU421M1.C3 | Однорядный цилиндрический роликовый подшипник. Внутренний зазор больше нормального. Механически обработанный латунный сепаратор. вращающийся элемент качения (крестовина на заклепках). | 105.00 | 260.00 | 60.00 |
| NU421M1.C4 | Однорядный цилиндрический роликовый подшипник. Внутренний зазор подшипника больше. чем C3. Механически обработанный латунный сепаратор. вращающийся элемент качения (крестовина на заклепках). | 105.00 | 260.00 | 60.00 |
| NJ421-M1 | Однорядный цилиндрический роликовый подшипник. Механически обработанный латунный сепаратор. вращающийся элемент качения (крестовина на заклепках). | 105.00 | 260.00 | 60.00 |
| NJ421-FPAX-T32-R155-180 | Однорядный цилиндрический роликовый подшипник. Cylindrical Roller Bearings With Special Axial Clearance Between Roller Face And Outer Ring Lip_ T32 Replaces 795051 And 795098. Radial Clearance In μm. Machined Steel Retainer. Rolling Element Outer Ring Guided. | 105.00 | 260.00 | 60.00 |
| NU421-XL-M1-C4 | Однорядный цилиндрический роликовый подшипник. Внутренний зазор подшипника больше. чем C3. Серия X-Life премиум-класс. увеличиный срок службы. Механически обработанный латунный сепаратор. вращающийся элемент качения (крестовина на заклепках). | 105.00 | 260.00 | 60.00 |
| NU421-XL-M1-F1-H67C-C4 | Однорядный цилиндрический роликовый подшипник. Внутренний зазор подшипника больше. чем C3. Серия X-Life премиум-класс. увеличиный срок службы. Механически обработанный латунный сепаратор. вращающийся элемент качения (крестовина на заклепках). Спецификация производства и контроля FAG для цилиндрических роликоподшипников в тяговых двигателях. Испытания для французских железных дорог. | 105.00 | 260.00 | 60.00 |
| NJ421-XL-FPAX-T32-R155-180NA | Однорядный цилиндрический роликовый подшипник. Серия X-Life премиум-класс. увеличиный срок службы. Cylindrical Roller Bearings With Special Axial Clearance Between Roller Face And Outer Ring Lip_ T32 Replaces 795051 And 795098. Radial Clearance In μm. Machined Steel Retainer. Rolling Element Outer Ring Guided. | 105.00 | 260.00 | 60.00 |
| NJ421-FPAX-T32-R155-180NA | Однорядный цилиндрический роликовый подшипник. Нет особого значения для цилиндрического подшипника. Cylindrical Roller Bearings With Special Axial Clearance Between Roller Face And Outer Ring Lip_ T32 Replaces 795051 And 795098. Radial Clearance In μm. Machined Steel Retainer. Rolling Element Outer Ring Guided. | 105.00 | 260.00 | 60.00 |
| 32421-М | Роликовый радиальный подшипник. Модифицированный контакт.. | 105.00 | 260.00 | 60.00 |
| NUP 421 | Роликовый радиальный цилиндрический однорядный подшипник. Канавка под стопорное кольцо на наружном кольце подшипника. Класс точности 4. Точность размеров примерно соответствует классу точности Р4. Однорядный цилиндрический роликовый подшипник. Наружное кольцо имеет два борта. | 105.00 | 260.00 | 60.00 |
Способы доставки
Отправка через ведущие транспортные и курьерские компании: ПЭК, Деловые Линии, СДЭК, Байкал-Сервис, Энергия, КИТ, ЖелДорЭкспедиция.
Самовывоз возможен напрямую со склада в Москве.
Сроки доставки
Срок зависит от региона и выбранной транспортной компании. Все заказы комплектуются и отправляются в кратчайшие сроки со склада в Москве.
Надёжность и сохранность
Вся продукция упаковывается с учётом требований транспортировки. Мы гарантируем, что подшипники и комплектующие прибудут к заказчику в полной сохранности.
Доставка в страны ЕАЭС
Мы работаем с проверенными логистическими партнёрами, что позволяет оперативно доставлять заказы в Беларусь, Казахстан, Армению и другие страны ЕАЭС.
Варианты оплаты:
Минимальная сумма заказа и скидки:
Документы и гарантии:
Да, конечно! Наши технические специалисты готовы помочь вам с подбором точного аналога или замены подшипника. Просто позвоните нам по телефону +7 (495) 104-99-04 или напишите на почту zakaz@podsnab.ru.
Для оперативной консультации подготовьте, пожалуйста, имеющиеся данные: маркировку, размеры, тип оборудования или артикул старого подшипника.
Да, конечно! Мы высоко ценим долгосрочное сотрудничество и доверие клиентов по всей России. Для постоянных клиентов действует персональная система скидок.
Условия формируются индивидуально и зависят от:
Чтобы узнать свои условия и получить максимально выгодное предложение, свяжитесь с персональным менеджером или напишите нам на почту zakaz@podsnab.ru.
Вы можете оформить заказ несколькими способами:
Для оформления заказа от юридического лица свяжитесь с нашим отделом по работе с корпоративными клиентами по телефону +7 (495) 104-99-04 или напишите на email zakaz@podsnab.ru, прикрепив реквизиты вашей организации.
Мы оперативно подготовим коммерческое предложение и выставим счет.
Возврат товара надлежащего качества возможен в течение 10 дней с момента получения, если товар не был в употреблении, сохранен товарный вид, упаковка не вскрывалась и присутствуют все сопроводительные документы.
Возврат денежных средств осуществляется в течение 10 рабочих дней после проверки товара складом.
В соответствии с законодательством возврату не подлежат подшипники надлежащего качества, если отсутствует оригинальная упаковка или имеются следы монтажа.
В случае выявления брака или гарантийного случая мы гарантируем возврат или обмен товара.
Да, гарантийный срок хранения устанавливается заводом-изготовителем и в среднем составляет 2 года при соблюдении условий хранения: сухое помещение, оригинальная упаковка и смазка.
Точный срок для конкретного типа подшипника уточняйте у наших менеджеров.
Пн–Пт: с 8:00 до 17:00 (МСК).
Сб–Вс: выходные дни.
Заказы на сайте принимаются круглосуточно. Заявки, поступившие после окончания рабочего дня, обрабатываются на следующий рабочий день.
Минимальная сумма заказа для доставки составляет 3000 рублей. Самовывоз со склада возможен на любую сумму при наличии товара.
ООО «УралТехГрупп»
ИНН: 7415093830
КПП: 772401001
ОГРН: 1167456069021
Банк: ПАО Сбербанк
Р/с: 40702810838000475273
К/с: 30101810400000000225
БИК: 044525225
У подшипника NUP421-M пока нет отзывов. Вы можете стать первым покупателем, поделившимся своим мнением.