Поиск подшипника
Статьи
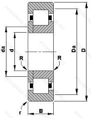
105RT32 — Роликовый радиальный однорядный подшипник, модификация основного исполнения 105, производство TIMKEN.
Размер подшипника: 105x190x65 мм.
Международная стандартизации ISO
105RT32
В наличии
| Обозначение | Конструктивные изменения |
|---|---|
| 105RN32 | Роликовый радиальный однорядный подшипник. |
| 105HCDUL | 15° Угол контакта. Сепаратор из фенольной смолы с текстильным ламинированием. Внешнее кольцо центрировано. Комплект из 2 универсальных подшипников. Небольшой предварительный натяг. |
| 105HCDUL.X719 | 15° Угол контакта. Сепаратор из фенольной смолы с текстильным ламинированием. Внешнее кольцо центрировано. Комплект из 2 универсальных подшипников. Небольшой предварительный натяг. Обозначает длину в миллиметрах. |
| 105FFT5 | Double Flexseal. |
| 105 | Роликовый радиальный однорядный подшипник. Основное конструктивное исполнение. |
| 105H | Сепаратор из фенольной смолы с текстильным ламинированием. Внешнее кольцо центрировано. |
| 105V2 | Для применения. где основное требование снижение вибрации. |
| 105BNR10STSULP3 | Стальные шары. Механически обработанный ламинированный фенольный сепаратор. Одиночный подшипник. Универсальный. Легкий преднатяг. Класс точности ниже. чем P2. но выше. чем P4. |
| 105KS | Ball Bearing. Conrad Type. Single Row. Deep Groove (100K Series). |
| 105ZZ | Защитные металлические шайбы с обеих сторон. |
| 105T | Двухкомпонентный фенольный сепаратор. усиленный алюминием. |
| 105HC | Подшипник или компоненты подшипника из керамики. |
| 105KR | Single-Row. Counterbored Outer Ring. Radial Type. Ball Bearing. 15° Угол контакта. |
| 105HEDUL 0-11 | 25° Угол контакта. Сепаратор из фенольной смолы с текстильным ламинированием. Внешнее кольцо центрировано. Комплект из 2 универсальных подшипников. Небольшой предварительный натяг. Anderson WInsorlube L245X MIL L6085A. Temperature Range -67°F (-55°C) / +175°F (+79.44°C). |
| 105HEUL 0-11 | Универсальный монтаж и легкий преднатяг. 25° Угол контакта. Сепаратор из фенольной смолы с текстильным ламинированием. Внешнее кольцо центрировано. Anderson WInsorlube L245X MIL L6085A. Temperature Range -67°F (-55°C) / +175°F (+79.44°C). |
| 105HDL | Дуплекс. Сепаратор из фенольной смолы с текстильным ламинированием. Внешнее кольцо центрировано. Небольшая предварительная нагрузка. |
| 105RT02 | Роликовый радиальный однорядный подшипник. |
| 105RJ32 | Роликовый радиальный однорядный подшипник. |
| 105BIC470 | Большой внутренний зазор. |
| 105BIH470 | Подшипник из нержавеющей стали. |
| 105TAC29X+L | Одно механическое уплотнение. |
| 105TAC20X+L | Одно механическое уплотнение. |
| GE 105 SX | Радиально-упорный сферический подшипник скольжения. требующий обслуживания по ISO 12 2402. Монтажные размеры как для конических роликоподшипников по DIN 720. 320X. Стальная скользящая контактная поверхность. |
| GAC 105 SP | Точность размеров примерно соответствует классу точности Р5. биения — классу точности Р4. |
| GAC 105 CP | 10 Piece Packaging. |
Модификации роликового подшипника 105RT32 — это измененное основное конструктивное исполнение 105, основные размеры (105x190x65) не отличаются.
| Обозначение | Гост | Конструктивные особенности |
|---|---|---|
| N3221 | ISO | Канавка под стопорное кольцо на наружном кольце подшипника. |
| NF3221 | ISO | Механически обработанный сепаратор из стали или специального чугуна. Канавка под стопорное кольцо на наружном кольце подшипника. |
| NJ3221 | ISO | Штампованный сепаратор из стального листа. Канавка под стопорное кольцо на наружном кольце подшипника. Однорядный цилиндрический роликовый подшипник. Наружное кольцо имеет два борта. |
| NJ5221 | ISO | Штампованный сепаратор из стального листа. Канавка под стопорное кольцо на наружном кольце подшипника. Однорядный цилиндрический роликовый подшипник. Наружное кольцо имеет два борта. |
| NP3221 | ISO | Канавка под стопорное кольцо на наружном кольце подшипника. |
| NU3221 | ISO | Сталь сквозной закалки SUJ2 (японская) и взаимозаменяемость (только для метрических серий). Канавка под стопорное кольцо на наружном кольце подшипника. Однорядные цилиндрические роликоподшипники. Наружное кольцо подшипника имеет два борта. |
| NU5221 | ISO | Канавка под стопорное кольцо на наружном кольце подшипника. Однорядные цилиндрические роликоподшипники. Наружное кольцо подшипника имеет два борта. |
| NUP3221 | ISO | Канавка под стопорное кольцо на наружном кольце подшипника. Точность размеров примерно соответствует классу точности Р4. Однорядный цилиндрический роликовый подшипник. Наружное кольцо имеет два борта. |
| NUP5221 | ISO | Канавка под стопорное кольцо на наружном кольце подшипника. Точность размеров примерно соответствует классу точности Р4. Однорядный цилиндрический роликовый подшипник. Наружное кольцо имеет два борта. |
Аналог роликового подшипника 105RT32 — это подшипник такого же размера dx105,Dx190,Bx65, типа и конструкции.
| Обозначение | Конструктивные особенности | Внутренний (d) | Наружный (D) | Ширина (B) |
|---|---|---|---|---|
| NU5221M C3 | Однорядный цилиндрический роликовый подшипник. Внутренний зазор больше нормального. Механически обработанный латунный сепаратор .Расположенный на элементах качения. | 105.00 | 190.00 | 65.10 |
| NU5221M | Однорядный цилиндрический роликовый подшипник. Механически обработанный латунный сепаратор .Расположенный на элементах качения. | 105.00 | 190.00 | 65.10 |
| MA5221T | Однорядный цилиндрический роликовый подшипник. Textile Laminated Phenolic Resin. Outer Ring Guided. The Cage Is Suitable For Long-Term Operation At Temperatures Up To 100°C. | 105.00 | 190.00 | 65.10 |
| NU3221C3 | Однорядный цилиндрический роликовый подшипник. Внутренний зазор больше нормального. | 105.00 | 190.00 | 65.10 |
| 3221AWM | Подшипник шариковый двухрядный радиально-упорный. Двухрядный радиально-упорный шарикоподшипник без отверстия для смазки. Обработанный латунный сепаратор оконного типа. Центрирование шарика. | 105.00 | 190.00 | 65.10 |
| 3221C | Подшипник шариковый двухрядный радиально-упорный. 15° Угол контакта. | 105.00 | 190.00 | 65.10 |
| AD5221H | Однорядный цилиндрический роликовый подшипник. Pressed Snap-Type Steel Cage. Hardened. | 105.00 | 190.00 | 65.10 |
| 3221M.C3 | Подшипник шариковый двухрядный радиально-упорный. Внутренний зазор больше нормального. Твердый латунный сепаратор. Шариковые направляющие. | 105.00 | 190.00 | 65.10 |
| 6-3056221 К1Ш1 | Шариковый радиально-упорный двухрядный подшипник. «Замок» (скос) на внутреннем кольце плюс массивный сепаратор из текстолита. Нормы шумности. | 105.00 | 190.00 | 65.10 |
| 6-3056221 К1Ш | Шариковый радиально-упорный двухрядный подшипник. «Замок» (скос) на внутреннем кольце плюс массивный сепаратор из текстолита. Нормы шумности. | 105.00 | 190.00 | 65.10 |
| 76-3056221 К1Ш1 | Шариковый радиально-упорный двухрядный подшипник. «Замок» (скос) на внутреннем кольце плюс массивный сепаратор из текстолита. Нормы шумности. | 105.00 | 190.00 | 65.10 |
| 76-3056221 Ш1 | Шариковый радиально-упорный двухрядный подшипник. Нормы шумности. | 105.00 | 190.00 | 65.10 |
| 76-3056221 Ш | Шариковый радиально-упорный двухрядный подшипник. Нормы шумности. | 105.00 | 190.00 | 65.10 |
| 5221W | Шариковый радиально-упорный двухрядный подшипник. Максимальная грузоподъемность. | 105.00 | 190.00 | 65.10 |
| 3056221-Л1 | Шариковый радиально-упорный двухрядный подшипник. Сепаратор из латуни.. | 105.00 | 190.00 | 65.10 |
Способы доставки
Отправка через ведущие транспортные и курьерские компании: ПЭК, Деловые Линии, СДЭК, Байкал-Сервис, Энергия, КИТ, ЖелДорЭкспедиция.
Самовывоз возможен напрямую со склада в Москве.
Сроки доставки
Срок зависит от региона и выбранной транспортной компании. Все заказы комплектуются и отправляются в кратчайшие сроки со склада в Москве.
Надёжность и сохранность
Вся продукция упаковывается с учётом требований транспортировки. Мы гарантируем, что подшипники и комплектующие прибудут к заказчику в полной сохранности.
Доставка в страны ЕАЭС
Мы работаем с проверенными логистическими партнёрами, что позволяет оперативно доставлять заказы в Беларусь, Казахстан, Армению и другие страны ЕАЭС.
Варианты оплаты:
Минимальная сумма заказа и скидки:
Документы и гарантии:
Да, конечно! Наши технические специалисты готовы помочь вам с подбором точного аналога или замены подшипника. Просто позвоните нам по телефону +7 (495) 104-99-04 или напишите на почту zakaz@podsnab.ru.
Для оперативной консультации подготовьте, пожалуйста, имеющиеся данные: маркировку, размеры, тип оборудования или артикул старого подшипника.
Да, конечно! Мы высоко ценим долгосрочное сотрудничество и доверие клиентов по всей России. Для постоянных клиентов действует персональная система скидок.
Условия формируются индивидуально и зависят от:
Чтобы узнать свои условия и получить максимально выгодное предложение, свяжитесь с персональным менеджером или напишите нам на почту zakaz@podsnab.ru.
Вы можете оформить заказ несколькими способами:
Для оформления заказа от юридического лица свяжитесь с нашим отделом по работе с корпоративными клиентами по телефону +7 (495) 104-99-04 или напишите на email zakaz@podsnab.ru, прикрепив реквизиты вашей организации.
Мы оперативно подготовим коммерческое предложение и выставим счет.
Возврат товара надлежащего качества возможен в течение 10 дней с момента получения, если товар не был в употреблении, сохранен товарный вид, упаковка не вскрывалась и присутствуют все сопроводительные документы.
Возврат денежных средств осуществляется в течение 10 рабочих дней после проверки товара складом.
В соответствии с законодательством возврату не подлежат подшипники надлежащего качества, если отсутствует оригинальная упаковка или имеются следы монтажа.
В случае выявления брака или гарантийного случая мы гарантируем возврат или обмен товара.
Да, гарантийный срок хранения устанавливается заводом-изготовителем и в среднем составляет 2 года при соблюдении условий хранения: сухое помещение, оригинальная упаковка и смазка.
Точный срок для конкретного типа подшипника уточняйте у наших менеджеров.
Пн–Пт: с 8:00 до 17:00 (МСК).
Сб–Вс: выходные дни.
Заказы на сайте принимаются круглосуточно. Заявки, поступившие после окончания рабочего дня, обрабатываются на следующий рабочий день.
Минимальная сумма заказа для доставки составляет 3000 рублей. Самовывоз со склада возможен на любую сумму при наличии товара.
ООО «УралТехГрупп»
ИНН: 7415093830
КПП: 772401001
ОГРН: 1167456069021
Банк: ПАО Сбербанк
Р/с: 40702810838000475273
К/с: 30101810400000000225
БИК: 044525225
У подшипника 105RT32 пока нет отзывов. Вы можете стать первым покупателем, поделившимся своим мнением.