Поиск подшипника
Статьи
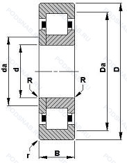
110RIT473 — Роликовый радиальный однорядный подшипник, модификация основного исполнения 110, производство TIMKEN.
Размер подшипника: 279x368x44 мм.
Международная стандартизации ISO
110RIT473
В наличии
| Обозначение | Конструктивные изменения |
|---|---|
| BTW 110 CTN9/SP | Точность размеров примерно соответствует классу точности Р5. биения — классу точности Р4. |
| BTM 110 ATN9/P4CDB | Измененная или модифицированная внутренняя конструкция при неизменных основных размерах. |
| BTM 110 ATN9/HCP4CDB | Измененная или модифицированная внутренняя конструкция при неизменных основных размерах. |
| 110TAC20X+L | Одно механическое уплотнение. |
| 110FS160 | Grease MIL-PRF-23827. |
| GE 110 XES | Габаритные размеры отличаются от стандарта ISO или опорные ролики с цилиндрической наружной поверхностью. Антизадирная пластичная смазка. |
| GE 110 ECR-2RS | Контактные уплотнения типа RS с обеих сторон игольчатого роликоподшипника. Антизадирная пластичная смазка. |
| GE 110 HCR-2RS | Контактные уплотнения типа RS с обеих сторон игольчатого роликоподшипника. Антизадирная пластичная смазка. |
| GE 110 XES-2RS | Контактные уплотнения типа RS с обеих сторон игольчатого роликоподшипника. Габаритные размеры отличаются от стандарта ISO или опорные ролики с цилиндрической наружной поверхностью. Антизадирная пластичная смазка. |
| GE 110 HS-2RS | Контактные уплотнения типа RS с обеих сторон игольчатого роликоподшипника. Антизадирная пластичная смазка. High Speed Design. |
| GE 110GS | Подшипник с предварительным натягом и цилиндрическим наружним кольцом. |
| GF 110 DO | Прессованный стальной сепаратор. Вращающийся элемент по центру. Незакаленный. |
| GIHNRK 110 LO | Стальная поверхность скольжения. Внутреннее кольцо расширено с обеих сторон. Одна осевая канавка на внешнем кольце. |
| GIHRK 110 DO | Прессованный стальной сепаратор. Вращающийся элемент по центру. Незакаленный. |
| GAC 110 CP | 10 Piece Packaging. |
| GAC 110 SP | Точность размеров примерно соответствует классу точности Р5. биения — классу точности Р4. |
| GE 110 CP | 10 Piece Packaging. |
| SA1-110B | Конический роликовый подшипник. Угол контакта 20 градусов. |
| SA1-110BSS | Ball Bearings In Stainless Steel AISI (Non Magnetic). |
| GE 110 ES-2LS | Контактное уплотнение с обеих сторон подшипника. Разъемное наружное кольцо со смазочными отверстиями. |
| GEH 110 ESX-2LS | Контактное уплотнение с обеих сторон подшипника. |
| GEH 110 ES-2LS | Контактное уплотнение с обеих сторон подшипника. Разъемное наружное кольцо со смазочными отверстиями. |
| GEH 110 TXG3A-2LS | Контактное уплотнение с обеих сторон подшипника. Stainless Steel X46Cr13/1.4034. Hardened. Ground. Split Two-Piece. Held Together By One Steel Band. |
| GEH 110 TXA-2LS | Контактное уплотнение с обеих сторон подшипника. Machined One-Piece Retainer Made From Special Material. Working Temperature -50°C/+260°C. |
| GEP 110 FS | Подшипниковый вкладыш с маслоотражательными уплотнениями. |
Модификации роликового подшипника 110RIT473 — это измененное основное конструктивное исполнение 110, основные размеры (279x368x44) не отличаются.
| Обозначение | Гост | Конструктивные особенности |
|---|---|---|
| XLRJ11 | ISO | Роликовый радиальный однорядный подшипник. |
| RXLS 11E | ISO | Роликовый радиальный однорядный подшипник. |
Аналог роликового подшипника 110RIT473 — это подшипник такого же размера dx279,Dx368,Bx44, типа и конструкции.
Способы доставки
Отправка через ведущие транспортные и курьерские компании: ПЭК, Деловые Линии, СДЭК, Байкал-Сервис, Энергия, КИТ, ЖелДорЭкспедиция.
Самовывоз возможен напрямую со склада в Москве.
Сроки доставки
Срок зависит от региона и выбранной транспортной компании. Все заказы комплектуются и отправляются в кратчайшие сроки со склада в Москве.
Надёжность и сохранность
Вся продукция упаковывается с учётом требований транспортировки. Мы гарантируем, что подшипники и комплектующие прибудут к заказчику в полной сохранности.
Доставка в страны ЕАЭС
Мы работаем с проверенными логистическими партнёрами, что позволяет оперативно доставлять заказы в Беларусь, Казахстан, Армению и другие страны ЕАЭС.
Варианты оплаты:
Минимальная сумма заказа и скидки:
Документы и гарантии:
Да, конечно! Наши технические специалисты готовы помочь вам с подбором точного аналога или замены подшипника. Просто позвоните нам по телефону +7 (495) 104-99-04 или напишите на почту zakaz@podsnab.ru.
Для оперативной консультации подготовьте, пожалуйста, имеющиеся данные: маркировку, размеры, тип оборудования или артикул старого подшипника.
Да, конечно! Мы высоко ценим долгосрочное сотрудничество и доверие клиентов по всей России. Для постоянных клиентов действует персональная система скидок.
Условия формируются индивидуально и зависят от:
Чтобы узнать свои условия и получить максимально выгодное предложение, свяжитесь с персональным менеджером или напишите нам на почту zakaz@podsnab.ru.
Вы можете оформить заказ несколькими способами:
Для оформления заказа от юридического лица свяжитесь с нашим отделом по работе с корпоративными клиентами по телефону +7 (495) 104-99-04 или напишите на email zakaz@podsnab.ru, прикрепив реквизиты вашей организации.
Мы оперативно подготовим коммерческое предложение и выставим счет.
Возврат товара надлежащего качества возможен в течение 10 дней с момента получения, если товар не был в употреблении, сохранен товарный вид, упаковка не вскрывалась и присутствуют все сопроводительные документы.
Возврат денежных средств осуществляется в течение 10 рабочих дней после проверки товара складом.
В соответствии с законодательством возврату не подлежат подшипники надлежащего качества, если отсутствует оригинальная упаковка или имеются следы монтажа.
В случае выявления брака или гарантийного случая мы гарантируем возврат или обмен товара.
Да, гарантийный срок хранения устанавливается заводом-изготовителем и в среднем составляет 2 года при соблюдении условий хранения: сухое помещение, оригинальная упаковка и смазка.
Точный срок для конкретного типа подшипника уточняйте у наших менеджеров.
Пн–Пт: с 8:00 до 17:00 (МСК).
Сб–Вс: выходные дни.
Заказы на сайте принимаются круглосуточно. Заявки, поступившие после окончания рабочего дня, обрабатываются на следующий рабочий день.
Минимальная сумма заказа для доставки составляет 3000 рублей. Самовывоз со склада возможен на любую сумму при наличии товара.
ООО «УралТехГрупп»
ИНН: 7415093830
КПП: 772401001
ОГРН: 1167456069021
Банк: ПАО Сбербанк
Р/с: 40702810838000475273
К/с: 30101810400000000225
БИК: 044525225
У подшипника 110RIT473 пока нет отзывов. Вы можете стать первым покупателем, поделившимся своим мнением.