Поиск подшипника
Статьи
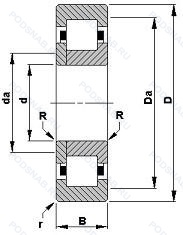
130RT30 — Роликовый радиальный однорядный подшипник, модификация основного исполнения 130, производство TIMKEN.
Размер подшипника: 130x200x52 мм.
Международная стандартизации ISO
130RT30
В наличии
| Обозначение | Конструктивные изменения |
|---|---|
| 130RU23AC5-VS | Внутренняя конструкция отличается от стандартной. Внутренний зазор подшипника больше. чем С4. Символ для подшипников вибрационного грохота. |
| 130BTR10STYNDBLP4A | Стальные шары. Класс ISO 4. Комплект из 2 подшипников O-образного расположения. Стандартный преднатяг. Это специальная конструкция сепараторов которая позволяет подшипнику иметь более низкое трение и более низкий уровень шума. Превышение температуры подшипника с сепаратором из TYN ниже. чем с фенольным. |
| 130FC92690 | Угол контакта 20 градусов. |
| 2CR130A | Угол контакта 20 градусов. Двухрядный радиально-упорный шарикоподшипник без отверстия для смазки. |
| 4UJ130A | Двухрядный радиально-упорный шарикоподшипник без отверстия для смазки. |
| 4UJ130B | Конический роликовый подшипник. Угол контакта 20 градусов. |
| 130KBE43+L | Одно механическое уплотнение. |
| BTW 130 CTN9/SP | Точность размеров примерно соответствует классу точности Р5. биения — классу точности Р4. |
| 130TAC29X+L | Одно механическое уплотнение. |
| 130TAC20X+L | Одно механическое уплотнение. |
| 130W | Максимальная грузоподъемность. |
| 130WD | Защитная шайба из штампованной стали с одной стороны. |
| BTM 130 A/HCP4CDBA | Измененная или модифицированная внутренняя конструкция при неизменных основных размерах. |
| BTM 130 A/HCP4CDBB | Измененная или модифицированная внутренняя конструкция при неизменных основных размерах. |
| BTM 130 A/P4CDBA | Измененная или модифицированная внутренняя конструкция при неизменных основных размерах. |
| BTM 130 A/P4CDBB | Измененная или модифицированная внутренняя конструкция при неизменных основных размерах. |
| BTM 130 B/HCP4CDBA | Измененная или модифицированная внутренняя конструкция при неизменных основных размерах. Конический роликовый подшипник. Угол контакта 20 градусов. |
| BTM 130 B/HCP4CDBB | Конический роликовый подшипник. Угол контакта 20 градусов. |
| BTM 130 B/P4CDBA | Измененная или модифицированная внутренняя конструкция при неизменных основных размерах. Конический роликовый подшипник. Угол контакта 20 градусов. |
| BTM 130 B/P4CDBB | Конический роликовый подшипник. Угол контакта 20 градусов. |
| BTM 130 ATN9/HCP4CDB | Измененная или модифицированная внутренняя конструкция при неизменных основных размерах. |
| BTM 130 ATN9/P4CDB | Измененная или модифицированная внутренняя конструкция при неизменных основных размерах. |
| GAC 130 CP | 10 Piece Packaging. |
| GAC 130 SP | Точность размеров примерно соответствует классу точности Р5. биения — классу точности Р4. |
| SA4-130B | Конический роликовый подшипник. Угол контакта 20 градусов. |
Модификации роликового подшипника 130RT30 — это измененное основное конструктивное исполнение 130, основные размеры (130x200x52) не отличаются.
| Обозначение | Гост | Конструктивные особенности |
|---|---|---|
| NN3026/W33 | ISO | Канавка для смазки и три отверстия во внешнем кольце подшипника. |
Аналог роликового подшипника 130RT30 — это подшипник такого же размера dx130,Dx200,Bx52, типа и конструкции.
| Обозначение | Конструктивные особенности | Внутренний (d) | Наружный (D) | Ширина (B) |
|---|---|---|---|---|
| 23026-2RS | Роликовый радиальный сферический двухрядный подшипник. Резиновые уплотнения с каждой стороны подшипника. | 130.00 | 200.00 | 52.00 |
| 23026RH | Роликовый радиальный сферический двухрядный подшипник. Выпуклые симметричные ролики и штампованный сепаратор. | 130.00 | 200.00 | 52.00 |
| 23026-K-MB-W33+H3026 | Роликовый радиальный сферический двухрядный подшипник. Канавка для смазки и три отверстия во внешнем кольце подшипника. Коническое отверстие. Конусность 1/12. сепаратор из латуни. центрированный по внутреннему кольцу. | 130.00 | 200.00 | 52.00 |
| 23026-K-MB-W33+AHX3026 | Роликовый радиальный сферический двухрядный подшипник. Канавка для смазки и три отверстия во внешнем кольце подшипника. Коническое отверстие. Конусность 1/12. сепаратор из латуни. центрированный по внутреннему кольцу. | 130.00 | 200.00 | 52.00 |
| 23026BK | Роликовый радиальный сферический двухрядный подшипник. Игольчатый роликовый подшипник со штампованным наружным кольцом с закрытым торцом. | 130.00 | 200.00 | 52.00 |
| 23026 KCW33+AH3026 | Роликовый радиальный сферический двухрядный подшипник. Кольцевая канавка и три отверстия для смазывания в наружном кольце подшипника. Коническое внутреннее отверстие. | 130.00 | 200.00 | 52.00 |
| 23026 KCW33+H3026 | Роликовый радиальный сферический двухрядный подшипник. Кольцевая канавка и три отверстия для смазывания в наружном кольце подшипника. Коническое внутреннее отверстие. | 130.00 | 200.00 | 52.00 |
| NCF 3026 V | Роликовый радиальный цилиндрический однорядный подшипник. Бессепараторный подшипник. Однорядный без сепараторный цилиндрический роликовый подшипник. Два борта на внутреннем кольце и один борт на наружном. | 130.00 | 200.00 | 52.00 |
| NN3026K/W33 | Роликовый радиальный цилиндрический однорядный подшипник. Канавка для смазки и три отверстия во внешнем кольце подшипника. Коническое отверстие. Конусность 1/12. | 130.00 | 200.00 | 52.00 |
| NN 3026 TN9/SP | Роликовый радиальный двухрядный подшипник. Литой защелкивающийся сепаратор из полиамида. армированного стекловолокном 6.6. Точность размеров примерно соответствует классу точности Р5. биения — классу точности Р4. Двухрядный цилиндрический роликовый подшипник. | 130.00 | 200.00 | 52.00 |
| 23026AX | Роликовый радиальный сферический двухрядный подшипник. Поверхность контакта скольжения сталь / сталь. | 130.00 | 200.00 | 52.00 |
| 23026E | Роликовый радиальный сферический двухрядный подшипник. Повышенная грузоподъемность. | 130.00 | 200.00 | 52.00 |
| ШМЛ130 Т2 | Шарнирный подшипник. 200°. Температура отпуска. Без отверстий и канавок для смазки. | 130.00 | 200.00 | 52.00 |
| 6-3182126-К | Роликовый радиальный двухрядный подшипник. Кольцевая проточка на середине цилиндрической наружной поверхности наружного кольца плюс три отверстия для смазки. | 130.00 | 200.00 | 52.00 |
| 5-3182126 Л | Роликовый радиальный двухрядный подшипник. Сепаратор из латуни.. | 130.00 | 200.00 | 52.00 |
Способы доставки
Отправка через ведущие транспортные и курьерские компании: ПЭК, Деловые Линии, СДЭК, Байкал-Сервис, Энергия, КИТ, ЖелДорЭкспедиция.
Самовывоз возможен напрямую со склада в Москве.
Сроки доставки
Срок зависит от региона и выбранной транспортной компании. Все заказы комплектуются и отправляются в кратчайшие сроки со склада в Москве.
Надёжность и сохранность
Вся продукция упаковывается с учётом требований транспортировки. Мы гарантируем, что подшипники и комплектующие прибудут к заказчику в полной сохранности.
Доставка в страны ЕАЭС
Мы работаем с проверенными логистическими партнёрами, что позволяет оперативно доставлять заказы в Беларусь, Казахстан, Армению и другие страны ЕАЭС.
Варианты оплаты:
Минимальная сумма заказа и скидки:
Документы и гарантии:
Да, конечно! Наши технические специалисты готовы помочь вам с подбором точного аналога или замены подшипника. Просто позвоните нам по телефону +7 (495) 104-99-04 или напишите на почту zakaz@podsnab.ru.
Для оперативной консультации подготовьте, пожалуйста, имеющиеся данные: маркировку, размеры, тип оборудования или артикул старого подшипника.
Да, конечно! Мы высоко ценим долгосрочное сотрудничество и доверие клиентов по всей России. Для постоянных клиентов действует персональная система скидок.
Условия формируются индивидуально и зависят от:
Чтобы узнать свои условия и получить максимально выгодное предложение, свяжитесь с персональным менеджером или напишите нам на почту zakaz@podsnab.ru.
Вы можете оформить заказ несколькими способами:
Для оформления заказа от юридического лица свяжитесь с нашим отделом по работе с корпоративными клиентами по телефону +7 (495) 104-99-04 или напишите на email zakaz@podsnab.ru, прикрепив реквизиты вашей организации.
Мы оперативно подготовим коммерческое предложение и выставим счет.
Возврат товара надлежащего качества возможен в течение 10 дней с момента получения, если товар не был в употреблении, сохранен товарный вид, упаковка не вскрывалась и присутствуют все сопроводительные документы.
Возврат денежных средств осуществляется в течение 10 рабочих дней после проверки товара складом.
В соответствии с законодательством возврату не подлежат подшипники надлежащего качества, если отсутствует оригинальная упаковка или имеются следы монтажа.
В случае выявления брака или гарантийного случая мы гарантируем возврат или обмен товара.
Да, гарантийный срок хранения устанавливается заводом-изготовителем и в среднем составляет 2 года при соблюдении условий хранения: сухое помещение, оригинальная упаковка и смазка.
Точный срок для конкретного типа подшипника уточняйте у наших менеджеров.
Пн–Пт: с 8:00 до 17:00 (МСК).
Сб–Вс: выходные дни.
Заказы на сайте принимаются круглосуточно. Заявки, поступившие после окончания рабочего дня, обрабатываются на следующий рабочий день.
Минимальная сумма заказа для доставки составляет 3000 рублей. Самовывоз со склада возможен на любую сумму при наличии товара.
ООО «УралТехГрупп»
ИНН: 7415093830
КПП: 772401001
ОГРН: 1167456069021
Банк: ПАО Сбербанк
Р/с: 40702810838000475273
К/с: 30101810400000000225
БИК: 044525225
У подшипника 130RT30 пока нет отзывов. Вы можете стать первым покупателем, поделившимся своим мнением.