Поиск подшипника
Статьи
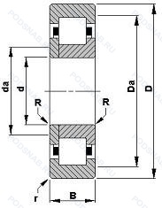
300RT02 — Роликовый радиальный однорядный подшипник, модификация основного исполнения 300, производство TIMKEN.
Размер подшипника: 300x540x85 мм.
Международная стандартизации ISO
300RT02
В наличии
| Обозначение | Конструктивные изменения |
|---|---|
| 300KDD | Защитные металлические шайбы по обе стороны подшипника с цилиндрическим наружным диаметром. |
| 300SZZ | Однорядный радиальный подшипник. С двумя уплотнениями. |
| 300RN30 | Роликовый радиальный однорядный подшипник. |
| 300RF91 | Роликовый радиальный однорядный подшипник. |
| 300RJ91 | Роликовый радиальный однорядный подшипник. |
| 300RF92 | Роликовый радиальный однорядный подшипник. |
| 300RF51 | Роликовый радиальный однорядный подшипник. |
| 300RF02 | Роликовый радиальный однорядный подшипник. |
| GE 300 ECR-2RS | Контактные уплотнения типа RS с обеих сторон игольчатого роликоподшипника. Антизадирная пластичная смазка. |
| GAC 300 CP | 10 Piece Packaging. |
| GE 300 CP | 10 Piece Packaging. |
| GE 300 ET 2RS | Резиновые уплотнения с каждой стороны подшипника. Сквозная закалка и шлифовка стали с переломом в одной точке. |
| GX 300 CP | 10 Piece Packaging. |
| GAZ 300 SA | Sliding Material - Contacting Surfaces Steel - Steel. |
| GEZH 300 ES | Разъемное наружное кольцо со смазочными отверстиями. |
| GEZM 300 ES | Разъемное наружное кольцо со смазочными отверстиями. |
| GEZPR 300 S | Запечатанная версия кулачкового ролика. |
| GE 300 ES-2LS | Контактное уплотнение с обеих сторон подшипника. Разъемное наружное кольцо со смазочными отверстиями. |
| GE 300 ESX-2LS | Контактное уплотнение с обеих сторон подшипника. |
| GE 300 TXA-2LS | Контактное уплотнение с обеих сторон подшипника. Machined One-Piece Retainer Made From Special Material. Working Temperature -50°C/+260°C. |
| GEP 300 FS | Подшипниковый вкладыш с маслоотражательными уплотнениями. |
| GEZ 300 TXE-2LS | Контактное уплотнение с обеих сторон подшипника. Закаленная и шлифованная сталь. Скользящая поверхность покрыта твердым хромом и отполирована. |
| GEZM 300 ESX-2LS | Контактное уплотнение с обеих сторон подшипника. |
| GEZM 300 ES-2LS | Контактное уплотнение с обеих сторон подшипника. Разъемное наружное кольцо со смазочными отверстиями. |
| GEZM 300 ES-2RS | Резиновые уплотнения с каждой стороны подшипника. Разъемное наружное кольцо со смазочными отверстиями. |
Модификации роликового подшипника 300RT02 — это измененное основное конструктивное исполнение 300, основные размеры (300x540x85) не отличаются.
| Обозначение | Гост | Конструктивные особенности |
|---|---|---|
| NU260-E-MA6 | ISO | Повышенная грузоподъемность. Изготовленный из двух частей латунный сепаратор. Центрирование по внешнему кольцу. Различные конструкции или сорта материалов обозначаются цифрой или буквой.. |
| NU260-E-M6 | ISO | Повышенная грузоподъемность. 20-28 UM (C3 & C4). |
| 32260 | ГОСТ | Роликовый радиальный однорядный подшипник. |
| 42260 | ГОСТ | Роликовый радиальный однорядный подшипник. |
| N260 E | ISO | Повышенная грузоподъемность. |
| NF260 E | ISO | Повышенная грузоподъемность. |
| NH260 | ISO | Канавка под стопорное кольцо на наружном кольце подшипника. |
| NJ260 E | ISO | Повышенная грузоподъемность. |
| NP260 E | ISO | Повышенная грузоподъемность. |
| NU260 E | ISO | Повышенная грузоподъемность. |
| NUP260 E | ISO | Повышенная грузоподъемность. |
| NU260-E-TB-M1 | ISO | Повышенная грузоподъемность. Механически обработанный латунный сепаратор. вращающийся элемент качения (крестовина на заклепках). Textite (Fabric-Reinforced Phenolic Resin) Cage Guided On The Inner Ring. |
| NU260 | ISO | Сталь сквозной закалки SUJ2 (японская) и взаимозаменяемость (только для метрических серий). Канавка под стопорное кольцо на наружном кольце подшипника. Однорядные цилиндрические роликоподшипники. Наружное кольцо подшипника имеет два борта. |
| N260 | ISO | Однорядный цилиндрический роликовый подшипник. Внутреннее кольцо подшипника имеет два борта. Два смещенных на 180° стопорных паза на наружной поверхности наружного кольца подшипника. |
| NP 260 | ISO | Канавка под стопорное кольцо на наружном кольце подшипника. |
| NUP260 | ISO | Сталь сквозной закалки SUJ2 (японская) и взаимозаменяемость (только для метрических серий). Канавка под стопорное кольцо на наружном кольце подшипника. Точность размеров примерно соответствует классу точности Р4. Класс точности 2. Однорядный цилиндрический роликовый подшипник. Наружное кольцо имеет два борта. |
| NJ260-E-MA6 | ISO | Повышенная грузоподъемность. Изготовленный из двух частей латунный сепаратор. Центрирование по внешнему кольцу. Различные конструкции или сорта материалов обозначаются цифрой или буквой.. |
| NJ260-E-M6 | ISO | Повышенная грузоподъемность. 20-28 UM (C3 & C4). |
| NJ260-E-M6+HJ260 | ISO | Повышенная грузоподъемность. 20-28 UM (C3 & C4). |
| NJ260-E-MA6+HJ260 | ISO | Повышенная грузоподъемность. Изготовленный из двух частей латунный сепаратор. Центрирование по внешнему кольцу. Различные конструкции или сорта материалов обозначаются цифрой или буквой.. |
Аналог роликового подшипника 300RT02 — это подшипник такого же размера dx300,Dx540,Bx85, типа и конструкции.
| Обозначение | Конструктивные особенности | Внутренний (d) | Наружный (D) | Ширина (B) |
|---|---|---|---|---|
| QJ260-N2-MPA | Подшипник шариковый с четырехточечным контактом. Массивный латунный сепаратор. центрированный по бортику наружного кольца. Два установочных паза (выемки), расположенных под углом 180° друг от друга в одной боковой поверхности наружного кольца или шайбе корпуса.. | 300.00 | 540.00 | 85.00 |
| NJ260E.M1.C3 | Однорядный цилиндрический роликовый подшипник. Внутренний зазор больше нормального. Повышенная грузоподъемность. Механически обработанный латунный сепаратор. вращающийся элемент качения (крестовина на заклепках). | 300.00 | 540.00 | 85.00 |
| 6260-M | Подшипник однорядный шариковый радиальный. Твердый латунный сепаратор. Шариковые направляющие. | 300.00 | 540.00 | 85.00 |
| NU260-E-M1-C3 | Однорядный цилиндрический роликовый подшипник. Внутренний зазор больше нормального. Повышенная грузоподъемность. Механически обработанный латунный сепаратор. вращающийся элемент качения (крестовина на заклепках). | 300.00 | 540.00 | 85.00 |
| NU260MCC | Однорядный цилиндрический роликовый подшипник. Механически обработанный латунный сепаратор .Расположенный на элементах качения. Cylindrical Roller Bearing. Normal. Non-Interchangeable Clearance. | 300.00 | 540.00 | 85.00 |
| NU260-E-M1-C4 | Однорядный цилиндрический роликовый подшипник. Внутренний зазор подшипника больше. чем C3. Повышенная грузоподъемность. Механически обработанный латунный сепаратор. вращающийся элемент качения (крестовина на заклепках). | 300.00 | 540.00 | 85.00 |
| NU260E.M1A.C3 | Однорядный цилиндрический роликовый подшипник. Внутренний зазор больше нормального. Повышенная грузоподъемность. Массивный латунный сепаратор. двухтельный. центрированный по бортам. | 300.00 | 540.00 | 85.00 |
| 7260B.MP.UA | Подшипник шариковый однорядный радиально-упорный. 40° Угол контакта. Механически обработанный латунный сепаратор оконного типа. Универсальный монтаж. В конфигурациях O и X пара подшипников имеет малый осевой зазор. | 300.00 | 540.00 | 85.00 |
| NJ260-E-TB-M1 | Однорядный цилиндрический роликовый подшипник. Повышенная грузоподъемность. Механически обработанный латунный сепаратор. вращающийся элемент качения (крестовина на заклепках). Подшипники с повышенной осевой грузоподъемностью. | 300.00 | 540.00 | 85.00 |
| NUP260-E-M1A-C3 | Однорядный цилиндрический роликовый подшипник. Внутренний зазор больше нормального. Повышенная грузоподъемность. Массивный латунный сепаратор. двухтельный. центрированный по бортам. | 300.00 | 540.00 | 85.00 |
| NU 260 M | Роликовый радиальный цилиндрический однорядный подшипник. Подшипник с латунным сепаратором. центрированный по телам качения. Однорядный цилиндрический роликовый подшипник. | 300.00 | 540.00 | 85.00 |
| NU 260 MA | Роликовый радиальный цилиндрический однорядный подшипник. Механически обработанный латунный сепаратор. Центрирование по внешнему кольцу. Однорядный цилиндрический роликовый подшипник. | 300.00 | 540.00 | 85.00 |
| NF260 | Роликовый радиальный цилиндрический однорядный подшипник. Механически обработанный сепаратор из стали или специального чугуна. Канавка под стопорное кольцо на наружном кольце подшипника. | 300.00 | 540.00 | 85.00 |
| NJ260 | Роликовый радиальный цилиндрический однорядный подшипник. Штампованный сепаратор из стального листа. Канавка под стопорное кольцо на наружном кольце подшипника. Однорядный цилиндрический роликовый подшипник. Наружное кольцо имеет два борта. | 300.00 | 540.00 | 85.00 |
| 260W | Шариковый радиальный подшипник. Максимальная грузоподъемность. | 300.00 | 540.00 | 85.00 |
Способы доставки
Отправка через ведущие транспортные и курьерские компании: ПЭК, Деловые Линии, СДЭК, Байкал-Сервис, Энергия, КИТ, ЖелДорЭкспедиция.
Самовывоз возможен напрямую со склада в Москве.
Сроки доставки
Срок зависит от региона и выбранной транспортной компании. Все заказы комплектуются и отправляются в кратчайшие сроки со склада в Москве.
Надёжность и сохранность
Вся продукция упаковывается с учётом требований транспортировки. Мы гарантируем, что подшипники и комплектующие прибудут к заказчику в полной сохранности.
Доставка в страны ЕАЭС
Мы работаем с проверенными логистическими партнёрами, что позволяет оперативно доставлять заказы в Беларусь, Казахстан, Армению и другие страны ЕАЭС.
Варианты оплаты:
Минимальная сумма заказа и скидки:
Документы и гарантии:
Да, конечно! Наши технические специалисты готовы помочь вам с подбором точного аналога или замены подшипника. Просто позвоните нам по телефону +7 (495) 104-99-04 или напишите на почту zakaz@podsnab.ru.
Для оперативной консультации подготовьте, пожалуйста, имеющиеся данные: маркировку, размеры, тип оборудования или артикул старого подшипника.
Да, конечно! Мы высоко ценим долгосрочное сотрудничество и доверие клиентов по всей России. Для постоянных клиентов действует персональная система скидок.
Условия формируются индивидуально и зависят от:
Чтобы узнать свои условия и получить максимально выгодное предложение, свяжитесь с персональным менеджером или напишите нам на почту zakaz@podsnab.ru.
Вы можете оформить заказ несколькими способами:
Для оформления заказа от юридического лица свяжитесь с нашим отделом по работе с корпоративными клиентами по телефону +7 (495) 104-99-04 или напишите на email zakaz@podsnab.ru, прикрепив реквизиты вашей организации.
Мы оперативно подготовим коммерческое предложение и выставим счет.
Возврат товара надлежащего качества возможен в течение 10 дней с момента получения, если товар не был в употреблении, сохранен товарный вид, упаковка не вскрывалась и присутствуют все сопроводительные документы.
Возврат денежных средств осуществляется в течение 10 рабочих дней после проверки товара складом.
В соответствии с законодательством возврату не подлежат подшипники надлежащего качества, если отсутствует оригинальная упаковка или имеются следы монтажа.
В случае выявления брака или гарантийного случая мы гарантируем возврат или обмен товара.
Да, гарантийный срок хранения устанавливается заводом-изготовителем и в среднем составляет 2 года при соблюдении условий хранения: сухое помещение, оригинальная упаковка и смазка.
Точный срок для конкретного типа подшипника уточняйте у наших менеджеров.
Пн–Пт: с 8:00 до 17:00 (МСК).
Сб–Вс: выходные дни.
Заказы на сайте принимаются круглосуточно. Заявки, поступившие после окончания рабочего дня, обрабатываются на следующий рабочий день.
Минимальная сумма заказа для доставки составляет 3000 рублей. Самовывоз со склада возможен на любую сумму при наличии товара.
ООО «УралТехГрупп»
ИНН: 7415093830
КПП: 772401001
ОГРН: 1167456069021
Банк: ПАО Сбербанк
Р/с: 40702810838000475273
К/с: 30101810400000000225
БИК: 044525225
У подшипника 300RT02 пока нет отзывов. Вы можете стать первым покупателем, поделившимся своим мнением.