Поиск подшипника
Статьи
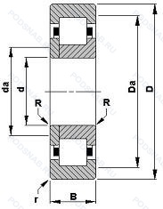
500RT30 — Роликовый радиальный однорядный подшипник, модификация основного исполнения 500, производство TIMKEN.
Размер подшипника: 500x680x167 мм.
Международная стандартизации ISO
500RT30
В наличии
| Обозначение | Конструктивные изменения |
|---|---|
| 500RN30 | Роликовый радиальный однорядный подшипник. |
| 500RJ30 | Роликовый радиальный однорядный подшипник. |
| 500RF30 | Роликовый радиальный однорядный подшипник. |
| 500RU30 | Роликовый радиальный однорядный подшипник. |
| 500KBE030 | Роликовый радиальный однорядный подшипник. |
| 500KBE031 | Роликовый радиальный однорядный подшипник. |
| 500KBE130 | Роликовый радиальный однорядный подшипник. |
| 500KBE131 | Роликовый радиальный однорядный подшипник. |
| GE 500 ES | Разъемное наружное кольцо со смазочными отверстиями. Антизадирная пластичная смазка. |
| GE 500 QCR | Антизадирная пластичная смазка. |
| GE 500 CP | 10 Piece Packaging. |
| GEC 500 FBAS | Роликовый радиальный однорядный подшипник. |
| GEC 500 TXA-2RS | Резиновые уплотнения с каждой стороны подшипника. Machined One-Piece Retainer Made From Special Material. Working Temperature -50°C/+260°C. |
| GEP 500 FS | Подшипниковый вкладыш с маслоотражательными уплотнениями. |
| GEZ 500 TXA-2LS | Контактное уплотнение с обеих сторон подшипника. Machined One-Piece Retainer Made From Special Material. Working Temperature -50°C/+260°C. |
| GEZ 500 ES-2LS | Контактное уплотнение с обеих сторон подшипника. Разъемное наружное кольцо со смазочными отверстиями. |
| GEZM 500 ES-2RS | Резиновые уплотнения с каждой стороны подшипника. Разъемное наружное кольцо со смазочными отверстиями. |
| GEZM 500 ESX-2LS | Контактное уплотнение с обеих сторон подшипника. |
| GEZM 500 ES | Разъемное наружное кольцо со смазочными отверстиями. |
| GEZM 500 ES-2LS | Контактное уплотнение с обеих сторон подшипника. Разъемное наружное кольцо со смазочными отверстиями. |
Модификации роликового подшипника 500RT30 — это измененное основное конструктивное исполнение 500, основные размеры (500x680x167) не отличаются.
Способы доставки
Отправка через ведущие транспортные и курьерские компании: ПЭК, Деловые Линии, СДЭК, Байкал-Сервис, Энергия, КИТ, ЖелДорЭкспедиция.
Самовывоз возможен напрямую со склада в Москве.
Сроки доставки
Срок зависит от региона и выбранной транспортной компании. Все заказы комплектуются и отправляются в кратчайшие сроки со склада в Москве.
Надёжность и сохранность
Вся продукция упаковывается с учётом требований транспортировки. Мы гарантируем, что подшипники и комплектующие прибудут к заказчику в полной сохранности.
Доставка в страны ЕАЭС
Мы работаем с проверенными логистическими партнёрами, что позволяет оперативно доставлять заказы в Беларусь, Казахстан, Армению и другие страны ЕАЭС.
Варианты оплаты:
Минимальная сумма заказа и скидки:
Документы и гарантии:
Да, конечно! Наши технические специалисты готовы помочь вам с подбором точного аналога или замены подшипника. Просто позвоните нам по телефону +7 (495) 104-99-04 или напишите на почту zakaz@podsnab.ru.
Для оперативной консультации подготовьте, пожалуйста, имеющиеся данные: маркировку, размеры, тип оборудования или артикул старого подшипника.
Да, конечно! Мы высоко ценим долгосрочное сотрудничество и доверие клиентов по всей России. Для постоянных клиентов действует персональная система скидок.
Условия формируются индивидуально и зависят от:
Чтобы узнать свои условия и получить максимально выгодное предложение, свяжитесь с персональным менеджером или напишите нам на почту zakaz@podsnab.ru.
Вы можете оформить заказ несколькими способами:
Для оформления заказа от юридического лица свяжитесь с нашим отделом по работе с корпоративными клиентами по телефону +7 (495) 104-99-04 или напишите на email zakaz@podsnab.ru, прикрепив реквизиты вашей организации.
Мы оперативно подготовим коммерческое предложение и выставим счет.
Возврат товара надлежащего качества возможен в течение 10 дней с момента получения, если товар не был в употреблении, сохранен товарный вид, упаковка не вскрывалась и присутствуют все сопроводительные документы.
Возврат денежных средств осуществляется в течение 10 рабочих дней после проверки товара складом.
В соответствии с законодательством возврату не подлежат подшипники надлежащего качества, если отсутствует оригинальная упаковка или имеются следы монтажа.
В случае выявления брака или гарантийного случая мы гарантируем возврат или обмен товара.
Да, гарантийный срок хранения устанавливается заводом-изготовителем и в среднем составляет 2 года при соблюдении условий хранения: сухое помещение, оригинальная упаковка и смазка.
Точный срок для конкретного типа подшипника уточняйте у наших менеджеров.
Пн–Пт: с 8:00 до 17:00 (МСК).
Сб–Вс: выходные дни.
Заказы на сайте принимаются круглосуточно. Заявки, поступившие после окончания рабочего дня, обрабатываются на следующий рабочий день.
Минимальная сумма заказа для доставки составляет 3000 рублей. Самовывоз со склада возможен на любую сумму при наличии товара.
ООО «УралТехГрупп»
ИНН: 7415093830
КПП: 772401001
ОГРН: 1167456069021
Банк: ПАО Сбербанк
Р/с: 40702810838000475273
К/с: 30101810400000000225
БИК: 044525225
У подшипника 500RT30 пока нет отзывов. Вы можете стать первым покупателем, поделившимся своим мнением.