Поиск подшипника
Статьи
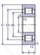
26-42606 Б1 — Роликовый радиальный однорядный подшипник, модификация основного исполнения 42606, производство ГПЗ.
Размер подшипника: 30x72x27 мм.
Сепаратор из безоловянистой бронзы.
Аналоги: NJ2306ECMP62.
Государственный стандарт ГОСТ
2642606Б1
В наличии
| Обозначение | Конструктивные изменения |
|---|---|
| 70-42606 Б1 | Сепаратор из безоловянистой бронзы.. |
| 42606 | Роликовый радиальный однорядный подшипник. Основное конструктивное исполнение. |
| 7-42606 Б1 | Сепаратор из безоловянистой бронзы.. |
| 42606-Б | Сепаратор из безоловянистой бронзы.. |
| 42606-Б1 | Сепаратор из безоловянистой бронзы.. |
| 42606-Л | Сепаратор из латуни.. |
Модификации роликового подшипника 26-42606 Б1 — это измененное основное конструктивное исполнение 42606, основные размеры (30x72x27) не отличаются.
| Обозначение | Гост | Конструктивные особенности |
|---|---|---|
| NUP2306-E-MPA | ISO | Повышенная грузоподъемность. Твердый латунный сепаратор. |
| NUP2306E.TVP | ISO | Повышенная грузоподъемность. Molded Snap-Type Cage Of Glass Fibre Reinforced Polyamide. Rolling Element Riding. |
| 12606 | ГОСТ | Роликовый радиальный однорядный подшипник. |
| 92606 | ГОСТ | Роликовый радиальный однорядный подшипник. |
| 102606-М | ГОСТ | Модифицированный контакт.. |
| NH2306 E | ISO | Повышенная грузоподъемность. |
| NJF2306 V | ISO | Бессепараторный подшипник. |
| N2306E | ISO | Повышенная грузоподъемность. |
| NU2306F/C3 | ISO | Внутренний зазор больше нормального. Сепаратор из обработанной стали или специального чугуна. |
| NU2306FM/C3 | ISO | Внутренний зазор больше нормального. Y-образный подшипник серии YET2 (внутреннее кольцо выдвинуто с одной стороны. Эксцентриковая стопорная втулка). Стандартное уплотнение без фланца с каждой стороны. |
| NU2306F | ISO | Сепаратор из обработанной стали или специального чугуна. |
| NH2306 | ISO | Канавка под стопорное кольцо на наружном кольце подшипника. |
| NJ2306-E-MPA | ISO | Повышенная грузоподъемность. Твердый латунный сепаратор. |
| NJ2306-VH | ISO | Полный набор роликов (без сепаратора). Самоудерживающиеся. |
| NJ2306-E-MPA+HJ2306-E | ISO | Повышенная грузоподъемность. Твердый латунный сепаратор. |
| NJ2306-E-TVP3+HJ2306-E | ISO | Повышенная грузоподъемность. Цельный сепаратор из полиамида PA66-GF25. сепаратор оконного типа. направляемый телами качения. |
| NU2306-E-MPA | ISO | Повышенная грузоподъемность. Твердый латунный сепаратор. |
| NJ 2306 ECPH | ISO | Однорядный цилиндрический роликовый подшипник. |
| NU 2306 ECML | ISO | Однорядный цилиндрический роликовый подшипник. |
| NU 2306 ECPH | ISO | Однорядный цилиндрический роликовый подшипник. |
Аналог роликового подшипника 26-42606 Б1 — это подшипник такого же размера dx30,Dx72,Bx27, типа и конструкции.
| Обозначение | Конструктивные особенности | Внутренний (d) | Наружный (D) | Ширина (B) |
|---|---|---|---|---|
| 180606-АЕ1 | Шариковый радиальный однорядный подшипник. Сепаратор из текстолита.. Повышенная грузоподъемность. | 30.00 | 72.00 | 27.00 |
| 180606-АК3 | Шариковый радиальный однорядный подшипник. Повышенная грузоподъемность. | 30.00 | 72.00 | 27.00 |
| 180606-АС17 | Шариковый радиальный однорядный подшипник. Смазка Литол-24. Повышенная грузоподъемность. | 30.00 | 72.00 | 27.00 |
| 180606-КС17 | Шариковый радиальный однорядный подшипник. Смазка Литол-24. | 30.00 | 72.00 | 27.00 |
| 180606-КС9 | Шариковый радиальный однорядный подшипник. «Замок» (скос) на внутреннем кольце плюс массивный сепаратор из текстолита. Смазка ЛЗ-31. | 30.00 | 72.00 | 27.00 |
| 180606-КС9Ш1 | Шариковый радиальный однорядный подшипник. «Замок» (скос) на внутреннем кольце плюс массивный сепаратор из текстолита. Нормы шумности. Смазка ЛЗ-31. | 30.00 | 72.00 | 27.00 |
| 180606-С9 | Шариковый радиальный однорядный подшипник. Смазка ЛЗ-31. | 30.00 | 72.00 | 27.00 |
| 2306K+H2306 | Шариковый сферический двухрядный подшипник. Коническое внутреннее отверстие. | 30.00 | 72.00 | 27.00 |
| 2306 E-2RS1KTN9 | Шариковый сферический двухрядный подшипник. Повышенная грузоподъемность. | 30.00 | 72.00 | 27.00 |
| 513706-НЮ | Роликовый радиальный сферический двухрядный подшипник. Детали из теплостойкой стали. Все детали или часть деталей из нержавеющей стали.. | 30.00 | 72.00 | 26.00 |
| 6-180606 А1УС17 | Шариковый радиальный однорядный подшипник. Смазка Литол-24. Дополнительные технические требования. Повышенная грузоподъемность. | 30.00 | 72.00 | 27.00 |
| 6-180606-КС9 | Шариковый радиальный однорядный подшипник. Смазка ЛЗ-31. | 30.00 | 72.00 | 27.00 |
| 6-180606-КС9Ш | Шариковый радиальный однорядный подшипник. Нормы шумности. Смазка ЛЗ-31. | 30.00 | 72.00 | 27.00 |
| 6-180606-КС9Ш1 | Шариковый радиальный однорядный подшипник. Нормы шумности. Смазка ЛЗ-31. | 30.00 | 72.00 | 27.00 |
| 6-180606 КС9Ш3 | Шариковый радиальный однорядный подшипник. Смазка ЛЗ-31. Нормы шумности. | 30.00 | 72.00 | 27.00 |
Способы доставки
Отправка через ведущие транспортные и курьерские компании: ПЭК, Деловые Линии, СДЭК, Байкал-Сервис, Энергия, КИТ, ЖелДорЭкспедиция.
Самовывоз возможен напрямую со склада в Москве.
Сроки доставки
Срок зависит от региона и выбранной транспортной компании. Все заказы комплектуются и отправляются в кратчайшие сроки со склада в Москве.
Надёжность и сохранность
Вся продукция упаковывается с учётом требований транспортировки. Мы гарантируем, что подшипники и комплектующие прибудут к заказчику в полной сохранности.
Доставка в страны ЕАЭС
Мы работаем с проверенными логистическими партнёрами, что позволяет оперативно доставлять заказы в Беларусь, Казахстан, Армению и другие страны ЕАЭС.
Варианты оплаты:
Минимальная сумма заказа и скидки:
Документы и гарантии:
Да, конечно! Наши технические специалисты готовы помочь вам с подбором точного аналога или замены подшипника. Просто позвоните нам по телефону +7 (495) 104-99-04 или напишите на почту zakaz@podsnab.ru.
Для оперативной консультации подготовьте, пожалуйста, имеющиеся данные: маркировку, размеры, тип оборудования или артикул старого подшипника.
Да, конечно! Мы высоко ценим долгосрочное сотрудничество и доверие клиентов по всей России. Для постоянных клиентов действует персональная система скидок.
Условия формируются индивидуально и зависят от:
Чтобы узнать свои условия и получить максимально выгодное предложение, свяжитесь с персональным менеджером или напишите нам на почту zakaz@podsnab.ru.
Вы можете оформить заказ несколькими способами:
Для оформления заказа от юридического лица свяжитесь с нашим отделом по работе с корпоративными клиентами по телефону +7 (495) 104-99-04 или напишите на email zakaz@podsnab.ru, прикрепив реквизиты вашей организации.
Мы оперативно подготовим коммерческое предложение и выставим счет.
Возврат товара надлежащего качества возможен в течение 10 дней с момента получения, если товар не был в употреблении, сохранен товарный вид, упаковка не вскрывалась и присутствуют все сопроводительные документы.
Возврат денежных средств осуществляется в течение 10 рабочих дней после проверки товара складом.
В соответствии с законодательством возврату не подлежат подшипники надлежащего качества, если отсутствует оригинальная упаковка или имеются следы монтажа.
В случае выявления брака или гарантийного случая мы гарантируем возврат или обмен товара.
Да, гарантийный срок хранения устанавливается заводом-изготовителем и в среднем составляет 2 года при соблюдении условий хранения: сухое помещение, оригинальная упаковка и смазка.
Точный срок для конкретного типа подшипника уточняйте у наших менеджеров.
Пн–Пт: с 8:00 до 17:00 (МСК).
Сб–Вс: выходные дни.
Заказы на сайте принимаются круглосуточно. Заявки, поступившие после окончания рабочего дня, обрабатываются на следующий рабочий день.
Минимальная сумма заказа для доставки составляет 3000 рублей. Самовывоз со склада возможен на любую сумму при наличии товара.
ООО «УралТехГрупп»
ИНН: 7415093830
КПП: 772401001
ОГРН: 1167456069021
Банк: ПАО Сбербанк
Р/с: 40702810838000475273
К/с: 30101810400000000225
БИК: 044525225
У подшипника 26-42606 Б1 пока нет отзывов. Вы можете стать первым покупателем, поделившимся своим мнением.