Поиск подшипника
Статьи
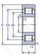
2В0-42622 ЛМ — Роликовый радиальный однорядный подшипник, модификация основного исполнения 42622, производство ГПЗ.
Размер подшипника: 110x240x80 мм.
Сепаратор из латуни, модифицированный контакт.
Аналоги: NJ2322ECMA.
Государственный стандарт ГОСТ
2В042622ЛМ
В наличии
| Обозначение | Конструктивные изменения |
|---|---|
| 30-42622 ЛМ | Сепаратор из латуни.. Модифицированный контакт.. |
| 7-42622 ЛМ | Сепаратор из латуни.. Модифицированный контакт.. |
| 8-42622 ЛМ | Сепаратор из латуни.. Модифицированный контакт.. |
| 42622 | Роликовый радиальный однорядный подшипник. Основное конструктивное исполнение. |
| 42622-Л | Сепаратор из латуни.. |
| 42622-ЛМ | Сепаратор из латуни.. Модифицированный контакт.. |
Модификации роликового подшипника 2В0-42622 ЛМ — это измененное основное конструктивное исполнение 42622, основные размеры (110x240x80) не отличаются.
| Обозначение | Гост | Конструктивные особенности |
|---|---|---|
| NJ2322ECMA | ISO | Изготовленный из двух частей латунный сепаратор. внешнее кольцо по центру. Оптимизированная внутренняя конструкция предусматривает увеличенное количество роликов и/или ролики большего размера с улучшенными условиями контакта торцов роликов с бортами внутреннего кольца. Однорядный цилиндрический роликовый подшипник. |
| 32622-Л | ГОСТ | Сепаратор из латуни.. |
| 32622-ЛМ | ГОСТ | Сепаратор из латуни.. Модифицированный контакт.. |
| NUP2322 M | ISO | Подшипник с латунным сепаратором. центрированный по телам качения. |
| NH2322 E | ISO | Повышенная грузоподъемность. |
| NJF2322 V | ISO | Бессепараторный подшипник. |
| NH2322 | ISO | Канавка под стопорное кольцо на наружном кольце подшипника. |
| NU2322R | ISO | С выпуклыми асимметричными роликами и обработанным сепаратором. |
| NJ2322-E-MPA+HJ2322-E | ISO | Повышенная грузоподъемность. Твердый латунный сепаратор. |
| NJ2322-E-TVP3 | ISO | Повышенная грузоподъемность. Цельный сепаратор из полиамида PA66-GF25. сепаратор оконного типа. направляемый телами качения. |
| NJ2322-VH | ISO | Полный набор роликов (без сепаратора). Самоудерживающиеся. |
| NJ2322-E-M6 | ISO | Повышенная грузоподъемность. 20-28 UM (C3 & C4). |
| NJ2322-E-TVP3+HJ2322-E | ISO | Повышенная грузоподъемность. Цельный сепаратор из полиамида PA66-GF25. сепаратор оконного типа. направляемый телами качения. |
| NJ2322-E-M6+HJ2322-E | ISO | Повышенная грузоподъемность. 20-28 UM (C3 & C4). |
| NJ2322-E-MPA | ISO | Повышенная грузоподъемность. Твердый латунный сепаратор. |
| NJ2322-E-MA6+HJ2322-E | ISO | Повышенная грузоподъемность. Изготовленный из двух частей латунный сепаратор. Центрирование по внешнему кольцу. Различные конструкции или сорта материалов обозначаются цифрой или буквой.. |
| NU2322-E-MPA | ISO | Повышенная грузоподъемность. Твердый латунный сепаратор. |
| NU2322-E-M6 | ISO | Повышенная грузоподъемность. 20-28 UM (C3 & C4). |
| NU2322-E-MA6 | ISO | Повышенная грузоподъемность. Изготовленный из двух частей латунный сепаратор. Центрирование по внешнему кольцу. Различные конструкции или сорта материалов обозначаются цифрой или буквой.. |
| NU2322-E-TVP3 | ISO | Повышенная грузоподъемность. Цельный сепаратор из полиамида PA66-GF25. сепаратор оконного типа. направляемый телами качения. |
| 672322М | ГОСТ | Модифицированный контакт.. |
Аналог роликового подшипника 2В0-42622 ЛМ — это подшипник такого же размера dx110,Dx240,Bx80, типа и конструкции.
| Обозначение | Конструктивные особенности | Внутренний (d) | Наружный (D) | Ширина (B) |
|---|---|---|---|---|
| LSL192322-TB | Роликовый радиальный подшипник. Textite (Fabric-Reinforced Phenolic Resin) Cage Guided On The Inner Ring. | 110.00 | 240.00 | 80.00 |
| SL192322-TB | Роликовый радиальный подшипник. Textite (Fabric-Reinforced Phenolic Resin) Cage Guided On The Inner Ring. | 110.00 | 240.00 | 80.00 |
| ZSL192322-TB | Роликовый радиальный подшипник. Textite (Fabric-Reinforced Phenolic Resin) Cage Guided On The Inner Ring. | 110.00 | 240.00 | 80.00 |
| NJ2322R | Роликовый радиальный цилиндрический однорядный подшипник. С выпуклыми асимметричными роликами и обработанным сепаратором. | 110.00 | 240.00 | 80.00 |
| NUP2322R | Роликовый радиальный цилиндрический однорядный подшипник. С выпуклыми асимметричными роликами и обработанным сепаратором. | 110.00 | 240.00 | 80.00 |
| 22322AEX | Роликовый радиальный сферический двухрядный подшипник. Высокоскоростной и высокопроизводительный сферический роликоподшипник. | 110.00 | 240.00 | 80.00 |
| 22322EX | Роликовый радиальный сферический двухрядный подшипник. Optimized Inner Construction - Extreme Quality F. Extreme Requirements. | 110.00 | 240.00 | 80.00 |
| С8-3622 | Роликовый радиальный двухрядный подшипник. Смазка ВНИИНП-235. | 110.00 | 240.00 | 80.00 |
| ВО-32622 ЛМ | Роликовый радиальный подшипник. Сепаратор из латуни.. Модифицированный контакт.. | 110.00 | 240.00 | 80.00 |
| ВО-32624 ЛМ | Роликовый радиальный подшипник. Сепаратор из латуни.. Модифицированный контакт.. | 110.00 | 240.00 | 80.00 |
| 2322K+H2322 | Шариковый сферический двухрядный подшипник. Коническое внутреннее отверстие. | 110.00 | 240.00 | 80.00 |
| 2322S | Шариковый сферический двухрядный подшипник. Запечатанная версия кулачкового ролика. Только для внутреннего и наружного колец. | 110.00 | 240.00 | 80.00 |
| 2322SK | Шариковый сферический двухрядный подшипник. Кулачковый толкатель штифтового типа. С шестигранной головкой. Только для внутреннего и наружного колец. | 110.00 | 240.00 | 80.00 |
| 53622-Е | Роликовый радиальный двухрядный подшипник. Сепаратор из текстолита.. | 110.00 | 240.00 | 80.00 |
| 53622Н | Роликовый радиальный двухрядный подшипник. Детали из теплостойкой стали. | 110.00 | 240.00 | 80.00 |
Способы доставки
Отправка через ведущие транспортные и курьерские компании: ПЭК, Деловые Линии, СДЭК, Байкал-Сервис, Энергия, КИТ, ЖелДорЭкспедиция.
Самовывоз возможен напрямую со склада в Москве.
Сроки доставки
Срок зависит от региона и выбранной транспортной компании. Все заказы комплектуются и отправляются в кратчайшие сроки со склада в Москве.
Надёжность и сохранность
Вся продукция упаковывается с учётом требований транспортировки. Мы гарантируем, что подшипники и комплектующие прибудут к заказчику в полной сохранности.
Доставка в страны ЕАЭС
Мы работаем с проверенными логистическими партнёрами, что позволяет оперативно доставлять заказы в Беларусь, Казахстан, Армению и другие страны ЕАЭС.
Варианты оплаты:
Минимальная сумма заказа и скидки:
Документы и гарантии:
Да, конечно! Наши технические специалисты готовы помочь вам с подбором точного аналога или замены подшипника. Просто позвоните нам по телефону +7 (495) 104-99-04 или напишите на почту zakaz@podsnab.ru.
Для оперативной консультации подготовьте, пожалуйста, имеющиеся данные: маркировку, размеры, тип оборудования или артикул старого подшипника.
Да, конечно! Мы высоко ценим долгосрочное сотрудничество и доверие клиентов по всей России. Для постоянных клиентов действует персональная система скидок.
Условия формируются индивидуально и зависят от:
Чтобы узнать свои условия и получить максимально выгодное предложение, свяжитесь с персональным менеджером или напишите нам на почту zakaz@podsnab.ru.
Вы можете оформить заказ несколькими способами:
Для оформления заказа от юридического лица свяжитесь с нашим отделом по работе с корпоративными клиентами по телефону +7 (495) 104-99-04 или напишите на email zakaz@podsnab.ru, прикрепив реквизиты вашей организации.
Мы оперативно подготовим коммерческое предложение и выставим счет.
Возврат товара надлежащего качества возможен в течение 10 дней с момента получения, если товар не был в употреблении, сохранен товарный вид, упаковка не вскрывалась и присутствуют все сопроводительные документы.
Возврат денежных средств осуществляется в течение 10 рабочих дней после проверки товара складом.
В соответствии с законодательством возврату не подлежат подшипники надлежащего качества, если отсутствует оригинальная упаковка или имеются следы монтажа.
В случае выявления брака или гарантийного случая мы гарантируем возврат или обмен товара.
Да, гарантийный срок хранения устанавливается заводом-изготовителем и в среднем составляет 2 года при соблюдении условий хранения: сухое помещение, оригинальная упаковка и смазка.
Точный срок для конкретного типа подшипника уточняйте у наших менеджеров.
Пн–Пт: с 8:00 до 17:00 (МСК).
Сб–Вс: выходные дни.
Заказы на сайте принимаются круглосуточно. Заявки, поступившие после окончания рабочего дня, обрабатываются на следующий рабочий день.
Минимальная сумма заказа для доставки составляет 3000 рублей. Самовывоз со склада возможен на любую сумму при наличии товара.
ООО «УралТехГрупп»
ИНН: 7415093830
КПП: 772401001
ОГРН: 1167456069021
Банк: ПАО Сбербанк
Р/с: 40702810838000475273
К/с: 30101810400000000225
БИК: 044525225
У подшипника 2В0-42622 ЛМ пока нет отзывов. Вы можете стать первым покупателем, поделившимся своим мнением.