Поиск подшипника
Статьи
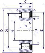
6-2612956 — Роликовый радиальный цилиндрический подшипник, модификация основного исполнения 2612956, производство ГПЗ.
Размер подшипника: 280x380x60 мм.
Аналоги: SL182956.
Государственный стандарт ГОСТ
62612956
В наличии
| Обозначение | Конструктивные изменения |
|---|---|
| 2612956 | Роликовый радиальный цилиндрический подшипник. Основное конструктивное исполнение. |
Модификации цилиндрического роликового подшипника 6-2612956 — это измененное основное конструктивное исполнение 2612956, основные размеры (280x380x60) не отличаются.
| Обозначение | Гост | Конструктивные особенности |
|---|---|---|
| SL18 2956 | ISO | Роликовый радиальный цилиндрический подшипник. |
Аналог цилиндрического роликового подшипника 6-2612956 — это подшипник такого же размера dx280,Dx380,Bx60, типа и конструкции.
| Обозначение | Конструктивные особенности | Внутренний (d) | Наружный (D) | Ширина (B) |
|---|---|---|---|---|
| SL182956-B-C3 | Однорядный цилиндрический роликовый подшипник. Внутренний зазор больше нормального. Особенность внутренней конструкции. | 280.00 | 380.00 | 60.00 |
| 29256-E1-MB | Подшипник роликовый упорный сферический. Механически обработанный латунный сепаратор. клёпаный. центрируемый по внутреннему кольцу. Конструкция с увеличенной грузоподьемностью. | 280.00 | 380.00 | 60.00 |
| 29256M | Подшипник роликовый упорный сферический. Механически обработанный латунный сепаратор. Центрированный элементы качения. | 280.00 | 380.00 | 60.00 |
| SL182956-B-BR | Однорядный цилиндрический роликовый подшипник. Особенность внутренней конструкции. Чёрный цвет. | 280.00 | 380.00 | 60.00 |
| SL18-2956B | Однорядный цилиндрический роликовый подшипник. Особенность внутренней конструкции. | 280.00 | 380.00 | 60.00 |
| SL182956-TB | Однорядный цилиндрический роликовый подшипник. Подшипник с увеличенной осевой груподъемностью. | 280.00 | 380.00 | 60.00 |
| SL182956-TB-C3 | Однорядный цилиндрический роликовый подшипник. Внутренний зазор больше нормального. Подшипник с увеличенной осевой груподъемностью. | 280.00 | 380.00 | 60.00 |
| SL182956-TB-BR | Однорядный цилиндрический роликовый подшипник. Обработанный латунный сепаратор. Textite (Fabric-Reinforced Phenolic Resin) Cage Guided On The Inner Ring. | 280.00 | 380.00 | 60.00 |
| SL182956-TB-BR-2S | Однорядный цилиндрический роликовый подшипник. Чёрный цвет. Подшипник с увеличенной осевой груподъемностью. Bearings Matched In Set Of Two For Side-By-Side Mounting. | 280.00 | 380.00 | 60.00 |
| 29256-E-MB-T23B | Подшипник роликовый упорный сферический. Повышенная грузоподъемность. Механически обработанный латунный сепаратор. клёпаный. центрируемый по внутреннему кольцу. Spherical Roller Thrust Bearings With Restricted Tolerances For Cross Section Height “h” And For Axial Runout_ T23B Replaces 795109. | 280.00 | 380.00 | 60.00 |
| 29256EM EVO | Подшипник роликовый упорный сферический. Стандартный фланцевый ( с резьбой и сквозным отверстием). значение этого символа. прикрепленного к базовому коду. специально не зафиксировано. Они используются в соответствии с требованиями к выявлению изменений конструкции подшипника и определенным конструктивным особенностям. Также их можно совмещать между собой. | 280.00 | 380.00 | 60.00 |
| NCF2956V BR | Однорядный цилиндрический роликовый подшипник. Подшипник без сепаратора. С полным комплектом тел качения. Чёрный цвет. | 280.00 | 380.00 | 60.00 |
| SL182956-B-BR-C3 | Однорядный цилиндрический роликовый подшипник. Внутренний зазор больше нормального. Особенность внутренней конструкции. Чёрный цвет. | 280.00 | 380.00 | 60.00 |
| R5608V | Роликовый радиальный однорядный подшипник. Подшипник без сепаратора. С полным комплектом тел качения. | 280.00 | 380.00 | 60.00 |
| 29256E | Роликовый упорно-радиальный однорядный подшипник. Повышенная грузоподъемность. | 280.00 | 380.00 | 60.00 |
Способы доставки
Отправка через ведущие транспортные и курьерские компании: ПЭК, Деловые Линии, СДЭК, Байкал-Сервис, Энергия, КИТ, ЖелДорЭкспедиция.
Самовывоз возможен напрямую со склада в Москве.
Сроки доставки
Срок зависит от региона и выбранной транспортной компании. Все заказы комплектуются и отправляются в кратчайшие сроки со склада в Москве.
Надёжность и сохранность
Вся продукция упаковывается с учётом требований транспортировки. Мы гарантируем, что подшипники и комплектующие прибудут к заказчику в полной сохранности.
Доставка в страны ЕАЭС
Мы работаем с проверенными логистическими партнёрами, что позволяет оперативно доставлять заказы в Беларусь, Казахстан, Армению и другие страны ЕАЭС.
Варианты оплаты:
Минимальная сумма заказа и скидки:
Документы и гарантии:
Да, конечно! Наши технические специалисты готовы помочь вам с подбором точного аналога или замены подшипника. Просто позвоните нам по телефону +7 (495) 104-99-04 или напишите на почту zakaz@podsnab.ru.
Для оперативной консультации подготовьте, пожалуйста, имеющиеся данные: маркировку, размеры, тип оборудования или артикул старого подшипника.
Да, конечно! Мы высоко ценим долгосрочное сотрудничество и доверие клиентов по всей России. Для постоянных клиентов действует персональная система скидок.
Условия формируются индивидуально и зависят от:
Чтобы узнать свои условия и получить максимально выгодное предложение, свяжитесь с персональным менеджером или напишите нам на почту zakaz@podsnab.ru.
Вы можете оформить заказ несколькими способами:
Для оформления заказа от юридического лица свяжитесь с нашим отделом по работе с корпоративными клиентами по телефону +7 (495) 104-99-04 или напишите на email zakaz@podsnab.ru, прикрепив реквизиты вашей организации.
Мы оперативно подготовим коммерческое предложение и выставим счет.
Возврат товара надлежащего качества возможен в течение 10 дней с момента получения, если товар не был в употреблении, сохранен товарный вид, упаковка не вскрывалась и присутствуют все сопроводительные документы.
Возврат денежных средств осуществляется в течение 10 рабочих дней после проверки товара складом.
В соответствии с законодательством возврату не подлежат подшипники надлежащего качества, если отсутствует оригинальная упаковка или имеются следы монтажа.
В случае выявления брака или гарантийного случая мы гарантируем возврат или обмен товара.
Да, гарантийный срок хранения устанавливается заводом-изготовителем и в среднем составляет 2 года при соблюдении условий хранения: сухое помещение, оригинальная упаковка и смазка.
Точный срок для конкретного типа подшипника уточняйте у наших менеджеров.
Пн–Пт: с 8:00 до 17:00 (МСК).
Сб–Вс: выходные дни.
Заказы на сайте принимаются круглосуточно. Заявки, поступившие после окончания рабочего дня, обрабатываются на следующий рабочий день.
Минимальная сумма заказа для доставки составляет 3000 рублей. Самовывоз со склада возможен на любую сумму при наличии товара.
ООО «УралТехГрупп»
ИНН: 7415093830
КПП: 772401001
ОГРН: 1167456069021
Банк: ПАО Сбербанк
Р/с: 40702810838000475273
К/с: 30101810400000000225
БИК: 044525225
У подшипника 6-2612956 пока нет отзывов. Вы можете стать первым покупателем, поделившимся своим мнением.