Поиск подшипника
Статьи
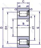
6-3612122 — Роликовый радиальный цилиндрический подшипник, модификация основного исполнения 3612122, производство ГПЗ.
Размер подшипника: 110x170x45 мм.
Аналоги: SL183022.
Государственный стандарт ГОСТ
63612122
В наличии
| Обозначение | Конструктивные изменения |
|---|---|
| 3612122 | Роликовый радиальный цилиндрический подшипник. Основное конструктивное исполнение. |
Модификации цилиндрического роликового подшипника 6-3612122 — это измененное основное конструктивное исполнение 3612122, основные размеры (110x170x45) не отличаются.
| Обозначение | Гост | Конструктивные особенности |
|---|---|---|
| SL18 3022 | ISO | Роликовый радиальный цилиндрический подшипник. |
Аналог цилиндрического роликового подшипника 6-3612122 — это подшипник такого же размера dx110,Dx170,Bx45, типа и конструкции.
| Обозначение | Конструктивные особенности | Внутренний (d) | Наружный (D) | Ширина (B) |
|---|---|---|---|---|
| 23022-2RS | Роликовый радиальный сферический двухрядный подшипник. Резиновые уплотнения с каждой стороны подшипника. | 110.00 | 170.00 | 45.00 |
| 23022 KW33 | Роликовый радиальный сферический двухрядный подшипник. Кольцевая канавка и три отверстия для смазывания в наружном кольце подшипника. Коническое внутреннее отверстие. | 110.00 | 170.00 | 45.00 |
| 23022W33 | Роликовый радиальный сферический двухрядный подшипник. Кольцевая канавка и три отверстия для смазывания в наружном кольце подшипника. | 110.00 | 170.00 | 45.00 |
| 23022RH | Роликовый радиальный сферический двухрядный подшипник. Выпуклые симметричные ролики и штампованный сепаратор. | 110.00 | 170.00 | 45.00 |
| 23022-K-MB-W33+H322 | Роликовый радиальный сферический двухрядный подшипник. Канавка для смазки и три отверстия во внешнем кольце подшипника. Коническое отверстие. Конусность 1/12. сепаратор из латуни. центрированный по внутреннему кольцу. | 110.00 | 170.00 | 45.00 |
| 23022BK | Роликовый радиальный сферический двухрядный подшипник. Игольчатый роликовый подшипник со штампованным наружным кольцом с закрытым торцом. | 110.00 | 170.00 | 45.00 |
| 23022-E1-K-TVPB | Роликовый радиальный сферический двухрядный подшипник. Коническое отверстие. Конусность 1/12. Конструкция с увеличенной грузоподьемностью. Твердый оконный сепаратор из полиамида. армированного стекловолокном. Направляющие на внутреннем кольце. | 110.00 | 170.00 | 45.00 |
| NN3022/W33 | Роликовый радиальный однорядный подшипник. Канавка для смазки и три отверстия во внешнем кольце подшипника. | 110.00 | 170.00 | 45.00 |
| NN3022K/W33 | Роликовый радиальный цилиндрический однорядный подшипник. Канавка для смазки и три отверстия во внешнем кольце подшипника. Коническое отверстие. Конусность 1/12. | 110.00 | 170.00 | 45.00 |
| NN 3022 TN9/SP | Роликовый радиальный двухрядный подшипник. Литой защелкивающийся сепаратор из полиамида. армированного стекловолокном 6.6. Точность размеров примерно соответствует классу точности Р5. биения — классу точности Р4. Двухрядный цилиндрический роликовый подшипник. | 110.00 | 170.00 | 45.00 |
| 23022AX | Роликовый радиальный сферический двухрядный подшипник. Поверхность контакта скольжения сталь / сталь. | 110.00 | 170.00 | 45.00 |
| 23022EK | Сферический роликовый радиальный подшипник. | 110.00 | 170.00 | 45.00 |
| AR110-46 | Роликовый радиальный-упорный двухрядный подшипник. 2.7/8. | 110.00 | 170.00 | 45.00 |
| 6-3182122 ЛК | Роликовый радиальный двухрядный подшипник. Сепаратор из латуни.. | 110.00 | 170.00 | 45.00 |
| 5-3182122 ЛК | Роликовый радиальный двухрядный подшипник. Сепаратор из латуни.. | 110.00 | 170.00 | 45.00 |
Способы доставки
Отправка через ведущие транспортные и курьерские компании: ПЭК, Деловые Линии, СДЭК, Байкал-Сервис, Энергия, КИТ, ЖелДорЭкспедиция.
Самовывоз возможен напрямую со склада в Москве.
Сроки доставки
Срок зависит от региона и выбранной транспортной компании. Все заказы комплектуются и отправляются в кратчайшие сроки со склада в Москве.
Надёжность и сохранность
Вся продукция упаковывается с учётом требований транспортировки. Мы гарантируем, что подшипники и комплектующие прибудут к заказчику в полной сохранности.
Доставка в страны ЕАЭС
Мы работаем с проверенными логистическими партнёрами, что позволяет оперативно доставлять заказы в Беларусь, Казахстан, Армению и другие страны ЕАЭС.
Варианты оплаты:
Минимальная сумма заказа и скидки:
Документы и гарантии:
Да, конечно! Наши технические специалисты готовы помочь вам с подбором точного аналога или замены подшипника. Просто позвоните нам по телефону +7 (495) 104-99-04 или напишите на почту zakaz@podsnab.ru.
Для оперативной консультации подготовьте, пожалуйста, имеющиеся данные: маркировку, размеры, тип оборудования или артикул старого подшипника.
Да, конечно! Мы высоко ценим долгосрочное сотрудничество и доверие клиентов по всей России. Для постоянных клиентов действует персональная система скидок.
Условия формируются индивидуально и зависят от:
Чтобы узнать свои условия и получить максимально выгодное предложение, свяжитесь с персональным менеджером или напишите нам на почту zakaz@podsnab.ru.
Вы можете оформить заказ несколькими способами:
Для оформления заказа от юридического лица свяжитесь с нашим отделом по работе с корпоративными клиентами по телефону +7 (495) 104-99-04 или напишите на email zakaz@podsnab.ru, прикрепив реквизиты вашей организации.
Мы оперативно подготовим коммерческое предложение и выставим счет.
Возврат товара надлежащего качества возможен в течение 10 дней с момента получения, если товар не был в употреблении, сохранен товарный вид, упаковка не вскрывалась и присутствуют все сопроводительные документы.
Возврат денежных средств осуществляется в течение 10 рабочих дней после проверки товара складом.
В соответствии с законодательством возврату не подлежат подшипники надлежащего качества, если отсутствует оригинальная упаковка или имеются следы монтажа.
В случае выявления брака или гарантийного случая мы гарантируем возврат или обмен товара.
Да, гарантийный срок хранения устанавливается заводом-изготовителем и в среднем составляет 2 года при соблюдении условий хранения: сухое помещение, оригинальная упаковка и смазка.
Точный срок для конкретного типа подшипника уточняйте у наших менеджеров.
Пн–Пт: с 8:00 до 17:00 (МСК).
Сб–Вс: выходные дни.
Заказы на сайте принимаются круглосуточно. Заявки, поступившие после окончания рабочего дня, обрабатываются на следующий рабочий день.
Минимальная сумма заказа для доставки составляет 3000 рублей. Самовывоз со склада возможен на любую сумму при наличии товара.
ООО «УралТехГрупп»
ИНН: 7415093830
КПП: 772401001
ОГРН: 1167456069021
Банк: ПАО Сбербанк
Р/с: 40702810838000475273
К/с: 30101810400000000225
БИК: 044525225
У подшипника 6-3612122 пока нет отзывов. Вы можете стать первым покупателем, поделившимся своим мнением.