Поиск подшипника
Статьи
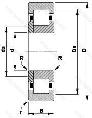
NUP207E.TVP — Роликовый радиальный цилиндрический однорядный подшипник, модификация основного исполнения NUP207, производство TIMKEN.
Размер подшипника: 35x72x17 мм.
Однорядный цилиндрический роликоподшипник. Наружное кольцо имеет два борта, внутреннее — один борт и одно свободное фланцевое кольцо. Основные размеры по DIN 5412-1, относится к подтипу фиксированные подшипники, разъемные, с сепаратором, molded snap-type cage of glass fibre reinforced polyamide. rolling element riding, повышенная грузоподъемность.
Международная стандартизации ISO
NUP207ETVP
В наличии
| Обозначение | Конструктивные изменения |
|---|---|
| NUP207EW C3 | Внутренний зазор больше нормального. Однорядный. |
| NUP207ECM/R825 | Механически обработанный латунный сепаратор. клёпаный. центрируемый по роликам. Оптимизированная внутренняя конструкция предусматривает увеличенное количество роликов и/или ролики большего размера с улучшенными условиями контакта торцов роликов с бортами внутреннего кольца. Inner Ring Change. |
| NUP207ECJ | Два стальных сепаратора оконного типа. внутреннее кольцо без фланца. направляющее кольцо с усиленным роликом. Однорядный цилиндрический роликовый подшипник. |
| NUP207EW | Однорядный. |
| NUP207ES | Разъемное наружное кольцо со смазочными отверстиями. |
| NUP207E TNG C3 | Внутренний зазор больше нормального. Повышенная грузоподъемность. Прочный сепаратор из полиамида. армированного стекловолокном. |
| NUP207ET2X | Повышенная грузоподъемность. Полиамидный сепаратор 4.6 для цилиндрических роликоподшипников. |
| NUP207ECJ/C3 | Внутренний зазор больше нормального. Два стальных сепаратора оконного типа. внутреннее кольцо без фланца. направляющее кольцо с усиленным роликом. |
| NUP207E G15 | Повышенная грузоподъемность. Литой сепаратор из полиамида 6.6. армированного стекловолокном. Элемент качения по центру. |
| NUP207C3 | Внутренний зазор больше нормального. |
| NUP207E MA C3 | Внутренний зазор больше нормального. Повышенная грузоподъемность. Механически обработанный латунный сепаратор. Центрирование по внешнему кольцу. |
| NUP207E MA | Повышенная грузоподъемность. Механически обработанный латунный сепаратор. Центрирование по внешнему кольцу. |
| NUP207-E-XL-JP3-C3 | Внутренний зазор больше нормального. Повышенная грузоподъемность. Серия X-Life премиум-класс. увеличиный срок службы. Применения с цилиндрическими роликоподшипниками с наружным диаметром > 90 мм с сепаратором из листовой стали JP3 с оптимизированной толщиной листа. Улучшенные направляющие и удерживающие ролики. Увеличенный поток масла или смазки. |
| NUP207E.JP3.C3 | Внутренний зазор больше нормального. Повышенная грузоподъемность. Применения с цилиндрическими роликоподшипниками с наружным диаметром > 90 мм с сепаратором из листовой стали JP3 с оптимизированной толщиной листа. Улучшенные направляющие и удерживающие ролики. Увеличенный поток масла или смазки. |
| NUP207-E-XL-JP3 | Повышенная грузоподъемность. Серия X-Life премиум-класс. увеличиный срок службы. Применения с цилиндрическими роликоподшипниками с наружным диаметром > 90 мм с сепаратором из листовой стали JP3 с оптимизированной толщиной листа. Улучшенные направляющие и удерживающие ролики. Увеличенный поток масла или смазки. |
| NUP207-E-XL-JP1 | Повышенная грузоподъемность. Серия X-Life премиум-класс. увеличиный срок службы. Прессованный сепаратор из листового металла. |
| NUP207-E-XL-M1 | Повышенная грузоподъемность. Серия X-Life премиум-класс. увеличиный срок службы. Механически обработанный латунный сепаратор. вращающийся элемент качения (крестовина на заклепках). |
| NUP207-E-XL-M1-C3 | Внутренний зазор больше нормального. Повышенная грузоподъемность. Серия X-Life премиум-класс. увеличиный срок службы. Механически обработанный латунный сепаратор. вращающийся элемент качения (крестовина на заклепках). |
| NUP207-E-XL-TVP2-C4 | Внутренний зазор подшипника больше. чем C3. Повышенная грузоподъемность. Серия X-Life премиум-класс. увеличиный срок службы. Cепаратор изготовленный из полиамида PA66. армированного стекловолокном. |
| NUP207-E-XL-M1A-F59-C3 | Внутренний зазор больше нормального. Повышенная грузоподъемность. Серия X-Life премиум-класс. увеличиный срок службы. Массивный латунный сепаратор. двухтельный. центрированный по бортам. Replaced By. |
| NUP207-E-JP3 | Повышенная грузоподъемность. Применения с цилиндрическими роликоподшипниками с наружным диаметром > 90 мм с сепаратором из листовой стали JP3 с оптимизированной толщиной листа. Улучшенные направляющие и удерживающие ролики. Увеличенный поток масла или смазки. |
| NUP207-E-TVP3 | Повышенная грузоподъемность. Цельный сепаратор из полиамида PA66-GF25. сепаратор оконного типа. направляемый телами качения. |
| NUP207-E-MPA | Повышенная грузоподъемность. Твердый латунный сепаратор. |
| NUP207R | С выпуклыми асимметричными роликами и обработанным сепаратором. |
| NUP207EG | Игольчатые сепараторы для шатунов двигателей. |
Модификации цилиндрического роликового подшипника NUP207E.TVP — это измененное основное конструктивное исполнение NUP207, основные размеры (35x72x17) не отличаются.
| Обозначение | Гост | Конструктивные особенности |
|---|---|---|
| NU 207 ECKJ | ISO | Однорядный цилиндрический роликовый подшипник. |
| NU 207 ECML | ISO | Однорядный цилиндрический роликовый подшипник. |
| NU 207 ECPH | ISO | Однорядный цилиндрический роликовый подшипник. |
| NUP 207 ECP/W64 | ISO | Антифрикционный заполнитель. твердая смазка. Однорядный цилиндрический роликовый подшипник. |
| NJ 207 ECM | ISO | Однорядный цилиндрический роликовый подшипник. |
| NJ 207 ECPH | ISO | Однорядный цилиндрический роликовый подшипник. |
| NUP 207 ECML | ISO | Однорядный цилиндрический роликовый подшипник. |
| NUP 207 ECM | ISO | Однорядный цилиндрический роликовый подшипник. |
| NJ207EM | ISO | Стандартный фланцевый ( с резьбой и сквозным отверстием). |
| NJ 207 ECML | ISO | Однорядный цилиндрический роликовый подшипник. |
| NJ207+HJ207 | ISO | Роликовый радиальный цилиндрический однорядный подшипник. |
| NU207R | ISO | С выпуклыми асимметричными роликами и обработанным сепаратором. |
| NJ207EG | ISO | Игольчатые сепараторы для шатунов двигателей. |
Аналог цилиндрического роликового подшипника NUP207E.TVP — это подшипник такого же размера dx35,Dx72,Bx17, типа и конструкции.
| Обозначение | Конструктивные особенности | Внутренний (d) | Наружный (D) | Ширина (B) |
|---|---|---|---|---|
| 5-46207 Е | Шариковый радиально-упорный однорядный подшипник. Сепаратор из текстолита.. | 35.00 | 72.00 | 17.00 |
| 5-46207 Е3 | Шариковый радиально-упорный однорядный подшипник. Сепаратор из пластических материалов.. | 35.00 | 72.00 | 17.00 |
| 5-46207 Е5 | Шариковый радиально-упорный однорядный подшипник. Сепаратор из текстолита.. | 35.00 | 72.00 | 17.00 |
| 5-46207 К | Шариковый радиально-упорный однорядный подшипник. «Замок» (скос) на внутреннем кольце плюс массивный сепаратор из текстолита. | 35.00 | 72.00 | 17.00 |
| 5-60207 А | Шариковый радиальный однорядный подшипник. Повышенная грузоподъемность. | 35.00 | 72.00 | 17.00 |
| 5-66207 Е | Шариковый радиально-упорный однорядный подшипник. Сепаратор из текстолита.. | 35.00 | 72.00 | 17.00 |
| 502207-КМ | Роликовый радиальный однорядный подшипник. Кольцевая проточка на середине цилиндрической наружной поверхности наружного кольца плюс три отверстия для смазки. Модифицированный контакт.. | 35.00 | 72.00 | 17.00 |
| 50207-А | Шариковый радиальный однорядный подшипник. Повышенная грузоподъемность. | 35.00 | 72.00 | 17.00 |
| 50207-К5 | Шариковый радиальный однорядный подшипник. Повышенная грузоподъемность. | 35.00 | 72.00 | 17.00 |
| 50207-АЕ | Шариковый радиальный однорядный подшипник. Сепаратор из текстолита.. Повышенная грузоподъемность. | 35.00 | 72.00 | 17.00 |
| 55-32207 Б2Т | Роликовый радиальный однорядный подшипник. Температура отпуска. 160°. Сепаратор из безоловянистой бронзы.. | 35.00 | 72.00 | 17.00 |
| 6-180207 А | Шариковый радиальный однорядный подшипник. Повышенная грузоподъемность. | 35.00 | 72.00 | 17.00 |
| 6-180207 АК | Шариковый радиальный однорядный подшипник. Повышенная грузоподъемность. | 35.00 | 72.00 | 17.00 |
| 6-180207 АС17Ш1 | Шариковый радиальный однорядный подшипник. Смазка Литол-24. Повышенная грузоподъемность. Нормы шумности. | 35.00 | 72.00 | 17.00 |
| 6-180207 С17 | Шариковый радиальный однорядный подшипник. Смазка Литол-24. | 35.00 | 72.00 | 17.00 |
Способы доставки
Отправка через ведущие транспортные и курьерские компании: ПЭК, Деловые Линии, СДЭК, Байкал-Сервис, Энергия, КИТ, ЖелДорЭкспедиция.
Самовывоз возможен напрямую со склада в Москве.
Сроки доставки
Срок зависит от региона и выбранной транспортной компании. Все заказы комплектуются и отправляются в кратчайшие сроки со склада в Москве.
Надёжность и сохранность
Вся продукция упаковывается с учётом требований транспортировки. Мы гарантируем, что подшипники и комплектующие прибудут к заказчику в полной сохранности.
Доставка в страны ЕАЭС
Мы работаем с проверенными логистическими партнёрами, что позволяет оперативно доставлять заказы в Беларусь, Казахстан, Армению и другие страны ЕАЭС.
Варианты оплаты:
Минимальная сумма заказа и скидки:
Документы и гарантии:
Да, конечно! Наши технические специалисты готовы помочь вам с подбором точного аналога или замены подшипника. Просто позвоните нам по телефону +7 (495) 104-99-04 или напишите на почту zakaz@podsnab.ru.
Для оперативной консультации подготовьте, пожалуйста, имеющиеся данные: маркировку, размеры, тип оборудования или артикул старого подшипника.
Да, конечно! Мы высоко ценим долгосрочное сотрудничество и доверие клиентов по всей России. Для постоянных клиентов действует персональная система скидок.
Условия формируются индивидуально и зависят от:
Чтобы узнать свои условия и получить максимально выгодное предложение, свяжитесь с персональным менеджером или напишите нам на почту zakaz@podsnab.ru.
Вы можете оформить заказ несколькими способами:
Для оформления заказа от юридического лица свяжитесь с нашим отделом по работе с корпоративными клиентами по телефону +7 (495) 104-99-04 или напишите на email zakaz@podsnab.ru, прикрепив реквизиты вашей организации.
Мы оперативно подготовим коммерческое предложение и выставим счет.
Возврат товара надлежащего качества возможен в течение 10 дней с момента получения, если товар не был в употреблении, сохранен товарный вид, упаковка не вскрывалась и присутствуют все сопроводительные документы.
Возврат денежных средств осуществляется в течение 10 рабочих дней после проверки товара складом.
В соответствии с законодательством возврату не подлежат подшипники надлежащего качества, если отсутствует оригинальная упаковка или имеются следы монтажа.
В случае выявления брака или гарантийного случая мы гарантируем возврат или обмен товара.
Да, гарантийный срок хранения устанавливается заводом-изготовителем и в среднем составляет 2 года при соблюдении условий хранения: сухое помещение, оригинальная упаковка и смазка.
Точный срок для конкретного типа подшипника уточняйте у наших менеджеров.
Пн–Пт: с 8:00 до 17:00 (МСК).
Сб–Вс: выходные дни.
Заказы на сайте принимаются круглосуточно. Заявки, поступившие после окончания рабочего дня, обрабатываются на следующий рабочий день.
Минимальная сумма заказа для доставки составляет 3000 рублей. Самовывоз со склада возможен на любую сумму при наличии товара.
ООО «УралТехГрупп»
ИНН: 7415093830
КПП: 772401001
ОГРН: 1167456069021
Банк: ПАО Сбербанк
Р/с: 40702810838000475273
К/с: 30101810400000000225
БИК: 044525225
У подшипника NUP207E.TVP пока нет отзывов. Вы можете стать первым покупателем, поделившимся своим мнением.