Поиск подшипника
Статьи
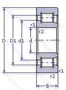
NJ 2217 ECM — Роликовый радиальный цилиндрический однорядный подшипник, модификация основного исполнения 2217, производство SKF.
Размер подшипника: 85x150x36 мм.
Однорядный цилиндрический роликоподшипник. Наружное кольцо имеет два борта, наружное — один борт.
Международная стандартизации ISO
NJ2217ECM
В наличии
| Обозначение | Конструктивные изменения |
|---|---|
| 2217K.C3 | Внутренний зазор больше нормального. Коническое отверстие. Конусность 1/12. |
| 2217M.C3 | Внутренний зазор больше нормального. Подшипник с латунным сепаратором. центрированный по телам качения. |
| 2217M | Подшипник с латунным сепаратором. центрированный по телам качения. |
| 2217K | Коническое внутреннее отверстие. |
| 2217-K-M-C3 | Внутренний зазор больше нормального. Коническое отверстие. Конусность 1/12. Подшипник с латунным сепаратором. центрированный по телам качения. |
| 2217TV | Прочный сепаратор из полиамида. армированного стекловолокном. |
| 2217J C3 | Внутренний зазор больше нормального. Сепаратор из стали. |
| 2217EKTN9 | Коническое отверстие. конус 1/12. Литой защелкивающийся сепаратор из полиамида. армированного стекловолокном 6.6. Оптимизированная внутренняя конструкция. |
| 2217ACC | Подшипник со стальным сепаратором. |
| 2217K J30 | Коническое отверстие. конус 1/12. Внутренний зазор больше нормального. |
| 2217J | Сепаратор из стали. |
| 2217S | Запечатанная версия кулачкового ролика. Только для внутреннего и наружного колец. |
| 2217E | Повышенная грузоподъемность. |
| 2217-K-M | Коническое отверстие. конус 1/12. Твердый латунный сепаратор. |
| 2217ETN9 | Оптимизированный внутренний дизайн. Литая защелкивающаяся клетка из полиамида 6.6. армированного стекловолокном с шариковой центрировкой.. |
| BS2-2217-2RSK/VT143 | Заполнение пластичной смазкой SKF LGEP 2 на 25–35 %. Высокая осевая жесткость и грузоподъемность.. |
| NJ 2217 ECML | Однорядный цилиндрический роликовый подшипник. |
| NU 2217 ECM | Однорядный цилиндрический роликовый подшипник. |
| NUP 2217 ECML | Однорядный цилиндрический роликовый подшипник. |
| 2U2217SC | Угол контакта 20 градусов. |
| C 2217 KV + AHX 317 | Тороидальный подшипник CARB. Измененная или модифицированная внутренняя конструкция при неизменных основных размерах. Ball Bearing. Conrad (Non-Filling Slot) Type. |
| 2217 K + H 317 | Коническое внутреннее отверстие. Pressed Snap-Type Steel Cage. Hardened. |
| 2217-K-M-C3 + H317 | Внутренний зазор больше нормального. Коническое отверстие. Конусность 1/12. Подшипник с латунным сепаратором. центрированный по телам качения. |
| 2217-2RS | Резиновые уплотнения с каждой стороны подшипника. |
| 2217SK | Кулачковый толкатель штифтового типа. С шестигранной головкой. Только для внутреннего и наружного колец. |
Модификации цилиндрического роликового подшипника NJ 2217 ECM — это измененное основное конструктивное исполнение 2217, основные размеры (85x150x36) не отличаются.
| Обозначение | Гост | Конструктивные особенности |
|---|---|---|
| NJ2217 ET | ISO | Сквозная закалка и шлифовка стали с переломом в одной точке. |
| NCF2217-V | ISO | Бессепараторный подшипник. Однорядный без сепараторный цилиндрический роликовый подшипник. Два борта на внутреннем кольце и один борт на наружном. |
| NJ2217-E-TVP2 + HJ2217-E | ISO | Повышенная грузоподъемность. Твердый сепаратор оконного типа из армированного стекловолокном полиамида. |
| NU2217R | ISO | С выпуклыми асимметричными роликами и обработанным сепаратором. |
| NUP2217R | ISO | С выпуклыми асимметричными роликами и обработанным сепаратором. |
Аналог цилиндрического роликового подшипника NJ 2217 ECM — это подшипник такого же размера dx85,Dx150,Bx36, типа и конструкции.
| Обозначение | Конструктивные особенности | Внутренний (d) | Наружный (D) | Ширина (B) |
|---|---|---|---|---|
| NJ2217R | Роликовый радиальный однорядный подшипник. С выпуклыми асимметричными роликами и обработанным сепаратором. | 85.00 | 150.00 | 36.00 |
| 22217EX | Роликовый радиальный сферический двухрядный подшипник. Optimized Inner Construction - Extreme Quality F. Extreme Requirements. | 85.00 | 150.00 | 36.00 |
| 22217AEX | Роликовый радиальный сферический двухрядный подшипник. Высокоскоростной и высокопроизводительный сферический роликоподшипник. | 85.00 | 150.00 | 36.00 |
| NJ2217-E-M6+HJ2217-E | Роликовый радиальный однорядный подшипник. Повышенная грузоподъемность. 20-28 UM (C3 & C4). | 85.00 | 150.00 | 36.00 |
| NJ2217-E-MPA | Роликовый радиальный однорядный подшипник. Повышенная грузоподъемность. Твердый латунный сепаратор. | 85.00 | 150.00 | 36.00 |
| NJ2217-E-MA6+HJ2217-E | Роликовый радиальный однорядный подшипник. Повышенная грузоподъемность. Изготовленный из двух частей латунный сепаратор. Центрирование по внешнему кольцу. Различные конструкции или сорта материалов обозначаются цифрой или буквой.. | 85.00 | 150.00 | 36.00 |
| NJ2217-E-MPA+HJ2217-E | Роликовый радиальный однорядный подшипник. Повышенная грузоподъемность. Твердый латунный сепаратор. | 85.00 | 150.00 | 36.00 |
| NJ2217-E-MA6 | Роликовый радиальный однорядный подшипник. Повышенная грузоподъемность. Изготовленный из двух частей латунный сепаратор. Центрирование по внешнему кольцу. Различные конструкции или сорта материалов обозначаются цифрой или буквой.. | 85.00 | 150.00 | 36.00 |
| NJ2217-E-TVP3+HJ2217-E | Роликовый радиальный однорядный подшипник. Повышенная грузоподъемность. Цельный сепаратор из полиамида PA66-GF25. сепаратор оконного типа. направляемый телами качения. | 85.00 | 150.00 | 36.00 |
| NU2217-E-MPA | Роликовый радиальный однорядный подшипник. Повышенная грузоподъемность. Твердый латунный сепаратор. | 85.00 | 150.00 | 36.00 |
| NU2217-E-M6 | Роликовый радиальный однорядный подшипник. Повышенная грузоподъемность. 20-28 UM (C3 & C4). | 85.00 | 150.00 | 36.00 |
| NU2217-E-MA6 | Роликовый радиальный однорядный подшипник. Повышенная грузоподъемность. Изготовленный из двух частей латунный сепаратор. Центрирование по внешнему кольцу. Различные конструкции или сорта материалов обозначаются цифрой или буквой.. | 85.00 | 150.00 | 36.00 |
| NU2217-E-TVP3 | Роликовый радиальный однорядный подшипник. Повышенная грузоподъемность. Цельный сепаратор из полиамида PA66-GF25. сепаратор оконного типа. направляемый телами качения. | 85.00 | 150.00 | 36.00 |
| 612517У2 | Роликовый радиальный двухрядный подшипник. Дополнительные технические требования. | 85.00 | 150.00 | 36.00 |
| 7517A | Роликовый радиальный-упорный однорядный подшипник. Двухрядный радиально-упорный шарикоподшипник без отверстия для смазки. | 85.00 | 150.00 | 36.00 |
Способы доставки
Отправка через ведущие транспортные и курьерские компании: ПЭК, Деловые Линии, СДЭК, Байкал-Сервис, Энергия, КИТ, ЖелДорЭкспедиция.
Самовывоз возможен напрямую со склада в Москве.
Сроки доставки
Срок зависит от региона и выбранной транспортной компании. Все заказы комплектуются и отправляются в кратчайшие сроки со склада в Москве.
Надёжность и сохранность
Вся продукция упаковывается с учётом требований транспортировки. Мы гарантируем, что подшипники и комплектующие прибудут к заказчику в полной сохранности.
Доставка в страны ЕАЭС
Мы работаем с проверенными логистическими партнёрами, что позволяет оперативно доставлять заказы в Беларусь, Казахстан, Армению и другие страны ЕАЭС.
Варианты оплаты:
Минимальная сумма заказа и скидки:
Документы и гарантии:
Да, конечно! Наши технические специалисты готовы помочь вам с подбором точного аналога или замены подшипника. Просто позвоните нам по телефону +7 (495) 104-99-04 или напишите на почту zakaz@podsnab.ru.
Для оперативной консультации подготовьте, пожалуйста, имеющиеся данные: маркировку, размеры, тип оборудования или артикул старого подшипника.
Да, конечно! Мы высоко ценим долгосрочное сотрудничество и доверие клиентов по всей России. Для постоянных клиентов действует персональная система скидок.
Условия формируются индивидуально и зависят от:
Чтобы узнать свои условия и получить максимально выгодное предложение, свяжитесь с персональным менеджером или напишите нам на почту zakaz@podsnab.ru.
Вы можете оформить заказ несколькими способами:
Для оформления заказа от юридического лица свяжитесь с нашим отделом по работе с корпоративными клиентами по телефону +7 (495) 104-99-04 или напишите на email zakaz@podsnab.ru, прикрепив реквизиты вашей организации.
Мы оперативно подготовим коммерческое предложение и выставим счет.
Возврат товара надлежащего качества возможен в течение 10 дней с момента получения, если товар не был в употреблении, сохранен товарный вид, упаковка не вскрывалась и присутствуют все сопроводительные документы.
Возврат денежных средств осуществляется в течение 10 рабочих дней после проверки товара складом.
В соответствии с законодательством возврату не подлежат подшипники надлежащего качества, если отсутствует оригинальная упаковка или имеются следы монтажа.
В случае выявления брака или гарантийного случая мы гарантируем возврат или обмен товара.
Да, гарантийный срок хранения устанавливается заводом-изготовителем и в среднем составляет 2 года при соблюдении условий хранения: сухое помещение, оригинальная упаковка и смазка.
Точный срок для конкретного типа подшипника уточняйте у наших менеджеров.
Пн–Пт: с 8:00 до 17:00 (МСК).
Сб–Вс: выходные дни.
Заказы на сайте принимаются круглосуточно. Заявки, поступившие после окончания рабочего дня, обрабатываются на следующий рабочий день.
Минимальная сумма заказа для доставки составляет 3000 рублей. Самовывоз со склада возможен на любую сумму при наличии товара.
ООО «УралТехГрупп»
ИНН: 7415093830
КПП: 772401001
ОГРН: 1167456069021
Банк: ПАО Сбербанк
Р/с: 40702810838000475273
К/с: 30101810400000000225
БИК: 044525225
У подшипника NJ 2217 ECM пока нет отзывов. Вы можете стать первым покупателем, поделившимся своим мнением.