Поиск подшипника
Статьи
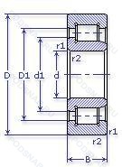
NJ 2218 ECML — Роликовый радиальный цилиндрический однорядный подшипник, модификация основного исполнения 2218, производство SKF.
Размер подшипника: 90x160x40 мм.
Однорядный цилиндрический роликоподшипник. Наружное кольцо имеет два борта, наружное — один борт.
Международная стандартизации ISO
NJ2218ECML
В наличии
| Обозначение | Конструктивные изменения |
|---|---|
| 2218M C3 | Внутренний зазор больше нормального. Подшипник с латунным сепаратором. центрированный по телам качения. |
| 2218-K-TVH-C3 | Внутренний зазор больше нормального. Коническое отверстие. конус 1/12. Массивный сепаратор из армированного стекловолокном полиамида PA66. |
| 2218-TVH | Массивный сепаратор из армированного стекловолокном полиамида PA66. |
| 2218KM | Type Of Model. |
| 2218S | Прессованный стальной сепаратор. Только для внутреннего и наружного колец. |
| 2218-K-TVH | Коническое отверстие. конус 1/12. Массивный сепаратор из армированного стекловолокном полиамида PA66. |
| 2218-2RS1 | Усиленные листовой сталью контактные уплотнения из акрилонитрил-бутадиенового каучука (NBR) с обеих сторон подшипника. |
| 2218J C3 | Внутренний зазор больше нормального. Сепаратор из стали. |
| 2218S C3 | Прессованный стальной сепаратор. Внутренний зазор больше нормального. |
| 2218KJ | Коническое отверстие 1/12. Сепаратор из стали. |
| 2218KM/C3 | Внутренний зазор больше нормального. Type Of Model. |
| 2218EK | Коническое отверстие. конус 1/12. Повышенная грузоподъемность. |
| 2218K/C4 | Коническое отверстие. конус 1/12. Внутренний зазор подшипника больше. чем C3. |
| 2218K.TV | Коническое отверстие. конус 1/12. Прочный сепаратор из полиамида. армированного стекловолокном. |
| 2218K J30 | Коническое отверстие. конус 1/12. Внутренний зазор больше нормального. |
| 2218SK C3 | Внутренний зазор больше нормального. Кулачковый толкатель штифтового типа. С шестигранной головкой. |
| 2218-TVH-C3 | Внутренний зазор больше нормального. Массивный сепаратор из армированного стекловолокном полиамида PA66. |
| C 2218 KV + H 318 | Тороидальный подшипник CARB. Pressed Snap-Type Steel Cage. Hardened. Ball Bearing. Conrad (Non-Filling Slot) Type. |
| NJ 2218 ECN1ML | Однорядный цилиндрический роликовый подшипник. |
| NJ 2218 ECJ | Два стальных сепаратора оконного типа. внутреннее кольцо без фланца. направляющее кольцо с усиленным роликом. Однорядный цилиндрический роликовый подшипник. |
| NU 2218 ECML | Однорядный цилиндрический роликовый подшипник. |
| 2218K+H318 | Коническое внутреннее отверстие. |
| 2218-K-TVH-C3 + H318 | Внутренний зазор больше нормального. Коническое отверстие. Конусность 1/12. Твердая клетка из полиамида. |
| 2218-2RS | Резиновые уплотнения с каждой стороны подшипника. |
| 2218SK | Кулачковый толкатель штифтового типа. С шестигранной головкой. Только для внутреннего и наружного колец. |
Модификации цилиндрического роликового подшипника NJ 2218 ECML — это измененное основное конструктивное исполнение 2218, основные размеры (90x160x40) не отличаются.
| Обозначение | Гост | Конструктивные особенности |
|---|---|---|
| NU2218E | ISO | Повышенная грузоподъемность. |
| NUP2218E | ISO | Повышенная грузоподъемность. |
| NJ2218-E-TVP2 + HJ2218-E | ISO | Повышенная грузоподъемность. Твердый сепаратор оконного типа из армированного стекловолокном полиамида. |
| NU2218R | ISO | С выпуклыми асимметричными роликами и обработанным сепаратором. |
| NUP2218R | ISO | С выпуклыми асимметричными роликами и обработанным сепаратором. |
Аналог цилиндрического роликового подшипника NJ 2218 ECML — это подшипник такого же размера dx90,Dx160,Bx40, типа и конструкции.
| Обозначение | Конструктивные особенности | Внутренний (d) | Наружный (D) | Ширина (B) |
|---|---|---|---|---|
| NU2218-E-M6 | Роликовый радиальный однорядный подшипник. Повышенная грузоподъемность. 20-28 UM (C3 & C4). | 90.00 | 160.00 | 40.00 |
| NU2218-E-TVP3 | Роликовый радиальный однорядный подшипник. Повышенная грузоподъемность. Цельный сепаратор из полиамида PA66-GF25. сепаратор оконного типа. направляемый телами качения. | 90.00 | 160.00 | 40.00 |
| 80-32518 ЛМ | Роликовый радиальный подшипник. Сепаратор из латуни.. Модифицированный контакт.. | 90.00 | 160.00 | 40.00 |
| 80-92518 ЛМ | Роликовый радиальный подшипник. Сепаратор из латуни.. Модифицированный контакт.. | 90.00 | 160.00 | 40.00 |
| X32218M/Y32218M | Роликовый радиальный-упорный однорядный подшипник. Подшипник с латунным сепаратором. центрированный по телам качения. | 90.00 | 160.00 | 40.53 |
| 32218/YA2 | Роликовый радиальный-упорный однорядный подшипник. Raceway Shape Bigger Corner Dimension. | 89.50 | 160.00 | 40.00 |
| 7518EX | Роликовый радиальный-упорный подшипник. Optimized Inner Construction - Extreme Quality F. Extreme Requirements. | 89.50 | 160.00 | 40.00 |
| 92518-Л | Роликовый радиальный подшипник. Сепаратор из латуни.. | 90.00 | 160.00 | 40.00 |
| 92518-ЛМ | Роликовый радиальный однорядный подшипник. Сепаратор из латуни.. Модифицированный контакт.. | 90.00 | 160.00 | 40.00 |
| 97518A | Роликовый радиальный-упорный двухрядный подшипник. Двухрядный радиально-упорный шарикоподшипник без отверстия для смазки. | 90.00 | 160.00 | 40.00 |
| 7518A | Роликовый радиальный-упорный однорядный подшипник. Двухрядный радиально-упорный шарикоподшипник без отверстия для смазки. | 90.00 | 160.00 | 40.00 |
| 53518-Е | Роликовый радиальный двухрядный подшипник. Сепаратор из текстолита.. | 90.00 | 160.00 | 40.00 |
| 53518-Л | Роликовый радиальный двухрядный подшипник. Сепаратор из латуни.. | 90.00 | 160.00 | 40.00 |
| 53518-Н | Роликовый радиальный двухрядный подшипник. Детали из теплостойкой стали. | 90.00 | 160.00 | 40.00 |
| 53518-НЕ | Роликовый радиальный двухрядный подшипник. Сепаратор из текстолита.. Детали из теплостойкой стали. | 90.00 | 160.00 | 40.00 |
Способы доставки
Отправка через ведущие транспортные и курьерские компании: ПЭК, Деловые Линии, СДЭК, Байкал-Сервис, Энергия, КИТ, ЖелДорЭкспедиция.
Самовывоз возможен напрямую со склада в Москве.
Сроки доставки
Срок зависит от региона и выбранной транспортной компании. Все заказы комплектуются и отправляются в кратчайшие сроки со склада в Москве.
Надёжность и сохранность
Вся продукция упаковывается с учётом требований транспортировки. Мы гарантируем, что подшипники и комплектующие прибудут к заказчику в полной сохранности.
Доставка в страны ЕАЭС
Мы работаем с проверенными логистическими партнёрами, что позволяет оперативно доставлять заказы в Беларусь, Казахстан, Армению и другие страны ЕАЭС.
Варианты оплаты:
Минимальная сумма заказа и скидки:
Документы и гарантии:
Да, конечно! Наши технические специалисты готовы помочь вам с подбором точного аналога или замены подшипника. Просто позвоните нам по телефону +7 (495) 104-99-04 или напишите на почту zakaz@podsnab.ru.
Для оперативной консультации подготовьте, пожалуйста, имеющиеся данные: маркировку, размеры, тип оборудования или артикул старого подшипника.
Да, конечно! Мы высоко ценим долгосрочное сотрудничество и доверие клиентов по всей России. Для постоянных клиентов действует персональная система скидок.
Условия формируются индивидуально и зависят от:
Чтобы узнать свои условия и получить максимально выгодное предложение, свяжитесь с персональным менеджером или напишите нам на почту zakaz@podsnab.ru.
Вы можете оформить заказ несколькими способами:
Для оформления заказа от юридического лица свяжитесь с нашим отделом по работе с корпоративными клиентами по телефону +7 (495) 104-99-04 или напишите на email zakaz@podsnab.ru, прикрепив реквизиты вашей организации.
Мы оперативно подготовим коммерческое предложение и выставим счет.
Возврат товара надлежащего качества возможен в течение 10 дней с момента получения, если товар не был в употреблении, сохранен товарный вид, упаковка не вскрывалась и присутствуют все сопроводительные документы.
Возврат денежных средств осуществляется в течение 10 рабочих дней после проверки товара складом.
В соответствии с законодательством возврату не подлежат подшипники надлежащего качества, если отсутствует оригинальная упаковка или имеются следы монтажа.
В случае выявления брака или гарантийного случая мы гарантируем возврат или обмен товара.
Да, гарантийный срок хранения устанавливается заводом-изготовителем и в среднем составляет 2 года при соблюдении условий хранения: сухое помещение, оригинальная упаковка и смазка.
Точный срок для конкретного типа подшипника уточняйте у наших менеджеров.
Пн–Пт: с 8:00 до 17:00 (МСК).
Сб–Вс: выходные дни.
Заказы на сайте принимаются круглосуточно. Заявки, поступившие после окончания рабочего дня, обрабатываются на следующий рабочий день.
Минимальная сумма заказа для доставки составляет 3000 рублей. Самовывоз со склада возможен на любую сумму при наличии товара.
ООО «УралТехГрупп»
ИНН: 7415093830
КПП: 772401001
ОГРН: 1167456069021
Банк: ПАО Сбербанк
Р/с: 40702810838000475273
К/с: 30101810400000000225
БИК: 044525225
У подшипника NJ 2218 ECML пока нет отзывов. Вы можете стать первым покупателем, поделившимся своим мнением.