Поиск подшипника
Статьи
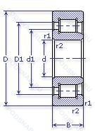
NJ 2320 ECM — Роликовый радиальный цилиндрический однорядный подшипник, модификация основного исполнения 2320, производство SKF.
Размер подшипника: 100x215x73 мм.
Однорядный цилиндрический роликоподшипник. Наружное кольцо имеет два борта, наружное — один борт.
Международная стандартизации ISO
NJ2320ECM
В наличии
| Обозначение | Конструктивные изменения |
|---|---|
| 2320-M | Твердый латунный сепаратор с шариковой направляющей. |
| 2320-M-C3 | Внутренний зазор больше нормального. Подшипник с латунным сепаратором. центрированный по телам качения. |
| 2320-K-M-C3 | Внутренний зазор больше нормального. Коническое отверстие. Конусность 1/12. Подшипник с латунным сепаратором. центрированный по телам качения. |
| 2320KM | Type Of Model. |
| 2320-11004 | Роликовый радиальный цилиндрический однорядный подшипник. |
| 2320-20EC | Роликовый радиальный цилиндрический однорядный подшипник. |
| 2320 | Роликовый радиальный цилиндрический однорядный подшипник. Основное конструктивное исполнение. |
| 2320K/C3 | Внутренний зазор больше нормального. Коническое отверстие. Конусность 1/12. |
| 2320K | Коническое внутреннее отверстие. |
| 2320-11005 | Роликовый радиальный цилиндрический однорядный подшипник. |
| 2320-K-M-C5 | Коническое отверстие. конус 1/12. Твердый латунный сепаратор. Внутренний зазор подшипника больше. чем С4. |
| 2320EM J30 | Внутренний зазор больше нормального. Reinforced Rolling Element Complement. Machined Brass Cage. |
| 2320MB | Механически обработанный латунный сепаратор. клёпаный. центрируемый по внутреннему кольцу. |
| NUH 2320 ECMH | Роликовый радиальный цилиндрический однорядный подшипник. |
| NJ 2320 ECP | Однорядный цилиндрический роликовый подшипник. |
| NU 2320 ECKML | Однорядный цилиндрический роликовый подшипник. |
| NU 2320 ECM | Однорядный цилиндрический роликовый подшипник. |
| NUP 2320 ECP | Однорядный цилиндрический роликовый подшипник. |
| NJG 2320 VH | Полный набор роликов (без сепаратора). Самоудерживающиеся. |
| NU 2320 ECN1ML | Однорядный цилиндрический роликовый подшипник. |
| NUP 2320 ECML | Однорядный цилиндрический роликовый подшипник. |
| 2320K+H2320 | Коническое внутреннее отверстие. |
| 2320-K-M-C3 + H2320 | Внутренний зазор больше нормального. Коническое отверстие. Конусность 1/12. Подшипник с латунным сепаратором. центрированный по телам качения. |
| 2320SK | Кулачковый толкатель штифтового типа. С шестигранной головкой. Только для внутреннего и наружного колец. |
| 2320S | Запечатанная версия кулачкового ролика. Только для внутреннего и наружного колец. |
Модификации цилиндрического роликового подшипника NJ 2320 ECM — это измененное основное конструктивное исполнение 2320, основные размеры (100x215x73) не отличаются.
| Обозначение | Гост | Конструктивные особенности |
|---|---|---|
| NU2320E | ISO | Повышенная грузоподъемность. |
| NUP2320E | ISO | Повышенная грузоподъемность. |
| NJ2320-E-TVP2 + HJ2320-E | ISO | Повышенная грузоподъемность. Твердый сепаратор оконного типа из армированного стекловолокном полиамида. |
| NF2320 | ISO | Механически обработанный сепаратор из стали или специального чугуна. Канавка под стопорное кольцо на наружном кольце подшипника. |
| NJ2320R | ISO | С выпуклыми асимметричными роликами и обработанным сепаратором. |
| NU2320R | ISO | С выпуклыми асимметричными роликами и обработанным сепаратором. |
| NUP2320R | ISO | С выпуклыми асимметричными роликами и обработанным сепаратором. |
| LSL19 2320 | ISO | Роликовый радиальный цилиндрический однорядный подшипник. |
| ZSL19 2320 | ISO | Роликовый радиальный цилиндрический однорядный подшипник. |
Аналог цилиндрического роликового подшипника NJ 2320 ECM — это подшипник такого же размера dx100,Dx215,Bx73, типа и конструкции.
| Обозначение | Конструктивные особенности | Внутренний (d) | Наружный (D) | Ширина (B) |
|---|---|---|---|---|
| NJ2320-E-MPA | Роликовый радиальный однорядный подшипник. Повышенная грузоподъемность. Твердый латунный сепаратор. | 100.00 | 215.00 | 73.00 |
| NJ2320-E-M6+HJ2320-E | Роликовый радиальный однорядный подшипник. Повышенная грузоподъемность. 20-28 UM (C3 & C4). | 100.00 | 215.00 | 73.00 |
| NU2320-E-M6 | Роликовый радиальный однорядный подшипник. Повышенная грузоподъемность. 20-28 UM (C3 & C4). | 100.00 | 215.00 | 73.00 |
| NU2320-E-MPA | Роликовый радиальный однорядный подшипник. Повышенная грузоподъемность. Твердый латунный сепаратор. | 100.00 | 215.00 | 73.00 |
| 8-42620 М | Роликовый радиальный однорядный подшипник. Модифицированный контакт.. | 100.00 | 215.00 | 73.00 |
| 6-42620 М | Роликовый радиальный однорядный подшипник. Модифицированный контакт.. | 100.00 | 215.00 | 73.00 |
| 70-42620 М | Роликовый радиальный однорядный подшипник. Модифицированный контакт.. | 100.00 | 215.00 | 73.00 |
| 42620-Л | Роликовый радиальный однорядный подшипник. Сепаратор из латуни.. | 100.00 | 215.00 | 73.00 |
| 42620-М | Роликовый радиальный однорядный подшипник. Модифицированный контакт.. | 100.00 | 215.00 | 73.00 |
| 42620-МЛ | Роликовый радиальный однорядный подшипник. Сепаратор из латуни.. Модифицированный контакт.. | 100.00 | 215.00 | 73.00 |
| 53620-Е | Роликовый радиальный двухрядный подшипник. Сепаратор из текстолита.. | 100.00 | 215.00 | 73.00 |
| 53620-Л | Роликовый радиальный двухрядный подшипник. Сепаратор из латуни.. | 100.00 | 215.00 | 73.00 |
| 53620-Н | Роликовый радиальный двухрядный подшипник. Детали из теплостойкой стали. | 100.00 | 215.00 | 73.00 |
| 53620-НЕ | Роликовый радиальный двухрядный подшипник. Сепаратор из текстолита.. Детали из теплостойкой стали. | 100.00 | 215.00 | 73.00 |
| 53620ЛН | Роликовый радиальный двухрядный подшипник. Детали из теплостойкой стали. Сепаратор из латуни.. | 100.00 | 215.00 | 73.00 |
Способы доставки
Отправка через ведущие транспортные и курьерские компании: ПЭК, Деловые Линии, СДЭК, Байкал-Сервис, Энергия, КИТ, ЖелДорЭкспедиция.
Самовывоз возможен напрямую со склада в Москве.
Сроки доставки
Срок зависит от региона и выбранной транспортной компании. Все заказы комплектуются и отправляются в кратчайшие сроки со склада в Москве.
Надёжность и сохранность
Вся продукция упаковывается с учётом требований транспортировки. Мы гарантируем, что подшипники и комплектующие прибудут к заказчику в полной сохранности.
Доставка в страны ЕАЭС
Мы работаем с проверенными логистическими партнёрами, что позволяет оперативно доставлять заказы в Беларусь, Казахстан, Армению и другие страны ЕАЭС.
Варианты оплаты:
Минимальная сумма заказа и скидки:
Документы и гарантии:
Да, конечно! Наши технические специалисты готовы помочь вам с подбором точного аналога или замены подшипника. Просто позвоните нам по телефону +7 (495) 104-99-04 или напишите на почту zakaz@podsnab.ru.
Для оперативной консультации подготовьте, пожалуйста, имеющиеся данные: маркировку, размеры, тип оборудования или артикул старого подшипника.
Да, конечно! Мы высоко ценим долгосрочное сотрудничество и доверие клиентов по всей России. Для постоянных клиентов действует персональная система скидок.
Условия формируются индивидуально и зависят от:
Чтобы узнать свои условия и получить максимально выгодное предложение, свяжитесь с персональным менеджером или напишите нам на почту zakaz@podsnab.ru.
Вы можете оформить заказ несколькими способами:
Для оформления заказа от юридического лица свяжитесь с нашим отделом по работе с корпоративными клиентами по телефону +7 (495) 104-99-04 или напишите на email zakaz@podsnab.ru, прикрепив реквизиты вашей организации.
Мы оперативно подготовим коммерческое предложение и выставим счет.
Возврат товара надлежащего качества возможен в течение 10 дней с момента получения, если товар не был в употреблении, сохранен товарный вид, упаковка не вскрывалась и присутствуют все сопроводительные документы.
Возврат денежных средств осуществляется в течение 10 рабочих дней после проверки товара складом.
В соответствии с законодательством возврату не подлежат подшипники надлежащего качества, если отсутствует оригинальная упаковка или имеются следы монтажа.
В случае выявления брака или гарантийного случая мы гарантируем возврат или обмен товара.
Да, гарантийный срок хранения устанавливается заводом-изготовителем и в среднем составляет 2 года при соблюдении условий хранения: сухое помещение, оригинальная упаковка и смазка.
Точный срок для конкретного типа подшипника уточняйте у наших менеджеров.
Пн–Пт: с 8:00 до 17:00 (МСК).
Сб–Вс: выходные дни.
Заказы на сайте принимаются круглосуточно. Заявки, поступившие после окончания рабочего дня, обрабатываются на следующий рабочий день.
Минимальная сумма заказа для доставки составляет 3000 рублей. Самовывоз со склада возможен на любую сумму при наличии товара.
ООО «УралТехГрупп»
ИНН: 7415093830
КПП: 772401001
ОГРН: 1167456069021
Банк: ПАО Сбербанк
Р/с: 40702810838000475273
К/с: 30101810400000000225
БИК: 044525225
У подшипника NJ 2320 ECM пока нет отзывов. Вы можете стать первым покупателем, поделившимся своим мнением.