Поиск подшипника
Статьи
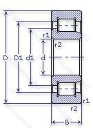
NJ 234 ECM — Роликовый радиальный цилиндрический однорядный подшипник, модификация основного исполнения 234, производство SKF.
Размер подшипника: 170x310x52 мм.
Однорядный цилиндрический роликоподшипник. Наружное кольцо имеет два борта, наружное — один борт.
Международная стандартизации ISO
NJ234ECM
В наличии
| Обозначение | Конструктивные изменения |
|---|---|
| 234К | Роликовый радиальный цилиндрический однорядный подшипник. |
| 234W | Максимальная грузоподъемность. |
| NJ 234 ECML | Однорядный цилиндрический роликовый подшипник. |
| NU 234 ECML | Однорядный цилиндрический роликовый подшипник. |
Модификации цилиндрического роликового подшипника NJ 234 ECM — это измененное основное конструктивное исполнение 234, основные размеры (170x310x52) не отличаются.
| Обозначение | Гост | Конструктивные особенности |
|---|---|---|
| NUP 234 ECM | ISO | Однорядный цилиндрический роликовый подшипник. |
| NU234E | ISO | Повышенная грузоподъемность. |
| NUP234E | ISO | Повышенная грузоподъемность. |
| NJ234-E-M1 + HJ234-E | ISO | Повышенная грузоподъемность. Механически обработанный латунный сепаратор. вращающийся элемент качения (крестовина на заклепках). |
| N234 | ISO | Однорядный цилиндрический роликовый подшипник. Внутреннее кольцо подшипника имеет два борта. Два смещенных на 180° стопорных паза на наружной поверхности наружного кольца подшипника. |
| NUP234R | ISO | С выпуклыми асимметричными роликами и обработанным сепаратором. |
Аналог цилиндрического роликового подшипника NJ 234 ECM — это подшипник такого же размера dx170,Dx310,Bx52, типа и конструкции.
| Обозначение | Конструктивные особенности | Внутренний (d) | Наружный (D) | Ширина (B) |
|---|---|---|---|---|
| 6-2234 КМ | Роликовый радиальный однорядный подшипник. Модифицированный контакт.. | 170.00 | 310.00 | 52.00 |
| 6-46234 Л | Шариковый радиально-упорный однорядный подшипник. Сепаратор из латуни.. | 170.00 | 310.00 | 52.00 |
| 70-32234 М | Роликовый радиальный подшипник. Модифицированный контакт.. | 170.00 | 310.00 | 52.00 |
| 70-42234 ЛМ | Роликовый радиальный однорядный подшипник. Сепаратор из латуни.. Модифицированный контакт.. | 170.00 | 310.00 | 52.00 |
| 70-42234 ЛМ1 | Роликовый радиальный однорядный подшипник. Сепаратор из латуни.. Модифицированный контакт.. | 170.00 | 310.00 | 52.00 |
| 7234A | Роликовый радиальный-упорный однорядный подшипник. Двухрядный радиально-упорный шарикоподшипник без отверстия для смазки. | 170.00 | 310.00 | 52.00 |
| 736234-Т3 | Шариковый радиально-упорный однорядный подшипник. 250°. Температура отпуска. | 170.00 | 310.00 | 52.00 |
| 42234-M | Роликовый радиальный однорядный подшипник. Подшипник с латунным сепаратором. центрированный по телам качения. | 170.00 | 310.00 | 52.00 |
| 42234-Л | Роликовый радиальный однорядный подшипник. Сепаратор из латуни.. | 170.00 | 310.00 | 52.00 |
| 42234-ЛМ | Роликовый радиальный однорядный подшипник. Сепаратор из латуни.. Модифицированный контакт.. | 170.00 | 310.00 | 52.00 |
| 42234-М | Роликовый радиальный однорядный подшипник. Модифицированный контакт.. | 170.00 | 310.00 | 52.00 |
| 42234ЛМ1 | Роликовый радиальный однорядный подшипник. Сепаратор из латуни.. Модифицированный контакт.. | 170.00 | 310.00 | 52.00 |
| 46234-Л | Шариковый радиально-упорный однорядный подшипник. Сепаратор из латуни.. | 170.00 | 310.00 | 52.00 |
| 46234К | Шариковый радиально-упорный однорядный подшипник. «Замок» (скос) на внутреннем кольце плюс массивный сепаратор из текстолита. | 170.00 | 310.00 | 52.00 |
| 5-36234 Л | Шариковый радиально-упорный однорядный подшипник. Сепаратор из латуни.. | 170.00 | 310.00 | 52.00 |
Способы доставки
Отправка через ведущие транспортные и курьерские компании: ПЭК, Деловые Линии, СДЭК, Байкал-Сервис, Энергия, КИТ, ЖелДорЭкспедиция.
Самовывоз возможен напрямую со склада в Москве.
Сроки доставки
Срок зависит от региона и выбранной транспортной компании. Все заказы комплектуются и отправляются в кратчайшие сроки со склада в Москве.
Надёжность и сохранность
Вся продукция упаковывается с учётом требований транспортировки. Мы гарантируем, что подшипники и комплектующие прибудут к заказчику в полной сохранности.
Доставка в страны ЕАЭС
Мы работаем с проверенными логистическими партнёрами, что позволяет оперативно доставлять заказы в Беларусь, Казахстан, Армению и другие страны ЕАЭС.
Варианты оплаты:
Минимальная сумма заказа и скидки:
Документы и гарантии:
Да, конечно! Наши технические специалисты готовы помочь вам с подбором точного аналога или замены подшипника. Просто позвоните нам по телефону +7 (495) 104-99-04 или напишите на почту zakaz@podsnab.ru.
Для оперативной консультации подготовьте, пожалуйста, имеющиеся данные: маркировку, размеры, тип оборудования или артикул старого подшипника.
Да, конечно! Мы высоко ценим долгосрочное сотрудничество и доверие клиентов по всей России. Для постоянных клиентов действует персональная система скидок.
Условия формируются индивидуально и зависят от:
Чтобы узнать свои условия и получить максимально выгодное предложение, свяжитесь с персональным менеджером или напишите нам на почту zakaz@podsnab.ru.
Вы можете оформить заказ несколькими способами:
Для оформления заказа от юридического лица свяжитесь с нашим отделом по работе с корпоративными клиентами по телефону +7 (495) 104-99-04 или напишите на email zakaz@podsnab.ru, прикрепив реквизиты вашей организации.
Мы оперативно подготовим коммерческое предложение и выставим счет.
Возврат товара надлежащего качества возможен в течение 10 дней с момента получения, если товар не был в употреблении, сохранен товарный вид, упаковка не вскрывалась и присутствуют все сопроводительные документы.
Возврат денежных средств осуществляется в течение 10 рабочих дней после проверки товара складом.
В соответствии с законодательством возврату не подлежат подшипники надлежащего качества, если отсутствует оригинальная упаковка или имеются следы монтажа.
В случае выявления брака или гарантийного случая мы гарантируем возврат или обмен товара.
Да, гарантийный срок хранения устанавливается заводом-изготовителем и в среднем составляет 2 года при соблюдении условий хранения: сухое помещение, оригинальная упаковка и смазка.
Точный срок для конкретного типа подшипника уточняйте у наших менеджеров.
Пн–Пт: с 8:00 до 17:00 (МСК).
Сб–Вс: выходные дни.
Заказы на сайте принимаются круглосуточно. Заявки, поступившие после окончания рабочего дня, обрабатываются на следующий рабочий день.
Минимальная сумма заказа для доставки составляет 3000 рублей. Самовывоз со склада возможен на любую сумму при наличии товара.
ООО «УралТехГрупп»
ИНН: 7415093830
КПП: 772401001
ОГРН: 1167456069021
Банк: ПАО Сбербанк
Р/с: 40702810838000475273
К/с: 30101810400000000225
БИК: 044525225
У подшипника NJ 234 ECM пока нет отзывов. Вы можете стать первым покупателем, поделившимся своим мнением.