Поиск подшипника
Статьи
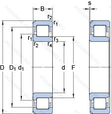
NJ 319 ECN2ML — Роликовый радиальный цилиндрический однорядный подшипник, модификация основного исполнения 319, производство SKF.
Размер подшипника: 95x200x45 мм.
Однорядный цилиндрический роликоподшипник. Наружное кольцо имеет два борта, наружное — один борт.
Международная стандартизации ISO
NJ319ECN2ML
В наличии
| Обозначение | Конструктивные изменения |
|---|---|
| 319 | Роликовый радиальный цилиндрический однорядный подшипник. Основное конструктивное исполнение. |
| N 319 W | Подшипник без смазочных отверстий в наружном кольце. |
| NJ 319 ECML | Однорядный цилиндрический роликовый подшипник. |
| NU 319 ECML | Однорядный цилиндрический роликовый подшипник. |
| NUP 319 ECP | Однорядный цилиндрический роликовый подшипник. |
| NUP 319 ECML | Однорядный цилиндрический роликовый подшипник. |
| NUP 319 ECM | Однорядный цилиндрический роликовый подшипник. |
| QJ 319 N2PHAS | Измененная или модифицированная внутренняя конструкция при неизменных основных размерах. Шариковый подшипник с четырехточечным контактом. |
| QJ 319 N2 | Два установочных паза (выемки), расположенных под углом 180° друг от друга в одной боковой поверхности наружного кольца или шайбе корпуса.. |
| QJ 319 N2 M | Подшипник с латунным сепаратором. центрированный по телам качения. Два установочных паза (выемки), расположенных под углом 180° друг от друга в одной боковой поверхности наружного кольца или шайбе корпуса.. |
| 319/710 | Роликовый радиальный цилиндрический однорядный подшипник. |
| 319/530 | Длина рельса в мм. |
Модификации цилиндрического роликового подшипника NJ 319 ECN2ML — это измененное основное конструктивное исполнение 319, основные размеры (95x200x45) не отличаются.
| Обозначение | Гост | Конструктивные особенности |
|---|---|---|
| 402319-М | ГОСТ | Модифицированный контакт.. |
| 6-402319 М | ГОСТ | Модифицированный контакт.. |
| N319E | ISO | Повышенная грузоподъемность. |
| NUP319E | ISO | Повышенная грузоподъемность. |
| NJ319-E-TVP2 + HJ319-E | ISO | Повышенная грузоподъемность. Твердый сепаратор оконного типа из армированного стекловолокном полиамида. |
| NU319R | ISO | С выпуклыми асимметричными роликами и обработанным сепаратором. |
| NUP319R | ISO | С выпуклыми асимметричными роликами и обработанным сепаратором. |
Аналог цилиндрического роликового подшипника NJ 319 ECN2ML — это подшипник такого же размера dx95,Dx200,Bx45, типа и конструкции.
| Обозначение | Конструктивные особенности | Внутренний (d) | Наружный (D) | Ширина (B) |
|---|---|---|---|---|
| 6319VV | Шариковый радиальный однорядный подшипник. Защитные металлические шайбы. с обеих сторон подшипника. Бесконтактное уплотнение. (лучше. чем ZZ. Можно использовать в умеренно запыленной среде). | 95.00 | 200.00 | 45.00 |
| 60-402319 М | Роликовый радиальный однорядный подшипник. Модифицированный контакт.. | 95.00 | 200.00 | 45.00 |
| 66319-АЛ1 | Шариковый радиально-упорный однорядный подшипник. Сепаратор из латуни.. Повышенная грузоподъемность. | 95.00 | 200.00 | 45.00 |
| 66319-Л | Шариковый радиально-упорный однорядный подшипник. Сепаратор из латуни.. | 95.00 | 200.00 | 45.00 |
| 66319К | Шариковый радиально-упорный однорядный подшипник. «Замок» (скос) на внутреннем кольце плюс массивный сепаратор из текстолита. | 95.00 | 200.00 | 45.00 |
| 70-2319 КМ | Роликовый радиальный однорядный подшипник. Модифицированный контакт.. | 95.00 | 200.00 | 45.00 |
| 70-2319 М | Роликовый радиальный однорядный подшипник. Модифицированный контакт.. | 95.00 | 200.00 | 45.00 |
| 70-32319 М | Роликовый радиальный однорядный подшипник. Модифицированный контакт.. | 95.00 | 200.00 | 45.00 |
| BL 319 ZZ | Шариковый радиальный однорядный подшипник. Защитные металлические шайбы с обеих сторон. | 95.00 | 200.00 | 45.00 |
| 6319LLB | Шариковый радиальный однорядный подшипник. Уплотнение бесконтактного типа из синтетического каучука. | 95.00 | 200.00 | 45.00 |
| 1319K+H319 | Шариковый сферический двухрядный подшипник. Коническое внутреннее отверстие. | 95.00 | 200.00 | 45.00 |
| 42319-М | Роликовый радиальный однорядный подшипник. Модифицированный контакт.. | 95.00 | 200.00 | 45.00 |
| 42319M | Роликовый радиальный однорядный подшипник. Подшипник с латунным сепаратором. центрированный по телам качения. | 95.00 | 200.00 | 45.00 |
| 46319К | Шариковый радиально-упорный однорядный подшипник. «Замок» (скос) на внутреннем кольце плюс массивный сепаратор из текстолита. | 95.00 | 200.00 | 45.00 |
| 5-66319 Л5 | Шариковый радиально-упорный однорядный подшипник. Сепаратор из латуни.. | 95.00 | 200.00 | 45.00 |
Способы доставки
Отправка через ведущие транспортные и курьерские компании: ПЭК, Деловые Линии, СДЭК, Байкал-Сервис, Энергия, КИТ, ЖелДорЭкспедиция.
Самовывоз возможен напрямую со склада в Москве.
Сроки доставки
Срок зависит от региона и выбранной транспортной компании. Все заказы комплектуются и отправляются в кратчайшие сроки со склада в Москве.
Надёжность и сохранность
Вся продукция упаковывается с учётом требований транспортировки. Мы гарантируем, что подшипники и комплектующие прибудут к заказчику в полной сохранности.
Доставка в страны ЕАЭС
Мы работаем с проверенными логистическими партнёрами, что позволяет оперативно доставлять заказы в Беларусь, Казахстан, Армению и другие страны ЕАЭС.
Варианты оплаты:
Минимальная сумма заказа и скидки:
Документы и гарантии:
Да, конечно! Наши технические специалисты готовы помочь вам с подбором точного аналога или замены подшипника. Просто позвоните нам по телефону +7 (495) 104-99-04 или напишите на почту zakaz@podsnab.ru.
Для оперативной консультации подготовьте, пожалуйста, имеющиеся данные: маркировку, размеры, тип оборудования или артикул старого подшипника.
Да, конечно! Мы высоко ценим долгосрочное сотрудничество и доверие клиентов по всей России. Для постоянных клиентов действует персональная система скидок.
Условия формируются индивидуально и зависят от:
Чтобы узнать свои условия и получить максимально выгодное предложение, свяжитесь с персональным менеджером или напишите нам на почту zakaz@podsnab.ru.
Вы можете оформить заказ несколькими способами:
Для оформления заказа от юридического лица свяжитесь с нашим отделом по работе с корпоративными клиентами по телефону +7 (495) 104-99-04 или напишите на email zakaz@podsnab.ru, прикрепив реквизиты вашей организации.
Мы оперативно подготовим коммерческое предложение и выставим счет.
Возврат товара надлежащего качества возможен в течение 10 дней с момента получения, если товар не был в употреблении, сохранен товарный вид, упаковка не вскрывалась и присутствуют все сопроводительные документы.
Возврат денежных средств осуществляется в течение 10 рабочих дней после проверки товара складом.
В соответствии с законодательством возврату не подлежат подшипники надлежащего качества, если отсутствует оригинальная упаковка или имеются следы монтажа.
В случае выявления брака или гарантийного случая мы гарантируем возврат или обмен товара.
Да, гарантийный срок хранения устанавливается заводом-изготовителем и в среднем составляет 2 года при соблюдении условий хранения: сухое помещение, оригинальная упаковка и смазка.
Точный срок для конкретного типа подшипника уточняйте у наших менеджеров.
Пн–Пт: с 8:00 до 17:00 (МСК).
Сб–Вс: выходные дни.
Заказы на сайте принимаются круглосуточно. Заявки, поступившие после окончания рабочего дня, обрабатываются на следующий рабочий день.
Минимальная сумма заказа для доставки составляет 3000 рублей. Самовывоз со склада возможен на любую сумму при наличии товара.
ООО «УралТехГрупп»
ИНН: 7415093830
КПП: 772401001
ОГРН: 1167456069021
Банк: ПАО Сбербанк
Р/с: 40702810838000475273
К/с: 30101810400000000225
БИК: 044525225
У подшипника NJ 319 ECN2ML пока нет отзывов. Вы можете стать первым покупателем, поделившимся своим мнением.