Поиск подшипника
Статьи
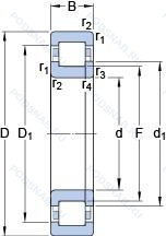
NUP 2318 ECML — Роликовый радиальный цилиндрический однорядный подшипник, модификация основного исполнения 2318, производство SKF.
Размер подшипника: 90x190x64 мм.
Однорядный цилиндрический роликоподшипник. Наружное кольцо имеет два борта, внутреннее — один борт и одно свободное фланцевое кольцо. Основные размеры по DIN 5412-1, относится к подтипу фиксированные подшипники, разъемные, с сепаратором.
Международная стандартизации ISO
NUP2318ECML
В наличии
| Обозначение | Конструктивные изменения |
|---|---|
| 2318-M-C3 | Внутренний зазор больше нормального. Подшипник с латунным сепаратором. центрированный по телам качения. |
| 2318-K-M-C3 | Внутренний зазор больше нормального. Коническое отверстие. Конусность 1/12. Подшипник с латунным сепаратором. центрированный по телам качения. |
| 2318K C3 | Внутренний зазор больше нормального. Коническое отверстие. Конусность 1/12. |
| 2318M | Твердый латунный сепаратор с шариковой направляющей. |
| 2318K | Коническое внутреннее отверстие. |
| 2318 | Роликовый радиальный цилиндрический однорядный подшипник. Основное конструктивное исполнение. |
| 2318KM | Type Of Model. |
| 2318S | Прессованный стальной сепаратор. Только для внутреннего и наружного колец. |
| 2318C3 | Внутренний зазор больше нормального. |
| 2318SK C3 | Внутренний зазор больше нормального. Кулачковый толкатель штифтового типа. С шестигранной головкой. |
| 2318M/C3/R851 | Внутренний зазор больше нормального. Подшипник с латунным сепаратором. центрированный по телам качения. Bearing Modified By SKF. |
| 2318K J30 | Коническое отверстие. конус 1/12. Внутренний зазор больше нормального. |
| BS2-2318-2RS5K/VT143 | Заполнение пластичной смазкой SKF LGEP 2 на 25–35 %. Высокая осевая жесткость и грузоподъемность.. |
| NU 2318 ECML | Однорядный цилиндрический роликовый подшипник. |
| NUP 2318 ECP | Однорядный цилиндрический роликовый подшипник. |
| C 2318 K + AHX 2318 | Тороидальный подшипник CARB. Измененная или модифицированная внутренняя конструкция при неизменных основных размерах. |
| C 2318 K + H 2318 | Тороидальный подшипник CARB. |
| 2318 K + H 2318 | Коническое внутреннее отверстие. Pressed Snap-Type Steel Cage. Hardened. |
| 2318-K-M-C3 + H2318 | Внутренний зазор больше нормального. Коническое отверстие. Конусность 1/12. Подшипник с латунным сепаратором. центрированный по телам качения. |
| 2318SK | Кулачковый толкатель штифтового типа. С шестигранной головкой. Только для внутреннего и наружного колец. |
| NJ 2318 ECM | Однорядный цилиндрический роликовый подшипник. |
Модификации цилиндрического роликового подшипника NUP 2318 ECML — это измененное основное конструктивное исполнение 2318, основные размеры (90x190x64) не отличаются.
| Обозначение | Гост | Конструктивные особенности |
|---|---|---|
| NUP2318E | ISO | Повышенная грузоподъемность. |
| NJ2318-E-TVP2 + HJ2318-E | ISO | Повышенная грузоподъемность. Твердый сепаратор оконного типа из армированного стекловолокном полиамида. |
| NJ2318R | ISO | С выпуклыми асимметричными роликами и обработанным сепаратором. |
| NU2318R | ISO | С выпуклыми асимметричными роликами и обработанным сепаратором. |
| NUP2318R | ISO | С выпуклыми асимметричными роликами и обработанным сепаратором. |
| ZSL19 2318 | ISO | Роликовый радиальный цилиндрический однорядный подшипник. |
Аналог цилиндрического роликового подшипника NUP 2318 ECML — это подшипник такого же размера dx90,Dx190,Bx64, типа и конструкции.
| Обозначение | Конструктивные особенности | Внутренний (d) | Наружный (D) | Ширина (B) |
|---|---|---|---|---|
| NJ2318-E-M6+HJ2318-E | Роликовый радиальный однорядный подшипник. Повышенная грузоподъемность. 20-28 UM (C3 & C4). | 90.00 | 190.00 | 64.00 |
| NJ2318-VH | Роликовый радиальный однорядный подшипник. Полный набор роликов (без сепаратора). Самоудерживающиеся. | 90.00 | 190.00 | 64.00 |
| NU2318-E-MA6 | Роликовый радиальный однорядный подшипник. Повышенная грузоподъемность. Изготовленный из двух частей латунный сепаратор. Центрирование по внешнему кольцу. Различные конструкции или сорта материалов обозначаются цифрой или буквой.. | 90.00 | 190.00 | 64.00 |
| NU2318-E-MPA | Роликовый радиальный однорядный подшипник. Повышенная грузоподъемность. Твердый латунный сепаратор. | 90.00 | 190.00 | 64.00 |
| AR90-34 | Роликовый радиальный-упорный двухрядный подшипник. 2.1/8. | 90.00 | 190.00 | 64.00 |
| NJ2318 MA | Роликовый радиальный однорядный подшипник. Механически обработанный латунный сепаратор. Центрирование по внешнему кольцу. | 90.00 | 190.00 | 64.00 |
| 42618-Л | Роликовый радиальный однорядный подшипник. Сепаратор из латуни.. | 90.00 | 190.00 | 64.00 |
| 42618-ЛМ | Роликовый радиальный однорядный подшипник. Сепаратор из латуни.. Модифицированный контакт.. | 90.00 | 190.00 | 64.00 |
| 50-153618 Н | Роликовый радиальный двухрядный подшипник. Детали из теплостойкой стали. | 90.00 | 190.00 | 64.00 |
| 53618-Е | Роликовый радиальный двухрядный подшипник. Сепаратор из текстолита.. | 90.00 | 190.00 | 64.00 |
| 53618-Л | Роликовый радиальный двухрядный подшипник. Сепаратор из латуни.. | 90.00 | 190.00 | 64.00 |
| 53618-Н | Роликовый радиальный двухрядный подшипник. Детали из теплостойкой стали. | 90.00 | 190.00 | 64.00 |
| 53618-НЕ | Роликовый радиальный двухрядный подшипник. Сепаратор из текстолита.. Детали из теплостойкой стали. | 90.00 | 190.00 | 64.00 |
| 53618-Т | Роликовый радиальный двухрядный подшипник. Температура отпуска. 160°. | 90.00 | 190.00 | 64.00 |
| 53618ЛН | Роликовый радиальный двухрядный подшипник. Детали из теплостойкой стали. Сепаратор из латуни.. | 90.00 | 190.00 | 64.00 |
Способы доставки
Отправка через ведущие транспортные и курьерские компании: ПЭК, Деловые Линии, СДЭК, Байкал-Сервис, Энергия, КИТ, ЖелДорЭкспедиция.
Самовывоз возможен напрямую со склада в Москве.
Сроки доставки
Срок зависит от региона и выбранной транспортной компании. Все заказы комплектуются и отправляются в кратчайшие сроки со склада в Москве.
Надёжность и сохранность
Вся продукция упаковывается с учётом требований транспортировки. Мы гарантируем, что подшипники и комплектующие прибудут к заказчику в полной сохранности.
Доставка в страны ЕАЭС
Мы работаем с проверенными логистическими партнёрами, что позволяет оперативно доставлять заказы в Беларусь, Казахстан, Армению и другие страны ЕАЭС.
Варианты оплаты:
Минимальная сумма заказа и скидки:
Документы и гарантии:
Да, конечно! Наши технические специалисты готовы помочь вам с подбором точного аналога или замены подшипника. Просто позвоните нам по телефону +7 (495) 104-99-04 или напишите на почту zakaz@podsnab.ru.
Для оперативной консультации подготовьте, пожалуйста, имеющиеся данные: маркировку, размеры, тип оборудования или артикул старого подшипника.
Да, конечно! Мы высоко ценим долгосрочное сотрудничество и доверие клиентов по всей России. Для постоянных клиентов действует персональная система скидок.
Условия формируются индивидуально и зависят от:
Чтобы узнать свои условия и получить максимально выгодное предложение, свяжитесь с персональным менеджером или напишите нам на почту zakaz@podsnab.ru.
Вы можете оформить заказ несколькими способами:
Для оформления заказа от юридического лица свяжитесь с нашим отделом по работе с корпоративными клиентами по телефону +7 (495) 104-99-04 или напишите на email zakaz@podsnab.ru, прикрепив реквизиты вашей организации.
Мы оперативно подготовим коммерческое предложение и выставим счет.
Возврат товара надлежащего качества возможен в течение 10 дней с момента получения, если товар не был в употреблении, сохранен товарный вид, упаковка не вскрывалась и присутствуют все сопроводительные документы.
Возврат денежных средств осуществляется в течение 10 рабочих дней после проверки товара складом.
В соответствии с законодательством возврату не подлежат подшипники надлежащего качества, если отсутствует оригинальная упаковка или имеются следы монтажа.
В случае выявления брака или гарантийного случая мы гарантируем возврат или обмен товара.
Да, гарантийный срок хранения устанавливается заводом-изготовителем и в среднем составляет 2 года при соблюдении условий хранения: сухое помещение, оригинальная упаковка и смазка.
Точный срок для конкретного типа подшипника уточняйте у наших менеджеров.
Пн–Пт: с 8:00 до 17:00 (МСК).
Сб–Вс: выходные дни.
Заказы на сайте принимаются круглосуточно. Заявки, поступившие после окончания рабочего дня, обрабатываются на следующий рабочий день.
Минимальная сумма заказа для доставки составляет 3000 рублей. Самовывоз со склада возможен на любую сумму при наличии товара.
ООО «УралТехГрупп»
ИНН: 7415093830
КПП: 772401001
ОГРН: 1167456069021
Банк: ПАО Сбербанк
Р/с: 40702810838000475273
К/с: 30101810400000000225
БИК: 044525225
У подшипника NUP 2318 ECML пока нет отзывов. Вы можете стать первым покупателем, поделившимся своим мнением.