Поиск подшипника
Статьи
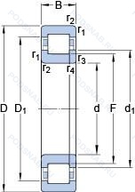
NUP 2216 ECML — Роликовый радиальный цилиндрический однорядный подшипник, модификация основного исполнения 2216, производство SKF.
Размер подшипника: 80x140x33 мм.
Однорядный цилиндрический роликоподшипник. Наружное кольцо имеет два борта, внутреннее — один борт и одно свободное фланцевое кольцо. Основные размеры по DIN 5412-1, относится к подтипу фиксированные подшипники, разъемные, с сепаратором.
Международная стандартизации ISO
NUP2216ECML
В наличии
| Обозначение | Конструктивные изменения |
|---|---|
| 2216G15 | Литой сепаратор из полиамида 6.6. армированного стекловолокном. Центрированный элемент качения.. |
| 2216KJC3 | Внутренний зазор больше нормального. Коническое отверстие 1/12. Сепаратор из стали. |
| 2216E/TG | Повышенная грузоподъемность. Прочный сепаратор из полиамида. армированного стекловолокном. |
| 2216EK/TG | Коническое отверстие. конус 1/12. Повышенная грузоподъемность. сепаратор из полиамида 6.6. армированного стекловолокном. |
| 2216K NF | Коническое отверстие. конус 1/12. Полированный подшипник и детали подшипника. |
| 2216K TNG C3 | Внутренний зазор больше нормального. Коническое отверстие. конус 1/12. Прочный сепаратор из полиамида. армированного стекловолокном. |
| 2216TNGC3 | Внутренний зазор больше нормального. Прочный сепаратор из полиамида. армированного стекловолокном. |
| 2216-TVH-C3 | Внутренний зазор больше нормального. Массивный сепаратор из армированного стекловолокном полиамида PA66. |
| 2216K TNG | Коническое отверстие. конус 1/12. Обработанный сепаратор изготовлен из полиамида или аналогичного пластика со стекловолокном. Роликовые элементы центрированы. |
| 2216EK TNG C3 | Внутренний зазор больше нормального. Коническое отверстие. конус 1/12. Шарикоподшипник. Однорядный электродвигатель. Уровень шума. Прочный сепаратор из полиамида. армированного стекловолокном. |
| 2216K G15 J30 | Коническое отверстие. конус 1/12. Внутренний зазор больше нормального. Литой сепаратор из полиамида 6.6. армированного стекловолокном. Центрированный элемент качения.. |
| 2216ETN9/C3 | Внутренний зазор больше нормального. Оптимизированный внутренний дизайн. Литая защелкивающаяся клетка из полиамида 6.6. армированного стекловолокном с шариковой центрировкой.. |
| BS2-2216-2CSK/VT143 | Заполнение пластичной смазкой SKF LGEP 2 на 25–35 %. Высокая осевая жесткость и грузоподъемность.. |
| NUP 2216 ECM | Однорядный цилиндрический роликовый подшипник. |
| NJ 2216 ECML | Однорядный цилиндрический роликовый подшипник. |
| BHA 2216 Z | щит из листовой прессованной стали с одной стороны подшипника. |
| C 2216 KV | Тороидальный подшипник CARB. Ball Bearing. Conrad (Non-Filling Slot) Type. |
| 2216-K+H316 | Коническое внутреннее отверстие. |
| 2216-K-TVH-C3 + H316 | Внутренний зазор больше нормального. Коническое отверстие. Конусность 1/12. Твердая клетка из полиамида. |
| 2216 TN9 | Литой защелкивающийся сепаратор из полиамида. армированного стекловолокном 6.6. |
| 2216-2RS | Резиновые уплотнения с каждой стороны подшипника. |
| 2216S | Запечатанная версия кулачкового ролика. Только для внутреннего и наружного колец. |
| 2216SK | Кулачковый толкатель штифтового типа. С шестигранной головкой. Только для внутреннего и наружного колец. |
| PCZ 2216 E | Повышенная грузоподъемность. |
| PCZ 2216 M | Подшипник с латунным сепаратором. центрированный по телам качения. |
Модификации цилиндрического роликового подшипника NUP 2216 ECML — это измененное основное конструктивное исполнение 2216, основные размеры (80x140x33) не отличаются.
| Обозначение | Гост | Конструктивные особенности |
|---|---|---|
| NUP2216E | ISO | Повышенная грузоподъемность. |
| NJ2216-E-TVP2 + HJ216-E | ISO | Повышенная грузоподъемность. Твердый сепаратор оконного типа из армированного стекловолокном полиамида. |
| NU2216R | ISO | С выпуклыми асимметричными роликами и обработанным сепаратором. |
| NUP2216R | ISO | С выпуклыми асимметричными роликами и обработанным сепаратором. |
Аналог цилиндрического роликового подшипника NUP 2216 ECML — это подшипник такого же размера dx80,Dx140,Bx33, типа и конструкции.
| Обозначение | Конструктивные особенности | Внутренний (d) | Наружный (D) | Ширина (B) |
|---|---|---|---|---|
| NU2216-E-MPA | Роликовый радиальный однорядный подшипник. Повышенная грузоподъемность. Твердый латунный сепаратор. | 80.00 | 140.00 | 33.00 |
| NU2216-E-M6 | Роликовый радиальный однорядный подшипник. Повышенная грузоподъемность. 20-28 UM (C3 & C4). | 80.00 | 140.00 | 33.00 |
| NU2216-E-MA6 | Роликовый радиальный однорядный подшипник. Повышенная грузоподъемность. Изготовленный из двух частей латунный сепаратор. Центрирование по внешнему кольцу. Различные конструкции или сорта материалов обозначаются цифрой или буквой.. | 80.00 | 140.00 | 33.00 |
| 97516A | Роликовый радиальный-упорный двухрядный подшипник. Двухрядный радиально-упорный шарикоподшипник без отверстия для смазки. | 80.00 | 140.00 | 33.00 |
| 70-42516 ЛМ | Роликовый радиальный однорядный подшипник. Сепаратор из латуни.. Модифицированный контакт.. | 80.00 | 140.00 | 33.00 |
| 7516A | Роликовый радиальный-упорный однорядный подшипник. Двухрядный радиально-упорный шарикоподшипник без отверстия для смазки. | 80.00 | 140.00 | 33.00 |
| 42516-Л | Роликовый радиальный однорядный подшипник. Сепаратор из латуни.. | 80.00 | 140.00 | 33.00 |
| 42516-ЛМ | Роликовый радиальный однорядный подшипник. Сепаратор из латуни.. Модифицированный контакт.. | 80.00 | 140.00 | 33.00 |
| 42516ЛM | Роликовый радиальный однорядный подшипник. Подшипник с латунным сепаратором. центрированный по телам качения. Сепаратор из латуни.. | 80.00 | 140.00 | 33.00 |
| 53516-Ш | Роликовый радиальный двухрядный подшипник. Нормы шумности. | 80.00 | 140.00 | 33.00 |
| 53516-Е | Роликовый радиальный двухрядный подшипник. Сепаратор из текстолита.. | 80.00 | 140.00 | 33.00 |
| 53516-ЕШ | Роликовый радиальный двухрядный подшипник. Сепаратор из текстолита.. Нормы шумности. | 80.00 | 140.00 | 33.00 |
| 53516-Н | Роликовый радиальный двухрядный подшипник. Детали из теплостойкой стали. | 80.00 | 140.00 | 33.00 |
| 53516-НЕ | Роликовый радиальный двухрядный подшипник. Сепаратор из текстолита.. Детали из теплостойкой стали. | 80.00 | 140.00 | 33.00 |
| 53516-НК | Роликовый радиальный двухрядный подшипник. Кольцевая проточка на середине цилиндрической наружной поверхности наружного кольца плюс три отверстия для смазки. Детали из теплостойкой стали. | 80.00 | 140.00 | 33.00 |
Способы доставки
Отправка через ведущие транспортные и курьерские компании: ПЭК, Деловые Линии, СДЭК, Байкал-Сервис, Энергия, КИТ, ЖелДорЭкспедиция.
Самовывоз возможен напрямую со склада в Москве.
Сроки доставки
Срок зависит от региона и выбранной транспортной компании. Все заказы комплектуются и отправляются в кратчайшие сроки со склада в Москве.
Надёжность и сохранность
Вся продукция упаковывается с учётом требований транспортировки. Мы гарантируем, что подшипники и комплектующие прибудут к заказчику в полной сохранности.
Доставка в страны ЕАЭС
Мы работаем с проверенными логистическими партнёрами, что позволяет оперативно доставлять заказы в Беларусь, Казахстан, Армению и другие страны ЕАЭС.
Варианты оплаты:
Минимальная сумма заказа и скидки:
Документы и гарантии:
Да, конечно! Наши технические специалисты готовы помочь вам с подбором точного аналога или замены подшипника. Просто позвоните нам по телефону +7 (495) 104-99-04 или напишите на почту zakaz@podsnab.ru.
Для оперативной консультации подготовьте, пожалуйста, имеющиеся данные: маркировку, размеры, тип оборудования или артикул старого подшипника.
Да, конечно! Мы высоко ценим долгосрочное сотрудничество и доверие клиентов по всей России. Для постоянных клиентов действует персональная система скидок.
Условия формируются индивидуально и зависят от:
Чтобы узнать свои условия и получить максимально выгодное предложение, свяжитесь с персональным менеджером или напишите нам на почту zakaz@podsnab.ru.
Вы можете оформить заказ несколькими способами:
Для оформления заказа от юридического лица свяжитесь с нашим отделом по работе с корпоративными клиентами по телефону +7 (495) 104-99-04 или напишите на email zakaz@podsnab.ru, прикрепив реквизиты вашей организации.
Мы оперативно подготовим коммерческое предложение и выставим счет.
Возврат товара надлежащего качества возможен в течение 10 дней с момента получения, если товар не был в употреблении, сохранен товарный вид, упаковка не вскрывалась и присутствуют все сопроводительные документы.
Возврат денежных средств осуществляется в течение 10 рабочих дней после проверки товара складом.
В соответствии с законодательством возврату не подлежат подшипники надлежащего качества, если отсутствует оригинальная упаковка или имеются следы монтажа.
В случае выявления брака или гарантийного случая мы гарантируем возврат или обмен товара.
Да, гарантийный срок хранения устанавливается заводом-изготовителем и в среднем составляет 2 года при соблюдении условий хранения: сухое помещение, оригинальная упаковка и смазка.
Точный срок для конкретного типа подшипника уточняйте у наших менеджеров.
Пн–Пт: с 8:00 до 17:00 (МСК).
Сб–Вс: выходные дни.
Заказы на сайте принимаются круглосуточно. Заявки, поступившие после окончания рабочего дня, обрабатываются на следующий рабочий день.
Минимальная сумма заказа для доставки составляет 3000 рублей. Самовывоз со склада возможен на любую сумму при наличии товара.
ООО «УралТехГрупп»
ИНН: 7415093830
КПП: 772401001
ОГРН: 1167456069021
Банк: ПАО Сбербанк
Р/с: 40702810838000475273
К/с: 30101810400000000225
БИК: 044525225
У подшипника NUP 2216 ECML пока нет отзывов. Вы можете стать первым покупателем, поделившимся своим мнением.