Поиск подшипника
Статьи
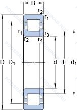
NUP 221 ECML — Роликовый радиальный цилиндрический однорядный подшипник, модификация основного исполнения 221, производство SKF.
Размер подшипника: 105x190x36 мм.
Однорядный цилиндрический роликоподшипник. Наружное кольцо имеет два борта, внутреннее — один борт и одно свободное фланцевое кольцо. Основные размеры по DIN 5412-1, относится к подтипу фиксированные подшипники, разъемные, с сепаратором.
Международная стандартизации ISO
NUP221ECML
В наличии
| Обозначение | Конструктивные изменения |
|---|---|
| 221W | Радиальный подшипник. Тип заправочного паза. |
| 221 | Роликовый радиальный цилиндрический однорядный подшипник. Основное конструктивное исполнение. |
| 221V | Snap Ring Is On Seal Side. |
| 221KG | Серия с закрепительной втулкой и смазочным отверстием. |
| 221SFF | Single Row Radial Conrad-Type Bearings. Металлическое уплотнение с двух сторон. |
| 221A | Двухрядный радиально-упорный шарикоподшипник без отверстия для смазки. |
| NJ 221 ECN2ML | Однорядный цилиндрический роликовый подшипник. |
| NJ 221 ECML | Однорядный цилиндрический роликовый подшипник. |
| NU 221 ECML | Однорядный цилиндрический роликовый подшипник. |
| NUP 221 ECP | Однорядный цилиндрический роликовый подшипник. |
| 221К | Роликовый радиальный цилиндрический однорядный подшипник. |
Модификации цилиндрического роликового подшипника NUP 221 ECML — это измененное основное конструктивное исполнение 221, основные размеры (105x190x36) не отличаются.
| Обозначение | Гост | Конструктивные особенности |
|---|---|---|
| NUP221 E | ISO | Повышенная грузоподъемность. |
| NJ221-E-TVP2 + HJ221-E | ISO | Повышенная грузоподъемность. Твердый сепаратор оконного типа из армированного стекловолокном полиамида. |
Аналог цилиндрического роликового подшипника NUP 221 ECML — это подшипник такого же размера dx105,Dx190,Bx36, типа и конструкции.
| Обозначение | Конструктивные особенности | Внутренний (d) | Наружный (D) | Ширина (B) |
|---|---|---|---|---|
| 6221-2RU | Шариковый радиальный однорядный подшипник. Non Contact Type Friction Torque = Small High Speed Performance = Good Grease Sealing = Better Than ZZ-Type Dirt Resistance = Better Than ZZ-Type Water Resistance = Better Than ZZ / Inferior To 2RS Operating Temp. -30°C To + 100°C. | 105.00 | 190.00 | 36.00 |
| 6221ZX | Шариковый радиальный однорядный подшипник. Съемная защитная шайба с одной стороны. | 105.00 | 190.00 | 36.00 |
| 6221-RSR | Шариковый радиальный однорядный подшипник. Контактное уплотнение с одной стороны. Радиальный тип. | 105.00 | 190.00 | 36.00 |
| 6221VV | Шариковый радиальный однорядный подшипник. Защитные металлические шайбы. с обеих сторон подшипника. Бесконтактное уплотнение. (лучше. чем ZZ. Можно использовать в умеренно запыленной среде). | 105.00 | 190.00 | 36.00 |
| BL 221 ZZ | Шариковый радиальный однорядный подшипник. Защитные металлические шайбы с обеих сторон. | 105.00 | 190.00 | 36.00 |
| BL 221 Z | Шариковый радиальный однорядный подшипник. щит из листовой прессованной стали с одной стороны подшипника. | 105.00 | 190.00 | 36.00 |
| 6-32221 Д | Роликовый радиальный подшипник. Сепаратор из алюминиевого сплава.. | 105.00 | 190.00 | 36.00 |
| 6-42221 ЛШ2 | Роликовый радиальный однорядный подшипник. Сепаратор из латуни.. Нормы шумности. | 105.00 | 190.00 | 36.00 |
| 6-92721 Т1 | Роликовый радиальный однорядный подшипник. 180°. Температура отпуска. | 105.00 | 190.00 | 36.00 |
| 7221A | Роликовый радиальный-упорный однорядный подшипник. Двухрядный радиально-упорный шарикоподшипник без отверстия для смазки. | 105.00 | 190.00 | 36.00 |
| 6221LLUNR | Шариковый радиальный однорядный подшипник. Канавка и стопорное кольцо на наружном кольце. Двухкромочное нитриловое контактное уплотнение. | 105.00 | 190.00 | 36.00 |
| 6221LLB | Шариковый радиальный однорядный подшипник. Уплотнение бесконтактного типа из синтетического каучука. | 105.00 | 190.00 | 36.00 |
| 6221-RS1 | Шариковый радиальный однорядный подшипник. Резиновое уплотнение с одной стороны. | 105.00 | 190.00 | 36.00 |
| 42221-Л | Роликовый радиальный однорядный подшипник. Сепаратор из латуни.. | 105.00 | 190.00 | 36.00 |
| 42221-М | Роликовый радиальный однорядный подшипник. Модифицированный контакт.. | 105.00 | 190.00 | 36.00 |
Способы доставки
Отправка через ведущие транспортные и курьерские компании: ПЭК, Деловые Линии, СДЭК, Байкал-Сервис, Энергия, КИТ, ЖелДорЭкспедиция.
Самовывоз возможен напрямую со склада в Москве.
Сроки доставки
Срок зависит от региона и выбранной транспортной компании. Все заказы комплектуются и отправляются в кратчайшие сроки со склада в Москве.
Надёжность и сохранность
Вся продукция упаковывается с учётом требований транспортировки. Мы гарантируем, что подшипники и комплектующие прибудут к заказчику в полной сохранности.
Доставка в страны ЕАЭС
Мы работаем с проверенными логистическими партнёрами, что позволяет оперативно доставлять заказы в Беларусь, Казахстан, Армению и другие страны ЕАЭС.
Варианты оплаты:
Минимальная сумма заказа и скидки:
Документы и гарантии:
Да, конечно! Наши технические специалисты готовы помочь вам с подбором точного аналога или замены подшипника. Просто позвоните нам по телефону +7 (495) 104-99-04 или напишите на почту zakaz@podsnab.ru.
Для оперативной консультации подготовьте, пожалуйста, имеющиеся данные: маркировку, размеры, тип оборудования или артикул старого подшипника.
Да, конечно! Мы высоко ценим долгосрочное сотрудничество и доверие клиентов по всей России. Для постоянных клиентов действует персональная система скидок.
Условия формируются индивидуально и зависят от:
Чтобы узнать свои условия и получить максимально выгодное предложение, свяжитесь с персональным менеджером или напишите нам на почту zakaz@podsnab.ru.
Вы можете оформить заказ несколькими способами:
Для оформления заказа от юридического лица свяжитесь с нашим отделом по работе с корпоративными клиентами по телефону +7 (495) 104-99-04 или напишите на email zakaz@podsnab.ru, прикрепив реквизиты вашей организации.
Мы оперативно подготовим коммерческое предложение и выставим счет.
Возврат товара надлежащего качества возможен в течение 10 дней с момента получения, если товар не был в употреблении, сохранен товарный вид, упаковка не вскрывалась и присутствуют все сопроводительные документы.
Возврат денежных средств осуществляется в течение 10 рабочих дней после проверки товара складом.
В соответствии с законодательством возврату не подлежат подшипники надлежащего качества, если отсутствует оригинальная упаковка или имеются следы монтажа.
В случае выявления брака или гарантийного случая мы гарантируем возврат или обмен товара.
Да, гарантийный срок хранения устанавливается заводом-изготовителем и в среднем составляет 2 года при соблюдении условий хранения: сухое помещение, оригинальная упаковка и смазка.
Точный срок для конкретного типа подшипника уточняйте у наших менеджеров.
Пн–Пт: с 8:00 до 17:00 (МСК).
Сб–Вс: выходные дни.
Заказы на сайте принимаются круглосуточно. Заявки, поступившие после окончания рабочего дня, обрабатываются на следующий рабочий день.
Минимальная сумма заказа для доставки составляет 3000 рублей. Самовывоз со склада возможен на любую сумму при наличии товара.
ООО «УралТехГрупп»
ИНН: 7415093830
КПП: 772401001
ОГРН: 1167456069021
Банк: ПАО Сбербанк
Р/с: 40702810838000475273
К/с: 30101810400000000225
БИК: 044525225
У подшипника NUP 221 ECML пока нет отзывов. Вы можете стать первым покупателем, поделившимся своим мнением.