Поиск подшипника
Статьи
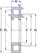
NUP 2220 ECML — Роликовый радиальный цилиндрический однорядный подшипник, модификация основного исполнения 2220, производство SKF.
Размер подшипника: 100x180x46 мм.
Однорядный цилиндрический роликоподшипник. Наружное кольцо имеет два борта, внутреннее — один борт и одно свободное фланцевое кольцо. Основные размеры по DIN 5412-1, относится к подтипу фиксированные подшипники, разъемные, с сепаратором.
Международная стандартизации ISO
NUP2220ECML
В наличии
| Обозначение | Конструктивные изменения |
|---|---|
| 2220K | Коническое внутреннее отверстие. |
| 2220KM C3 | Внутренний зазор больше нормального. Type Of Model. |
| 2220K C3 | Внутренний зазор больше нормального. Коническое отверстие. Конусность 1/12. |
| 2220M | Твердый латунный сепаратор с шариковой направляющей. |
| 2220CCK C3 | Внутренний зазор больше нормального. Коническое отверстие. конус 1/12. |
| 2220SK | Кулачковый толкатель штифтового типа. С шестигранной головкой. Только для внутреннего и наружного колец. |
| 2220VK B33 J30 | Внутренний зазор больше нормального. W33 (SKF)= смазочная канавка и три отверстия в наружном кольце подшипника. Подшипники с четырехточечным контактом с радиальным предварительным натягом от 0 до 15 мкм. |
| 2220S C3 | Прессованный стальной сепаратор. Внутренний зазор больше нормального. |
| 2220SKC3 | Прессованный стальной сепаратор. Внутренний зазор больше нормального. Коническое отверстие. конус 1/12. |
| 2220W C3 | Внутренний зазор больше нормального. Цельный прессованный сепаратор. |
| 2220S | Прессованный стальной сепаратор. Только для внутреннего и наружного колец. |
| 2220C4 | Внутренний зазор подшипника больше. чем C3. |
| BS2-2220-2RS5K/VT143 | Заполнение пластичной смазкой SKF LGEP 2 на 25–35 %. Высокая осевая жесткость и грузоподъемность.. |
| BS2-2220-2CS5/VT143 | Контактное уплотнение из листовой стали, усиленное гидрогенизированным акрилонитрил-бутадиеновым каучуком (HNBR) с обеих сторон. Свободное пространство в подшипнике на 70–100 % заполнено высокотемпературной смазкой.. Заполнение пластичной смазкой SKF LGEP 2 на 25–35 %. Высокая осевая жесткость и грузоподъемность.. |
| NU 2220 ECNML | Однорядный цилиндрический роликовый подшипник. |
| NJ 2220 ECM | Однорядный цилиндрический роликовый подшипник. |
| NJ 2220 ECML | Однорядный цилиндрический роликовый подшипник. |
| BHA 2220 Z | щит из листовой прессованной стали с одной стороны подшипника. |
| BS2-2220-2CS5K/VT143 + H 2320 E | Повышенная грузоподъемность. Pressed Snap-Type Steel Cage. Hardened. Заполнение пластичной смазкой SKF LGEP 2 на 25–35 %. Высокая осевая жесткость и грузоподъемность.. |
| C 2220 K + AHX 320 | Тороидальный подшипник CARB. Коническое отверстие. Конусность 1/12. Измененная или модифицированная внутренняя конструкция при неизменных основных размерах. |
| MFJL-2220L | Одно механическое уплотнение. |
| 2220K+H320 | Коническое внутреннее отверстие. |
| 2220-K-M-C3 + H320 | Внутренний зазор больше нормального. Коническое отверстие. Конусность 1/12. Подшипник с латунным сепаратором. центрированный по телам качения. |
| 2220-2RS | Резиновые уплотнения с каждой стороны подшипника. |
| NU 2220 ECM | Однорядный цилиндрический роликовый подшипник. |
Модификации цилиндрического роликового подшипника NUP 2220 ECML — это измененное основное конструктивное исполнение 2220, основные размеры (100x180x46) не отличаются.
| Обозначение | Гост | Конструктивные особенности |
|---|---|---|
| NUB 220 ECJ | ISO | Два стальных сепаратора оконного типа. внутреннее кольцо без фланца. направляющее кольцо с усиленным роликом. |
| NUP2220E | ISO | Повышенная грузоподъемность. |
| NJ2220-E-TVP2 + HJ2220-E | ISO | Повышенная грузоподъемность. Твердый сепаратор оконного типа из армированного стекловолокном полиамида. |
| SL18 2220 | ISO | Роликовый радиальный цилиндрический однорядный подшипник. |
| NU2220R | ISO | С выпуклыми асимметричными роликами и обработанным сепаратором. |
| NUP2220R | ISO | С выпуклыми асимметричными роликами и обработанным сепаратором. |
Аналог цилиндрического роликового подшипника NUP 2220 ECML — это подшипник такого же размера dx100,Dx180,Bx46, типа и конструкции.
| Обозначение | Конструктивные особенности | Внутренний (d) | Наружный (D) | Ширина (B) |
|---|---|---|---|---|
| 97520A | Роликовый радиальный-упорный двухрядный подшипник. Двухрядный радиально-упорный шарикоподшипник без отверстия для смазки. | 100.00 | 180.00 | 46.00 |
| 6-32520 Е | Роликовый радиальный однорядный подшипник. Сепаратор из текстолита.. | 100.00 | 180.00 | 46.00 |
| 6-32520 М | Роликовый радиальный однорядный подшипник. Модифицированный контакт.. | 100.00 | 180.00 | 46.00 |
| 70-32520 М | Роликовый радиальный однорядный подшипник. Модифицированный контакт.. | 100.00 | 180.00 | 46.00 |
| 70-42520 М | Роликовый радиальный однорядный подшипник. Модифицированный контакт.. | 100.00 | 180.00 | 46.00 |
| 7520A | Роликовый радиальный-упорный однорядный подшипник. Двухрядный радиально-упорный шарикоподшипник без отверстия для смазки. | 100.00 | 180.00 | 46.00 |
| 42520-Е | Роликовый радиальный однорядный подшипник. Сепаратор из текстолита.. | 100.00 | 180.00 | 46.00 |
| 42520-М | Роликовый радиальный однорядный подшипник. Модифицированный контакт.. | 100.00 | 180.00 | 46.00 |
| 42520-МУ | Роликовый радиальный однорядный подшипник. Дополнительные технические требования. Модифицированный контакт.. | 100.00 | 180.00 | 46.00 |
| 42520EM | Роликовый радиальный однорядный подшипник. Стандартный фланцевый ( с резьбой и сквозным отверстием). | 100.00 | 180.00 | 46.00 |
| 42520M | Роликовый радиальный однорядный подшипник. Подшипник с латунным сепаратором. центрированный по телам качения. | 100.00 | 180.00 | 46.00 |
| 42520ЛM | Роликовый радиальный однорядный подшипник. Подшипник с латунным сепаратором. центрированный по телам качения. Сепаратор из латуни.. | 100.00 | 180.00 | 46.00 |
| 53520-Е | Роликовый радиальный двухрядный подшипник. Сепаратор из текстолита.. | 100.00 | 180.00 | 46.00 |
| 53520-Н | Роликовый радиальный двухрядный подшипник. Детали из теплостойкой стали. | 100.00 | 180.00 | 46.00 |
| 53520-НЕ | Роликовый радиальный двухрядный подшипник. Сепаратор из текстолита.. Детали из теплостойкой стали. | 100.00 | 180.00 | 46.00 |
Способы доставки
Отправка через ведущие транспортные и курьерские компании: ПЭК, Деловые Линии, СДЭК, Байкал-Сервис, Энергия, КИТ, ЖелДорЭкспедиция.
Самовывоз возможен напрямую со склада в Москве.
Сроки доставки
Срок зависит от региона и выбранной транспортной компании. Все заказы комплектуются и отправляются в кратчайшие сроки со склада в Москве.
Надёжность и сохранность
Вся продукция упаковывается с учётом требований транспортировки. Мы гарантируем, что подшипники и комплектующие прибудут к заказчику в полной сохранности.
Доставка в страны ЕАЭС
Мы работаем с проверенными логистическими партнёрами, что позволяет оперативно доставлять заказы в Беларусь, Казахстан, Армению и другие страны ЕАЭС.
Варианты оплаты:
Минимальная сумма заказа и скидки:
Документы и гарантии:
Да, конечно! Наши технические специалисты готовы помочь вам с подбором точного аналога или замены подшипника. Просто позвоните нам по телефону +7 (495) 104-99-04 или напишите на почту zakaz@podsnab.ru.
Для оперативной консультации подготовьте, пожалуйста, имеющиеся данные: маркировку, размеры, тип оборудования или артикул старого подшипника.
Да, конечно! Мы высоко ценим долгосрочное сотрудничество и доверие клиентов по всей России. Для постоянных клиентов действует персональная система скидок.
Условия формируются индивидуально и зависят от:
Чтобы узнать свои условия и получить максимально выгодное предложение, свяжитесь с персональным менеджером или напишите нам на почту zakaz@podsnab.ru.
Вы можете оформить заказ несколькими способами:
Для оформления заказа от юридического лица свяжитесь с нашим отделом по работе с корпоративными клиентами по телефону +7 (495) 104-99-04 или напишите на email zakaz@podsnab.ru, прикрепив реквизиты вашей организации.
Мы оперативно подготовим коммерческое предложение и выставим счет.
Возврат товара надлежащего качества возможен в течение 10 дней с момента получения, если товар не был в употреблении, сохранен товарный вид, упаковка не вскрывалась и присутствуют все сопроводительные документы.
Возврат денежных средств осуществляется в течение 10 рабочих дней после проверки товара складом.
В соответствии с законодательством возврату не подлежат подшипники надлежащего качества, если отсутствует оригинальная упаковка или имеются следы монтажа.
В случае выявления брака или гарантийного случая мы гарантируем возврат или обмен товара.
Да, гарантийный срок хранения устанавливается заводом-изготовителем и в среднем составляет 2 года при соблюдении условий хранения: сухое помещение, оригинальная упаковка и смазка.
Точный срок для конкретного типа подшипника уточняйте у наших менеджеров.
Пн–Пт: с 8:00 до 17:00 (МСК).
Сб–Вс: выходные дни.
Заказы на сайте принимаются круглосуточно. Заявки, поступившие после окончания рабочего дня, обрабатываются на следующий рабочий день.
Минимальная сумма заказа для доставки составляет 3000 рублей. Самовывоз со склада возможен на любую сумму при наличии товара.
ООО «УралТехГрупп»
ИНН: 7415093830
КПП: 772401001
ОГРН: 1167456069021
Банк: ПАО Сбербанк
Р/с: 40702810838000475273
К/с: 30101810400000000225
БИК: 044525225
У подшипника NUP 2220 ECML пока нет отзывов. Вы можете стать первым покупателем, поделившимся своим мнением.