Поиск подшипника
Статьи
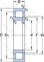
NUP 324 ECP — Роликовый радиальный цилиндрический однорядный подшипник, модификация основного исполнения 324, производство SKF.
Размер подшипника: 120x260x55 мм.
Однорядный цилиндрический роликоподшипник. Наружное кольцо имеет два борта, внутреннее — один борт и одно свободное фланцевое кольцо. Основные размеры по DIN 5412-1, относится к подтипу фиксированные подшипники, разъемные, с сепаратором.
Международная стандартизации ISO
NUP324ECP
В наличии
| Обозначение | Конструктивные изменения |
|---|---|
| NJ 324 ECM | Однорядный цилиндрический роликовый подшипник. |
| NJ 324 ECML | Однорядный цилиндрический роликовый подшипник. |
| NU 324 ECNML | Однорядный цилиндрический роликовый подшипник. |
| NU 324 ECPH | Однорядный цилиндрический роликовый подшипник. |
| NUP 324 ECML | Однорядный цилиндрический роликовый подшипник. |
| QJ 324 N2 | Два установочных паза (выемки), расположенных под углом 180° друг от друга в одной боковой поверхности наружного кольца или шайбе корпуса.. |
| QJ 324 N2 M | Подшипник с латунным сепаратором. центрированный по телам качения. Два установочных паза (выемки), расположенных под углом 180° друг от друга в одной боковой поверхности наружного кольца или шайбе корпуса.. |
Модификации цилиндрического роликового подшипника NUP 324 ECP — это измененное основное конструктивное исполнение 324, основные размеры (120x260x55) не отличаются.
| Обозначение | Гост | Конструктивные особенности |
|---|---|---|
| N324 E | ISO | Повышенная грузоподъемность. |
| NUP324E | ISO | Повышенная грузоподъемность. |
| NJ324-E-TVP2 + HJ324-E | ISO | Повышенная грузоподъемность. Твердый сепаратор оконного типа из армированного стекловолокном полиамида. |
| NU324R | ISO | С выпуклыми асимметричными роликами и обработанным сепаратором. |
| NUP324R | ISO | С выпуклыми асимметричными роликами и обработанным сепаратором. |
| 8-402324 М | ГОСТ | Модифицированный контакт.. |
Аналог цилиндрического роликового подшипника NUP 324 ECP — это подшипник такого же размера dx120,Dx260,Bx55, типа и конструкции.
| Обозначение | Конструктивные особенности | Внутренний (d) | Наружный (D) | Ширина (B) |
|---|---|---|---|---|
| 6-2324 М | Роликовый радиальный однорядный подшипник. Модифицированный контакт.. | 120.00 | 260.00 | 55.00 |
| 6-32324 М | Роликовый радиальный однорядный подшипник. Модифицированный контакт.. | 120.00 | 260.00 | 55.00 |
| 66324К | Шариковый радиально-упорный однорядный подшипник. «Замок» (скос) на внутреннем кольце плюс массивный сепаратор из текстолита. | 120.00 | 260.00 | 55.00 |
| 70-2324 Л | Роликовый радиальный однорядный подшипник. Сепаратор из латуни.. | 120.00 | 260.00 | 55.00 |
| 70-2324 М | Роликовый радиальный однорядный подшипник. Модифицированный контакт.. | 120.00 | 260.00 | 55.00 |
| 70-32324 М | Роликовый радиальный однорядный подшипник. Модифицированный контакт.. | 120.00 | 260.00 | 55.00 |
| 70-42324 М | Роликовый радиальный однорядный подшипник. Модифицированный контакт.. | 120.00 | 260.00 | 55.00 |
| 76-2324 КМ | Роликовый радиальный однорядный подшипник. Модифицированный контакт.. | 120.00 | 260.00 | 55.00 |
| 76-2324 М | Роликовый радиальный однорядный подшипник. Модифицированный контакт.. | 120.00 | 260.00 | 55.00 |
| 76-32324 М | Роликовый радиальный подшипник. Модифицированный контакт.. | 120.00 | 260.00 | 55.00 |
| 76-32324 МШ2У | Роликовый радиальный однорядный подшипник. Дополнительные технические требования. Модифицированный контакт.. Нормы шумности. | 120.00 | 260.00 | 55.00 |
| 402324-М | Роликовый радиальный цилиндрический подшипник. Модифицированный контакт.. | 120.00 | 260.00 | 55.00 |
| 42324-М | Роликовый радиальный однорядный подшипник. Модифицированный контакт.. | 120.00 | 260.00 | 55.00 |
| 46324-Л | Шариковый радиально-упорный однорядный подшипник. Сепаратор из латуни.. | 120.00 | 260.00 | 55.00 |
| 46324К | Шариковый радиально-упорный однорядный подшипник. «Замок» (скос) на внутреннем кольце плюс массивный сепаратор из текстолита. | 120.00 | 260.00 | 55.00 |
Способы доставки
Отправка через ведущие транспортные и курьерские компании: ПЭК, Деловые Линии, СДЭК, Байкал-Сервис, Энергия, КИТ, ЖелДорЭкспедиция.
Самовывоз возможен напрямую со склада в Москве.
Сроки доставки
Срок зависит от региона и выбранной транспортной компании. Все заказы комплектуются и отправляются в кратчайшие сроки со склада в Москве.
Надёжность и сохранность
Вся продукция упаковывается с учётом требований транспортировки. Мы гарантируем, что подшипники и комплектующие прибудут к заказчику в полной сохранности.
Доставка в страны ЕАЭС
Мы работаем с проверенными логистическими партнёрами, что позволяет оперативно доставлять заказы в Беларусь, Казахстан, Армению и другие страны ЕАЭС.
Варианты оплаты:
Минимальная сумма заказа и скидки:
Документы и гарантии:
Да, конечно! Наши технические специалисты готовы помочь вам с подбором точного аналога или замены подшипника. Просто позвоните нам по телефону +7 (495) 104-99-04 или напишите на почту zakaz@podsnab.ru.
Для оперативной консультации подготовьте, пожалуйста, имеющиеся данные: маркировку, размеры, тип оборудования или артикул старого подшипника.
Да, конечно! Мы высоко ценим долгосрочное сотрудничество и доверие клиентов по всей России. Для постоянных клиентов действует персональная система скидок.
Условия формируются индивидуально и зависят от:
Чтобы узнать свои условия и получить максимально выгодное предложение, свяжитесь с персональным менеджером или напишите нам на почту zakaz@podsnab.ru.
Вы можете оформить заказ несколькими способами:
Для оформления заказа от юридического лица свяжитесь с нашим отделом по работе с корпоративными клиентами по телефону +7 (495) 104-99-04 или напишите на email zakaz@podsnab.ru, прикрепив реквизиты вашей организации.
Мы оперативно подготовим коммерческое предложение и выставим счет.
Возврат товара надлежащего качества возможен в течение 10 дней с момента получения, если товар не был в употреблении, сохранен товарный вид, упаковка не вскрывалась и присутствуют все сопроводительные документы.
Возврат денежных средств осуществляется в течение 10 рабочих дней после проверки товара складом.
В соответствии с законодательством возврату не подлежат подшипники надлежащего качества, если отсутствует оригинальная упаковка или имеются следы монтажа.
В случае выявления брака или гарантийного случая мы гарантируем возврат или обмен товара.
Да, гарантийный срок хранения устанавливается заводом-изготовителем и в среднем составляет 2 года при соблюдении условий хранения: сухое помещение, оригинальная упаковка и смазка.
Точный срок для конкретного типа подшипника уточняйте у наших менеджеров.
Пн–Пт: с 8:00 до 17:00 (МСК).
Сб–Вс: выходные дни.
Заказы на сайте принимаются круглосуточно. Заявки, поступившие после окончания рабочего дня, обрабатываются на следующий рабочий день.
Минимальная сумма заказа для доставки составляет 3000 рублей. Самовывоз со склада возможен на любую сумму при наличии товара.
ООО «УралТехГрупп»
ИНН: 7415093830
КПП: 772401001
ОГРН: 1167456069021
Банк: ПАО Сбербанк
Р/с: 40702810838000475273
К/с: 30101810400000000225
БИК: 044525225
У подшипника NUP 324 ECP пока нет отзывов. Вы можете стать первым покупателем, поделившимся своим мнением.