Поиск подшипника
Статьи
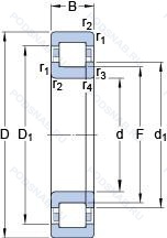
NUP 312 ECML — Роликовый радиальный цилиндрический однорядный подшипник, модификация основного исполнения 312, производство SKF.
Размер подшипника: 60x130x31 мм.
Однорядный цилиндрический роликоподшипник. Наружное кольцо имеет два борта, внутреннее — один борт и одно свободное фланцевое кольцо. Основные размеры по DIN 5412-1, относится к подтипу фиксированные подшипники, разъемные, с сепаратором.
Международная стандартизации ISO
NUP312ECML
В наличии
| Обозначение | Конструктивные изменения |
|---|---|
| 312MG | Формованный сепаратор из полиамида. укрепленного стекловолокном. |
| 312WDGN | Канавка под стопорное кольцо на наружном кольце с соответствующим стопорным кольцом. Защитная шайба из штампованной стали с одной стороны. |
| 312R | Расточенное наружное кольцо. Подшипник однорядный радиального типа. Угол контакта 15°. |
| 312M | Максимальная производительность. Канавка для ввода тел качения. |
| 312MF | Миниатюрный метрический подшипник со специальными размерами и фланцевым наружным кольцом. |
| 312S | Single Row Radial Conrad-Type Bearings. |
| 312SZZC | Однорядный радиальный подшипник, ширина картриджа, с двумя уплотнениями. |
| 312SF | Bogie Carriage_ Clearance-Free. |
| 312SZZ | Однорядный радиальный подшипник. С двумя уплотнениями. |
| 312SFG | Single Row Radial Conrad-Type Bearings. Однорядный радиальный шарикоподшипник с защитной шайбой с одной стороны. Канавка под стопорное кольцо на наружном кольце с соответствующим стопорным кольцом. |
| 312NRMB | Канавка стопорного кольца на наружном кольце подшипника и соответствующим стопорным кольцом. |
| 312ACD | 25° Угол контакта. |
| NJ 312 ECML | Однорядный цилиндрический роликовый подшипник. |
| NU 312 ECML | Однорядный цилиндрический роликовый подшипник. |
| NUP 312 ECM | Однорядный цилиндрический роликовый подшипник. |
| QJ 312 N2MA | Измененная или модифицированная внутренняя конструкция при неизменных основных размерах. Шариковый подшипник с четырехточечным контактом. |
| QJ 312 N2 M | Подшипник с латунным сепаратором. центрированный по телам качения. Два установочных паза (выемки), расположенных под углом 180° друг от друга в одной боковой поверхности наружного кольца или шайбе корпуса.. |
| NJ 312 ECPH | Однорядный цилиндрический роликовый подшипник. |
| NU 312 ECPH | Однорядный цилиндрический роликовый подшипник. |
| GEZ 312 ES-2LS | Контактное уплотнение с обеих сторон подшипника. Разъемное наружное кольцо со смазочными отверстиями. |
| GEZ 312 TXE-2LS | Контактное уплотнение с обеих сторон подшипника. Закаленная и шлифованная сталь. Скользящая поверхность покрыта твердым хромом и отполирована. |
| GEZH 312 ES | Разъемное наружное кольцо со смазочными отверстиями. |
| GEZH 312 ES-2RS | Резиновые уплотнения с каждой стороны подшипника. Разъемное наружное кольцо со смазочными отверстиями. |
| GEZM 312 ES | Разъемное наружное кольцо со смазочными отверстиями. |
| GEZM 312 ES-2RS | Резиновые уплотнения с каждой стороны подшипника. Разъемное наружное кольцо со смазочными отверстиями. |
Модификации цилиндрического роликового подшипника NUP 312 ECML — это измененное основное конструктивное исполнение 312, основные размеры (60x130x31) не отличаются.
| Обозначение | Гост | Конструктивные особенности |
|---|---|---|
| 26-402312 М1 | ГОСТ | Модифицированный контакт.. |
| NU312R | ISO | С выпуклыми асимметричными роликами и обработанным сепаратором. |
| NUP312R | ISO | С выпуклыми асимметричными роликами и обработанным сепаратором. |
| 6-402312 М1 | ГОСТ | Модифицированный контакт.. |
Аналог цилиндрического роликового подшипника NUP 312 ECML — это подшипник такого же размера dx60,Dx130,Bx31, типа и конструкции.
| Обозначение | Конструктивные особенности | Внутренний (d) | Наружный (D) | Ширина (B) |
|---|---|---|---|---|
| 402312-М1 | Роликовый радиальный цилиндрический подшипник. Модифицированный контакт.. | 60.00 | 130.00 | 31.00 |
| 42312-К1У | Роликовый радиальный однорядный подшипник. Кольцевая проточка на середине цилиндрической наружной поверхности наружного кольца плюс три отверстия для смазки. Дополнительные технические требования. | 60.00 | 130.00 | 31.00 |
| 42312-КМ | Роликовый радиальный однорядный подшипник. Кольцевая проточка на середине цилиндрической наружной поверхности наружного кольца плюс три отверстия для смазки. Модифицированный контакт.. | 60.00 | 130.00 | 31.00 |
| 42312-Л | Роликовый радиальный однорядный подшипник. Сепаратор из латуни.. | 60.00 | 130.00 | 31.00 |
| 42312-М1 | Роликовый радиальный однорядный подшипник. Модифицированный контакт.. | 60.00 | 130.00 | 31.00 |
| 42312ЛM | Роликовый радиальный однорядный подшипник. Подшипник с латунным сепаратором. центрированный по телам качения. Сепаратор из латуни.. | 60.00 | 130.00 | 31.00 |
| 46312-Е | Шариковый радиально-упорный однорядный подшипник. Сепаратор из текстолита.. | 60.00 | 130.00 | 31.00 |
| 46312-Л | Шариковый радиально-упорный однорядный подшипник. Сепаратор из латуни.. | 60.00 | 130.00 | 31.00 |
| 46312К | Шариковый радиально-упорный однорядный подшипник. «Замок» (скос) на внутреннем кольце плюс массивный сепаратор из текстолита. | 60.00 | 130.00 | 31.00 |
| 46312Л1 | Шариковый радиально-упорный однорядный подшипник. Сепаратор из латуни.. | 60.00 | 130.00 | 31.00 |
| 5-46312 Л | Шариковый радиально-упорный однорядный подшипник. Сепаратор из латуни.. | 60.00 | 130.00 | 31.00 |
| 50312-А | Шариковый радиальный однорядный подшипник. Повышенная грузоподъемность. | 60.00 | 130.00 | 31.00 |
| 50312-АW2 | Шариковый радиальный однорядный подшипник. Детали из вакуумированной стали.. Повышенная грузоподъемность. | 60.00 | 130.00 | 31.00 |
| 50312-М1 | Шариковый радиальный однорядный подшипник. Модифицированный контакт.. | 60.00 | 130.00 | 31.00 |
| 6-12312 КМ | Роликовый радиальный однорядный подшипник. Модифицированный контакт.. | 60.00 | 130.00 | 31.00 |
Способы доставки
Отправка через ведущие транспортные и курьерские компании: ПЭК, Деловые Линии, СДЭК, Байкал-Сервис, Энергия, КИТ, ЖелДорЭкспедиция.
Самовывоз возможен напрямую со склада в Москве.
Сроки доставки
Срок зависит от региона и выбранной транспортной компании. Все заказы комплектуются и отправляются в кратчайшие сроки со склада в Москве.
Надёжность и сохранность
Вся продукция упаковывается с учётом требований транспортировки. Мы гарантируем, что подшипники и комплектующие прибудут к заказчику в полной сохранности.
Доставка в страны ЕАЭС
Мы работаем с проверенными логистическими партнёрами, что позволяет оперативно доставлять заказы в Беларусь, Казахстан, Армению и другие страны ЕАЭС.
Варианты оплаты:
Минимальная сумма заказа и скидки:
Документы и гарантии:
Да, конечно! Наши технические специалисты готовы помочь вам с подбором точного аналога или замены подшипника. Просто позвоните нам по телефону +7 (495) 104-99-04 или напишите на почту zakaz@podsnab.ru.
Для оперативной консультации подготовьте, пожалуйста, имеющиеся данные: маркировку, размеры, тип оборудования или артикул старого подшипника.
Да, конечно! Мы высоко ценим долгосрочное сотрудничество и доверие клиентов по всей России. Для постоянных клиентов действует персональная система скидок.
Условия формируются индивидуально и зависят от:
Чтобы узнать свои условия и получить максимально выгодное предложение, свяжитесь с персональным менеджером или напишите нам на почту zakaz@podsnab.ru.
Вы можете оформить заказ несколькими способами:
Для оформления заказа от юридического лица свяжитесь с нашим отделом по работе с корпоративными клиентами по телефону +7 (495) 104-99-04 или напишите на email zakaz@podsnab.ru, прикрепив реквизиты вашей организации.
Мы оперативно подготовим коммерческое предложение и выставим счет.
Возврат товара надлежащего качества возможен в течение 10 дней с момента получения, если товар не был в употреблении, сохранен товарный вид, упаковка не вскрывалась и присутствуют все сопроводительные документы.
Возврат денежных средств осуществляется в течение 10 рабочих дней после проверки товара складом.
В соответствии с законодательством возврату не подлежат подшипники надлежащего качества, если отсутствует оригинальная упаковка или имеются следы монтажа.
В случае выявления брака или гарантийного случая мы гарантируем возврат или обмен товара.
Да, гарантийный срок хранения устанавливается заводом-изготовителем и в среднем составляет 2 года при соблюдении условий хранения: сухое помещение, оригинальная упаковка и смазка.
Точный срок для конкретного типа подшипника уточняйте у наших менеджеров.
Пн–Пт: с 8:00 до 17:00 (МСК).
Сб–Вс: выходные дни.
Заказы на сайте принимаются круглосуточно. Заявки, поступившие после окончания рабочего дня, обрабатываются на следующий рабочий день.
Минимальная сумма заказа для доставки составляет 3000 рублей. Самовывоз со склада возможен на любую сумму при наличии товара.
ООО «УралТехГрупп»
ИНН: 7415093830
КПП: 772401001
ОГРН: 1167456069021
Банк: ПАО Сбербанк
Р/с: 40702810838000475273
К/с: 30101810400000000225
БИК: 044525225
У подшипника NUP 312 ECML пока нет отзывов. Вы можете стать первым покупателем, поделившимся своим мнением.