Поиск подшипника
Статьи
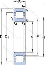
NUP 311 ECML — Роликовый радиальный цилиндрический однорядный подшипник, модификация основного исполнения 311, производство SKF.
Размер подшипника: 55x120x29 мм.
Однорядный цилиндрический роликоподшипник. Наружное кольцо имеет два борта, внутреннее — один борт и одно свободное фланцевое кольцо. Основные размеры по DIN 5412-1, относится к подтипу фиксированные подшипники, разъемные, с сепаратором.
Международная стандартизации ISO
NUP311ECML
В наличии
| Обозначение | Конструктивные изменения |
|---|---|
| 311NP | Lip Seal On One Side (P Type - One Zinc-Plated Sheet Steel Washer With Intermediate NBR Part. Seal Lip Axially Preloaded). |
| 311SF | Bogie Carriage_ Clearance-Free. |
| 311-2Z | Защитные металлические шайбы с обеих сторон подшипника. |
| 311-Z | щит из листовой прессованной стали с одной стороны подшипника. |
| 311N | Канавка под стопорное кольцо на внешнем кольце. |
| 311NR | Канавка под стопорное кольцо на наружном кольце с соответствующим стопорным кольцом. |
| 311MFF | Максимальная производительность. Канавка для ввода тел качения. Металлическое уплотнение с двух сторон. |
| 311WI | Низкий буртик на наружном кольце. |
| 311X3 | Специальная фаска. |
| 311SFF | Single Row Radial Conrad-Type Bearings. Металлическое уплотнение с двух сторон. |
| 311KG | Серия с закрепительной втулкой и смазочным отверстием. |
| 311-ZNR/C3 | Внутренний зазор больше нормального. щит из листовой прессованной стали с одной стороны подшипника. Канавка под стопорное кольцо на наружном кольце с соответствующим стопорным кольцом. |
| 311KS | Ball Bearing. Conrad Type. Single Row. Deep Groove (100K Series). |
| 311SFG | Single Row Radial Conrad-Type Bearings. Однорядный радиальный шарикоподшипник с защитной шайбой с одной стороны. Канавка под стопорное кольцо на наружном кольце с соответствующим стопорным кольцом. |
| 311NR/C3 | Внутренний зазор больше нормального. Канавка под стопорное кольцо на наружном кольце с соответствующим стопорным кольцом. |
| 311-Z/C3 | Внутренний зазор больше нормального. щит из листовой прессованной стали с одной стороны подшипника. |
| 311MFF/H201 | Максимальная производительность. Канавка для ввода тел качения. Металлическое уплотнение с двух сторон. Внутренний суффикс-код MRC. |
| 311R | Расточенное наружное кольцо. Подшипник однорядный радиального типа. Угол контакта 15°. |
| 311M | Подшипник с латунным сепаратором. центрированный по телам качения. |
| N 311 ECM | Однорядный цилиндрический роликовый подшипник. |
| NJ 311 ECML | Однорядный цилиндрический роликовый подшипник. |
| NU 311 ECNJ | Однорядный цилиндрический роликовый подшипник. |
| NU 311 ECML | Однорядный цилиндрический роликовый подшипник. |
| NU 311 EW | Однорядный. |
| N 311 ECMB | Однорядный цилиндрический роликовый подшипник. |
Модификации цилиндрического роликового подшипника NUP 311 ECML — это измененное основное конструктивное исполнение 311, основные размеры (55x120x29) не отличаются.
| Обозначение | Гост | Конструктивные особенности |
|---|---|---|
| NJ311E.TVP | ISO | Повышенная грузоподъемность. Molded Snap-Type Cage Of Glass Fibre Reinforced Polyamide. Rolling Element Riding. |
| NUP311E.TVP | ISO | Повышенная грузоподъемность. Molded Snap-Type Cage Of Glass Fibre Reinforced Polyamide. Rolling Element Riding. |
| NF311E | ISO | Повышенная грузоподъемность. |
| NU311R | ISO | С выпуклыми асимметричными роликами и обработанным сепаратором. |
| NUP311R | ISO | С выпуклыми асимметричными роликами и обработанным сепаратором. |
| 6-402311 К1М | ГОСТ | Кольцевая проточка на середине цилиндрической наружной поверхности наружного кольца плюс три отверстия для смазки. Модифицированный контакт.. |
Аналог цилиндрического роликового подшипника NUP 311 ECML — это подшипник такого же размера dx55,Dx120,Bx29, типа и конструкции.
| Обозначение | Конструктивные особенности | Внутренний (d) | Наружный (D) | Ширина (B) |
|---|---|---|---|---|
| 42311-Л | Роликовый радиальный однорядный подшипник. Сепаратор из латуни.. | 55.00 | 120.00 | 29.00 |
| 42311-М1 | Роликовый радиальный однорядный подшипник. Модифицированный контакт.. | 55.00 | 120.00 | 29.00 |
| 45-176311 ЕШ2 | Шариковый радиально-упорный однорядный подшипник. Сепаратор из текстолита.. Нормы шумности. | 55.00 | 120.00 | 29.00 |
| 46311-АК | Шариковый радиально-упорный однорядный подшипник. Повышенная грузоподъемность. | 55.00 | 120.00 | 29.00 |
| 46311-АЛ | Шариковый радиально-упорный однорядный подшипник. Сепаратор из латуни.. Повышенная грузоподъемность. | 55.00 | 120.00 | 29.00 |
| 46311-Л | Шариковый радиально-упорный однорядный подшипник. Сепаратор из латуни.. | 55.00 | 120.00 | 29.00 |
| 46311К | Шариковый радиально-упорный однорядный подшипник. «Замок» (скос) на внутреннем кольце плюс массивный сепаратор из текстолита. | 55.00 | 120.00 | 29.00 |
| 5-46311 Е | Шариковый радиально-упорный однорядный подшипник. Сепаратор из текстолита.. | 55.00 | 120.00 | 29.00 |
| 50311-А | Шариковый радиальный однорядный подшипник. Повышенная грузоподъемность. | 55.00 | 120.00 | 29.00 |
| 50311-АW2 | Шариковый радиальный однорядный подшипник. Детали из вакуумированной стали.. Повышенная грузоподъемность. | 55.00 | 120.00 | 29.00 |
| 50311-АК2 | Шариковый радиальный однорядный подшипник. Повышенная грузоподъемность. | 55.00 | 120.00 | 29.00 |
| 50311-С17 | Шариковый радиальный однорядный подшипник. Смазка Литол-24. | 55.00 | 120.00 | 29.00 |
| 53311-H | Роликовый радиальный двухрядный подшипник. Pressed Snap-Type Steel Cage. Hardened. | 55.00 | 120.00 | 29.00 |
| 56-32311 Р1 | Роликовый радиальный однорядный подшипник. Детали из теплоустойчивой (быстрорежущие) стали.. | 55.00 | 120.00 | 29.00 |
| 6-12311 К1М | Роликовый радиальный однорядный подшипник. Модифицированный контакт.. | 55.00 | 120.00 | 29.00 |
Способы доставки
Отправка через ведущие транспортные и курьерские компании: ПЭК, Деловые Линии, СДЭК, Байкал-Сервис, Энергия, КИТ, ЖелДорЭкспедиция.
Самовывоз возможен напрямую со склада в Москве.
Сроки доставки
Срок зависит от региона и выбранной транспортной компании. Все заказы комплектуются и отправляются в кратчайшие сроки со склада в Москве.
Надёжность и сохранность
Вся продукция упаковывается с учётом требований транспортировки. Мы гарантируем, что подшипники и комплектующие прибудут к заказчику в полной сохранности.
Доставка в страны ЕАЭС
Мы работаем с проверенными логистическими партнёрами, что позволяет оперативно доставлять заказы в Беларусь, Казахстан, Армению и другие страны ЕАЭС.
Варианты оплаты:
Минимальная сумма заказа и скидки:
Документы и гарантии:
Да, конечно! Наши технические специалисты готовы помочь вам с подбором точного аналога или замены подшипника. Просто позвоните нам по телефону +7 (495) 104-99-04 или напишите на почту zakaz@podsnab.ru.
Для оперативной консультации подготовьте, пожалуйста, имеющиеся данные: маркировку, размеры, тип оборудования или артикул старого подшипника.
Да, конечно! Мы высоко ценим долгосрочное сотрудничество и доверие клиентов по всей России. Для постоянных клиентов действует персональная система скидок.
Условия формируются индивидуально и зависят от:
Чтобы узнать свои условия и получить максимально выгодное предложение, свяжитесь с персональным менеджером или напишите нам на почту zakaz@podsnab.ru.
Вы можете оформить заказ несколькими способами:
Для оформления заказа от юридического лица свяжитесь с нашим отделом по работе с корпоративными клиентами по телефону +7 (495) 104-99-04 или напишите на email zakaz@podsnab.ru, прикрепив реквизиты вашей организации.
Мы оперативно подготовим коммерческое предложение и выставим счет.
Возврат товара надлежащего качества возможен в течение 10 дней с момента получения, если товар не был в употреблении, сохранен товарный вид, упаковка не вскрывалась и присутствуют все сопроводительные документы.
Возврат денежных средств осуществляется в течение 10 рабочих дней после проверки товара складом.
В соответствии с законодательством возврату не подлежат подшипники надлежащего качества, если отсутствует оригинальная упаковка или имеются следы монтажа.
В случае выявления брака или гарантийного случая мы гарантируем возврат или обмен товара.
Да, гарантийный срок хранения устанавливается заводом-изготовителем и в среднем составляет 2 года при соблюдении условий хранения: сухое помещение, оригинальная упаковка и смазка.
Точный срок для конкретного типа подшипника уточняйте у наших менеджеров.
Пн–Пт: с 8:00 до 17:00 (МСК).
Сб–Вс: выходные дни.
Заказы на сайте принимаются круглосуточно. Заявки, поступившие после окончания рабочего дня, обрабатываются на следующий рабочий день.
Минимальная сумма заказа для доставки составляет 3000 рублей. Самовывоз со склада возможен на любую сумму при наличии товара.
ООО «УралТехГрупп»
ИНН: 7415093830
КПП: 772401001
ОГРН: 1167456069021
Банк: ПАО Сбербанк
Р/с: 40702810838000475273
К/с: 30101810400000000225
БИК: 044525225
У подшипника NUP 311 ECML пока нет отзывов. Вы можете стать первым покупателем, поделившимся своим мнением.