Поиск подшипника
Статьи
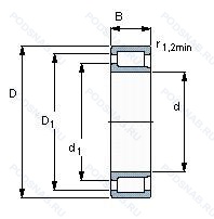
NJG 2324 VH — Роликовый радиальный цилиндрический однорядный подшипник, модификация основного исполнения 2324, выпускается производителями: SIGMA, SKF.
Размер подшипника: 120x260x86 мм.
Полный набор роликов (без сепаратора). самоудерживающиеся.
Международная стандартизации ISO
NJG2324VH
В наличии
| Обозначение | Конструктивные изменения |
|---|---|
| 2324M | Подшипник с латунным сепаратором. центрированный по телам качения. |
| 2324K MB | Коническое отверстие. конус 1/12. Механически обработанный латунный фиксатор. Направляющее внутреннее кольцо. |
| NUH 2324 ECMH | Роликовый радиальный цилиндрический однорядный подшипник. |
| NJ 2324 ECM | Однорядный цилиндрический роликовый подшипник. |
| NU 2324 ECM | Однорядный цилиндрический роликовый подшипник. |
| QJ 2324 N2 | Два установочных паза (выемки), расположенных под углом 180° друг от друга в одной боковой поверхности наружного кольца или шайбе корпуса.. |
| NJ 2324 ECML | Однорядный цилиндрический роликовый подшипник. |
Модификации цилиндрического роликового подшипника NJG 2324 VH — это измененное основное конструктивное исполнение 2324, основные размеры (120x260x86) не отличаются.
| Обозначение | Гост | Конструктивные особенности |
|---|---|---|
| NUP 2324 ECMA | ISO | Измененная или модифицированная внутренняя конструкция при неизменных основных размерах. Однорядный цилиндрический роликовый подшипник. |
| NUP2324E | ISO | Повышенная грузоподъемность. |
| NJ2324-E-M1 + HJ2324-E | ISO | Повышенная грузоподъемность. Механически обработанный латунный сепаратор. вращающийся элемент качения (крестовина на заклепках). |
| N2324 | ISO | Однорядный цилиндрический роликовый подшипник. Внутреннее кольцо подшипника имеет два борта. Два смещенных на 180° стопорных паза на наружной поверхности наружного кольца подшипника. |
| NF2324 | ISO | Механически обработанный сепаратор из стали или специального чугуна. Канавка под стопорное кольцо на наружном кольце подшипника. |
| NUP2324R | ISO | С выпуклыми асимметричными роликами и обработанным сепаратором. |
| LSL19 2324 | ISO | Роликовый радиальный цилиндрический однорядный подшипник. |
Аналог цилиндрического роликового подшипника NJG 2324 VH — это подшипник такого же размера dx120,Dx260,Bx86, типа и конструкции.
| Обозначение | Конструктивные особенности | Внутренний (d) | Наружный (D) | Ширина (B) |
|---|---|---|---|---|
| NJ2324-E-TVP3 | Роликовый радиальный однорядный подшипник. Повышенная грузоподъемность. Цельный сепаратор из полиамида PA66-GF25. сепаратор оконного типа. направляемый телами качения. | 120.00 | 260.00 | 86.00 |
| NJ2324-E-MPA+HJ2324-E | Роликовый радиальный однорядный подшипник. Повышенная грузоподъемность. Твердый латунный сепаратор. | 120.00 | 260.00 | 86.00 |
| NU2324-E-TVP3 | Роликовый радиальный однорядный подшипник. Повышенная грузоподъемность. Цельный сепаратор из полиамида PA66-GF25. сепаратор оконного типа. направляемый телами качения. | 120.00 | 260.00 | 86.00 |
| NU2324-E-MA6 | Роликовый радиальный однорядный подшипник. Повышенная грузоподъемность. Изготовленный из двух частей латунный сепаратор. Центрирование по внешнему кольцу. Различные конструкции или сорта материалов обозначаются цифрой или буквой.. | 120.00 | 260.00 | 86.00 |
| NU2324-E-MPA | Роликовый радиальный однорядный подшипник. Повышенная грузоподъемность. Твердый латунный сепаратор. | 120.00 | 260.00 | 86.00 |
| UK324L3 | Шариковый радиальный однорядный подшипник. Тройное манжетное уплотнение для вкладыша подшипника. | 120.00 | 260.00 | 87.00 |
| UK324 | Шариковый радиальный однорядный подшипник. Коническое отверстие. Универсальные подшпники. | 120.00 | 260.00 | 87.00 |
| 6-42624 Л | Роликовый радиальный однорядный подшипник. Сепаратор из латуни.. | 120.00 | 260.00 | 86.00 |
| 42624-Л | Роликовый радиальный однорядный подшипник. Сепаратор из латуни.. | 120.00 | 260.00 | 86.00 |
| 42624-ЛМ | Роликовый радиальный однорядный подшипник. Сепаратор из латуни.. Модифицированный контакт.. | 120.00 | 260.00 | 86.00 |
| 42624-М | Роликовый радиальный однорядный подшипник. Модифицированный контакт.. | 120.00 | 260.00 | 86.00 |
| 42624ЛM | Роликовый радиальный однорядный подшипник. Подшипник с латунным сепаратором. центрированный по телам качения. Сепаратор из латуни.. | 120.00 | 260.00 | 86.00 |
| 52624-ЛМ | Роликовый радиальный подшипник. Сепаратор из латуни.. Модифицированный контакт.. | 120.00 | 260.00 | 86.00 |
| 52624ЛM | Роликовый радиальный однорядный подшипник. Подшипник с латунным сепаратором. центрированный по телам качения. Сепаратор из латуни.. | 120.00 | 260.00 | 86.00 |
| 53624-Н | Роликовый радиальный двухрядный подшипник. Детали из теплостойкой стали. | 120.00 | 260.00 | 86.00 |
Способы доставки
Отправка через ведущие транспортные и курьерские компании: ПЭК, Деловые Линии, СДЭК, Байкал-Сервис, Энергия, КИТ, ЖелДорЭкспедиция.
Самовывоз возможен напрямую со склада в Москве.
Сроки доставки
Срок зависит от региона и выбранной транспортной компании. Все заказы комплектуются и отправляются в кратчайшие сроки со склада в Москве.
Надёжность и сохранность
Вся продукция упаковывается с учётом требований транспортировки. Мы гарантируем, что подшипники и комплектующие прибудут к заказчику в полной сохранности.
Доставка в страны ЕАЭС
Мы работаем с проверенными логистическими партнёрами, что позволяет оперативно доставлять заказы в Беларусь, Казахстан, Армению и другие страны ЕАЭС.
Варианты оплаты:
Минимальная сумма заказа и скидки:
Документы и гарантии:
Да, конечно! Наши технические специалисты готовы помочь вам с подбором точного аналога или замены подшипника. Просто позвоните нам по телефону +7 (495) 104-99-04 или напишите на почту zakaz@podsnab.ru.
Для оперативной консультации подготовьте, пожалуйста, имеющиеся данные: маркировку, размеры, тип оборудования или артикул старого подшипника.
Да, конечно! Мы высоко ценим долгосрочное сотрудничество и доверие клиентов по всей России. Для постоянных клиентов действует персональная система скидок.
Условия формируются индивидуально и зависят от:
Чтобы узнать свои условия и получить максимально выгодное предложение, свяжитесь с персональным менеджером или напишите нам на почту zakaz@podsnab.ru.
Вы можете оформить заказ несколькими способами:
Для оформления заказа от юридического лица свяжитесь с нашим отделом по работе с корпоративными клиентами по телефону +7 (495) 104-99-04 или напишите на email zakaz@podsnab.ru, прикрепив реквизиты вашей организации.
Мы оперативно подготовим коммерческое предложение и выставим счет.
Возврат товара надлежащего качества возможен в течение 10 дней с момента получения, если товар не был в употреблении, сохранен товарный вид, упаковка не вскрывалась и присутствуют все сопроводительные документы.
Возврат денежных средств осуществляется в течение 10 рабочих дней после проверки товара складом.
В соответствии с законодательством возврату не подлежат подшипники надлежащего качества, если отсутствует оригинальная упаковка или имеются следы монтажа.
В случае выявления брака или гарантийного случая мы гарантируем возврат или обмен товара.
Да, гарантийный срок хранения устанавливается заводом-изготовителем и в среднем составляет 2 года при соблюдении условий хранения: сухое помещение, оригинальная упаковка и смазка.
Точный срок для конкретного типа подшипника уточняйте у наших менеджеров.
Пн–Пт: с 8:00 до 17:00 (МСК).
Сб–Вс: выходные дни.
Заказы на сайте принимаются круглосуточно. Заявки, поступившие после окончания рабочего дня, обрабатываются на следующий рабочий день.
Минимальная сумма заказа для доставки составляет 3000 рублей. Самовывоз со склада возможен на любую сумму при наличии товара.
ООО «УралТехГрупп»
ИНН: 7415093830
КПП: 772401001
ОГРН: 1167456069021
Банк: ПАО Сбербанк
Р/с: 40702810838000475273
К/с: 30101810400000000225
БИК: 044525225
У подшипника NJG 2324 VH пока нет отзывов. Вы можете стать первым покупателем, поделившимся своим мнением.