Поиск подшипника
Статьи
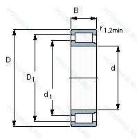
NJG 2322 VH — Роликовый радиальный цилиндрический однорядный подшипник, модификация основного исполнения 2322, выпускается производителями: SIGMA, SKF.
Размер подшипника: 110x240x80 мм.
Полный набор роликов (без сепаратора). самоудерживающиеся.
Международная стандартизации ISO
NJG2322VH
В наличии
| Обозначение | Конструктивные изменения |
|---|---|
| 2322KM | Type Of Model. |
| 2322 | Роликовый радиальный цилиндрический однорядный подшипник. Основное конструктивное исполнение. |
| 2322K | Коническое внутреннее отверстие. |
| 2322K.M.C3 | Внутренний зазор больше нормального. Коническое отверстие. Конусность 1/12. Подшипник с латунным сепаратором. центрированный по телам качения. |
| 2322M | Твердый латунный сепаратор с шариковой направляющей. |
| 2322C3 | Внутренний зазор больше нормального. |
| 2322K/MBC3 | Внутренний зазор больше нормального. Коническое отверстие. конус 1/12. Механически обработанный латунный сепаратор. Центрированное внутреннее кольцо. |
| 2322BD1 C3 | Внутренний зазор больше нормального. Цельное ребристое внутреннее кольцо. Асимметричные ролики и фиксатор с центральной направляющей. Канавка для смазки и три отверстия во внешнем кольце подшипника. |
| 2322MK | Поверхность контакта скольжения сталь / сталь. |
| 2322KF | Y-образный подшипник серии YSA2-2FK (внутреннее кольцо расширено с обеих сторон. Коническое отверстие). Стандартное уплотнение + простой маслоотражатель с каждой стороны. |
| NUH 2322 ECMH | Роликовый радиальный цилиндрический однорядный подшипник. |
| NU 2322 ECKMA | Измененная или модифицированная внутренняя конструкция при неизменных основных размерах. Однорядный цилиндрический роликовый подшипник. |
| NJ 2322 ECP | Однорядный цилиндрический роликовый подшипник. |
| 18R2322P | Сеаратор из литого полиамида 6.6. армированного стекловолокном. |
| 2322K+H2322 | Коническое внутреннее отверстие. |
| 2322-K-M-C3 + H2322 | Внутренний зазор больше нормального. Коническое отверстие. Конусность 1/12. Подшипник с латунным сепаратором. центрированный по телам качения. |
| 2322S | Запечатанная версия кулачкового ролика. Только для внутреннего и наружного колец. |
| 2322SK | Кулачковый толкатель штифтового типа. С шестигранной головкой. Только для внутреннего и наружного колец. |
Модификации цилиндрического роликового подшипника NJG 2322 VH — это измененное основное конструктивное исполнение 2322, основные размеры (110x240x80) не отличаются.
| Обозначение | Гост | Конструктивные особенности |
|---|---|---|
| NUP2322E | ISO | Повышенная грузоподъемность. |
| NJ2322-E-TVP2 + HJ2322-E | ISO | Повышенная грузоподъемность. Твердый сепаратор оконного типа из армированного стекловолокном полиамида. |
| NJ2322R | ISO | С выпуклыми асимметричными роликами и обработанным сепаратором. |
| NUP2322R | ISO | С выпуклыми асимметричными роликами и обработанным сепаратором. |
Аналог цилиндрического роликового подшипника NJG 2322 VH — это подшипник такого же размера dx110,Dx240,Bx80, типа и конструкции.
| Обозначение | Конструктивные особенности | Внутренний (d) | Наружный (D) | Ширина (B) |
|---|---|---|---|---|
| NJ2322-E-M6+HJ2322-E | Роликовый радиальный однорядный подшипник. Повышенная грузоподъемность. 20-28 UM (C3 & C4). | 110.00 | 240.00 | 80.00 |
| NJ2322-E-MPA | Роликовый радиальный однорядный подшипник. Повышенная грузоподъемность. Твердый латунный сепаратор. | 110.00 | 240.00 | 80.00 |
| NJ2322-E-MA6+HJ2322-E | Роликовый радиальный однорядный подшипник. Повышенная грузоподъемность. Изготовленный из двух частей латунный сепаратор. Центрирование по внешнему кольцу. Различные конструкции или сорта материалов обозначаются цифрой или буквой.. | 110.00 | 240.00 | 80.00 |
| NU2322-E-MPA | Роликовый радиальный однорядный подшипник. Повышенная грузоподъемность. Твердый латунный сепаратор. | 110.00 | 240.00 | 80.00 |
| NU2322-E-M6 | Роликовый радиальный однорядный подшипник. Повышенная грузоподъемность. 20-28 UM (C3 & C4). | 110.00 | 240.00 | 80.00 |
| NU2322-E-MA6 | Роликовый радиальный однорядный подшипник. Повышенная грузоподъемность. Изготовленный из двух частей латунный сепаратор. Центрирование по внешнему кольцу. Различные конструкции или сорта материалов обозначаются цифрой или буквой.. | 110.00 | 240.00 | 80.00 |
| NU2322-E-TVP3 | Роликовый радиальный однорядный подшипник. Повышенная грузоподъемность. Цельный сепаратор из полиамида PA66-GF25. сепаратор оконного типа. направляемый телами качения. | 110.00 | 240.00 | 80.00 |
| С8-3622 | Роликовый радиальный двухрядный подшипник. Смазка ВНИИНП-235. | 110.00 | 240.00 | 80.00 |
| ВО-32622 ЛМ | Роликовый радиальный подшипник. Сепаратор из латуни.. Модифицированный контакт.. | 110.00 | 240.00 | 80.00 |
| ВО-32624 ЛМ | Роликовый радиальный подшипник. Сепаратор из латуни.. Модифицированный контакт.. | 110.00 | 240.00 | 80.00 |
| 672322М | Роликовый радиальный однорядный подшипник. Модифицированный контакт.. | 110.00 | 240.00 | 80.00 |
| 42622-Л | Роликовый радиальный однорядный подшипник. Сепаратор из латуни.. | 110.00 | 240.00 | 80.00 |
| 42622-ЛМ | Роликовый радиальный однорядный подшипник. Сепаратор из латуни.. Модифицированный контакт.. | 110.00 | 240.00 | 80.00 |
| 53622-Е | Роликовый радиальный двухрядный подшипник. Сепаратор из текстолита.. | 110.00 | 240.00 | 80.00 |
| 53622Н | Роликовый радиальный двухрядный подшипник. Детали из теплостойкой стали. | 110.00 | 240.00 | 80.00 |
Способы доставки
Отправка через ведущие транспортные и курьерские компании: ПЭК, Деловые Линии, СДЭК, Байкал-Сервис, Энергия, КИТ, ЖелДорЭкспедиция.
Самовывоз возможен напрямую со склада в Москве.
Сроки доставки
Срок зависит от региона и выбранной транспортной компании. Все заказы комплектуются и отправляются в кратчайшие сроки со склада в Москве.
Надёжность и сохранность
Вся продукция упаковывается с учётом требований транспортировки. Мы гарантируем, что подшипники и комплектующие прибудут к заказчику в полной сохранности.
Доставка в страны ЕАЭС
Мы работаем с проверенными логистическими партнёрами, что позволяет оперативно доставлять заказы в Беларусь, Казахстан, Армению и другие страны ЕАЭС.
Варианты оплаты:
Минимальная сумма заказа и скидки:
Документы и гарантии:
Да, конечно! Наши технические специалисты готовы помочь вам с подбором точного аналога или замены подшипника. Просто позвоните нам по телефону +7 (495) 104-99-04 или напишите на почту zakaz@podsnab.ru.
Для оперативной консультации подготовьте, пожалуйста, имеющиеся данные: маркировку, размеры, тип оборудования или артикул старого подшипника.
Да, конечно! Мы высоко ценим долгосрочное сотрудничество и доверие клиентов по всей России. Для постоянных клиентов действует персональная система скидок.
Условия формируются индивидуально и зависят от:
Чтобы узнать свои условия и получить максимально выгодное предложение, свяжитесь с персональным менеджером или напишите нам на почту zakaz@podsnab.ru.
Вы можете оформить заказ несколькими способами:
Для оформления заказа от юридического лица свяжитесь с нашим отделом по работе с корпоративными клиентами по телефону +7 (495) 104-99-04 или напишите на email zakaz@podsnab.ru, прикрепив реквизиты вашей организации.
Мы оперативно подготовим коммерческое предложение и выставим счет.
Возврат товара надлежащего качества возможен в течение 10 дней с момента получения, если товар не был в употреблении, сохранен товарный вид, упаковка не вскрывалась и присутствуют все сопроводительные документы.
Возврат денежных средств осуществляется в течение 10 рабочих дней после проверки товара складом.
В соответствии с законодательством возврату не подлежат подшипники надлежащего качества, если отсутствует оригинальная упаковка или имеются следы монтажа.
В случае выявления брака или гарантийного случая мы гарантируем возврат или обмен товара.
Да, гарантийный срок хранения устанавливается заводом-изготовителем и в среднем составляет 2 года при соблюдении условий хранения: сухое помещение, оригинальная упаковка и смазка.
Точный срок для конкретного типа подшипника уточняйте у наших менеджеров.
Пн–Пт: с 8:00 до 17:00 (МСК).
Сб–Вс: выходные дни.
Заказы на сайте принимаются круглосуточно. Заявки, поступившие после окончания рабочего дня, обрабатываются на следующий рабочий день.
Минимальная сумма заказа для доставки составляет 3000 рублей. Самовывоз со склада возможен на любую сумму при наличии товара.
ООО «УралТехГрупп»
ИНН: 7415093830
КПП: 772401001
ОГРН: 1167456069021
Банк: ПАО Сбербанк
Р/с: 40702810838000475273
К/с: 30101810400000000225
БИК: 044525225
У подшипника NJG 2322 VH пока нет отзывов. Вы можете стать первым покупателем, поделившимся своим мнением.