Поиск подшипника
Статьи
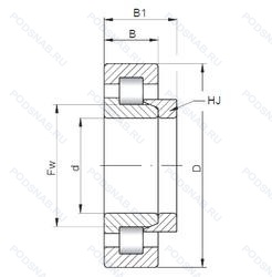
NH202 E — Роликовый радиальный однорядный подшипник, модификация основного исполнения NH202, производство CX.
Размер подшипника: 15x35x11 мм.
Серия подшипников NJ с упорным кольцом HJ(NJ+HJ=NH), повышенная грузоподъемность.
Международная стандартизации ISO
NH202E
В наличии
| Обозначение | Конструктивные изменения |
|---|---|
| NH202 | Канавка под стопорное кольцо на наружном кольце подшипника. Основное конструктивное исполнение. |
Модификации роликового подшипника NH202 E — это измененное основное конструктивное исполнение NH202, основные размеры (15x35x11) не отличаются.
| Обозначение | Гост | Конструктивные особенности |
|---|---|---|
| NJ202E.TVP | ISO | Повышенная грузоподъемность. Molded Snap-Type Cage Of Glass Fibre Reinforced Polyamide. Rolling Element Riding. |
| 26-42202 Д | ГОСТ | Сепаратор из алюминиевого сплава.. |
| NF202 E | ISO | Повышенная грузоподъемность. |
| NP202 E | ISO | Повышенная грузоподъемность. |
| NUP202 E | ISO | Повышенная грузоподъемность. |
| NU202FM/C3 | ISO | Внутренний зазор больше нормального. Y-образный подшипник серии YET2 (внутреннее кольцо выдвинуто с одной стороны. Эксцентриковая стопорная втулка). Стандартное уплотнение без фланца с каждой стороны. |
| F-95066.02 | ISO | Design. |
| NP202 | ISO | Канавка под стопорное кольцо на наружном кольце подшипника. |
| NUP202 | ISO | Канавка под стопорное кольцо на наружном кольце подшипника. Точность размеров примерно соответствует классу точности Р4. Однорядный цилиндрический роликовый подшипник. Наружное кольцо имеет два борта. |
| NJ202-E-TVP3 | ISO | Повышенная грузоподъемность. Цельный сепаратор из полиамида PA66-GF25. сепаратор оконного типа. направляемый телами качения. |
| NJ202-E-TVP3+HJ202-E | ISO | Повышенная грузоподъемность. Цельный сепаратор из полиамида PA66-GF25. сепаратор оконного типа. направляемый телами качения. |
| NJ202 EM6 | ISO | Роликовый радиальный однорядный подшипник. |
| 86-42202 Б2Т2 | ГОСТ | 200°. Температура отпуска. Сепаратор из безоловянистой бронзы.. |
| 6-32202 Б1 | ГОСТ | Сепаратор из безоловянистой бронзы.. |
| 6-32202 Б1Т | ГОСТ | Температура отпуска. 160°. Сепаратор из безоловянистой бронзы.. |
| 6-42202 Б2 | ГОСТ | Сепаратор из безоловянистой бронзы.. |
| 6-42202 Б2Т2 | ГОСТ | 200°. Температура отпуска. Сепаратор из безоловянистой бронзы.. |
| 6-42202 Е | ГОСТ | Сепаратор из текстолита.. |
| 42202-Д | ГОСТ | Сепаратор из алюминиевого сплава.. |
| 56-32202 Б1 | ГОСТ | Сепаратор из безоловянистой бронзы.. |
Аналог роликового подшипника NH202 E — это подшипник такого же размера dx15,Dx35,Bx11, типа и конструкции.
| Обозначение | Конструктивные особенности | Внутренний (d) | Наружный (D) | Ширина (B) |
|---|---|---|---|---|
| 5-80202 К4Ш2УС9 | Шариковый радиальный однорядный подшипник. Дополнительные технические требования. Нормы шумности. Смазка ЛЗ-31. | 15.00 | 35.00 | 11.00 |
| 5-80202 КС9 | Шариковый радиальный однорядный подшипник. «Замок» (скос) на внутреннем кольце плюс массивный сепаратор из текстолита. Смазка ЛЗ-31. | 15.00 | 35.00 | 11.00 |
| 5-80202 КШ2УТ2С9 | Шариковый радиальный однорядный подшипник. Дополнительные технические требования. 200°. Температура отпуска. Нормы шумности. Смазка ЛЗ-31. | 15.00 | 35.00 | 11.00 |
| 5-80202 С2Ш2У | Шариковый радиальный однорядный подшипник. Дополнительные технические требования. Смазка ЦИАТИМ-221. Нормы шумности. | 15.00 | 35.00 | 11.00 |
| 5-80202 С9Ш2У | Шариковый радиальный однорядный подшипник. Дополнительные технические требования. Нормы шумности. Смазка ЛЗ-31. | 15.00 | 35.00 | 11.00 |
| 50202-А | Шариковый радиальный однорядный подшипник. Повышенная грузоподъемность. | 15.00 | 35.00 | 11.00 |
| 50202-АЕ | Шариковый радиальный однорядный подшипник. Сепаратор из текстолита.. Повышенная грузоподъемность. | 15.00 | 35.00 | 11.00 |
| 50202-АК | Шариковый радиальный однорядный подшипник. Повышенная грузоподъемность. | 15.00 | 35.00 | 11.00 |
| 550702-М | Шариковый радиальный однорядный подшипник. Модифицированный контакт.. | 15.00 | 35.00 | 12.00 |
| 6-160202 АЕ | Шариковый радиальный однорядный подшипник. Сепаратор из текстолита.. Повышенная грузоподъемность. | 15.00 | 35.00 | 11.00 |
| 6-160202 АЕ2 | Шариковый радиальный однорядный подшипник. Повышенная грузоподъемность. Сепаратор из пластических материалов.. | 15.00 | 35.00 | 11.00 |
| 6-160202 Е | Шариковый радиальный однорядный подшипник. Сепаратор из текстолита.. | 15.00 | 35.00 | 11.00 |
| 6-160202 Е2 | Шариковый радиальный однорядный подшипник. Сепаратор из пластических материалов.. | 15.00 | 35.00 | 11.00 |
| 6-170415 Л | Шариковый радиальный однорядный подшипник. Сепаратор из латуни.. | 15.00 | 35.00 | 11.00 |
| 6-180202 С17 | Шариковый радиальный однорядный подшипник. Смазка Литол-24. | 15.00 | 35.00 | 11.00 |
Способы доставки
Отправка через ведущие транспортные и курьерские компании: ПЭК, Деловые Линии, СДЭК, Байкал-Сервис, Энергия, КИТ, ЖелДорЭкспедиция.
Самовывоз возможен напрямую со склада в Москве.
Сроки доставки
Срок зависит от региона и выбранной транспортной компании. Все заказы комплектуются и отправляются в кратчайшие сроки со склада в Москве.
Надёжность и сохранность
Вся продукция упаковывается с учётом требований транспортировки. Мы гарантируем, что подшипники и комплектующие прибудут к заказчику в полной сохранности.
Доставка в страны ЕАЭС
Мы работаем с проверенными логистическими партнёрами, что позволяет оперативно доставлять заказы в Беларусь, Казахстан, Армению и другие страны ЕАЭС.
Варианты оплаты:
Минимальная сумма заказа и скидки:
Документы и гарантии:
Да, конечно! Наши технические специалисты готовы помочь вам с подбором точного аналога или замены подшипника. Просто позвоните нам по телефону +7 (495) 104-99-04 или напишите на почту zakaz@podsnab.ru.
Для оперативной консультации подготовьте, пожалуйста, имеющиеся данные: маркировку, размеры, тип оборудования или артикул старого подшипника.
Да, конечно! Мы высоко ценим долгосрочное сотрудничество и доверие клиентов по всей России. Для постоянных клиентов действует персональная система скидок.
Условия формируются индивидуально и зависят от:
Чтобы узнать свои условия и получить максимально выгодное предложение, свяжитесь с персональным менеджером или напишите нам на почту zakaz@podsnab.ru.
Вы можете оформить заказ несколькими способами:
Для оформления заказа от юридического лица свяжитесь с нашим отделом по работе с корпоративными клиентами по телефону +7 (495) 104-99-04 или напишите на email zakaz@podsnab.ru, прикрепив реквизиты вашей организации.
Мы оперативно подготовим коммерческое предложение и выставим счет.
Возврат товара надлежащего качества возможен в течение 10 дней с момента получения, если товар не был в употреблении, сохранен товарный вид, упаковка не вскрывалась и присутствуют все сопроводительные документы.
Возврат денежных средств осуществляется в течение 10 рабочих дней после проверки товара складом.
В соответствии с законодательством возврату не подлежат подшипники надлежащего качества, если отсутствует оригинальная упаковка или имеются следы монтажа.
В случае выявления брака или гарантийного случая мы гарантируем возврат или обмен товара.
Да, гарантийный срок хранения устанавливается заводом-изготовителем и в среднем составляет 2 года при соблюдении условий хранения: сухое помещение, оригинальная упаковка и смазка.
Точный срок для конкретного типа подшипника уточняйте у наших менеджеров.
Пн–Пт: с 8:00 до 17:00 (МСК).
Сб–Вс: выходные дни.
Заказы на сайте принимаются круглосуточно. Заявки, поступившие после окончания рабочего дня, обрабатываются на следующий рабочий день.
Минимальная сумма заказа для доставки составляет 3000 рублей. Самовывоз со склада возможен на любую сумму при наличии товара.
ООО «УралТехГрупп»
ИНН: 7415093830
КПП: 772401001
ОГРН: 1167456069021
Банк: ПАО Сбербанк
Р/с: 40702810838000475273
К/с: 30101810400000000225
БИК: 044525225
У подшипника NH202 E пока нет отзывов. Вы можете стать первым покупателем, поделившимся своим мнением.