Поиск подшипника
Статьи
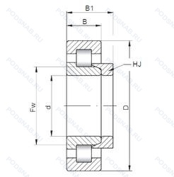
NH1060 — Роликовый радиальный однорядный подшипник, основное исполнение, выпускается производителями: CX, ISO, PSL.
Размер подшипника: 300x460x74 мм.
Серия подшипников NJ с упорным кольцом HJ(NJ+HJ=NH), канавка под стопорное кольцо на наружном кольце подшипника.
Международная стандартизации ISO
NH1060
В наличии
| Обозначение | Гост | Конструктивные особенности |
|---|---|---|
| 20-62160 ЛМ | ГОСТ | Сепаратор из латуни.. Модифицированный контакт.. |
| 6-32160 Г2М | ГОСТ | Модифицированный контакт.. Сепаратор из черных металлов.. |
| NUJ1060 | ISO | Роликовый радиальный однорядный подшипник. |
| PSL 412-305 | ISO | Роликовый радиальный однорядный подшипник. |
| 2160 | ГОСТ | Роликовый радиальный однорядный подшипник. |
| 20-32160 ЛМ | ГОСТ | Сепаратор из латуни.. Модифицированный контакт.. |
| 32160-Г2 | ГОСТ | Сепаратор из черных металлов.. |
| 32160-ЛМ | ГОСТ | Сепаратор из латуни.. Модифицированный контакт.. |
| NJ1060 | ISO | Штампованный сепаратор из стального листа. Канавка под стопорное кольцо на наружном кольце подшипника. Однорядный цилиндрический роликовый подшипник. Наружное кольцо имеет два борта. |
| NUP1060 | ISO | Сталь сквозной закалки SUJ2 (японская) и взаимозаменяемость (только для метрических серий). Канавка под стопорное кольцо на наружном кольце подшипника. Точность размеров примерно соответствует классу точности Р4. Однорядный цилиндрический роликовый подшипник. Наружное кольцо имеет два борта. |
| NP 1060 | ISO | Роликовый радиальный однорядный подшипник. |
| NU1060-M6+HJ1060 | ISO | 20-28 UM (C3 & C4). |
| NU1060-M6 | ISO | 20-28 UM (C3 & C4). |
| NU1060-MA6+HJ1060 | ISO | Изготовленный из двух частей латунный сепаратор. Центрирование по внешнему кольцу. Различные конструкции или сорта материалов обозначаются цифрой или буквой.. |
| NU1060-M6E-MA6 | ISO | Изготовленный из двух частей латунный сепаратор. Центрирование по внешнему кольцу. Различные конструкции или сорта материалов обозначаются цифрой или буквой.. |
| 8-32160 Г2М | ГОСТ | Модифицированный контакт.. Сепаратор из черных металлов.. |
| 62160-ЛМ | ГОСТ | Сепаратор из латуни.. Модифицированный контакт.. |
Аналог роликового подшипника NH1060 — это подшипник такого же размера dx300,Dx460,Bx74, типа и конструкции.
| Обозначение | Конструктивные особенности | Внутренний (d) | Наружный (D) | Ширина (B) |
|---|---|---|---|---|
| NU1060C3 | Однорядный цилиндрический роликовый подшипник. Внутренний зазор больше нормального. | 300.00 | 460.00 | 74.00 |
| 7060MP.UO | Подшипник шариковый однорядный радиально-упорный. Механически обработанный латунный сепаратор оконного типа. Универсальный монтаж. Для установки по O- и X- образной схеме - беззазорные.. | 300.00 | 460.00 | 74.00 |
| 7060BAG | Подшипник шариковый однорядный радиально-упорный. Универсальная установка. 40° Угол контакта. | 300.00 | 460.00 | 74.00 |
| 304184A | Подшипник однорядный шариковый радиальный. Измененная или модифицированная внутренняя конструкция при неизменных основных размерах. Как правило. значение буквы привязано к определенному подшипнику или серии подшипника. | 300.00 | 460.00 | 74.00 |
| NU1060-M1-C3 | Однорядный цилиндрический роликовый подшипник. Внутренний зазор больше нормального. Механически обработанный латунный сепаратор. вращающийся элемент качения (крестовина на заклепках). | 300.00 | 460.00 | 74.00 |
| NU1060-M1 | Однорядный цилиндрический роликовый подшипник. Механически обработанный латунный сепаратор. вращающийся элемент качения (крестовина на заклепках). | 300.00 | 460.00 | 74.00 |
| 32160-Г2М | Роликовый радиальный подшипник. Модифицированный контакт.. Сепаратор из черных металлов.. | 300.00 | 460.00 | 74.00 |
| 2007160А | Роликовый радиальный-упорный однорядный подшипник. Повышенная грузоподъемность. | 300.00 | 460.00 | 74.00 |
| 7060 AGM | Шариковый радиально-упорный подшипник. Измененная или модифицированная внутренняя конструкция при неизменных основных размерах. | 300.00 | 460.00 | 74.00 |
| QJ 1060 N2MA | Шариковый радиально-упорный подшипник. Измененная или модифицированная внутренняя конструкция при неизменных основных размерах. Шариковый подшипник с четырехточечным контактом. | 300.00 | 460.00 | 74.00 |
| 7060A | Шариковый радиально-упорный однорядный подшипник. Двухрядный радиально-упорный шарикоподшипник без отверстия для смазки. | 300.00 | 460.00 | 74.00 |
| 7060B | Шариковый радиально-упорный однорядный подшипник. Угол контакта 40°. | 300.00 | 460.00 | 74.00 |
| QJ1060 | Шариковый радиально-упорный однорядный подшипник. Штампованный сепаратор из стального листа. Шариковый подшипник с четырех-точечным контактом. | 300.00 | 460.00 | 74.00 |
| 9160K | Шариковый радиальный однорядный подшипник. Коническое отверстие. Конусность 1/12. | 300.00 | 460.00 | 74.00 |
| 20-60160 ЛМ | Шариковый радиальный однорядный подшипник. Сепаратор из латуни.. Модифицированный контакт.. | 300.00 | 460.00 | 74.00 |
Способы доставки
Отправка через ведущие транспортные и курьерские компании: ПЭК, Деловые Линии, СДЭК, Байкал-Сервис, Энергия, КИТ, ЖелДорЭкспедиция.
Самовывоз возможен напрямую со склада в Москве.
Сроки доставки
Срок зависит от региона и выбранной транспортной компании. Все заказы комплектуются и отправляются в кратчайшие сроки со склада в Москве.
Надёжность и сохранность
Вся продукция упаковывается с учётом требований транспортировки. Мы гарантируем, что подшипники и комплектующие прибудут к заказчику в полной сохранности.
Доставка в страны ЕАЭС
Мы работаем с проверенными логистическими партнёрами, что позволяет оперативно доставлять заказы в Беларусь, Казахстан, Армению и другие страны ЕАЭС.
Варианты оплаты:
Минимальная сумма заказа и скидки:
Документы и гарантии:
Да, конечно! Наши технические специалисты готовы помочь вам с подбором точного аналога или замены подшипника. Просто позвоните нам по телефону +7 (495) 104-99-04 или напишите на почту zakaz@podsnab.ru.
Для оперативной консультации подготовьте, пожалуйста, имеющиеся данные: маркировку, размеры, тип оборудования или артикул старого подшипника.
Да, конечно! Мы высоко ценим долгосрочное сотрудничество и доверие клиентов по всей России. Для постоянных клиентов действует персональная система скидок.
Условия формируются индивидуально и зависят от:
Чтобы узнать свои условия и получить максимально выгодное предложение, свяжитесь с персональным менеджером или напишите нам на почту zakaz@podsnab.ru.
Вы можете оформить заказ несколькими способами:
Для оформления заказа от юридического лица свяжитесь с нашим отделом по работе с корпоративными клиентами по телефону +7 (495) 104-99-04 или напишите на email zakaz@podsnab.ru, прикрепив реквизиты вашей организации.
Мы оперативно подготовим коммерческое предложение и выставим счет.
Возврат товара надлежащего качества возможен в течение 10 дней с момента получения, если товар не был в употреблении, сохранен товарный вид, упаковка не вскрывалась и присутствуют все сопроводительные документы.
Возврат денежных средств осуществляется в течение 10 рабочих дней после проверки товара складом.
В соответствии с законодательством возврату не подлежат подшипники надлежащего качества, если отсутствует оригинальная упаковка или имеются следы монтажа.
В случае выявления брака или гарантийного случая мы гарантируем возврат или обмен товара.
Да, гарантийный срок хранения устанавливается заводом-изготовителем и в среднем составляет 2 года при соблюдении условий хранения: сухое помещение, оригинальная упаковка и смазка.
Точный срок для конкретного типа подшипника уточняйте у наших менеджеров.
Пн–Пт: с 8:00 до 17:00 (МСК).
Сб–Вс: выходные дни.
Заказы на сайте принимаются круглосуточно. Заявки, поступившие после окончания рабочего дня, обрабатываются на следующий рабочий день.
Минимальная сумма заказа для доставки составляет 3000 рублей. Самовывоз со склада возможен на любую сумму при наличии товара.
ООО «УралТехГрупп»
ИНН: 7415093830
КПП: 772401001
ОГРН: 1167456069021
Банк: ПАО Сбербанк
Р/с: 40702810838000475273
К/с: 30101810400000000225
БИК: 044525225
У подшипника NH1060 пока нет отзывов. Вы можете стать первым покупателем, поделившимся своим мнением.