Поиск подшипника
Статьи
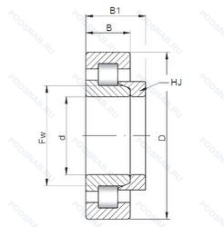
NH2211 E — Роликовый радиальный однорядный подшипник, модификация основного исполнения NH2211, производство CX.
Размер подшипника: 55x100x25 мм.
Серия подшипников NJ с упорным кольцом HJ(NJ+HJ=NH), повышенная грузоподъемность.
Международная стандартизации ISO
NH2211E
В наличии
| Обозначение | Конструктивные изменения |
|---|---|
| NH2211 | Канавка под стопорное кольцо на наружном кольце подшипника. Основное конструктивное исполнение. |
Модификации роликового подшипника NH2211 E — это измененное основное конструктивное исполнение NH2211, основные размеры (55x100x25) не отличаются.
| Обозначение | Гост | Конструктивные особенности |
|---|---|---|
| NUP2211-E-MPA | ISO | Повышенная грузоподъемность. Твердый латунный сепаратор. |
| NUP2211-E-M6 | ISO | Повышенная грузоподъемность. 20-28 UM (C3 & C4). |
| NUP2211-E-MA6 | ISO | Повышенная грузоподъемность. Изготовленный из двух частей латунный сепаратор. Центрирование по внешнему кольцу. Различные конструкции или сорта материалов обозначаются цифрой или буквой.. |
| NUP2211 ET | ISO | Сквозная закалка и шлифовка стали с переломом в одной точке. |
| N2211E | ISO | Повышенная грузоподъемность. |
| NJ2211R | ISO | С выпуклыми асимметричными роликами и обработанным сепаратором. |
| NJ2211EG | ISO | Игольчатые сепараторы для шатунов двигателей. |
| NU2211EG | ISO | Игольчатые сепараторы для шатунов двигателей. |
| NUP2211EG | ISO | Игольчатые сепараторы для шатунов двигателей. |
| NJ2211-E-MA6+HJ2211-E | ISO | Повышенная грузоподъемность. Изготовленный из двух частей латунный сепаратор. Центрирование по внешнему кольцу. Различные конструкции или сорта материалов обозначаются цифрой или буквой.. |
| NJ2211-E-M6+HJ2211-E | ISO | Повышенная грузоподъемность. 20-28 UM (C3 & C4). |
| NJ2211-E-TVP3 | ISO | Повышенная грузоподъемность. Цельный сепаратор из полиамида PA66-GF25. сепаратор оконного типа. направляемый телами качения. |
| NJ2211-E-MPA | ISO | Повышенная грузоподъемность. Твердый латунный сепаратор. |
| NJ2211-E-MPA+HJ2211-E | ISO | Повышенная грузоподъемность. Твердый латунный сепаратор. |
| NJ2211-E-TVP3+HJ2211-E | ISO | Повышенная грузоподъемность. Цельный сепаратор из полиамида PA66-GF25. сепаратор оконного типа. направляемый телами качения. |
| NJ2211-E-MA6 | ISO | Повышенная грузоподъемность. Изготовленный из двух частей латунный сепаратор. Центрирование по внешнему кольцу. Различные конструкции или сорта материалов обозначаются цифрой или буквой.. |
| NU2211-E-MPA | ISO | Повышенная грузоподъемность. Твердый латунный сепаратор. |
| NU2211-E-MA6 | ISO | Повышенная грузоподъемность. Изготовленный из двух частей латунный сепаратор. Центрирование по внешнему кольцу. Различные конструкции или сорта материалов обозначаются цифрой или буквой.. |
| NU2211-E-M6 | ISO | Повышенная грузоподъемность. 20-28 UM (C3 & C4). |
| NJ 2211 ECPH | ISO | Однорядный цилиндрический роликовый подшипник. |
Аналог роликового подшипника NH2211 E — это подшипник такого же размера dx55,Dx100,Bx25, типа и конструкции.
| Обозначение | Конструктивные особенности | Внутренний (d) | Наружный (D) | Ширина (B) |
|---|---|---|---|---|
| NJ 2211 ECML | Роликовый радиальный цилиндрический однорядный подшипник. Однорядный цилиндрический роликовый подшипник. | 55.00 | 100.00 | 25.00 |
| NUP 2211 ECJ | Роликовый радиальный цилиндрический однорядный подшипник. Два стальных сепаратора оконного типа. внутреннее кольцо без фланца. направляющее кольцо с усиленным роликом. Однорядный цилиндрический роликовый подшипник. | 55.00 | 100.00 | 25.00 |
| NCF2211-V | Роликовый радиальный цилиндрический однорядный подшипник. Бессепараторный подшипник. Однорядный без сепараторный цилиндрический роликовый подшипник. Два борта на внутреннем кольце и один борт на наружном. | 55.00 | 100.00 | 25.00 |
| NJ2211-E-TVP2 + HJ2211-E | Роликовый радиальный цилиндрический однорядный подшипник. Повышенная грузоподъемность. Твердый сепаратор оконного типа из армированного стекловолокном полиамида. | 55.00 | 100.00 | 25.00 |
| NU2211R | Роликовый радиальный цилиндрический однорядный подшипник. С выпуклыми асимметричными роликами и обработанным сепаратором. | 55.00 | 100.00 | 25.00 |
| NUP2211R | Роликовый радиальный цилиндрический однорядный подшипник. С выпуклыми асимметричными роликами и обработанным сепаратором. | 55.00 | 100.00 | 25.00 |
| 22211EX | Роликовый радиальный сферический двухрядный подшипник. Optimized Inner Construction - Extreme Quality F. Extreme Requirements. | 55.00 | 100.00 | 25.00 |
| 22211AEX | Роликовый радиальный сферический двухрядный подшипник. Высокоскоростной и высокопроизводительный сферический роликоподшипник. | 55.00 | 100.00 | 25.00 |
| 97511КМ | Роликовый радиальный-упорный двухрядный подшипник. Модифицированный контакт.. | 55.00 | 100.00 | 25.00 |
| 480211-А1С17 | Шариковый радиальный однорядный подшипник. Смазка Литол-24. Повышенная грузоподъемность. | 55.00 | 100.00 | 25.00 |
| 6-7511 А3 | Роликовый радиальный-упорный однорядный подшипник. Повышенная грузоподъемность. | 55.00 | 100.00 | 26.00 |
| 6-7511 М | Роликовый радиальный-упорный однорядный подшипник. Модифицированный контакт.. | 55.00 | 100.00 | 26.00 |
| 2211-K-2RS+H311 | Шариковый сферический двухрядный подшипник. Коническое внутреннее отверстие. Контактные уплотнения типа RS с обеих сторон игольчатого роликоподшипника. | 55.00 | 100.00 | 25.00 |
| 2211-K+H311 | Шариковый сферический двухрядный подшипник. Коническое внутреннее отверстие. | 55.00 | 100.00 | 25.00 |
| 5-7511 А3 | Роликовый радиальный-упорный однорядный подшипник. Повышенная грузоподъемность. | 55.00 | 100.00 | 26.00 |
Способы доставки
Отправка через ведущие транспортные и курьерские компании: ПЭК, Деловые Линии, СДЭК, Байкал-Сервис, Энергия, КИТ, ЖелДорЭкспедиция.
Самовывоз возможен напрямую со склада в Москве.
Сроки доставки
Срок зависит от региона и выбранной транспортной компании. Все заказы комплектуются и отправляются в кратчайшие сроки со склада в Москве.
Надёжность и сохранность
Вся продукция упаковывается с учётом требований транспортировки. Мы гарантируем, что подшипники и комплектующие прибудут к заказчику в полной сохранности.
Доставка в страны ЕАЭС
Мы работаем с проверенными логистическими партнёрами, что позволяет оперативно доставлять заказы в Беларусь, Казахстан, Армению и другие страны ЕАЭС.
Варианты оплаты:
Минимальная сумма заказа и скидки:
Документы и гарантии:
Да, конечно! Наши технические специалисты готовы помочь вам с подбором точного аналога или замены подшипника. Просто позвоните нам по телефону +7 (495) 104-99-04 или напишите на почту zakaz@podsnab.ru.
Для оперативной консультации подготовьте, пожалуйста, имеющиеся данные: маркировку, размеры, тип оборудования или артикул старого подшипника.
Да, конечно! Мы высоко ценим долгосрочное сотрудничество и доверие клиентов по всей России. Для постоянных клиентов действует персональная система скидок.
Условия формируются индивидуально и зависят от:
Чтобы узнать свои условия и получить максимально выгодное предложение, свяжитесь с персональным менеджером или напишите нам на почту zakaz@podsnab.ru.
Вы можете оформить заказ несколькими способами:
Для оформления заказа от юридического лица свяжитесь с нашим отделом по работе с корпоративными клиентами по телефону +7 (495) 104-99-04 или напишите на email zakaz@podsnab.ru, прикрепив реквизиты вашей организации.
Мы оперативно подготовим коммерческое предложение и выставим счет.
Возврат товара надлежащего качества возможен в течение 10 дней с момента получения, если товар не был в употреблении, сохранен товарный вид, упаковка не вскрывалась и присутствуют все сопроводительные документы.
Возврат денежных средств осуществляется в течение 10 рабочих дней после проверки товара складом.
В соответствии с законодательством возврату не подлежат подшипники надлежащего качества, если отсутствует оригинальная упаковка или имеются следы монтажа.
В случае выявления брака или гарантийного случая мы гарантируем возврат или обмен товара.
Да, гарантийный срок хранения устанавливается заводом-изготовителем и в среднем составляет 2 года при соблюдении условий хранения: сухое помещение, оригинальная упаковка и смазка.
Точный срок для конкретного типа подшипника уточняйте у наших менеджеров.
Пн–Пт: с 8:00 до 17:00 (МСК).
Сб–Вс: выходные дни.
Заказы на сайте принимаются круглосуточно. Заявки, поступившие после окончания рабочего дня, обрабатываются на следующий рабочий день.
Минимальная сумма заказа для доставки составляет 3000 рублей. Самовывоз со склада возможен на любую сумму при наличии товара.
ООО «УралТехГрупп»
ИНН: 7415093830
КПП: 772401001
ОГРН: 1167456069021
Банк: ПАО Сбербанк
Р/с: 40702810838000475273
К/с: 30101810400000000225
БИК: 044525225
У подшипника NH2211 E пока нет отзывов. Вы можете стать первым покупателем, поделившимся своим мнением.