Поиск подшипника
Статьи
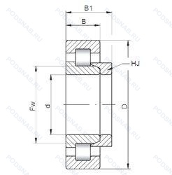
NH302 E — Роликовый радиальный однорядный подшипник, модификация основного исполнения NH302, производство CX.
Размер подшипника: 15x42x13 мм.
Серия подшипников NJ с упорным кольцом HJ(NJ+HJ=NH), повышенная грузоподъемность.
Международная стандартизации ISO
NH302E
В наличии
| Обозначение | Конструктивные изменения |
|---|---|
| NH302 | Канавка под стопорное кольцо на наружном кольце подшипника. Основное конструктивное исполнение. |
Модификации роликового подшипника NH302 E — это измененное основное конструктивное исполнение NH302, основные размеры (15x42x13) не отличаются.
| Обозначение | Гост | Конструктивные особенности |
|---|---|---|
| 2302 | ГОСТ | Роликовый радиальный однорядный подшипник. |
| 12302 | ГОСТ | Роликовый радиальный однорядный подшипник. |
| 32302 | ГОСТ | Роликовый радиальный однорядный подшипник. |
| 42302 | ГОСТ | Роликовый радиальный однорядный подшипник. |
| 12302-Б1 | ГОСТ | Сепаратор из безоловянистой бронзы.. |
| NJ302 E | ISO | Повышенная грузоподъемность. |
| NU302 E | ISO | Повышенная грузоподъемность. |
| NUP302 E | ISO | Повышенная грузоподъемность. |
| NUP302 | ISO | Канавка под стопорное кольцо на наружном кольце подшипника. Точность размеров примерно соответствует классу точности Р4. Однорядный цилиндрический роликовый подшипник. Наружное кольцо имеет два борта. |
| 96-32302 БТ | ГОСТ | Температура отпуска. 160°. Сепаратор из безоловянистой бронзы.. |
| 96-32302 Р1 | ГОСТ | Детали из теплоустойчивой (быстрорежущие) стали.. |
| 6-32302 Р1 | ГОСТ | Детали из теплоустойчивой (быстрорежущие) стали.. |
| 76-32302 Р1 | ГОСТ | Детали из теплоустойчивой (быстрорежущие) стали.. |
| 76-732302 ЮТ | ГОСТ | Температура отпуска. 160°. Все детали или часть деталей из нержавеющей стали.. |
| 76-732302 ЯУ | ГОСТ | Дополнительные технические требования. Детали (кольца. |
| 6-12302 Б1 | ГОСТ | Сепаратор из безоловянистой бронзы.. |
Аналог роликового подшипника NH302 E — это подшипник такого же размера dx15,Dx42,Bx13, типа и конструкции.
| Обозначение | Конструктивные особенности | Внутренний (d) | Наружный (D) | Ширина (B) |
|---|---|---|---|---|
| 1302S | Шариковый сферический двухрядный подшипник. Запечатанная версия кулачкового ролика. | 15.00 | 42.00 | 13.00 |
| 45-302 БТ2 | Шариковый радиальный однорядный подшипник. 200°. Температура отпуска. Сепаратор из безоловянистой бронзы.. | 15.00 | 42.00 | 13.00 |
| 46-302 Б2Т2 | Шариковый радиальный однорядный подшипник. 200°. Температура отпуска. Сепаратор из безоловянистой бронзы.. | 15.00 | 42.00 | 13.00 |
| 46302К | Шариковый радиально-упорный однорядный подшипник. «Замок» (скос) на внутреннем кольце плюс массивный сепаратор из текстолита. | 15.00 | 42.00 | 13.00 |
| 5-302 Б | Шариковый радиальный однорядный подшипник. Сепаратор из безоловянистой бронзы.. | 15.00 | 42.00 | 13.00 |
| 5-302 ЕТ8Ш2 | Шариковый радиальный однорядный подшипник. Сепаратор из текстолита.. Нормы шумности. Специальный режим термообработки деталей подшипника. | 15.00 | 42.00 | 13.00 |
| 5-302 ЕШ2 | Шариковый радиальный однорядный подшипник. Сепаратор из текстолита.. Нормы шумности. | 15.00 | 42.00 | 13.00 |
| 5-36302 Е | Шариковый радиально-упорный однорядный подшипник. Сепаратор из текстолита.. | 15.00 | 42.00 | 13.00 |
| 6-180302 С24 | Шариковый радиальный однорядный подшипник. Смазка СЭДА. | 15.00 | 42.00 | 13.00 |
| 6-180302 С9 | Шариковый радиальный однорядный подшипник. Смазка ЛЗ-31. | 15.00 | 42.00 | 13.00 |
| 6-180302 У2 | Шариковый радиальный однорядный подшипник. Дополнительные технические требования. | 15.00 | 42.00 | 13.00 |
| 6-180302 У2С24 | Шариковый радиальный однорядный подшипник. Дополнительные технические требования. Смазка СЭДА. | 15.00 | 42.00 | 13.00 |
| 6-180302 У2С24Ш1 | Шариковый радиальный однорядный подшипник. Нормы шумности. Дополнительные технические требования. Смазка СЭДА. | 15.00 | 42.00 | 13.00 |
| 6-180302 У2С9 | Шариковый радиальный однорядный подшипник. Дополнительные технические требования. Смазка ЛЗ-31. | 15.00 | 42.00 | 13.00 |
| 6-180302 У4С9 | Шариковый радиальный однорядный подшипник. Дополнительные технические требования. Смазка ЛЗ-31. | 15.00 | 42.00 | 13.00 |
Способы доставки
Отправка через ведущие транспортные и курьерские компании: ПЭК, Деловые Линии, СДЭК, Байкал-Сервис, Энергия, КИТ, ЖелДорЭкспедиция.
Самовывоз возможен напрямую со склада в Москве.
Сроки доставки
Срок зависит от региона и выбранной транспортной компании. Все заказы комплектуются и отправляются в кратчайшие сроки со склада в Москве.
Надёжность и сохранность
Вся продукция упаковывается с учётом требований транспортировки. Мы гарантируем, что подшипники и комплектующие прибудут к заказчику в полной сохранности.
Доставка в страны ЕАЭС
Мы работаем с проверенными логистическими партнёрами, что позволяет оперативно доставлять заказы в Беларусь, Казахстан, Армению и другие страны ЕАЭС.
Варианты оплаты:
Минимальная сумма заказа и скидки:
Документы и гарантии:
Да, конечно! Наши технические специалисты готовы помочь вам с подбором точного аналога или замены подшипника. Просто позвоните нам по телефону +7 (495) 104-99-04 или напишите на почту zakaz@podsnab.ru.
Для оперативной консультации подготовьте, пожалуйста, имеющиеся данные: маркировку, размеры, тип оборудования или артикул старого подшипника.
Да, конечно! Мы высоко ценим долгосрочное сотрудничество и доверие клиентов по всей России. Для постоянных клиентов действует персональная система скидок.
Условия формируются индивидуально и зависят от:
Чтобы узнать свои условия и получить максимально выгодное предложение, свяжитесь с персональным менеджером или напишите нам на почту zakaz@podsnab.ru.
Вы можете оформить заказ несколькими способами:
Для оформления заказа от юридического лица свяжитесь с нашим отделом по работе с корпоративными клиентами по телефону +7 (495) 104-99-04 или напишите на email zakaz@podsnab.ru, прикрепив реквизиты вашей организации.
Мы оперативно подготовим коммерческое предложение и выставим счет.
Возврат товара надлежащего качества возможен в течение 10 дней с момента получения, если товар не был в употреблении, сохранен товарный вид, упаковка не вскрывалась и присутствуют все сопроводительные документы.
Возврат денежных средств осуществляется в течение 10 рабочих дней после проверки товара складом.
В соответствии с законодательством возврату не подлежат подшипники надлежащего качества, если отсутствует оригинальная упаковка или имеются следы монтажа.
В случае выявления брака или гарантийного случая мы гарантируем возврат или обмен товара.
Да, гарантийный срок хранения устанавливается заводом-изготовителем и в среднем составляет 2 года при соблюдении условий хранения: сухое помещение, оригинальная упаковка и смазка.
Точный срок для конкретного типа подшипника уточняйте у наших менеджеров.
Пн–Пт: с 8:00 до 17:00 (МСК).
Сб–Вс: выходные дни.
Заказы на сайте принимаются круглосуточно. Заявки, поступившие после окончания рабочего дня, обрабатываются на следующий рабочий день.
Минимальная сумма заказа для доставки составляет 3000 рублей. Самовывоз со склада возможен на любую сумму при наличии товара.
ООО «УралТехГрупп»
ИНН: 7415093830
КПП: 772401001
ОГРН: 1167456069021
Банк: ПАО Сбербанк
Р/с: 40702810838000475273
К/с: 30101810400000000225
БИК: 044525225
У подшипника NH302 E пока нет отзывов. Вы можете стать первым покупателем, поделившимся своим мнением.