Поиск подшипника
Статьи
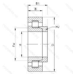
NH234 E — Роликовый радиальный однорядный подшипник, модификация основного исполнения NH234, производство CX.
Размер подшипника: 170x310x52 мм.
Серия подшипников NJ с упорным кольцом HJ(NJ+HJ=NH), повышенная грузоподъемность.
Международная стандартизации ISO
NH234E
В наличии
| Обозначение | Конструктивные изменения |
|---|---|
| NH234 | Канавка под стопорное кольцо на наружном кольце подшипника. Основное конструктивное исполнение. |
Модификации роликового подшипника NH234 E — это измененное основное конструктивное исполнение NH234, основные размеры (170x310x52) не отличаются.
| Обозначение | Гост | Конструктивные особенности |
|---|---|---|
| NJ234-E-MA6+HJ234-E | ISO | Повышенная грузоподъемность. Изготовленный из двух частей латунный сепаратор. Центрирование по внешнему кольцу. Различные конструкции или сорта материалов обозначаются цифрой или буквой.. |
| NJ234-E-MPA+HJ234-E | ISO | Повышенная грузоподъемность. Твердый латунный сепаратор. |
| NJ234-E-M6 | ISO | Повышенная грузоподъемность. 20-28 UM (C3 & C4). |
| NU234-E-MA6 | ISO | Повышенная грузоподъемность. Изготовленный из двух частей латунный сепаратор. Центрирование по внешнему кольцу. Различные конструкции или сорта материалов обозначаются цифрой или буквой.. |
| NU234-E-M6 | ISO | Повышенная грузоподъемность. 20-28 UM (C3 & C4). |
| NU234-E-MPA | ISO | Повышенная грузоподъемность. Твердый латунный сепаратор. |
| 8-32234 М | ГОСТ | Модифицированный контакт.. |
| 8-42234 ЛМ | ГОСТ | Сепаратор из латуни.. Модифицированный контакт.. |
| 80-42234 ЛМ | ГОСТ | Сепаратор из латуни.. Модифицированный контакт.. |
| 90-32234 М | ГОСТ | Модифицированный контакт.. |
| 6-2234 КМ | ГОСТ | Модифицированный контакт.. |
| 70-42234 ЛМ | ГОСТ | Сепаратор из латуни.. Модифицированный контакт.. |
| 70-42234 ЛМ1 | ГОСТ | Сепаратор из латуни.. Модифицированный контакт.. |
| NJ 234 ECML | ISO | Однорядный цилиндрический роликовый подшипник. |
| NU 234 ECML | ISO | Однорядный цилиндрический роликовый подшипник. |
| 42234-M | ГОСТ | Подшипник с латунным сепаратором. центрированный по телам качения. |
| 42234-Л | ГОСТ | Сепаратор из латуни.. |
| 42234-ЛМ | ГОСТ | Сепаратор из латуни.. Модифицированный контакт.. |
| 42234-М | ГОСТ | Модифицированный контакт.. |
| 42234ЛМ1 | ГОСТ | Сепаратор из латуни.. Модифицированный контакт.. |
Аналог роликового подшипника NH234 E — это подшипник такого же размера dx170,Dx310,Bx52, типа и конструкции.
| Обозначение | Конструктивные особенности | Внутренний (d) | Наружный (D) | Ширина (B) |
|---|---|---|---|---|
| 6-234 АЛШ1 | Шариковый радиальный однорядный подшипник. Сепаратор из латуни.. Повышенная грузоподъемность. Нормы шумности. | 170.00 | 310.00 | 52.00 |
| 6-234 АЛШ | Шариковый радиальный однорядный подшипник. Сепаратор из латуни.. Повышенная грузоподъемность. Нормы шумности. | 170.00 | 310.00 | 52.00 |
| 6234-2RS | Шариковый радиальный однорядный подшипник. Резиновые уплотнения с каждой стороны подшипника. | 170.00 | 310.00 | 52.00 |
| 6234Z | Шариковый радиальный однорядный подшипник. Стальная шайба. | 170.00 | 310.00 | 52.00 |
| 6234-RS | Шариковый радиальный однорядный подшипник. Резиновое уплотнение с одной стороны. | 170.00 | 310.00 | 52.00 |
| 6234ZX | Шариковый радиальный однорядный подшипник. Съемная защитная шайба с одной стороны. | 170.00 | 310.00 | 52.00 |
| 6-46234 Л | Шариковый радиально-упорный однорядный подшипник. Сепаратор из латуни.. | 170.00 | 310.00 | 52.00 |
| 70-32234 М | Роликовый радиальный подшипник. Модифицированный контакт.. | 170.00 | 310.00 | 52.00 |
| 7234A | Роликовый радиальный-упорный однорядный подшипник. Двухрядный радиально-упорный шарикоподшипник без отверстия для смазки. | 170.00 | 310.00 | 52.00 |
| 736234-Т3 | Шариковый радиально-упорный однорядный подшипник. 250°. Температура отпуска. | 170.00 | 310.00 | 52.00 |
| 234-АЛ | Шариковый радиальный однорядный подшипник. Сепаратор из латуни.. Повышенная грузоподъемность. | 170.00 | 310.00 | 52.00 |
| 234-Л | Шариковый радиальный однорядный подшипник. Сепаратор из латуни.. | 170.00 | 310.00 | 52.00 |
| 46234-Л | Шариковый радиально-упорный однорядный подшипник. Сепаратор из латуни.. | 170.00 | 310.00 | 52.00 |
| 46234К | Шариковый радиально-упорный однорядный подшипник. «Замок» (скос) на внутреннем кольце плюс массивный сепаратор из текстолита. | 170.00 | 310.00 | 52.00 |
| 5-36234 Л | Шариковый радиально-упорный однорядный подшипник. Сепаратор из латуни.. | 170.00 | 310.00 | 52.00 |
Способы доставки
Отправка через ведущие транспортные и курьерские компании: ПЭК, Деловые Линии, СДЭК, Байкал-Сервис, Энергия, КИТ, ЖелДорЭкспедиция.
Самовывоз возможен напрямую со склада в Москве.
Сроки доставки
Срок зависит от региона и выбранной транспортной компании. Все заказы комплектуются и отправляются в кратчайшие сроки со склада в Москве.
Надёжность и сохранность
Вся продукция упаковывается с учётом требований транспортировки. Мы гарантируем, что подшипники и комплектующие прибудут к заказчику в полной сохранности.
Доставка в страны ЕАЭС
Мы работаем с проверенными логистическими партнёрами, что позволяет оперативно доставлять заказы в Беларусь, Казахстан, Армению и другие страны ЕАЭС.
Варианты оплаты:
Минимальная сумма заказа и скидки:
Документы и гарантии:
Да, конечно! Наши технические специалисты готовы помочь вам с подбором точного аналога или замены подшипника. Просто позвоните нам по телефону +7 (495) 104-99-04 или напишите на почту zakaz@podsnab.ru.
Для оперативной консультации подготовьте, пожалуйста, имеющиеся данные: маркировку, размеры, тип оборудования или артикул старого подшипника.
Да, конечно! Мы высоко ценим долгосрочное сотрудничество и доверие клиентов по всей России. Для постоянных клиентов действует персональная система скидок.
Условия формируются индивидуально и зависят от:
Чтобы узнать свои условия и получить максимально выгодное предложение, свяжитесь с персональным менеджером или напишите нам на почту zakaz@podsnab.ru.
Вы можете оформить заказ несколькими способами:
Для оформления заказа от юридического лица свяжитесь с нашим отделом по работе с корпоративными клиентами по телефону +7 (495) 104-99-04 или напишите на email zakaz@podsnab.ru, прикрепив реквизиты вашей организации.
Мы оперативно подготовим коммерческое предложение и выставим счет.
Возврат товара надлежащего качества возможен в течение 10 дней с момента получения, если товар не был в употреблении, сохранен товарный вид, упаковка не вскрывалась и присутствуют все сопроводительные документы.
Возврат денежных средств осуществляется в течение 10 рабочих дней после проверки товара складом.
В соответствии с законодательством возврату не подлежат подшипники надлежащего качества, если отсутствует оригинальная упаковка или имеются следы монтажа.
В случае выявления брака или гарантийного случая мы гарантируем возврат или обмен товара.
Да, гарантийный срок хранения устанавливается заводом-изготовителем и в среднем составляет 2 года при соблюдении условий хранения: сухое помещение, оригинальная упаковка и смазка.
Точный срок для конкретного типа подшипника уточняйте у наших менеджеров.
Пн–Пт: с 8:00 до 17:00 (МСК).
Сб–Вс: выходные дни.
Заказы на сайте принимаются круглосуточно. Заявки, поступившие после окончания рабочего дня, обрабатываются на следующий рабочий день.
Минимальная сумма заказа для доставки составляет 3000 рублей. Самовывоз со склада возможен на любую сумму при наличии товара.
ООО «УралТехГрупп»
ИНН: 7415093830
КПП: 772401001
ОГРН: 1167456069021
Банк: ПАО Сбербанк
Р/с: 40702810838000475273
К/с: 30101810400000000225
БИК: 044525225
У подшипника NH234 E пока нет отзывов. Вы можете стать первым покупателем, поделившимся своим мнением.