Поиск подшипника
Статьи
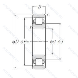
N2305E — Роликовый радиальный однорядный подшипник, модификация основного исполнения N2305, производство CYSD.
Размер подшипника: 25x62x24 мм.
Однорядный цилиндрический роликоподшипник. Внутреннее кольцо подшипника имеет два борта, наружное — без бортов, повышенная грузоподъемность.
Международная стандартизации ISO
N2305E
В наличии
| Обозначение | Конструктивные изменения |
|---|---|
| N2305 | Роликовый радиальный однорядный подшипник. Основное конструктивное исполнение. |
| N2305ECP | Оптимизированная внутренняя конструкция предусматривает увеличенное количество роликов и/или ролики большего размера с улучшенными условиями контакта торцов роликов с бортами внутреннего кольца. Сепаратор из стеклонаполненного полиамида PA66. центрируемый по роликам. |
| N2305J7 | Прессованный незакаленный стальной сепаратор, центрирование элементов качения. |
| N2305G15 | Литой сепаратор из полиамида 6.6. армированного стекловолокном. Центрированный элемент качения.. |
| N2305G1 | Обработанный латунный сепаратор для цилиндрических роликоподшипников. |
| N2305M | Подшипник с латунным сепаратором. центрированный по телам качения. |
Модификации роликового подшипника N2305E — это измененное основное конструктивное исполнение N2305, основные размеры (25x62x24) не отличаются.
| Обозначение | Гост | Конструктивные особенности |
|---|---|---|
| 20-102605 М | ГОСТ | Модифицированный контакт.. |
| 20-102605 М1 | ГОСТ | Модифицированный контакт.. |
| 28-102605 М | ГОСТ | Модифицированный контакт.. |
| 32605-КМ | ГОСТ | Кольцевая проточка на середине цилиндрической наружной поверхности наружного кольца плюс три отверстия для смазки. Модифицированный контакт.. |
| 32605KM | ГОСТ | Type Of Model. |
| 32605M | ГОСТ | Подшипник с латунным сепаратором. центрированный по телам качения. |
| NUP2305 EN | ISO | Увеличенная грузоподъемность и канавка под стопорное кольцо на наружном кольце. |
| NH2305 E | ISO | Повышенная грузоподъемность. |
| NJF2305 V | ISO | Бессепараторный подшипник. |
| NH2305 | ISO | Канавка под стопорное кольцо на наружном кольце подшипника. |
| NJ2305R | ISO | С выпуклыми асимметричными роликами и обработанным сепаратором. |
| NJ2305-E-TVP3+HJ2305-E | ISO | Повышенная грузоподъемность. Цельный сепаратор из полиамида PA66-GF25. сепаратор оконного типа. направляемый телами качения. |
| NJ2305-E-MPA | ISO | Повышенная грузоподъемность. Твердый латунный сепаратор. |
| NJ2305-E-MPA+HJ2305-E | ISO | Повышенная грузоподъемность. Твердый латунный сепаратор. |
| NJ2305-VH | ISO | Полный набор роликов (без сепаратора). Самоудерживающиеся. |
| NU2305-E-MPA | ISO | Повышенная грузоподъемность. Твердый латунный сепаратор. |
| 70-32605 КМ | ГОСТ | Кольцевая проточка на середине цилиндрической наружной поверхности наружного кольца плюс три отверстия для смазки. Модифицированный контакт.. |
| 78-32605 КМ | ГОСТ | Модифицированный контакт.. |
| 42605-Е | ГОСТ | Сепаратор из текстолита.. |
| 42605-Л | ГОСТ | Сепаратор из латуни.. |
Аналог роликового подшипника N2305E — это подшипник такого же размера dx25,Dx62,Bx24, типа и конструкции.
| Обозначение | Конструктивные особенности | Внутренний (d) | Наружный (D) | Ширина (B) |
|---|---|---|---|---|
| 160605-КШ1 | Шариковый радиальный однорядный подшипник. «Замок» (скос) на внутреннем кольце плюс массивный сепаратор из текстолита. Нормы шумности. | 25.00 | 62.00 | 24.00 |
| 180605-АЕ1 | Шариковый радиальный однорядный подшипник. Сепаратор из текстолита.. Повышенная грузоподъемность. | 25.00 | 62.00 | 24.00 |
| 180605-АК2 | Шариковый радиальный однорядный подшипник. Повышенная грузоподъемность. | 25.00 | 62.00 | 24.00 |
| 180605-КС9 | Шариковый радиальный однорядный подшипник. «Замок» (скос) на внутреннем кольце плюс массивный сепаратор из текстолита. Смазка ЛЗ-31. | 25.00 | 62.00 | 24.00 |
| 180605-КС9Ш1 | Шариковый радиальный однорядный подшипник. «Замок» (скос) на внутреннем кольце плюс массивный сепаратор из текстолита. Нормы шумности. Смазка ЛЗ-31. | 25.00 | 62.00 | 24.00 |
| 180605-С9 | Шариковый радиальный однорядный подшипник. Смазка ЛЗ-31. | 25.00 | 62.00 | 24.00 |
| 2305K+H2305 | Шариковый сферический двухрядный подшипник. Коническое внутреннее отверстие. | 25.00 | 62.00 | 24.00 |
| 2305E-2RS1KTN9 | Шариковый сферический двухрядный подшипник. Повышенная грузоподъемность. | 25.00 | 62.00 | 24.00 |
| 6-1605 Л | Шариковый радиальный двухрядный подшипник. Сепаратор из латуни.. | 25.00 | 62.00 | 24.00 |
| 6-160605 КШ1 | Шариковый радиальный однорядный подшипник. «Замок» (скос) на внутреннем кольце плюс массивный сепаратор из текстолита. Нормы шумности. | 25.00 | 62.00 | 24.00 |
| 6-180605 К1УС9Ш1 | Шариковый радиальный однорядный подшипник. Дополнительные технические требования. Нормы шумности. Смазка ЛЗ-31. | 25.00 | 62.00 | 24.00 |
| 6-180605 КС9 | Шариковый радиальный однорядный подшипник. Смазка ЛЗ-31. | 25.00 | 62.00 | 24.00 |
| 6-180605 КС9Ш | Шариковый радиальный однорядный подшипник. Нормы шумности. Смазка ЛЗ-31. | 25.00 | 62.00 | 24.00 |
| 6-180605 КС9Ш1 | Шариковый радиальный однорядный подшипник. Нормы шумности. Смазка ЛЗ-31. | 25.00 | 62.00 | 24.00 |
| 6-180605 КС9Ш2У | Шариковый радиальный однорядный подшипник. Дополнительные технические требования. Нормы шумности. Смазка ЛЗ-31. | 25.00 | 62.00 | 24.00 |
Способы доставки
Отправка через ведущие транспортные и курьерские компании: ПЭК, Деловые Линии, СДЭК, Байкал-Сервис, Энергия, КИТ, ЖелДорЭкспедиция.
Самовывоз возможен напрямую со склада в Москве.
Сроки доставки
Срок зависит от региона и выбранной транспортной компании. Все заказы комплектуются и отправляются в кратчайшие сроки со склада в Москве.
Надёжность и сохранность
Вся продукция упаковывается с учётом требований транспортировки. Мы гарантируем, что подшипники и комплектующие прибудут к заказчику в полной сохранности.
Доставка в страны ЕАЭС
Мы работаем с проверенными логистическими партнёрами, что позволяет оперативно доставлять заказы в Беларусь, Казахстан, Армению и другие страны ЕАЭС.
Варианты оплаты:
Минимальная сумма заказа и скидки:
Документы и гарантии:
Да, конечно! Наши технические специалисты готовы помочь вам с подбором точного аналога или замены подшипника. Просто позвоните нам по телефону +7 (495) 104-99-04 или напишите на почту zakaz@podsnab.ru.
Для оперативной консультации подготовьте, пожалуйста, имеющиеся данные: маркировку, размеры, тип оборудования или артикул старого подшипника.
Да, конечно! Мы высоко ценим долгосрочное сотрудничество и доверие клиентов по всей России. Для постоянных клиентов действует персональная система скидок.
Условия формируются индивидуально и зависят от:
Чтобы узнать свои условия и получить максимально выгодное предложение, свяжитесь с персональным менеджером или напишите нам на почту zakaz@podsnab.ru.
Вы можете оформить заказ несколькими способами:
Для оформления заказа от юридического лица свяжитесь с нашим отделом по работе с корпоративными клиентами по телефону +7 (495) 104-99-04 или напишите на email zakaz@podsnab.ru, прикрепив реквизиты вашей организации.
Мы оперативно подготовим коммерческое предложение и выставим счет.
Возврат товара надлежащего качества возможен в течение 10 дней с момента получения, если товар не был в употреблении, сохранен товарный вид, упаковка не вскрывалась и присутствуют все сопроводительные документы.
Возврат денежных средств осуществляется в течение 10 рабочих дней после проверки товара складом.
В соответствии с законодательством возврату не подлежат подшипники надлежащего качества, если отсутствует оригинальная упаковка или имеются следы монтажа.
В случае выявления брака или гарантийного случая мы гарантируем возврат или обмен товара.
Да, гарантийный срок хранения устанавливается заводом-изготовителем и в среднем составляет 2 года при соблюдении условий хранения: сухое помещение, оригинальная упаковка и смазка.
Точный срок для конкретного типа подшипника уточняйте у наших менеджеров.
Пн–Пт: с 8:00 до 17:00 (МСК).
Сб–Вс: выходные дни.
Заказы на сайте принимаются круглосуточно. Заявки, поступившие после окончания рабочего дня, обрабатываются на следующий рабочий день.
Минимальная сумма заказа для доставки составляет 3000 рублей. Самовывоз со склада возможен на любую сумму при наличии товара.
ООО «УралТехГрупп»
ИНН: 7415093830
КПП: 772401001
ОГРН: 1167456069021
Банк: ПАО Сбербанк
Р/с: 40702810838000475273
К/с: 30101810400000000225
БИК: 044525225
У подшипника N2305E пока нет отзывов. Вы можете стать первым покупателем, поделившимся своим мнением.