Поиск подшипника
Статьи
NN30/500-AS-K-M-SP — Роликовый радиальный двухрядный подшипник, модификация основного исполнения NN30, выпускается производителями: FAG, INA.
Размер подшипника: 500x720x167 мм.
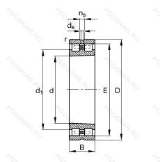
Двухрядный цилиндрический роликоподшипник, длина в мм, точность размеров примерно соответствует классу точности р5. биения — классу точности р4, смазка aeroshell 7. диапазон от –10°c до 110°c, коническое отверстие. конусность 1/12, подшипник с латунным сепаратором. центрированный по телам качения.
Международная стандартизации ISO
NN30500ASKMSP
В наличии
| Обозначение | Конструктивные изменения |
|---|---|
| NN30/500K/SP | Коническое отверстие. конус 1/12. Точность размеров примерно соответствует классу точности Р5. биения — классу точности Р4. |
| NN30/750KE3CC1 | Коническое отверстие. конус 1/12. Для невзаимозаменяемых цилиндрических роликоподшипников. Зазор менее СС2. |
| NN30/560-AS-K-M-SP | Коническое отверстие. конус 1/12. Латунный сепаратор. Центрированный по роликам. Подшипник супер точный. Смазка Aeroshell 7. Диапазон от –10°C до 110°C.. |
| NN30/750-AS-K-M-SP | Коническое отверстие. конус 1/12. Латунный сепаратор. Центрированный по роликам. Подшипник супер точный. Смазка Aeroshell 7. Диапазон от –10°C до 110°C.. Длина направляющей. |
| NN30/750-AS-K-M-SP-H74 | Коническое отверстие. конус 1/12. Латунный сепаратор. Центрированный по роликам. Подшипник супер точный. Смазка Aeroshell 7. Диапазон от –10°C до 110°C.. Double Row Cylindrical Roller Bearings With Restricted Tolerances_ Maximum Radial Runout Marked On The Inner Ring_ Measuring Report_ H74 Replaces 700511. Длина направляющей. |
| NN30/800KWD1CS140P5 | Роликовый радиальный двухрядный подшипник. |
| NN30/600KC1NAP4 | Роликовый радиальный двухрядный подшипник. |
| NN30/600KW-3D1CS120P5 | Роликовый радиальный двухрядный подшипник. |
| NN30/500C1NAP4 | Роликовый радиальный двухрядный подшипник. |
| NN30/600C1NAP4 | Роликовый радиальный двухрядный подшипник. |
| NN30/710KWD1C1NAP5 | Роликовый радиальный двухрядный подшипник. |
| NN30/950KWD1C1NAP5 | Роликовый радиальный двухрядный подшипник. |
| NN30/600 | Длина направляющей. Двухрядный цилиндрический роликовый подшипник. |
| NN30/500 K | Коническое внутреннее отверстие. Длина в мм. Двухрядный цилиндрический роликовый подшипник. |
| NN30/500 | Длина в мм. Двухрядный цилиндрический роликовый подшипник. |
| NN30/600 K | Коническое внутреннее отверстие. Длина направляющей. Двухрядный цилиндрический роликовый подшипник. |
Модификации роликового подшипника NN30/500-AS-K-M-SP — это измененное основное конструктивное исполнение NN30, основные размеры (500x720x167) не отличаются.
| Обозначение | Гост | Конструктивные особенности |
|---|---|---|
| NNU30/500C1NAP4 | ISO | Роликовый радиальный двухрядный подшипник. |
Аналог роликового подшипника NN30/500-AS-K-M-SP — это подшипник такого же размера dx500,Dx720,Bx167, типа и конструкции.
| Обозначение | Конструктивные особенности | Внутренний (d) | Наружный (D) | Ширина (B) |
|---|---|---|---|---|
| 230/500-E1A-MB1 | Роликовый радиальный сферический двухрядный подшипник. Латунный сепаратор. массивный. | 500.00 | 720.00 | 167.00 |
| 230/500-B-K-MB+AHX30/500 | Роликовый радиальный сферический двухрядный подшипник. Коническое отверстие. Конусность 1/12. Конический роликовый подшипник. Угол контакта 20 градусов. сепаратор из латуни. центрированный по внутреннему кольцу. Длина в мм. | 500.00 | 720.00 | 167.00 |
| 230/500-B-K-MB+H30/500 | Роликовый радиальный сферический двухрядный подшипник. Коническое отверстие. Конусность 1/12. Конический роликовый подшипник. Угол контакта 20 градусов. сепаратор из латуни. центрированный по внутреннему кольцу. Длина в мм. | 500.00 | 720.00 | 167.00 |
| 30531/500Н | Роликовый радиальный сферический двухрядный подшипник. Детали из теплостойкой стали. | 500.00 | 720.00 | 167.00 |
| 31531/500Н | Роликовый радиальный сферический двухрядный подшипник. Детали из теплостойкой стали. | 500.00 | 720.00 | 167.00 |
| NU 30/500 ECFR | Роликовый радиальный цилиндрический однорядный подшипник. Однорядный цилиндрический роликовый подшипник. | 500.00 | 720.00 | 167.00 |
| NCF 30/500 CV | Роликовый радиальный цилиндрический однорядный подшипник. Однорядный без сепараторный цилиндрический роликовый подшипник. | 500.00 | 720.00 | 167.00 |
| NJ30/500 | Роликовый радиальный однорядный подшипник. Длина в мм. Однорядный цилиндрический роликовый подшипник. Наружное кольцо имеет два борта. | 500.00 | 720.00 | 167.00 |
| NU30/500 | Роликовый радиальный однорядный подшипник. Длина в мм. Однорядные цилиндрические роликоподшипники. Наружное кольцо подшипника имеет два борта. | 500.00 | 720.00 | 167.00 |
| NUP30/500 | Роликовый радиальный однорядный подшипник. Длина в мм. Однорядный цилиндрический роликовый подшипник. Наружное кольцо имеет два борта. | 500.00 | 720.00 | 167.00 |
| Z-565680.ZL-K-C5 | Роликовый радиальный подшипник. Коническое отверстие. Конусность 1/12. Внутренний зазор подшипника больше. чем С4. Цилиндрический роликовый подшипник. | 500.00 | 720.00 | 167.00 |
| 230/500E | Роликовый радиальный сферический двухрядный подшипник. Повышенная грузоподъемность. | 500.00 | 720.00 | 167.00 |
| 230/500EK | Роликовый радиальный сферический двухрядный подшипник. | 500.00 | 720.00 | 167.00 |
| 4130/500 | Роликовый радиальный-упорный двухрядный подшипник. Длина в мм. | 500.00 | 720.00 | 167.00 |
| 462/500 | Роликовый радиальный-упорный двухрядный подшипник. Длина в мм. | 500.00 | 720.00 | 167.00 |
Способы доставки
Отправка через ведущие транспортные и курьерские компании: ПЭК, Деловые Линии, СДЭК, Байкал-Сервис, Энергия, КИТ, ЖелДорЭкспедиция.
Самовывоз возможен напрямую со склада в Москве.
Сроки доставки
Срок зависит от региона и выбранной транспортной компании. Все заказы комплектуются и отправляются в кратчайшие сроки со склада в Москве.
Надёжность и сохранность
Вся продукция упаковывается с учётом требований транспортировки. Мы гарантируем, что подшипники и комплектующие прибудут к заказчику в полной сохранности.
Доставка в страны ЕАЭС
Мы работаем с проверенными логистическими партнёрами, что позволяет оперативно доставлять заказы в Беларусь, Казахстан, Армению и другие страны ЕАЭС.
Варианты оплаты:
Минимальная сумма заказа и скидки:
Документы и гарантии:
Да, конечно! Наши технические специалисты готовы помочь вам с подбором точного аналога или замены подшипника. Просто позвоните нам по телефону +7 (495) 104-99-04 или напишите на почту zakaz@podsnab.ru.
Для оперативной консультации подготовьте, пожалуйста, имеющиеся данные: маркировку, размеры, тип оборудования или артикул старого подшипника.
Да, конечно! Мы высоко ценим долгосрочное сотрудничество и доверие клиентов по всей России. Для постоянных клиентов действует персональная система скидок.
Условия формируются индивидуально и зависят от:
Чтобы узнать свои условия и получить максимально выгодное предложение, свяжитесь с персональным менеджером или напишите нам на почту zakaz@podsnab.ru.
Вы можете оформить заказ несколькими способами:
Для оформления заказа от юридического лица свяжитесь с нашим отделом по работе с корпоративными клиентами по телефону +7 (495) 104-99-04 или напишите на email zakaz@podsnab.ru, прикрепив реквизиты вашей организации.
Мы оперативно подготовим коммерческое предложение и выставим счет.
Возврат товара надлежащего качества возможен в течение 10 дней с момента получения, если товар не был в употреблении, сохранен товарный вид, упаковка не вскрывалась и присутствуют все сопроводительные документы.
Возврат денежных средств осуществляется в течение 10 рабочих дней после проверки товара складом.
В соответствии с законодательством возврату не подлежат подшипники надлежащего качества, если отсутствует оригинальная упаковка или имеются следы монтажа.
В случае выявления брака или гарантийного случая мы гарантируем возврат или обмен товара.
Да, гарантийный срок хранения устанавливается заводом-изготовителем и в среднем составляет 2 года при соблюдении условий хранения: сухое помещение, оригинальная упаковка и смазка.
Точный срок для конкретного типа подшипника уточняйте у наших менеджеров.
Пн–Пт: с 8:00 до 17:00 (МСК).
Сб–Вс: выходные дни.
Заказы на сайте принимаются круглосуточно. Заявки, поступившие после окончания рабочего дня, обрабатываются на следующий рабочий день.
Минимальная сумма заказа для доставки составляет 3000 рублей. Самовывоз со склада возможен на любую сумму при наличии товара.
ООО «УралТехГрупп»
ИНН: 7415093830
КПП: 772401001
ОГРН: 1167456069021
Банк: ПАО Сбербанк
Р/с: 40702810838000475273
К/с: 30101810400000000225
БИК: 044525225
У подшипника NN30/500-AS-K-M-SP пока нет отзывов. Вы можете стать первым покупателем, поделившимся своим мнением.