Поиск подшипника
Статьи
NN3068-AS-K-M-SP — Роликовый радиальный двухрядный подшипник, модификация основного исполнения NN3068, выпускается производителями: FAG, INA.
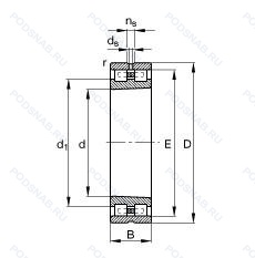
Размер подшипника: 340x520x133 мм.
Двухрядный цилиндрический роликоподшипник, точность размеров примерно соответствует классу точности р5. биения — классу точности р4, смазка aeroshell 7. диапазон от –10°c до 110°c, коническое отверстие. конусность 1/12, подшипник с латунным сепаратором. центрированный по телам качения.
Аналоги: 3282168.
Международная стандартизации ISO
NN3068ASKMSP
В наличии
| Обозначение | Конструктивные изменения |
|---|---|
| NN3068K | Коническое отверстие. конус 1/12. Двухрядный цилиндрический роликовый подшипник. |
| NN3068K SP W33 | Канавка для смазки и три отверстия во внешнем кольце подшипника. Коническое отверстие. конус 1/12. Точность размеров примерно соответствует классу точности Р5. биения — классу точности Р4. Двухрядный цилиндрический роликовый подшипник. |
| NN3068C1NAP4 | Роликовый радиальный двухрядный подшипник. |
| NN3068KC1NAP4 | Роликовый радиальный двухрядный подшипник. |
| NN3068KWD1C1NAP5 | Роликовый радиальный двухрядный подшипник. |
| NN3068 | Канавка под стопорное кольцо на наружном кольце подшипника. Двухрядный цилиндрический роликовый подшипник. Основное конструктивное исполнение. |
Модификации роликового подшипника NN3068-AS-K-M-SP — это измененное основное конструктивное исполнение NN3068, основные размеры (340x520x133) не отличаются.
| Обозначение | Гост | Конструктивные особенности |
|---|---|---|
| 30-3113168 Н | ГОСТ | Детали из теплостойкой стали. |
| 3003168-АМН | ГОСТ | Детали из теплостойкой стали. Модифицированный контакт.. Повышенная грузоподъемность. |
| 3113168-Н | ГОСТ | Детали из теплостойкой стали. |
| 20-3003168 | ГОСТ | Роликовый радиальный двухрядный подшипник. |
| 3003168-А1У | ГОСТ | Дополнительные технические требования. Повышенная грузоподъемность. |
| NNU3068C1NAP4 | ISO | Роликовый радиальный двухрядный подшипник. |
| 3003168 | ГОСТ | Роликовый радиальный двухрядный подшипник. |
| 3053168 | ГОСТ | Роликовый радиальный двухрядный подшипник. |
| 3113168 | ГОСТ | Роликовый радиальный двухрядный подшипник. |
| 3153168 | ГОСТ | Роликовый радиальный двухрядный подшипник. |
| 3182168 | ГОСТ | Роликовый радиальный двухрядный подшипник. |
| 3282168 | ГОСТ | Роликовый радиальный двухрядный подшипник. |
| 3003168-Н | ГОСТ | Детали из теплостойкой стали. |
| 3053168Н | ГОСТ | Детали из теплостойкой стали. |
| 3153168Н | ГОСТ | Детали из теплостойкой стали. |
| 6-3182168 | ГОСТ | Роликовый радиальный двухрядный подшипник. |
| 5-3182168 | ГОСТ | Роликовый радиальный двухрядный подшипник. |
Аналог роликового подшипника NN3068-AS-K-M-SP — это подшипник такого же размера dx340,Dx520,Bx133, типа и конструкции.
| Обозначение | Конструктивные особенности | Внутренний (d) | Наружный (D) | Ширина (B) |
|---|---|---|---|---|
| 23068YMB | Роликовый радиальный сферический двухрядный подшипник. Бронзовый цельный сепаратор пальцевого типа. | 340.00 | 520.00 | 133.00 |
| 23068 KCW33+H3068 | Роликовый радиальный сферический двухрядный подшипник. Кольцевая канавка и три отверстия для смазывания в наружном кольце подшипника. Коническое внутреннее отверстие. | 340.00 | 520.00 | 133.00 |
| 23068 KCW33+AH3068 | Роликовый радиальный сферический двухрядный подшипник. Кольцевая канавка и три отверстия для смазывания в наружном кольце подшипника. Коническое внутреннее отверстие. | 340.00 | 520.00 | 133.00 |
| 23068-K-MB+AH3068G | Роликовый радиальный сферический двухрядный подшипник. Коническое отверстие. Конусность 1/12. сепаратор из латуни. центрированный по внутреннему кольцу. | 340.00 | 520.00 | 133.00 |
| 23068-K-MB+H3068 | Роликовый радиальный сферический двухрядный подшипник. Коническое отверстие. Конусность 1/12. сепаратор из латуни. центрированный по внутреннему кольцу. | 340.00 | 520.00 | 133.00 |
| NCF 3068 CV | Роликовый радиальный цилиндрический однорядный подшипник. Полноразмерный цилиндрический роликоподшипник с модифицированной внутренней конструкцией. Однорядный без сепараторный цилиндрический роликовый подшипник. | 340.00 | 520.00 | 133.00 |
| N3068 | Роликовый радиальный однорядный подшипник. Канавка под стопорное кольцо на наружном кольце подшипника. | 340.00 | 520.00 | 133.00 |
| NF3068 | Роликовый радиальный однорядный подшипник. Механически обработанный сепаратор из стали или специального чугуна. Канавка под стопорное кольцо на наружном кольце подшипника. | 340.00 | 520.00 | 133.00 |
| NJ3068 | Роликовый радиальный однорядный подшипник. Штампованный сепаратор из стального листа. Канавка под стопорное кольцо на наружном кольце подшипника. Однорядный цилиндрический роликовый подшипник. Наружное кольцо имеет два борта. | 340.00 | 520.00 | 133.00 |
| NP3068 | Роликовый радиальный однорядный подшипник. Канавка под стопорное кольцо на наружном кольце подшипника. | 340.00 | 520.00 | 133.00 |
| NU3068 | Роликовый радиальный однорядный подшипник. Сталь сквозной закалки SUJ2 (японская) и взаимозаменяемость (только для метрических серий). Канавка под стопорное кольцо на наружном кольце подшипника. Однорядные цилиндрические роликоподшипники. Наружное кольцо подшипника имеет два борта. | 340.00 | 520.00 | 133.00 |
| NUP3068 | Роликовый радиальный однорядный подшипник. Канавка под стопорное кольцо на наружном кольце подшипника. Точность размеров примерно соответствует классу точности Р4. Однорядный цилиндрический роликовый подшипник. Наружное кольцо имеет два борта. | 340.00 | 520.00 | 133.00 |
| Z-565672.ZL-K-C5 | Роликовый радиальный подшипник. Коническое отверстие. Конусность 1/12. Внутренний зазор подшипника больше. чем С4. Цилиндрический роликовый подшипник. | 340.00 | 520.00 | 133.00 |
| 23068EK | Роликовый радиальный сферический двухрядный подшипник. | 340.00 | 520.00 | 133.00 |
| 23068E | Роликовый радиальный сферический двухрядный подшипник. Повышенная грузоподъемность. | 340.00 | 520.00 | 133.00 |
Способы доставки
Отправка через ведущие транспортные и курьерские компании: ПЭК, Деловые Линии, СДЭК, Байкал-Сервис, Энергия, КИТ, ЖелДорЭкспедиция.
Самовывоз возможен напрямую со склада в Москве.
Сроки доставки
Срок зависит от региона и выбранной транспортной компании. Все заказы комплектуются и отправляются в кратчайшие сроки со склада в Москве.
Надёжность и сохранность
Вся продукция упаковывается с учётом требований транспортировки. Мы гарантируем, что подшипники и комплектующие прибудут к заказчику в полной сохранности.
Доставка в страны ЕАЭС
Мы работаем с проверенными логистическими партнёрами, что позволяет оперативно доставлять заказы в Беларусь, Казахстан, Армению и другие страны ЕАЭС.
Варианты оплаты:
Минимальная сумма заказа и скидки:
Документы и гарантии:
Да, конечно! Наши технические специалисты готовы помочь вам с подбором точного аналога или замены подшипника. Просто позвоните нам по телефону +7 (495) 104-99-04 или напишите на почту zakaz@podsnab.ru.
Для оперативной консультации подготовьте, пожалуйста, имеющиеся данные: маркировку, размеры, тип оборудования или артикул старого подшипника.
Да, конечно! Мы высоко ценим долгосрочное сотрудничество и доверие клиентов по всей России. Для постоянных клиентов действует персональная система скидок.
Условия формируются индивидуально и зависят от:
Чтобы узнать свои условия и получить максимально выгодное предложение, свяжитесь с персональным менеджером или напишите нам на почту zakaz@podsnab.ru.
Вы можете оформить заказ несколькими способами:
Для оформления заказа от юридического лица свяжитесь с нашим отделом по работе с корпоративными клиентами по телефону +7 (495) 104-99-04 или напишите на email zakaz@podsnab.ru, прикрепив реквизиты вашей организации.
Мы оперативно подготовим коммерческое предложение и выставим счет.
Возврат товара надлежащего качества возможен в течение 10 дней с момента получения, если товар не был в употреблении, сохранен товарный вид, упаковка не вскрывалась и присутствуют все сопроводительные документы.
Возврат денежных средств осуществляется в течение 10 рабочих дней после проверки товара складом.
В соответствии с законодательством возврату не подлежат подшипники надлежащего качества, если отсутствует оригинальная упаковка или имеются следы монтажа.
В случае выявления брака или гарантийного случая мы гарантируем возврат или обмен товара.
Да, гарантийный срок хранения устанавливается заводом-изготовителем и в среднем составляет 2 года при соблюдении условий хранения: сухое помещение, оригинальная упаковка и смазка.
Точный срок для конкретного типа подшипника уточняйте у наших менеджеров.
Пн–Пт: с 8:00 до 17:00 (МСК).
Сб–Вс: выходные дни.
Заказы на сайте принимаются круглосуточно. Заявки, поступившие после окончания рабочего дня, обрабатываются на следующий рабочий день.
Минимальная сумма заказа для доставки составляет 3000 рублей. Самовывоз со склада возможен на любую сумму при наличии товара.
ООО «УралТехГрупп»
ИНН: 7415093830
КПП: 772401001
ОГРН: 1167456069021
Банк: ПАО Сбербанк
Р/с: 40702810838000475273
К/с: 30101810400000000225
БИК: 044525225
У подшипника NN3068-AS-K-M-SP пока нет отзывов. Вы можете стать первым покупателем, поделившимся своим мнением.