Поиск подшипника
Статьи
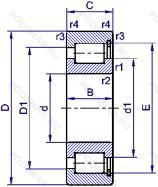
SL18 3056 — Роликовый радиальный цилиндрический однорядный подшипник, основное исполнение, выпускается производителями: INA, ISO, Подшипники NBS.
Размер подшипника: 280x420x106 мм.
Тип: Узкое внутреннее кольцо, легкая нагрузка, корпус из штампованной стали, установочный винт.
Международная стандартизации ISO
SL183056
В наличии
| Обозначение | Конструктивные изменения |
|---|---|
| SL183056-TB-BR-C3 | Внутренний зазор больше нормального. Обработанный латунный сепаратор. Textite (Fabric-Reinforced Phenolic Resin) Cage Guided On The Inner Ring. |
| SL18-3056C3 | Внутренний зазор больше нормального. |
| SL183056-TB-BR | Чёрный цвет. Подшипник с увеличенной осевой груподъемностью. |
| SL183056-TB-S3-C4 | Внутренний зазор подшипника больше. чем C3. Кольца или шайбы подшипников, стабилизированные по размерам для использования при рабочих температурах до +300°C (572°F). Подшипник с увеличенной осевой груподъемностью. |
| SL18-3056A | Особенность внутренней конструкции. |
| SL183056-TB | Подшипник с увеличенной осевой груподъемностью. |
| SL183056-TB-C3 | Внутренний зазор больше нормального. Подшипник с увеличенной осевой груподъемностью. |
Модификации цилиндрического роликового подшипника SL18 3056 — это измененное основное конструктивное исполнение SL183056, основные размеры (280x420x106) не отличаются.
| Обозначение | Гост | Конструктивные особенности |
|---|---|---|
| NCF 3056 CV | ISO | Полноразмерный цилиндрический роликоподшипник с модифицированной внутренней конструкцией. Однорядный без сепараторный цилиндрический роликовый подшипник. |
Аналог цилиндрического роликового подшипника SL18 3056 — это подшипник такого же размера dx280,Dx420,Bx106, типа и конструкции.
| Обозначение | Конструктивные особенности | Внутренний (d) | Наружный (D) | Ширина (B) |
|---|---|---|---|---|
| 23056-K-MB-W33+OH3056-H | Роликовый радиальный сферический двухрядный подшипник. Канавка для смазки и три отверстия во внешнем кольце подшипника. Коническое отверстие. Конусность 1/12. сепаратор из латуни. центрированный по внутреннему кольцу. Pressed Snap-Type Steel Cage. Hardened. | 280.00 | 420.00 | 106.00 |
| 23056BK | Роликовый радиальный сферический двухрядный подшипник. Игольчатый роликовый подшипник со штампованным наружным кольцом с закрытым торцом. | 280.00 | 420.00 | 106.00 |
| 23056B | Роликовый радиальный сферический двухрядный подшипник. Конический роликовый подшипник. Угол контакта 20 градусов. | 280.00 | 420.00 | 106.00 |
| 23056YMB | Роликовый радиальный сферический двухрядный подшипник. Бронзовый цельный сепаратор пальцевого типа. | 280.00 | 420.00 | 106.00 |
| 23056 KCW33+AH3056 | Роликовый радиальный сферический двухрядный подшипник. Кольцевая канавка и три отверстия для смазывания в наружном кольце подшипника. Коническое внутреннее отверстие. | 280.00 | 420.00 | 106.00 |
| 23056 KCW33+H3056 | Роликовый радиальный сферический двухрядный подшипник. Кольцевая канавка и три отверстия для смазывания в наружном кольце подшипника. Коническое внутреннее отверстие. | 280.00 | 420.00 | 106.00 |
| 23056-B-K-MB+AH3056 | Роликовый радиальный сферический двухрядный подшипник. Коническое отверстие. Конусность 1/12. Конический роликовый подшипник. Угол контакта 20 градусов. сепаратор из латуни. центрированный по внутреннему кольцу. | 280.00 | 420.00 | 106.00 |
| NN3056 | Роликовый радиальный цилиндрический двухрядный подшипник. Канавка под стопорное кольцо на наружном кольце подшипника. Двухрядный цилиндрический роликовый подшипник. | 280.00 | 420.00 | 106.00 |
| Z-565669.ZL-K-C5 | Роликовый радиальный подшипник. Коническое отверстие. Конусность 1/12. Внутренний зазор подшипника больше. чем С4. Цилиндрический роликовый подшипник. | 280.00 | 420.00 | 106.00 |
| NN 3056/SPW33 | Роликовый радиальный двухрядный подшипник. Двухрядный цилиндрический роликовый подшипник. | 280.00 | 420.00 | 106.00 |
| 23056EK | Роликовый радиальный сферический двухрядный подшипник. | 280.00 | 420.00 | 106.00 |
| 23056E | Роликовый радиальный сферический двухрядный подшипник. Повышенная грузоподъемность. | 280.00 | 420.00 | 106.00 |
| C 3056 K/HA3C4 | Тороидальный однорядный подшипник. Тороидальный подшипник CARB. Коническое отверстие. Конусность 1/12. Измененная или модифицированная внутренняя конструкция при неизменных основных размерах. | 280.00 | 420.00 | 106.00 |
| 40-3003156 АНУ | Роликовый радиальный двухрядный подшипник. Детали из теплостойкой стали. Дополнительные технические требования. Повышенная грузоподъемность. | 280.00 | 420.00 | 106.00 |
| 5-3182156 Л | Роликовый радиальный двухрядный подшипник. Сепаратор из латуни.. | 280.00 | 420.00 | 106.00 |
Способы доставки
Отправка через ведущие транспортные и курьерские компании: ПЭК, Деловые Линии, СДЭК, Байкал-Сервис, Энергия, КИТ, ЖелДорЭкспедиция.
Самовывоз возможен напрямую со склада в Москве.
Сроки доставки
Срок зависит от региона и выбранной транспортной компании. Все заказы комплектуются и отправляются в кратчайшие сроки со склада в Москве.
Надёжность и сохранность
Вся продукция упаковывается с учётом требований транспортировки. Мы гарантируем, что подшипники и комплектующие прибудут к заказчику в полной сохранности.
Доставка в страны ЕАЭС
Мы работаем с проверенными логистическими партнёрами, что позволяет оперативно доставлять заказы в Беларусь, Казахстан, Армению и другие страны ЕАЭС.
Варианты оплаты:
Минимальная сумма заказа и скидки:
Документы и гарантии:
Да, конечно! Наши технические специалисты готовы помочь вам с подбором точного аналога или замены подшипника. Просто позвоните нам по телефону +7 (495) 104-99-04 или напишите на почту zakaz@podsnab.ru.
Для оперативной консультации подготовьте, пожалуйста, имеющиеся данные: маркировку, размеры, тип оборудования или артикул старого подшипника.
Да, конечно! Мы высоко ценим долгосрочное сотрудничество и доверие клиентов по всей России. Для постоянных клиентов действует персональная система скидок.
Условия формируются индивидуально и зависят от:
Чтобы узнать свои условия и получить максимально выгодное предложение, свяжитесь с персональным менеджером или напишите нам на почту zakaz@podsnab.ru.
Вы можете оформить заказ несколькими способами:
Для оформления заказа от юридического лица свяжитесь с нашим отделом по работе с корпоративными клиентами по телефону +7 (495) 104-99-04 или напишите на email zakaz@podsnab.ru, прикрепив реквизиты вашей организации.
Мы оперативно подготовим коммерческое предложение и выставим счет.
Возврат товара надлежащего качества возможен в течение 10 дней с момента получения, если товар не был в употреблении, сохранен товарный вид, упаковка не вскрывалась и присутствуют все сопроводительные документы.
Возврат денежных средств осуществляется в течение 10 рабочих дней после проверки товара складом.
В соответствии с законодательством возврату не подлежат подшипники надлежащего качества, если отсутствует оригинальная упаковка или имеются следы монтажа.
В случае выявления брака или гарантийного случая мы гарантируем возврат или обмен товара.
Да, гарантийный срок хранения устанавливается заводом-изготовителем и в среднем составляет 2 года при соблюдении условий хранения: сухое помещение, оригинальная упаковка и смазка.
Точный срок для конкретного типа подшипника уточняйте у наших менеджеров.
Пн–Пт: с 8:00 до 17:00 (МСК).
Сб–Вс: выходные дни.
Заказы на сайте принимаются круглосуточно. Заявки, поступившие после окончания рабочего дня, обрабатываются на следующий рабочий день.
Минимальная сумма заказа для доставки составляет 3000 рублей. Самовывоз со склада возможен на любую сумму при наличии товара.
ООО «УралТехГрупп»
ИНН: 7415093830
КПП: 772401001
ОГРН: 1167456069021
Банк: ПАО Сбербанк
Р/с: 40702810838000475273
К/с: 30101810400000000225
БИК: 044525225
У подшипника SL18 3056 пока нет отзывов. Вы можете стать первым покупателем, поделившимся своим мнением.