Поиск подшипника
Статьи
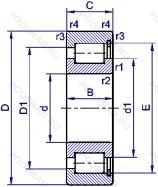
SL18 3044 — Роликовый радиальный цилиндрический однорядный подшипник, основное исполнение, выпускается производителями: INA, Подшипники NBS.
Размер подшипника: 220x340x90 мм.
Тип: Узкое внутреннее кольцо, легкая нагрузка, корпус из штампованной стали, установочный винт.
Международная стандартизации ISO
SL183044
В наличии
| Обозначение | Конструктивные изменения |
|---|---|
| SL183044-BR-A-C3 | Внутренний зазор больше нормального. Особенность внутренней конструкции. Чёрный цвет. |
| SL183044-TB | Textite (Fabric-Reinforced Phenolic Resin) Cage Guided On The Inner Ring. |
| SL183044-A-C4 | Внутренний зазор подшипника больше. чем C3. Особенность внутренней конструкции. |
| SL183044-A-BR-C3 | Внутренний зазор больше нормального. Особенность внутренней конструкции. Чёрный цвет. |
| SL183044-A-BR | Особенность внутренней конструкции. Чёрный цвет. |
| SL183044-A-C3 | Внутренний зазор больше нормального. Особенность внутренней конструкции. |
| SL18-3044A | Особенность внутренней конструкции. |
| SL18-3044C3 2S | Внутренний зазор больше нормального. Bearings Matched In Set Of Two For Side-By-Side Mounting. |
Модификации цилиндрического роликового подшипника SL18 3044 — это измененное основное конструктивное исполнение SL183044, основные размеры (220x340x90) не отличаются.
| Обозначение | Конструктивные особенности | Внутренний (d) | Наружный (D) | Ширина (B) |
|---|---|---|---|---|
| 23044-2CS5K/VT143 | Роликовый радиальный сферический двухрядный подшипник. Заполнение пластичной смазкой SKF LGEP 2 на 25–35 %. | 220.00 | 340.00 | 90.00 |
| 23044YM | Роликовый радиальный сферический двухрядный подшипник. 1 Piece Bronze Cage - Finger Type. | 220.00 | 340.00 | 90.00 |
| 23044 KCW33+AH3044 | Роликовый радиальный сферический двухрядный подшипник. Кольцевая канавка и три отверстия для смазывания в наружном кольце подшипника. Коническое внутреннее отверстие. | 220.00 | 340.00 | 90.00 |
| 23044 KCW33+H3044 | Роликовый радиальный сферический двухрядный подшипник. Кольцевая канавка и три отверстия для смазывания в наружном кольце подшипника. Коническое внутреннее отверстие. | 220.00 | 340.00 | 90.00 |
| 23044-K-MB+AH3044G | Роликовый радиальный сферический двухрядный подшипник. Коническое отверстие. Конусность 1/12. сепаратор из латуни. центрированный по внутреннему кольцу. | 220.00 | 340.00 | 90.00 |
| NN3044 | Роликовый радиальный цилиндрический двухрядный подшипник. Канавка под стопорное кольцо на наружном кольце подшипника. Двухрядный цилиндрический роликовый подшипник. | 220.00 | 340.00 | 90.00 |
| NN3044K | Роликовый радиальный цилиндрический двухрядный подшипник. Коническое внутреннее отверстие. Двухрядный цилиндрический роликовый подшипник. | 220.00 | 340.00 | 90.00 |
| Z-565531.ZL-K-C5 | Роликовый радиальный подшипник. Коническое отверстие. Конусность 1/12. Внутренний зазор подшипника больше. чем С4. Цилиндрический роликовый подшипник. | 220.00 | 340.00 | 90.00 |
| NN 3044/SPW33 | Роликовый радиальный двухрядный подшипник. Двухрядный цилиндрический роликовый подшипник. | 220.00 | 340.00 | 90.00 |
| 23044A2X | Роликовый радиальный сферический двухрядный подшипник. High Speed Spherical Roller Bearing. | 220.00 | 340.00 | 90.00 |
| 23044E | Роликовый радиальный сферический двухрядный подшипник. Повышенная грузоподъемность. | 220.00 | 340.00 | 90.00 |
| 23044EK | Роликовый радиальный сферический двухрядный подшипник. | 220.00 | 340.00 | 90.00 |
| 220KBE30+L | Роликовый радиальный-упорный двухрядный подшипник. Одно механическое уплотнение. | 220.00 | 340.00 | 90.00 |
| 323044E1 | Роликовый радиальный-упорный двухрядный подшипник. Конструкция с увеличенной грузоподьемностью. | 220.00 | 340.00 | 90.00 |
| 413044E1 | Роликовый радиальный-упорный двухрядный подшипник. Конструкция с увеличенной грузоподьемностью. | 220.00 | 340.00 | 90.00 |
Способы доставки
Отправка через ведущие транспортные и курьерские компании: ПЭК, Деловые Линии, СДЭК, Байкал-Сервис, Энергия, КИТ, ЖелДорЭкспедиция.
Самовывоз возможен напрямую со склада в Москве.
Сроки доставки
Срок зависит от региона и выбранной транспортной компании. Все заказы комплектуются и отправляются в кратчайшие сроки со склада в Москве.
Надёжность и сохранность
Вся продукция упаковывается с учётом требований транспортировки. Мы гарантируем, что подшипники и комплектующие прибудут к заказчику в полной сохранности.
Доставка в страны ЕАЭС
Мы работаем с проверенными логистическими партнёрами, что позволяет оперативно доставлять заказы в Беларусь, Казахстан, Армению и другие страны ЕАЭС.
Варианты оплаты:
Минимальная сумма заказа и скидки:
Документы и гарантии:
Да, конечно! Наши технические специалисты готовы помочь вам с подбором точного аналога или замены подшипника. Просто позвоните нам по телефону +7 (495) 104-99-04 или напишите на почту zakaz@podsnab.ru.
Для оперативной консультации подготовьте, пожалуйста, имеющиеся данные: маркировку, размеры, тип оборудования или артикул старого подшипника.
Да, конечно! Мы высоко ценим долгосрочное сотрудничество и доверие клиентов по всей России. Для постоянных клиентов действует персональная система скидок.
Условия формируются индивидуально и зависят от:
Чтобы узнать свои условия и получить максимально выгодное предложение, свяжитесь с персональным менеджером или напишите нам на почту zakaz@podsnab.ru.
Вы можете оформить заказ несколькими способами:
Для оформления заказа от юридического лица свяжитесь с нашим отделом по работе с корпоративными клиентами по телефону +7 (495) 104-99-04 или напишите на email zakaz@podsnab.ru, прикрепив реквизиты вашей организации.
Мы оперативно подготовим коммерческое предложение и выставим счет.
Возврат товара надлежащего качества возможен в течение 10 дней с момента получения, если товар не был в употреблении, сохранен товарный вид, упаковка не вскрывалась и присутствуют все сопроводительные документы.
Возврат денежных средств осуществляется в течение 10 рабочих дней после проверки товара складом.
В соответствии с законодательством возврату не подлежат подшипники надлежащего качества, если отсутствует оригинальная упаковка или имеются следы монтажа.
В случае выявления брака или гарантийного случая мы гарантируем возврат или обмен товара.
Да, гарантийный срок хранения устанавливается заводом-изготовителем и в среднем составляет 2 года при соблюдении условий хранения: сухое помещение, оригинальная упаковка и смазка.
Точный срок для конкретного типа подшипника уточняйте у наших менеджеров.
Пн–Пт: с 8:00 до 17:00 (МСК).
Сб–Вс: выходные дни.
Заказы на сайте принимаются круглосуточно. Заявки, поступившие после окончания рабочего дня, обрабатываются на следующий рабочий день.
Минимальная сумма заказа для доставки составляет 3000 рублей. Самовывоз со склада возможен на любую сумму при наличии товара.
ООО «УралТехГрупп»
ИНН: 7415093830
КПП: 772401001
ОГРН: 1167456069021
Банк: ПАО Сбербанк
Р/с: 40702810838000475273
К/с: 30101810400000000225
БИК: 044525225
У подшипника SL18 3044 пока нет отзывов. Вы можете стать первым покупателем, поделившимся своим мнением.