Поиск подшипника
Статьи
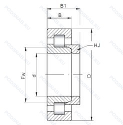
NH2256 — Роликовый радиальный однорядный подшипник, основное исполнение, производство ISO.
Размер подшипника: 280x500x130 мм.
Серия подшипников NJ с упорным кольцом HJ(NJ+HJ=NH), канавка под стопорное кольцо на наружном кольце подшипника.
Международная стандартизации ISO
NH2256
В наличии
| Обозначение | Конструктивные изменения |
|---|---|
| NH2256 E | Повышенная грузоподъемность. |
Модификации роликового подшипника NH2256 — это измененное основное конструктивное исполнение NH2256, основные размеры (280x500x130) не отличаются.
| Обозначение | Гост | Конструктивные особенности |
|---|---|---|
| 2556 | ГОСТ | Роликовый радиальный однорядный подшипник. |
| 42556 | ГОСТ | Роликовый радиальный однорядный подшипник. |
| 92556 | ГОСТ | Роликовый радиальный однорядный подшипник. |
| 2556-М | ГОСТ | Модифицированный контакт.. |
| NJ2256 E | ISO | Повышенная грузоподъемность. |
| NU2256 E | ISO | Повышенная грузоподъемность. |
| NUP2256 E | ISO | Повышенная грузоподъемность. |
| NU2256 | ISO | Сталь сквозной закалки SUJ2 (японская) и взаимозаменяемость (только для метрических серий). Канавка под стопорное кольцо на наружном кольце подшипника. Однорядные цилиндрические роликоподшипники. Наружное кольцо подшипника имеет два борта. |
| NJ2256 | ISO | Штампованный сепаратор из стального листа. Канавка под стопорное кольцо на наружном кольце подшипника. Однорядный цилиндрический роликовый подшипник. Наружное кольцо имеет два борта. |
| NUP2256 | ISO | Сталь сквозной закалки SUJ2 (японская) и взаимозаменяемость (только для метрических серий). Канавка под стопорное кольцо на наружном кольце подшипника. Точность размеров примерно соответствует классу точности Р4. Класс точности 2. Однорядный цилиндрический роликовый подшипник. Наружное кольцо имеет два борта. |
| NU2256-E-MA6 | ISO | Повышенная грузоподъемность. Изготовленный из двух частей латунный сепаратор. Центрирование по внешнему кольцу. Различные конструкции или сорта материалов обозначаются цифрой или буквой.. |
| NU2256-E-M6 | ISO | Повышенная грузоподъемность. 20-28 UM (C3 & C4). |
Аналог роликового подшипника NH2256 — это подшипник такого же размера dx280,Dx500,Bx130, типа и конструкции.
| Обозначение | Конструктивные особенности | Внутренний (d) | Наружный (D) | Ширина (B) |
|---|---|---|---|---|
| 3556-А | Роликовый радиальный двухрядный подшипник. Повышенная грузоподъемность. | 280.00 | 500.00 | 130.00 |
| 3556-АНУ | Роликовый радиальный двухрядный подшипник. Детали из теплостойкой стали. Дополнительные технические требования. Повышенная грузоподъемность. | 280.00 | 500.00 | 130.00 |
| 3556-Н | Роликовый радиальный двухрядный подшипник. Детали из теплостойкой стали. | 280.00 | 500.00 | 130.00 |
| 3556У | Роликовый радиальный двухрядный подшипник. Дополнительные технические требования. | 280.00 | 500.00 | 130.00 |
| 22256 KW33 | Роликовый радиальный сферический двухрядный подшипник. Кольцевая канавка и три отверстия для смазывания в наружном кольце подшипника. Коническое внутреннее отверстие. | 280.00 | 500.00 | 130.00 |
| 22256RHA | Роликовый радиальный сферический двухрядный подшипник. With Convex Symmetric Rollers And One-Piece Machined Cage. | 280.00 | 500.00 | 130.00 |
| 22256R | Роликовый радиальный сферический двухрядный подшипник. С выпуклыми асимметричными роликами и обработанным сепаратором. | 280.00 | 500.00 | 130.00 |
| 22256-K-MB-W33+OH3156-H | Роликовый радиальный сферический двухрядный подшипник. Канавка для смазки и три отверстия во внешнем кольце подшипника. Коническое отверстие. Конусность 1/12. сепаратор из латуни. центрированный по внутреннему кольцу. Pressed Snap-Type Steel Cage. Hardened. | 280.00 | 500.00 | 130.00 |
| 22256BK | Роликовый радиальный сферический двухрядный подшипник. Игольчатый роликовый подшипник со штампованным наружным кольцом с закрытым торцом. | 280.00 | 500.00 | 130.00 |
| 22256YMB | Роликовый радиальный сферический двухрядный подшипник. Бронзовый цельный сепаратор пальцевого типа. | 280.00 | 500.00 | 130.00 |
| 22256 KCW33+H3156 | Роликовый радиальный сферический двухрядный подшипник. Кольцевая канавка и три отверстия для смазывания в наружном кольце подшипника. Коническое внутреннее отверстие. | 280.00 | 500.00 | 130.00 |
| 22256 KCW33+AH2256 | Роликовый радиальный сферический двухрядный подшипник. Кольцевая канавка и три отверстия для смазывания в наружном кольце подшипника. Коническое внутреннее отверстие. | 280.00 | 500.00 | 130.00 |
| 22256EK | Роликовый радиальный сферический двухрядный подшипник. | 280.00 | 500.00 | 130.00 |
| 22256E | Роликовый радиальный сферический двухрядный подшипник. Повышенная грузоподъемность. | 280.00 | 500.00 | 130.00 |
| 53556Н | Роликовый радиальный двухрядный подшипник. Детали из теплостойкой стали. | 280.00 | 500.00 | 130.00 |
Способы доставки
Отправка через ведущие транспортные и курьерские компании: ПЭК, Деловые Линии, СДЭК, Байкал-Сервис, Энергия, КИТ, ЖелДорЭкспедиция.
Самовывоз возможен напрямую со склада в Москве.
Сроки доставки
Срок зависит от региона и выбранной транспортной компании. Все заказы комплектуются и отправляются в кратчайшие сроки со склада в Москве.
Надёжность и сохранность
Вся продукция упаковывается с учётом требований транспортировки. Мы гарантируем, что подшипники и комплектующие прибудут к заказчику в полной сохранности.
Доставка в страны ЕАЭС
Мы работаем с проверенными логистическими партнёрами, что позволяет оперативно доставлять заказы в Беларусь, Казахстан, Армению и другие страны ЕАЭС.
Варианты оплаты:
Минимальная сумма заказа и скидки:
Документы и гарантии:
Да, конечно! Наши технические специалисты готовы помочь вам с подбором точного аналога или замены подшипника. Просто позвоните нам по телефону +7 (495) 104-99-04 или напишите на почту zakaz@podsnab.ru.
Для оперативной консультации подготовьте, пожалуйста, имеющиеся данные: маркировку, размеры, тип оборудования или артикул старого подшипника.
Да, конечно! Мы высоко ценим долгосрочное сотрудничество и доверие клиентов по всей России. Для постоянных клиентов действует персональная система скидок.
Условия формируются индивидуально и зависят от:
Чтобы узнать свои условия и получить максимально выгодное предложение, свяжитесь с персональным менеджером или напишите нам на почту zakaz@podsnab.ru.
Вы можете оформить заказ несколькими способами:
Для оформления заказа от юридического лица свяжитесь с нашим отделом по работе с корпоративными клиентами по телефону +7 (495) 104-99-04 или напишите на email zakaz@podsnab.ru, прикрепив реквизиты вашей организации.
Мы оперативно подготовим коммерческое предложение и выставим счет.
Возврат товара надлежащего качества возможен в течение 10 дней с момента получения, если товар не был в употреблении, сохранен товарный вид, упаковка не вскрывалась и присутствуют все сопроводительные документы.
Возврат денежных средств осуществляется в течение 10 рабочих дней после проверки товара складом.
В соответствии с законодательством возврату не подлежат подшипники надлежащего качества, если отсутствует оригинальная упаковка или имеются следы монтажа.
В случае выявления брака или гарантийного случая мы гарантируем возврат или обмен товара.
Да, гарантийный срок хранения устанавливается заводом-изготовителем и в среднем составляет 2 года при соблюдении условий хранения: сухое помещение, оригинальная упаковка и смазка.
Точный срок для конкретного типа подшипника уточняйте у наших менеджеров.
Пн–Пт: с 8:00 до 17:00 (МСК).
Сб–Вс: выходные дни.
Заказы на сайте принимаются круглосуточно. Заявки, поступившие после окончания рабочего дня, обрабатываются на следующий рабочий день.
Минимальная сумма заказа для доставки составляет 3000 рублей. Самовывоз со склада возможен на любую сумму при наличии товара.
ООО «УралТехГрупп»
ИНН: 7415093830
КПП: 772401001
ОГРН: 1167456069021
Банк: ПАО Сбербанк
Р/с: 40702810838000475273
К/с: 30101810400000000225
БИК: 044525225
У подшипника NH2256 пока нет отзывов. Вы можете стать первым покупателем, поделившимся своим мнением.