Поиск подшипника
Статьи
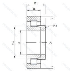
NH232 — Роликовый радиальный однорядный подшипник, основное исполнение, выпускается производителями: ISO, NTN.
Размер подшипника: 160x290x48 мм.
Серия подшипников NJ с упорным кольцом HJ(NJ+HJ=NH), шестигранное отверстие (кулачковые ролики с осью), канавка под стопорное кольцо на наружном кольце подшипника.
Международная стандартизации ISO
NH232
В наличии
| Обозначение | Конструктивные изменения |
|---|---|
| NH232 E | Повышенная грузоподъемность. |
Модификации роликового подшипника NH232 — это измененное основное конструктивное исполнение NH232, основные размеры (160x290x48) не отличаются.
| Обозначение | Гост | Конструктивные особенности |
|---|---|---|
| NF232 E | ISO | Повышенная грузоподъемность. |
| NP232 E | ISO | Повышенная грузоподъемность. |
| NJ232-E-M1 + HJ232-E | ISO | Повышенная грузоподъемность. Механически обработанный латунный сепаратор. вращающийся элемент качения (крестовина на заклепках). |
| NP 232 | ISO | Канавка под стопорное кольцо на наружном кольце подшипника. |
| NJ232R | ISO | С выпуклыми асимметричными роликами и обработанным сепаратором. |
| NU232R | ISO | С выпуклыми асимметричными роликами и обработанным сепаратором. |
| NJ232-E-MPA+HJ232-E | ISO | Повышенная грузоподъемность. Твердый латунный сепаратор. |
| NJ232-E-MPA | ISO | Повышенная грузоподъемность. Твердый латунный сепаратор. |
| NJ232-E-MA6+HJ232-E | ISO | Повышенная грузоподъемность. Изготовленный из двух частей латунный сепаратор. Центрирование по внешнему кольцу. Различные конструкции или сорта материалов обозначаются цифрой или буквой.. |
| NJ232-E-M6+HJ232-E | ISO | Повышенная грузоподъемность. 20-28 UM (C3 & C4). |
| NU232-E-MPA | ISO | Повышенная грузоподъемность. Твердый латунный сепаратор. |
| NU232-E-MA6 | ISO | Повышенная грузоподъемность. Изготовленный из двух частей латунный сепаратор. Центрирование по внешнему кольцу. Различные конструкции или сорта материалов обозначаются цифрой или буквой.. |
| NU232-E-M6 | ISO | Повышенная грузоподъемность. 20-28 UM (C3 & C4). |
| 8-2232 М | ГОСТ | Модифицированный контакт.. |
| NJ232EM | ISO | Стандартный фланцевый ( с резьбой и сквозным отверстием). |
| 92232М1 | ГОСТ | Модифицированный контакт.. |
| 70-42232 М1 | ГОСТ | Модифицированный контакт.. |
| NJ 232 ECM | ISO | Однорядный цилиндрический роликовый подшипник. |
| 42232-М | ГОСТ | Модифицированный контакт.. |
| 42232М1 | ГОСТ | Модифицированный контакт.. |
Аналог роликового подшипника NH232 — это подшипник такого же размера dx160,Dx290,Bx48, типа и конструкции.
| Обозначение | Конструктивные особенности | Внутренний (d) | Наружный (D) | Ширина (B) |
|---|---|---|---|---|
| QJ 232 N2 M | Шариковый радиально-упорный однорядный подшипник. Подшипник с латунным сепаратором. центрированный по телам качения. Два установочных паза (выемки), расположенных под углом 180° друг от друга в одной боковой поверхности наружного кольца или шайбе корпуса.. | 160.00 | 290.00 | 48.00 |
| 7232CPA | Шариковый радиально-упорный однорядный подшипник. Угол контакта 15 градусов. | 160.00 | 290.00 | 48.00 |
| 7232-BCB-MP | Шариковый радиально-упорный однорядный подшипник. Массивный латунный сепаратор. центрированный по телам качения. | 160.00 | 290.00 | 48.00 |
| 36232К | Шариковый радиально-упорный однорядный подшипник. «Замок» (скос) на внутреннем кольце плюс массивный сепаратор из текстолита. | 160.00 | 290.00 | 48.00 |
| 36232К6 | Шариковый радиально-упорный однорядный подшипник. «Замок» (скос) на внутреннем кольце. | 160.00 | 290.00 | 48.00 |
| 232W | Шариковый радиальный однорядный подшипник. Максимальная грузоподъемность. | 160.00 | 290.00 | 48.00 |
| 6232ZX | Шариковый радиальный однорядный подшипник. Съемная защитная шайба с одной стороны. | 160.00 | 290.00 | 48.00 |
| 6-32232 Б2М | Роликовый радиальный подшипник. Модифицированный контакт.. Сепаратор из безоловянистой бронзы.. | 160.00 | 290.00 | 48.00 |
| 6232/HC5C3S0VA970 | Шариковый радиальный однорядный подшипник. Измененная или модифицированная внутренняя конструкция при неизменных основных размерах. | 160.00 | 290.00 | 48.00 |
| QJ 232 | Шариковый радиальный однорядный подшипник. Штампованный сепаратор из стального листа. Шариковый подшипник с четырех-точечным контактом. | 160.00 | 290.00 | 48.00 |
| 232-АЛ | Шариковый радиальный однорядный подшипник. Сепаратор из латуни.. Повышенная грузоподъемность. | 160.00 | 290.00 | 48.00 |
| 232-Л | Шариковый радиальный однорядный подшипник. Сепаратор из латуни.. | 160.00 | 290.00 | 48.00 |
| 2В0-232 Л | Шариковый радиальный однорядный подшипник. Сепаратор из латуни.. | 160.00 | 290.00 | 48.00 |
| 46232К | Шариковый радиально-упорный однорядный подшипник. «Замок» (скос) на внутреннем кольце плюс массивный сепаратор из текстолита. | 160.00 | 290.00 | 48.00 |
| 6-176232 Л | Шариковый радиально-упорный однорядный подшипник. Сепаратор из латуни.. | 160.00 | 290.00 | 48.00 |
Способы доставки
Отправка через ведущие транспортные и курьерские компании: ПЭК, Деловые Линии, СДЭК, Байкал-Сервис, Энергия, КИТ, ЖелДорЭкспедиция.
Самовывоз возможен напрямую со склада в Москве.
Сроки доставки
Срок зависит от региона и выбранной транспортной компании. Все заказы комплектуются и отправляются в кратчайшие сроки со склада в Москве.
Надёжность и сохранность
Вся продукция упаковывается с учётом требований транспортировки. Мы гарантируем, что подшипники и комплектующие прибудут к заказчику в полной сохранности.
Доставка в страны ЕАЭС
Мы работаем с проверенными логистическими партнёрами, что позволяет оперативно доставлять заказы в Беларусь, Казахстан, Армению и другие страны ЕАЭС.
Варианты оплаты:
Минимальная сумма заказа и скидки:
Документы и гарантии:
Да, конечно! Наши технические специалисты готовы помочь вам с подбором точного аналога или замены подшипника. Просто позвоните нам по телефону +7 (495) 104-99-04 или напишите на почту zakaz@podsnab.ru.
Для оперативной консультации подготовьте, пожалуйста, имеющиеся данные: маркировку, размеры, тип оборудования или артикул старого подшипника.
Да, конечно! Мы высоко ценим долгосрочное сотрудничество и доверие клиентов по всей России. Для постоянных клиентов действует персональная система скидок.
Условия формируются индивидуально и зависят от:
Чтобы узнать свои условия и получить максимально выгодное предложение, свяжитесь с персональным менеджером или напишите нам на почту zakaz@podsnab.ru.
Вы можете оформить заказ несколькими способами:
Для оформления заказа от юридического лица свяжитесь с нашим отделом по работе с корпоративными клиентами по телефону +7 (495) 104-99-04 или напишите на email zakaz@podsnab.ru, прикрепив реквизиты вашей организации.
Мы оперативно подготовим коммерческое предложение и выставим счет.
Возврат товара надлежащего качества возможен в течение 10 дней с момента получения, если товар не был в употреблении, сохранен товарный вид, упаковка не вскрывалась и присутствуют все сопроводительные документы.
Возврат денежных средств осуществляется в течение 10 рабочих дней после проверки товара складом.
В соответствии с законодательством возврату не подлежат подшипники надлежащего качества, если отсутствует оригинальная упаковка или имеются следы монтажа.
В случае выявления брака или гарантийного случая мы гарантируем возврат или обмен товара.
Да, гарантийный срок хранения устанавливается заводом-изготовителем и в среднем составляет 2 года при соблюдении условий хранения: сухое помещение, оригинальная упаковка и смазка.
Точный срок для конкретного типа подшипника уточняйте у наших менеджеров.
Пн–Пт: с 8:00 до 17:00 (МСК).
Сб–Вс: выходные дни.
Заказы на сайте принимаются круглосуточно. Заявки, поступившие после окончания рабочего дня, обрабатываются на следующий рабочий день.
Минимальная сумма заказа для доставки составляет 3000 рублей. Самовывоз со склада возможен на любую сумму при наличии товара.
ООО «УралТехГрупп»
ИНН: 7415093830
КПП: 772401001
ОГРН: 1167456069021
Банк: ПАО Сбербанк
Р/с: 40702810838000475273
К/с: 30101810400000000225
БИК: 044525225
У подшипника NH232 пока нет отзывов. Вы можете стать первым покупателем, поделившимся своим мнением.