Поиск подшипника
Статьи
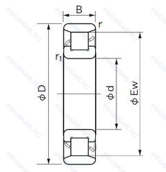
N1024 — Роликовый радиальный цилиндрический однорядный подшипник, основное исполнение, выпускается производителями: KOYO, NACHI, NTN.
Размер подшипника: 120x180x28 мм.
Однорядный цилиндрический роликоподшипник. Внутреннее кольцо подшипника имеет два борта, наружное — без бортов.
Аналоги: 2124.
Международная стандартизации ISO
N1024
В наличии
| Обозначение | Конструктивные изменения |
|---|---|
| N1024K.M1.SP | Коническое отверстие. Конусность 1/12. Механически обработанный латунный сепаратор. вращающийся элемент качения (крестовина на заклепках). Точность размеров примерно соответствует классу точности Р5. биения — классу точности Р4. |
| N1024KTN9/SP | Коническое отверстие. конус 1/12. Литой сепаратор из армированного стекловолокном полиамида 6.6. Точность размеров примерно соответствует классу точности Р5. биения — классу точности Р4. Однорядный цилиндрический роликовый подшипник. |
| N1024MRKRCC0P4 | Класс точности Р4 по ISO (точнее. чем P5) - Abec.7. Коническое отверстие. Обработанный латунный сепаратор с роликовыми направляющими. Standard Clearance For Tapered Bore. |
| N1024-D-K-TVP-SP-XL | Подшипники с модифицированной внутренней конструкцией и суффиксом D не имеют смазочного отверстия или смазочной канавки в стандартной комплектации. Коническое отверстие. конус 1/12. Серия X-Life премиум-класс. увеличиный срок службы. Формованный полиамидный сепаратор оконного типа. Роликовые тела качения. Подшипник супер точный. |
| N1024-D-TVP-SP-XL | Подшипники с модифицированной внутренней конструкцией и суффиксом D не имеют смазочного отверстия или смазочной канавки в стандартной комплектации. Серия X-Life премиум-класс. увеличиный срок службы. Формованный полиамидный сепаратор оконного типа. Роликовые тела качения. Подшипник супер точный. |
| N1024-K-M1-SP-H139 | Коническое отверстие. конус 1/12. Механически обработанный латунный сепаратор. вращающийся элемент качения (крестовина на заклепках). Подшипник супер точный. Meets Special Accuracy Requirements. (e.g. Aerospace). |
| N1024-K-M1-SP-R10-25- | Коническое отверстие. конус 1/12. Механически обработанный латунный сепаратор. вращающийся элемент качения (крестовина на заклепках). Подшипник супер точный. Radial Clearance In μm. |
| N1024-D-K-TVP-SP-H139 | Подшипники с модифицированной внутренней конструкцией и суффиксом D не имеют смазочного отверстия или смазочной канавки в стандартной комплектации. Коническое отверстие. конус 1/12. Формованный полиамидный сепаратор оконного типа. Роликовые тела качения. Подшипник супер точный. Meets Special Accuracy Requirements. (e.g. Aerospace). |
| N1024MR | Обработанный латунный сепаратор с роликовыми направляющими. |
| N1024MRKR | Роликовый радиальный цилиндрический однорядный подшипник. |
| N1024K | Коническое отверстие. Конусность 1/12. |
| N1024 M | Подшипник с латунным сепаратором. центрированный по телам качения. |
Модификации цилиндрического роликового подшипника N1024 — это измененное основное конструктивное исполнение N1024, основные размеры (120x180x28) не отличаются.
| Обозначение | Гост | Конструктивные особенности |
|---|---|---|
| 2124 | ГОСТ | Роликовый радиальный цилиндрический однорядный подшипник. |
| NJ 1024 ML | ISO | Механически обработанный латунный сепаратор. оконного типа. центрируемый по внутреннему или наружному кольцу в зависимости от типа подшипника. Однорядный цилиндрический роликовый подшипник. |
Аналог цилиндрического роликового подшипника N1024 — это подшипник такого же размера dx120,Dx180,Bx28, типа и конструкции.
| Обозначение | Конструктивные особенности | Внутренний (d) | Наружный (D) | Ширина (B) |
|---|---|---|---|---|
| 124-КМ | Шариковый радиальный однорядный подшипник. Модифицированный контакт.. | 120.00 | 180.00 | 28.00 |
| 180124-А | Шариковый радиальный однорядный подшипник. Повышенная грузоподъемность. | 120.00 | 180.00 | 28.00 |
| 4-124-Л | Шариковый радиальный однорядный подшипник. Сепаратор из латуни.. | 120.00 | 180.00 | 28.00 |
| BTM 120 ATN9/P4CDB | Шариковый упорно-радиальный двухрядный подшипник. Измененная или модифицированная внутренняя конструкция при неизменных основных размерах. | 120.00 | 180.00 | 27.00 |
| 46124-E | Шариковый радиально-упорный однорядный подшипник. Повышенная грузоподъемность. | 120.00 | 180.00 | 28.00 |
| 46124-Е | Шариковый радиально-упорный однорядный подшипник. Сепаратор из текстолита.. | 120.00 | 180.00 | 28.00 |
| 46124-Л | Шариковый радиально-упорный однорядный подшипник. Сепаратор из латуни.. | 120.00 | 180.00 | 28.00 |
| 46124К | Шариковый радиально-упорный однорядный подшипник. «Замок» (скос) на внутреннем кольце плюс массивный сепаратор из текстолита. | 120.00 | 180.00 | 28.00 |
| 46124ЛУ | Шариковый радиально-упорный однорядный подшипник. Сепаратор из латуни.. Дополнительные технические требования. | 120.00 | 180.00 | 28.00 |
| 5-124 Л | Шариковый радиальный однорядный подшипник. Сепаратор из латуни.. | 120.00 | 180.00 | 28.00 |
| 5-36124 К | Шариковый радиально-упорный однорядный подшипник. «Замок» (скос) на внутреннем кольце плюс массивный сепаратор из текстолита. | 120.00 | 180.00 | 28.00 |
| 5-46124 Е | Шариковый радиально-упорный однорядный подшипник. Сепаратор из текстолита.. | 120.00 | 180.00 | 28.00 |
| 5-46124 К | Шариковый радиально-упорный однорядный подшипник. «Замок» (скос) на внутреннем кольце плюс массивный сепаратор из текстолита. | 120.00 | 180.00 | 28.00 |
| 5-46124 Л | Шариковый радиально-упорный однорядный подшипник. Сепаратор из латуни.. | 120.00 | 180.00 | 28.00 |
| 5-66124 ЕШ2 | Шариковый радиально-упорный однорядный подшипник. Сепаратор из текстолита.. Нормы шумности. | 120.00 | 180.00 | 28.00 |
Способы доставки
Отправка через ведущие транспортные и курьерские компании: ПЭК, Деловые Линии, СДЭК, Байкал-Сервис, Энергия, КИТ, ЖелДорЭкспедиция.
Самовывоз возможен напрямую со склада в Москве.
Сроки доставки
Срок зависит от региона и выбранной транспортной компании. Все заказы комплектуются и отправляются в кратчайшие сроки со склада в Москве.
Надёжность и сохранность
Вся продукция упаковывается с учётом требований транспортировки. Мы гарантируем, что подшипники и комплектующие прибудут к заказчику в полной сохранности.
Доставка в страны ЕАЭС
Мы работаем с проверенными логистическими партнёрами, что позволяет оперативно доставлять заказы в Беларусь, Казахстан, Армению и другие страны ЕАЭС.
Варианты оплаты:
Минимальная сумма заказа и скидки:
Документы и гарантии:
Да, конечно! Наши технические специалисты готовы помочь вам с подбором точного аналога или замены подшипника. Просто позвоните нам по телефону +7 (495) 104-99-04 или напишите на почту zakaz@podsnab.ru.
Для оперативной консультации подготовьте, пожалуйста, имеющиеся данные: маркировку, размеры, тип оборудования или артикул старого подшипника.
Да, конечно! Мы высоко ценим долгосрочное сотрудничество и доверие клиентов по всей России. Для постоянных клиентов действует персональная система скидок.
Условия формируются индивидуально и зависят от:
Чтобы узнать свои условия и получить максимально выгодное предложение, свяжитесь с персональным менеджером или напишите нам на почту zakaz@podsnab.ru.
Вы можете оформить заказ несколькими способами:
Для оформления заказа от юридического лица свяжитесь с нашим отделом по работе с корпоративными клиентами по телефону +7 (495) 104-99-04 или напишите на email zakaz@podsnab.ru, прикрепив реквизиты вашей организации.
Мы оперативно подготовим коммерческое предложение и выставим счет.
Возврат товара надлежащего качества возможен в течение 10 дней с момента получения, если товар не был в употреблении, сохранен товарный вид, упаковка не вскрывалась и присутствуют все сопроводительные документы.
Возврат денежных средств осуществляется в течение 10 рабочих дней после проверки товара складом.
В соответствии с законодательством возврату не подлежат подшипники надлежащего качества, если отсутствует оригинальная упаковка или имеются следы монтажа.
В случае выявления брака или гарантийного случая мы гарантируем возврат или обмен товара.
Да, гарантийный срок хранения устанавливается заводом-изготовителем и в среднем составляет 2 года при соблюдении условий хранения: сухое помещение, оригинальная упаковка и смазка.
Точный срок для конкретного типа подшипника уточняйте у наших менеджеров.
Пн–Пт: с 8:00 до 17:00 (МСК).
Сб–Вс: выходные дни.
Заказы на сайте принимаются круглосуточно. Заявки, поступившие после окончания рабочего дня, обрабатываются на следующий рабочий день.
Минимальная сумма заказа для доставки составляет 3000 рублей. Самовывоз со склада возможен на любую сумму при наличии товара.
ООО «УралТехГрупп»
ИНН: 7415093830
КПП: 772401001
ОГРН: 1167456069021
Банк: ПАО Сбербанк
Р/с: 40702810838000475273
К/с: 30101810400000000225
БИК: 044525225
У подшипника N1024 пока нет отзывов. Вы можете стать первым покупателем, поделившимся своим мнением.