Поиск подшипника
Статьи
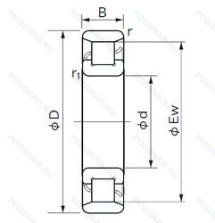
N1096 — Роликовый радиальный однорядный подшипник, основное исполнение, выпускается производителями: NACHI, NTN.
Размер подшипника: 480x700x100 мм.
Однорядный цилиндрический роликоподшипник. Внутреннее кольцо подшипника имеет два борта, наружное — без бортов.
Аналоги: 2196.
Международная стандартизации ISO
N1096
В наличии
| Обозначение | Гост | Конструктивные особенности |
|---|---|---|
| 2196 | ГОСТ | Роликовый радиальный однорядный подшипник. |
Аналог роликового подшипника N1096 — это подшипник такого же размера dx480,Dx700,Bx100, типа и конструкции.
| Обозначение | Конструктивные особенности | Внутренний (d) | Наружный (D) | Ширина (B) |
|---|---|---|---|---|
| 196-Л | Шариковый радиальный однорядный подшипник. Сепаратор из латуни.. | 480.00 | 700.00 | 100.00 |
| 6096 MB | Шариковый радиальный однорядный подшипник. сепаратор из латуни. центрированный по внутреннему кольцу. | 480.00 | 700.00 | 100.00 |
| QJ1096 | Шариковый радиально-упорный однорядный подшипник. Штампованный сепаратор из стального листа. Шариковый подшипник с четырех-точечным контактом. | 480.00 | 700.00 | 100.00 |
| QJ 1096 N2MA | Шариковый радиально-упорный подшипник. Измененная или модифицированная внутренняя конструкция при неизменных основных размерах. Шариковый подшипник с четырехточечным контактом. | 480.00 | 700.00 | 100.00 |
| 7096 BM | Шариковый радиально-упорный подшипник. | 480.00 | 700.00 | 100.00 |
| 7096 AM | Шариковый радиально-упорный подшипник. Измененная или модифицированная внутренняя конструкция при неизменных основных размерах. | 480.00 | 700.00 | 100.00 |
| NU1096 | Роликовый радиальный цилиндрический однорядный подшипник. Сталь сквозной закалки SUJ2 (японская) и взаимозаменяемость (только для метрических серий). Канавка под стопорное кольцо на наружном кольце подшипника. Однорядные цилиндрические роликоподшипники. Наружное кольцо подшипника имеет два борта. | 480.00 | 700.00 | 100.00 |
| NU 1096 MA | Роликовый радиальный цилиндрический однорядный подшипник. Механически обработанный латунный сепаратор. Центрирование по внешнему кольцу. Однорядный цилиндрический роликовый подшипник. | 480.00 | 700.00 | 100.00 |
| NU1096-M1 | однорядный цилиндрический роликовый подшипник. Механически обработанный латунный сепаратор. вращающийся элемент качения (крестовина на заклепках). | 480.00 | 700.00 | 100.00 |
| NU1096M1.C3 | Однорядный цилиндрический роликовый подшипник. Внутренний зазор больше нормального. Механически обработанный латунный сепаратор. вращающийся элемент качения (крестовина на заклепках). | 480.00 | 700.00 | 100.00 |
| 6096M | Подшипник однорядный шариковый радиальный. Механически обработанный латунный сепаратор. центрируемый по шарикам. Разные конструкции или материалы обозначаются цифрой после буквы М. например. М2. | 480.00 | 700.00 | 100.00 |
| 6096M.C3 | Подшипник однорядный шариковый радиальный. Внутренний зазор больше нормального. Твердый латунный сепаратор. Шариковые направляющие. | 480.00 | 700.00 | 100.00 |
| NU1096MA/C3 | Однорядный цилиндрический роликовый подшипник. Внутренний зазор больше нормального. Изготовленный из двух частей латунный сепаратор. внешнее кольцо по центру. | 480.00 | 700.00 | 100.00 |
| NJ1096EMAW45AW50AC3 | Однорядный цилиндрический роликовый подшипник. Внутренний зазор больше нормального. Конструкция с увеличенной грузоподьемностью. Механически обработанный латунный сепаратор. Центрирование по внешнему кольцу. Подъемные отверстия с резьбой в торце наружного кольца для облегчения подъема и перемещения. Tapped Lifting Holes In Face Of Inner Ring. | 480.00 | 700.00 | 100.00 |
| NU1096-M1A | Однорядный цилиндрический роликовый подшипник. Массивный латунный сепаратор. двухтельный. центрированный по бортам. | 480.00 | 700.00 | 100.00 |
Способы доставки
Отправка через ведущие транспортные и курьерские компании: ПЭК, Деловые Линии, СДЭК, Байкал-Сервис, Энергия, КИТ, ЖелДорЭкспедиция.
Самовывоз возможен напрямую со склада в Москве.
Сроки доставки
Срок зависит от региона и выбранной транспортной компании. Все заказы комплектуются и отправляются в кратчайшие сроки со склада в Москве.
Надёжность и сохранность
Вся продукция упаковывается с учётом требований транспортировки. Мы гарантируем, что подшипники и комплектующие прибудут к заказчику в полной сохранности.
Доставка в страны ЕАЭС
Мы работаем с проверенными логистическими партнёрами, что позволяет оперативно доставлять заказы в Беларусь, Казахстан, Армению и другие страны ЕАЭС.
Варианты оплаты:
Минимальная сумма заказа и скидки:
Документы и гарантии:
Да, конечно! Наши технические специалисты готовы помочь вам с подбором точного аналога или замены подшипника. Просто позвоните нам по телефону +7 (495) 104-99-04 или напишите на почту zakaz@podsnab.ru.
Для оперативной консультации подготовьте, пожалуйста, имеющиеся данные: маркировку, размеры, тип оборудования или артикул старого подшипника.
Да, конечно! Мы высоко ценим долгосрочное сотрудничество и доверие клиентов по всей России. Для постоянных клиентов действует персональная система скидок.
Условия формируются индивидуально и зависят от:
Чтобы узнать свои условия и получить максимально выгодное предложение, свяжитесь с персональным менеджером или напишите нам на почту zakaz@podsnab.ru.
Вы можете оформить заказ несколькими способами:
Для оформления заказа от юридического лица свяжитесь с нашим отделом по работе с корпоративными клиентами по телефону +7 (495) 104-99-04 или напишите на email zakaz@podsnab.ru, прикрепив реквизиты вашей организации.
Мы оперативно подготовим коммерческое предложение и выставим счет.
Возврат товара надлежащего качества возможен в течение 10 дней с момента получения, если товар не был в употреблении, сохранен товарный вид, упаковка не вскрывалась и присутствуют все сопроводительные документы.
Возврат денежных средств осуществляется в течение 10 рабочих дней после проверки товара складом.
В соответствии с законодательством возврату не подлежат подшипники надлежащего качества, если отсутствует оригинальная упаковка или имеются следы монтажа.
В случае выявления брака или гарантийного случая мы гарантируем возврат или обмен товара.
Да, гарантийный срок хранения устанавливается заводом-изготовителем и в среднем составляет 2 года при соблюдении условий хранения: сухое помещение, оригинальная упаковка и смазка.
Точный срок для конкретного типа подшипника уточняйте у наших менеджеров.
Пн–Пт: с 8:00 до 17:00 (МСК).
Сб–Вс: выходные дни.
Заказы на сайте принимаются круглосуточно. Заявки, поступившие после окончания рабочего дня, обрабатываются на следующий рабочий день.
Минимальная сумма заказа для доставки составляет 3000 рублей. Самовывоз со склада возможен на любую сумму при наличии товара.
ООО «УралТехГрупп»
ИНН: 7415093830
КПП: 772401001
ОГРН: 1167456069021
Банк: ПАО Сбербанк
Р/с: 40702810838000475273
К/с: 30101810400000000225
БИК: 044525225
У подшипника N1096 пока нет отзывов. Вы можете стать первым покупателем, поделившимся своим мнением.