Поиск подшипника
Статьи
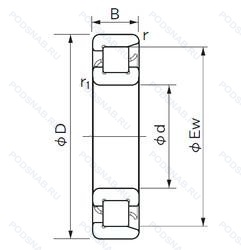
NF1014 — Роликовый радиальный однорядный подшипник, основное исполнение, выпускается производителями: NACHI, NSK.
Размер подшипника: 70x100x20 мм.
Внутреннем кольце с двойным фланцем, внешнее с одним.
Международная стандартизации ISO
NF1014
В наличии
| Обозначение | Гост | Конструктивные особенности |
|---|---|---|
| N1014RXHZTPKR | ISO | Роликовый радиальный однорядный подшипник. |
| N1014RXHZTP | ISO | Роликовый радиальный однорядный подшипник. |
| N1014RXHTPKR | ISO | Роликовый радиальный однорядный подшипник. |
| N1014RXZTP | ISO | Роликовый радиальный однорядный подшипник. |
| N1014RSZTPKR | ISO | Роликовый радиальный однорядный подшипник. |
| N1014RXZTPKR | ISO | Роликовый радиальный однорядный подшипник. |
| N1014RSTP | ISO | Роликовый радиальный однорядный подшипник. |
| N1014RXHTP | ISO | Роликовый радиальный однорядный подшипник. |
| N1014BMR1 | ISO | Роликовый радиальный однорядный подшипник. |
| N1014RXTPKR | ISO | Роликовый радиальный однорядный подшипник. |
| N1014BMR1KR | ISO | Роликовый радиальный однорядный подшипник. |
| N1014RXTP | ISO | Роликовый радиальный однорядный подшипник. |
| N1014RSZTP | ISO | Роликовый радиальный однорядный подшипник. |
| N1014RSTPKR | ISO | Роликовый радиальный однорядный подшипник. |
| NP 1014 | ISO | Роликовый радиальный однорядный подшипник. |
Аналог роликового подшипника NF1014 — это подшипник такого же размера dx70,Dx100,Bx20, типа и конструкции.
| Обозначение | Конструктивные особенности | Внутренний (d) | Наружный (D) | Ширина (B) |
|---|---|---|---|---|
| SL182914-B-XL-C3 | Однорядный цилиндрический роликовый подшипник. Внутренний зазор больше нормального. Особенность внутренней конструкции. Серия X-Life премиум-класс. увеличиный срок службы. | 70.00 | 100.00 | 19.00 |
| SL18-2914C5 | Однорядный цилиндрический роликовый подшипник. Внутренний зазор подшипника больше. чем С4. | 70.00 | 100.00 | 19.00 |
| 32914-X5 | Однорядный конический роликовый подшипник. Промышленная упаковка. | 70.00 | 100.00 | 20.00 |
| NA1070R6 | Роликовый игольчатый подшипник. Выпуклая внутренняя кольцевая дорожка. | 70.00 | 100.00 | 20.00 |
| 32914-H | Однорядный конический роликовый подшипник. Произведен в Китае. | 70.00 | 100.00 | 20.00 |
| SL182914C4 | Однорядный цилиндрический роликовый подшипник. Внутренний зазор подшипника больше. чем C3. | 70.00 | 100.00 | 19.00 |
| E32914J | Роликовый радиальный-упорный однорядный подшипник. Дорожки качения наружного кольца. угол контакта и ширина наружного кольца в соответствии с ISO. | 70.00 | 100.00 | 20.00 |
| HR32914J | Роликовый радиальный-упорный однорядный подшипник. Дорожки качения наружного кольца. угол контакта и ширина наружного кольца в соответствии с ISO. Для конических роликоподшипников и радиальных шарикоподшипников. | 70.00 | 100.00 | 20.00 |
| 32914X | Роликовый радиальный-упорный однорядный подшипник. Измененные размеры границ. введенные пересмотренными стандартами ISO. | 70.00 | 100.00 | 20.00 |
| 6-60114 АК1Ш1 | Шариковый радиальный однорядный подшипник. Нормы шумности. Повышенная грузоподъемность. | 70.00 | 100.00 | 20.00 |
| 6-60114 АК1Ш | Шариковый радиальный однорядный подшипник. Повышенная грузоподъемность. Нормы шумности. | 70.00 | 100.00 | 20.00 |
| 6-60114 АК1 | Шариковый радиальный однорядный подшипник. Повышенная грузоподъемность. | 70.00 | 100.00 | 20.00 |
| 32914 A | Роликовый радиальный-упорный однорядный подшипник. Двухрядный радиально-упорный шарикоподшипник без отверстия для смазки. | 70.00 | 100.00 | 20.00 |
| 32914JR | Роликовый радиальный-упорный конический однорядный подшипник. TAPERED ROLLER BEARING CONFORMING TO ISO R355 (SUB-UNIT. METRIC SERIES). EXAMPLE/ 30206JR. | 70.00 | 100.00 | 20.00 |
| 114-АК1 | Шариковый радиальный однорядный подшипник. Повышенная грузоподъемность. | 70.00 | 100.00 | 20.00 |
Способы доставки
Отправка через ведущие транспортные и курьерские компании: ПЭК, Деловые Линии, СДЭК, Байкал-Сервис, Энергия, КИТ, ЖелДорЭкспедиция.
Самовывоз возможен напрямую со склада в Москве.
Сроки доставки
Срок зависит от региона и выбранной транспортной компании. Все заказы комплектуются и отправляются в кратчайшие сроки со склада в Москве.
Надёжность и сохранность
Вся продукция упаковывается с учётом требований транспортировки. Мы гарантируем, что подшипники и комплектующие прибудут к заказчику в полной сохранности.
Доставка в страны ЕАЭС
Мы работаем с проверенными логистическими партнёрами, что позволяет оперативно доставлять заказы в Беларусь, Казахстан, Армению и другие страны ЕАЭС.
Варианты оплаты:
Минимальная сумма заказа и скидки:
Документы и гарантии:
Да, конечно! Наши технические специалисты готовы помочь вам с подбором точного аналога или замены подшипника. Просто позвоните нам по телефону +7 (495) 104-99-04 или напишите на почту zakaz@podsnab.ru.
Для оперативной консультации подготовьте, пожалуйста, имеющиеся данные: маркировку, размеры, тип оборудования или артикул старого подшипника.
Да, конечно! Мы высоко ценим долгосрочное сотрудничество и доверие клиентов по всей России. Для постоянных клиентов действует персональная система скидок.
Условия формируются индивидуально и зависят от:
Чтобы узнать свои условия и получить максимально выгодное предложение, свяжитесь с персональным менеджером или напишите нам на почту zakaz@podsnab.ru.
Вы можете оформить заказ несколькими способами:
Для оформления заказа от юридического лица свяжитесь с нашим отделом по работе с корпоративными клиентами по телефону +7 (495) 104-99-04 или напишите на email zakaz@podsnab.ru, прикрепив реквизиты вашей организации.
Мы оперативно подготовим коммерческое предложение и выставим счет.
Возврат товара надлежащего качества возможен в течение 10 дней с момента получения, если товар не был в употреблении, сохранен товарный вид, упаковка не вскрывалась и присутствуют все сопроводительные документы.
Возврат денежных средств осуществляется в течение 10 рабочих дней после проверки товара складом.
В соответствии с законодательством возврату не подлежат подшипники надлежащего качества, если отсутствует оригинальная упаковка или имеются следы монтажа.
В случае выявления брака или гарантийного случая мы гарантируем возврат или обмен товара.
Да, гарантийный срок хранения устанавливается заводом-изготовителем и в среднем составляет 2 года при соблюдении условий хранения: сухое помещение, оригинальная упаковка и смазка.
Точный срок для конкретного типа подшипника уточняйте у наших менеджеров.
Пн–Пт: с 8:00 до 17:00 (МСК).
Сб–Вс: выходные дни.
Заказы на сайте принимаются круглосуточно. Заявки, поступившие после окончания рабочего дня, обрабатываются на следующий рабочий день.
Минимальная сумма заказа для доставки составляет 3000 рублей. Самовывоз со склада возможен на любую сумму при наличии товара.
ООО «УралТехГрупп»
ИНН: 7415093830
КПП: 772401001
ОГРН: 1167456069021
Банк: ПАО Сбербанк
Р/с: 40702810838000475273
К/с: 30101810400000000225
БИК: 044525225
У подшипника NF1014 пока нет отзывов. Вы можете стать первым покупателем, поделившимся своим мнением.