Поиск подшипника
Статьи
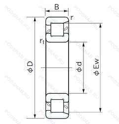
NF 1028 — Роликовый радиальный однорядный подшипник, модификация основного исполнения NF 1028, производство NACHI.
Размер подшипника: 140x210x33 мм.
Внутреннем кольце с двойным фланцем, внешнее с одним.
Международная стандартизации ISO
NF1028
В наличии
| Обозначение | Гост | Конструктивные особенности |
|---|---|---|
| N1028HSKC0NAP4 | ISO | Роликовый радиальный однорядный подшипник. |
| 2128 | ГОСТ | Роликовый радиальный однорядный подшипник. |
| 05-32128 Р6 | ГОСТ | Детали из теплоустойчивой (быстрорежущие) стали.. |
| 20-32128 Д1Т2 | ГОСТ | 200°. Температура отпуска. Сепаратор из алюминиевого сплава.. |
| NJ1028 | ISO | Штампованный сепаратор из стального листа. Канавка под стопорное кольцо на наружном кольце подшипника. Однорядный цилиндрический роликовый подшипник. Наружное кольцо имеет два борта. |
| NUP1028 | ISO | Сталь сквозной закалки SUJ2 (японская) и взаимозаменяемость (только для метрических серий). Канавка под стопорное кольцо на наружном кольце подшипника. Точность размеров примерно соответствует классу точности Р4. Однорядный цилиндрический роликовый подшипник. Наружное кольцо имеет два борта. |
| N1028-K-M1-SP | ISO | Коническое отверстие. Конусность 1/12. Механически обработанный латунный сепаратор. вращающийся элемент качения (крестовина на заклепках). Точность размеров примерно соответствует классу точности Р5. биения — классу точности Р4. |
| N1028K | ISO | Коническое отверстие. Конусность 1/12. |
| NP 1028 | ISO | Роликовый радиальный однорядный подшипник. |
| NU1028-E-M6 | ISO | Повышенная грузоподъемность. 20-28 UM (C3 & C4). |
| NU1028-E-MPA | ISO | Повышенная грузоподъемность. Твердый латунный сепаратор. |
| 6-32128 ДТ2 | ГОСТ | Сепаратор из алюминиевого сплава.. 200°. Температура отпуска. |
| 5-32128 Р6У | ГОСТ | Дополнительные технические требования. Детали из теплоустойчивой (быстрорежущие) стали.. |
| 5-32128 Р7У | ГОСТ | Дополнительные технические требования. Детали из теплоустойчивой (быстрорежущие) стали.. |
| 55-32128 Р4 | ГОСТ | Детали из теплоустойчивой (быстрорежущие) стали.. |
| 55-32128 Р6 | ГОСТ | Детали из теплоустойчивой (быстрорежущие) стали.. |
| 55-32128 Р7 | ГОСТ | Детали из теплоустойчивой (быстрорежущие) стали.. |
| 5А-32128 Р4 | ГОСТ | Детали из теплоустойчивой (быстрорежущие) стали.. |
| 5А-32128 Р6 | ГОСТ | Детали из теплоустойчивой (быстрорежущие) стали.. |
| 5А-32128 Р7 | ГОСТ | Детали из теплоустойчивой (быстрорежущие) стали.. |
Аналог роликового подшипника NF 1028 — это подшипник такого же размера dx140,Dx210,Bx33, типа и конструкции.
| Обозначение | Конструктивные особенности | Внутренний (d) | Наружный (D) | Ширина (B) |
|---|---|---|---|---|
| 3NCHAC028C | Шариковый радиальный однорядный подшипник. Угол контакта 20 градусов. | 140.00 | 210.00 | 33.00 |
| 3NCHAR028C | Шариковый радиальный однорядный подшипник. Угол контакта 20 градусов. | 140.00 | 210.00 | 33.00 |
| 3NCHAR028 | Шариковый радиальный однорядный подшипник. Угол контакта 20 градусов. | 140.00 | 210.00 | 33.00 |
| 3NCHAR028CA | Шариковый радиальный однорядный подшипник. Угол контакта 20 градусов. Латунный сепаратор с симметричными роликами. | 140.00 | 210.00 | 33.00 |
| 46128-Е | Шариковый радиально-упорный однорядный подшипник. Сепаратор из текстолита.. | 140.00 | 210.00 | 33.00 |
| 46128-Л | Шариковый радиально-упорный однорядный подшипник. Сепаратор из латуни.. | 140.00 | 210.00 | 33.00 |
| 46128К | Шариковый радиально-упорный однорядный подшипник. «Замок» (скос) на внутреннем кольце плюс массивный сепаратор из текстолита. | 140.00 | 210.00 | 33.00 |
| 5-126128 Б2Т2 | Шариковый радиально-упорный однорядный подшипник. 200°. Температура отпуска. Сепаратор из безоловянистой бронзы.. | 140.00 | 210.00 | 33.00 |
| 5-176128 Б4Т2 | Шариковый радиально-упорный однорядный подшипник. 200°. Температура отпуска. Сепаратор из безоловянистой бронзы.. | 140.00 | 210.00 | 33.00 |
| 5-176128 Б5Т2 | Шариковый радиально-упорный однорядный подшипник. 200°. Температура отпуска. Сепаратор из безоловянистой бронзы.. | 140.00 | 210.00 | 33.00 |
| 5-176128 Б6Т2 | Шариковый радиально-упорный однорядный подшипник. 200°. Температура отпуска. Сепаратор из безоловянистой бронзы.. | 140.00 | 210.00 | 33.00 |
| 5-176128 Р2 | Шариковый радиально-упорный однорядный подшипник. Детали из теплоустойчивой (быстрорежущие) стали.. | 140.00 | 210.00 | 33.00 |
| 5-46128 К | Шариковый радиально-упорный однорядный подшипник. «Замок» (скос) на внутреннем кольце плюс массивный сепаратор из текстолита. | 140.00 | 210.00 | 33.00 |
| 5-66128 Л | Шариковый радиально-упорный однорядный подшипник. Сепаратор из латуни.. | 140.00 | 210.00 | 33.00 |
| 6-176128 Б4Т2 | Шариковый радиально-упорный однорядный подшипник. 200°. Температура отпуска. Сепаратор из безоловянистой бронзы.. | 140.00 | 210.00 | 33.00 |
Способы доставки
Отправка через ведущие транспортные и курьерские компании: ПЭК, Деловые Линии, СДЭК, Байкал-Сервис, Энергия, КИТ, ЖелДорЭкспедиция.
Самовывоз возможен напрямую со склада в Москве.
Сроки доставки
Срок зависит от региона и выбранной транспортной компании. Все заказы комплектуются и отправляются в кратчайшие сроки со склада в Москве.
Надёжность и сохранность
Вся продукция упаковывается с учётом требований транспортировки. Мы гарантируем, что подшипники и комплектующие прибудут к заказчику в полной сохранности.
Доставка в страны ЕАЭС
Мы работаем с проверенными логистическими партнёрами, что позволяет оперативно доставлять заказы в Беларусь, Казахстан, Армению и другие страны ЕАЭС.
Варианты оплаты:
Минимальная сумма заказа и скидки:
Документы и гарантии:
Да, конечно! Наши технические специалисты готовы помочь вам с подбором точного аналога или замены подшипника. Просто позвоните нам по телефону +7 (495) 104-99-04 или напишите на почту zakaz@podsnab.ru.
Для оперативной консультации подготовьте, пожалуйста, имеющиеся данные: маркировку, размеры, тип оборудования или артикул старого подшипника.
Да, конечно! Мы высоко ценим долгосрочное сотрудничество и доверие клиентов по всей России. Для постоянных клиентов действует персональная система скидок.
Условия формируются индивидуально и зависят от:
Чтобы узнать свои условия и получить максимально выгодное предложение, свяжитесь с персональным менеджером или напишите нам на почту zakaz@podsnab.ru.
Вы можете оформить заказ несколькими способами:
Для оформления заказа от юридического лица свяжитесь с нашим отделом по работе с корпоративными клиентами по телефону +7 (495) 104-99-04 или напишите на email zakaz@podsnab.ru, прикрепив реквизиты вашей организации.
Мы оперативно подготовим коммерческое предложение и выставим счет.
Возврат товара надлежащего качества возможен в течение 10 дней с момента получения, если товар не был в употреблении, сохранен товарный вид, упаковка не вскрывалась и присутствуют все сопроводительные документы.
Возврат денежных средств осуществляется в течение 10 рабочих дней после проверки товара складом.
В соответствии с законодательством возврату не подлежат подшипники надлежащего качества, если отсутствует оригинальная упаковка или имеются следы монтажа.
В случае выявления брака или гарантийного случая мы гарантируем возврат или обмен товара.
Да, гарантийный срок хранения устанавливается заводом-изготовителем и в среднем составляет 2 года при соблюдении условий хранения: сухое помещение, оригинальная упаковка и смазка.
Точный срок для конкретного типа подшипника уточняйте у наших менеджеров.
Пн–Пт: с 8:00 до 17:00 (МСК).
Сб–Вс: выходные дни.
Заказы на сайте принимаются круглосуточно. Заявки, поступившие после окончания рабочего дня, обрабатываются на следующий рабочий день.
Минимальная сумма заказа для доставки составляет 3000 рублей. Самовывоз со склада возможен на любую сумму при наличии товара.
ООО «УралТехГрупп»
ИНН: 7415093830
КПП: 772401001
ОГРН: 1167456069021
Банк: ПАО Сбербанк
Р/с: 40702810838000475273
К/с: 30101810400000000225
БИК: 044525225
У подшипника NF 1028 пока нет отзывов. Вы можете стать первым покупателем, поделившимся своим мнением.