Поиск подшипника
Статьи
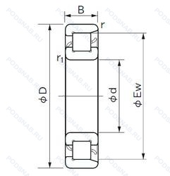
NF 1038 — Роликовый радиальный однорядный подшипник, модификация основного исполнения NF 1038, производство NACHI.
Размер подшипника: 190x290x46 мм.
Внутреннем кольце с двойным фланцем, внешнее с одним.
Международная стандартизации ISO
NF1038
В наличии
| Обозначение | Гост | Конструктивные особенности |
|---|---|---|
| 80-32138 К3М | ГОСТ | Модифицированный контакт.. |
| 2138 | ГОСТ | Роликовый радиальный однорядный подшипник. |
| 30-42138 ЛМ | ГОСТ | Сепаратор из латуни.. Модифицированный контакт.. |
| 32138К3М | ГОСТ | Кольцевая проточка на середине цилиндрической наружной поверхности наружного кольца плюс три отверстия для смазки. Модифицированный контакт.. |
| NH1038 | ISO | Канавка под стопорное кольцо на наружном кольце подшипника. |
| NJ1038 | ISO | Штампованный сепаратор из стального листа. Канавка под стопорное кольцо на наружном кольце подшипника. Однорядный цилиндрический роликовый подшипник. Наружное кольцо имеет два борта. |
| NUP1038 | ISO | Сталь сквозной закалки SUJ2 (японская) и взаимозаменяемость (только для метрических серий). Канавка под стопорное кольцо на наружном кольце подшипника. Точность размеров примерно соответствует классу точности Р4. Однорядный цилиндрический роликовый подшипник. Наружное кольцо имеет два борта. |
| N1038-K-M1-SP | ISO | Коническое отверстие. Конусность 1/12. Механически обработанный латунный сепаратор. вращающийся элемент качения (крестовина на заклепках). Точность размеров примерно соответствует классу точности Р5. биения — классу точности Р4. |
| NP 1038 | ISO | Роликовый радиальный однорядный подшипник. |
| NU1038-E-MPA | ISO | Повышенная грузоподъемность. Твердый латунный сепаратор. |
| NU1038-E-M6 | ISO | Повышенная грузоподъемность. 20-28 UM (C3 & C4). |
| 8-32138-К2М | ГОСТ | Модифицированный контакт.. |
| 80-32138 К2М | ГОСТ | Модифицированный контакт.. |
| 80-32138 ЛМ | ГОСТ | Сепаратор из латуни.. Модифицированный контакт.. |
| 80-32138 ЛМУ | ГОСТ | Сепаратор из латуни.. Дополнительные технические требования. Модифицированный контакт.. |
Аналог роликового подшипника NF 1038 — это подшипник такого же размера dx190,Dx290,Bx46, типа и конструкции.
| Обозначение | Конструктивные особенности | Внутренний (d) | Наружный (D) | Ширина (B) |
|---|---|---|---|---|
| 7038C | Шариковый радиально-упорный однорядный подшипник. Угол контакта 15°. | 190.00 | 290.00 | 46.00 |
| 6-138 АЛШ1 | Шариковый радиальный однорядный подшипник. Сепаратор из латуни.. Повышенная грузоподъемность. Нормы шумности. | 190.00 | 290.00 | 46.00 |
| 6038-RS | Шариковый радиальный однорядный подшипник. Резиновое уплотнение с одной стороны. | 190.00 | 290.00 | 46.00 |
| 6038Z | Шариковый радиальный однорядный подшипник. Стальная шайба. | 190.00 | 290.00 | 46.00 |
| 6038-2RS | Шариковый радиальный однорядный подшипник. Резиновые уплотнения с каждой стороны подшипника. | 190.00 | 290.00 | 46.00 |
| 6038ZX | Шариковый радиальный однорядный подшипник. Съемная защитная шайба с одной стороны. | 190.00 | 290.00 | 46.00 |
| 6-46138 Л | Шариковый радиально-упорный однорядный подшипник. Сепаратор из латуни.. | 190.00 | 290.00 | 46.00 |
| 6-950138 Л | Шариковый радиальный однорядный подшипник. Сепаратор из латуни.. | 190.00 | 290.00 | 46.00 |
| 7138М | Роликовый радиальный-упорный однорядный подшипник. Модифицированный контакт.. | 190.00 | 290.00 | 46.00 |
| 206190X/206290C | Роликовый радиальный-упорный однорядный подшипник. 15° Угол контакта. | 190.50 | 290.00 | 47.00 |
| 8-138-Л | Шариковый упорный однорядный подшипник. Сепаратор из латуни.. | 190.00 | 240.00 | 46.00 |
| 9138K | Шариковый радиальный однорядный подшипник. Коническое отверстие. Конусность 1/12. | 190.00 | 290.00 | 46.00 |
| 138-Л | Шариковый радиальный однорядный подшипник. Сепаратор из латуни.. | 190.00 | 290.00 | 46.00 |
| 46138К | Шариковый радиально-упорный однорядный подшипник. «Замок» (скос) на внутреннем кольце плюс массивный сепаратор из текстолита. | 190.00 | 290.00 | 46.00 |
| 6-138 Л | Шариковый радиальный однорядный подшипник. Сепаратор из латуни.. | 190.00 | 290.00 | 46.00 |
Способы доставки
Отправка через ведущие транспортные и курьерские компании: ПЭК, Деловые Линии, СДЭК, Байкал-Сервис, Энергия, КИТ, ЖелДорЭкспедиция.
Самовывоз возможен напрямую со склада в Москве.
Сроки доставки
Срок зависит от региона и выбранной транспортной компании. Все заказы комплектуются и отправляются в кратчайшие сроки со склада в Москве.
Надёжность и сохранность
Вся продукция упаковывается с учётом требований транспортировки. Мы гарантируем, что подшипники и комплектующие прибудут к заказчику в полной сохранности.
Доставка в страны ЕАЭС
Мы работаем с проверенными логистическими партнёрами, что позволяет оперативно доставлять заказы в Беларусь, Казахстан, Армению и другие страны ЕАЭС.
Варианты оплаты:
Минимальная сумма заказа и скидки:
Документы и гарантии:
Да, конечно! Наши технические специалисты готовы помочь вам с подбором точного аналога или замены подшипника. Просто позвоните нам по телефону +7 (495) 104-99-04 или напишите на почту zakaz@podsnab.ru.
Для оперативной консультации подготовьте, пожалуйста, имеющиеся данные: маркировку, размеры, тип оборудования или артикул старого подшипника.
Да, конечно! Мы высоко ценим долгосрочное сотрудничество и доверие клиентов по всей России. Для постоянных клиентов действует персональная система скидок.
Условия формируются индивидуально и зависят от:
Чтобы узнать свои условия и получить максимально выгодное предложение, свяжитесь с персональным менеджером или напишите нам на почту zakaz@podsnab.ru.
Вы можете оформить заказ несколькими способами:
Для оформления заказа от юридического лица свяжитесь с нашим отделом по работе с корпоративными клиентами по телефону +7 (495) 104-99-04 или напишите на email zakaz@podsnab.ru, прикрепив реквизиты вашей организации.
Мы оперативно подготовим коммерческое предложение и выставим счет.
Возврат товара надлежащего качества возможен в течение 10 дней с момента получения, если товар не был в употреблении, сохранен товарный вид, упаковка не вскрывалась и присутствуют все сопроводительные документы.
Возврат денежных средств осуществляется в течение 10 рабочих дней после проверки товара складом.
В соответствии с законодательством возврату не подлежат подшипники надлежащего качества, если отсутствует оригинальная упаковка или имеются следы монтажа.
В случае выявления брака или гарантийного случая мы гарантируем возврат или обмен товара.
Да, гарантийный срок хранения устанавливается заводом-изготовителем и в среднем составляет 2 года при соблюдении условий хранения: сухое помещение, оригинальная упаковка и смазка.
Точный срок для конкретного типа подшипника уточняйте у наших менеджеров.
Пн–Пт: с 8:00 до 17:00 (МСК).
Сб–Вс: выходные дни.
Заказы на сайте принимаются круглосуточно. Заявки, поступившие после окончания рабочего дня, обрабатываются на следующий рабочий день.
Минимальная сумма заказа для доставки составляет 3000 рублей. Самовывоз со склада возможен на любую сумму при наличии товара.
ООО «УралТехГрупп»
ИНН: 7415093830
КПП: 772401001
ОГРН: 1167456069021
Банк: ПАО Сбербанк
Р/с: 40702810838000475273
К/с: 30101810400000000225
БИК: 044525225
У подшипника NF 1038 пока нет отзывов. Вы можете стать первым покупателем, поделившимся своим мнением.