Поиск подшипника
Статьи
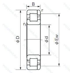
NP 1024 — Роликовый радиальный однорядный подшипник, модификация основного исполнения NP 1024, производство NACHI.
Размер подшипника: 120x180x28 мм.
Однорядный цилиндрический роликоподшипник, два фланца на внутреннем кольце, один фланец + один свободный фланец на внешнем.
Международная стандартизации ISO
NP1024
В наличии
| Обозначение | Гост | Конструктивные особенности |
|---|---|---|
| 6-42124 | ГОСТ | Роликовый радиальный однорядный подшипник. |
| N 1024 KTNHA/HC5SP | ISO | Измененная или модифицированная внутренняя конструкция при неизменных основных размерах. Однорядный цилиндрический роликовый подшипник. |
| N 1024 KTNHA/SP | ISO | Измененная или модифицированная внутренняя конструкция при неизменных основных размерах. Точность размеров примерно соответствует классу точности Р5. биения — классу точности Р4. Однорядный цилиндрический роликовый подшипник. |
| N 1024 KTN9/HC5SP | ISO | Однорядный цилиндрический роликовый подшипник. |
| 2124ЛM | ГОСТ | Подшипник с латунным сепаратором. центрированный по телам качения. Сепаратор из латуни.. |
| N2924 | ISO | Однорядный цилиндрический роликовый подшипник. Внутреннее кольцо подшипника имеет два борта. Два смещенных на 180° стопорных паза на наружной поверхности наружного кольца подшипника. |
| NF2924 | ISO | Механически обработанный сепаратор из стали или специального чугуна. Канавка под стопорное кольцо на наружном кольце подшипника. |
| NJ1024 | ISO | Штампованный сепаратор из стального листа. Канавка под стопорное кольцо на наружном кольце подшипника. Однорядный цилиндрический роликовый подшипник. Наружное кольцо имеет два борта. |
| NJ2924 | ISO | Штампованный сепаратор из стального листа. Канавка под стопорное кольцо на наружном кольце подшипника. Однорядный цилиндрический роликовый подшипник. Наружное кольцо имеет два борта. |
| NP2924 | ISO | Канавка под стопорное кольцо на наружном кольце подшипника. |
| NU2924 | ISO | Сталь сквозной закалки SUJ2 (японская) и взаимозаменяемость (только для метрических серий). Канавка под стопорное кольцо на наружном кольце подшипника. Однорядные цилиндрические роликоподшипники. Наружное кольцо подшипника имеет два борта. |
| NUP1024 | ISO | Сталь сквозной закалки SUJ2 (японская) и взаимозаменяемость (только для метрических серий). Канавка под стопорное кольцо на наружном кольце подшипника. Точность размеров примерно соответствует классу точности Р4. Однорядный цилиндрический роликовый подшипник. Наружное кольцо имеет два борта. |
| NUP2924 | ISO | Канавка под стопорное кольцо на наружном кольце подшипника. Точность размеров примерно соответствует классу точности Р4. Однорядный цилиндрический роликовый подшипник. Наружное кольцо имеет два борта. |
| NJ1024FM | ISO | Y-образный подшипник серии YET2 (внутреннее кольцо выдвинуто с одной стороны. Эксцентриковая стопорная втулка). Стандартное уплотнение без фланца с каждой стороны. |
| N1024K | ISO | Коническое отверстие. Конусность 1/12. |
| NU1024-E-MPA | ISO | Повышенная грузоподъемность. Твердый латунный сепаратор. |
| NU1024-E-M6 | ISO | Повышенная грузоподъемность. 20-28 UM (C3 & C4). |
| N1024 M | ISO | Подшипник с латунным сепаратором. центрированный по телам качения. |
| 90-2124 ЛМ | ГОСТ | Сепаратор из латуни.. Модифицированный контакт.. |
| 90-92124 Л1 | ГОСТ | Сепаратор из латуни.. |
Аналог роликового подшипника NP 1024 — это подшипник такого же размера dx120,Dx180,Bx28, типа и конструкции.
| Обозначение | Конструктивные особенности | Внутренний (d) | Наружный (D) | Ширина (B) |
|---|---|---|---|---|
| 124-КМ | Шариковый радиальный однорядный подшипник. Модифицированный контакт.. | 120.00 | 180.00 | 28.00 |
| 180124-А | Шариковый радиальный однорядный подшипник. Повышенная грузоподъемность. | 120.00 | 180.00 | 28.00 |
| 4-124-Л | Шариковый радиальный однорядный подшипник. Сепаратор из латуни.. | 120.00 | 180.00 | 28.00 |
| BTM 120 ATN9/P4CDB | Шариковый упорно-радиальный двухрядный подшипник. Измененная или модифицированная внутренняя конструкция при неизменных основных размерах. | 120.00 | 180.00 | 27.00 |
| 46124-E | Шариковый радиально-упорный однорядный подшипник. Повышенная грузоподъемность. | 120.00 | 180.00 | 28.00 |
| 46124-Е | Шариковый радиально-упорный однорядный подшипник. Сепаратор из текстолита.. | 120.00 | 180.00 | 28.00 |
| 46124-Л | Шариковый радиально-упорный однорядный подшипник. Сепаратор из латуни.. | 120.00 | 180.00 | 28.00 |
| 46124К | Шариковый радиально-упорный однорядный подшипник. «Замок» (скос) на внутреннем кольце плюс массивный сепаратор из текстолита. | 120.00 | 180.00 | 28.00 |
| 46124ЛУ | Шариковый радиально-упорный однорядный подшипник. Сепаратор из латуни.. Дополнительные технические требования. | 120.00 | 180.00 | 28.00 |
| 5-124 Л | Шариковый радиальный однорядный подшипник. Сепаратор из латуни.. | 120.00 | 180.00 | 28.00 |
| 5-36124 К | Шариковый радиально-упорный однорядный подшипник. «Замок» (скос) на внутреннем кольце плюс массивный сепаратор из текстолита. | 120.00 | 180.00 | 28.00 |
| 5-46124 Е | Шариковый радиально-упорный однорядный подшипник. Сепаратор из текстолита.. | 120.00 | 180.00 | 28.00 |
| 5-46124 К | Шариковый радиально-упорный однорядный подшипник. «Замок» (скос) на внутреннем кольце плюс массивный сепаратор из текстолита. | 120.00 | 180.00 | 28.00 |
| 5-46124 Л | Шариковый радиально-упорный однорядный подшипник. Сепаратор из латуни.. | 120.00 | 180.00 | 28.00 |
| 5-66124 ЕШ2 | Шариковый радиально-упорный однорядный подшипник. Сепаратор из текстолита.. Нормы шумности. | 120.00 | 180.00 | 28.00 |
Способы доставки
Отправка через ведущие транспортные и курьерские компании: ПЭК, Деловые Линии, СДЭК, Байкал-Сервис, Энергия, КИТ, ЖелДорЭкспедиция.
Самовывоз возможен напрямую со склада в Москве.
Сроки доставки
Срок зависит от региона и выбранной транспортной компании. Все заказы комплектуются и отправляются в кратчайшие сроки со склада в Москве.
Надёжность и сохранность
Вся продукция упаковывается с учётом требований транспортировки. Мы гарантируем, что подшипники и комплектующие прибудут к заказчику в полной сохранности.
Доставка в страны ЕАЭС
Мы работаем с проверенными логистическими партнёрами, что позволяет оперативно доставлять заказы в Беларусь, Казахстан, Армению и другие страны ЕАЭС.
Варианты оплаты:
Минимальная сумма заказа и скидки:
Документы и гарантии:
Да, конечно! Наши технические специалисты готовы помочь вам с подбором точного аналога или замены подшипника. Просто позвоните нам по телефону +7 (495) 104-99-04 или напишите на почту zakaz@podsnab.ru.
Для оперативной консультации подготовьте, пожалуйста, имеющиеся данные: маркировку, размеры, тип оборудования или артикул старого подшипника.
Да, конечно! Мы высоко ценим долгосрочное сотрудничество и доверие клиентов по всей России. Для постоянных клиентов действует персональная система скидок.
Условия формируются индивидуально и зависят от:
Чтобы узнать свои условия и получить максимально выгодное предложение, свяжитесь с персональным менеджером или напишите нам на почту zakaz@podsnab.ru.
Вы можете оформить заказ несколькими способами:
Для оформления заказа от юридического лица свяжитесь с нашим отделом по работе с корпоративными клиентами по телефону +7 (495) 104-99-04 или напишите на email zakaz@podsnab.ru, прикрепив реквизиты вашей организации.
Мы оперативно подготовим коммерческое предложение и выставим счет.
Возврат товара надлежащего качества возможен в течение 10 дней с момента получения, если товар не был в употреблении, сохранен товарный вид, упаковка не вскрывалась и присутствуют все сопроводительные документы.
Возврат денежных средств осуществляется в течение 10 рабочих дней после проверки товара складом.
В соответствии с законодательством возврату не подлежат подшипники надлежащего качества, если отсутствует оригинальная упаковка или имеются следы монтажа.
В случае выявления брака или гарантийного случая мы гарантируем возврат или обмен товара.
Да, гарантийный срок хранения устанавливается заводом-изготовителем и в среднем составляет 2 года при соблюдении условий хранения: сухое помещение, оригинальная упаковка и смазка.
Точный срок для конкретного типа подшипника уточняйте у наших менеджеров.
Пн–Пт: с 8:00 до 17:00 (МСК).
Сб–Вс: выходные дни.
Заказы на сайте принимаются круглосуточно. Заявки, поступившие после окончания рабочего дня, обрабатываются на следующий рабочий день.
Минимальная сумма заказа для доставки составляет 3000 рублей. Самовывоз со склада возможен на любую сумму при наличии товара.
ООО «УралТехГрупп»
ИНН: 7415093830
КПП: 772401001
ОГРН: 1167456069021
Банк: ПАО Сбербанк
Р/с: 40702810838000475273
К/с: 30101810400000000225
БИК: 044525225
У подшипника NP 1024 пока нет отзывов. Вы можете стать первым покупателем, поделившимся своим мнением.