Поиск подшипника
Статьи
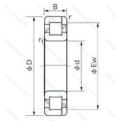
NP 1068 — Роликовый радиальный однорядный подшипник, модификация основного исполнения NP 1068, производство NACHI.
Размер подшипника: 340x520x82 мм.
Однорядный цилиндрический роликоподшипник, два фланца на внутреннем кольце, один фланец + один свободный фланец на внешнем.
Международная стандартизации ISO
NP1068
В наличии
| Обозначение | Гост | Конструктивные особенности |
|---|---|---|
| 2168 | ГОСТ | Роликовый радиальный однорядный подшипник. |
| NH1068 | ISO | Канавка под стопорное кольцо на наружном кольце подшипника. |
| NJ1068 | ISO | Штампованный сепаратор из стального листа. Канавка под стопорное кольцо на наружном кольце подшипника. Однорядный цилиндрический роликовый подшипник. Наружное кольцо имеет два борта. |
| NUP1068 | ISO | Сталь сквозной закалки SUJ2 (японская) и взаимозаменяемость (только для метрических серий). Канавка под стопорное кольцо на наружном кольце подшипника. Точность размеров примерно соответствует классу точности Р4. Однорядный цилиндрический роликовый подшипник. Наружное кольцо имеет два борта. |
| NU1068-MA6+HJ1068 | ISO | Изготовленный из двух частей латунный сепаратор. Центрирование по внешнему кольцу. Различные конструкции или сорта материалов обозначаются цифрой или буквой.. |
| NU1068-M6 | ISO | 20-28 UM (C3 & C4). |
| NU1068-M6E-MA6 | ISO | Изготовленный из двух частей латунный сепаратор. Центрирование по внешнему кольцу. Различные конструкции или сорта материалов обозначаются цифрой или буквой.. |
| NU1068-M6+HJ1068 | ISO | 20-28 UM (C3 & C4). |
| NU1068 M | ISO | Подшипник с латунным сепаратором. центрированный по телам качения. |
Аналог роликового подшипника NP 1068 — это подшипник такого же размера dx340,Dx520,Bx82, типа и конструкции.
| Обозначение | Конструктивные особенности | Внутренний (d) | Наружный (D) | Ширина (B) |
|---|---|---|---|---|
| NU1068-M1A-C3 | Однорядный цилиндрический роликовый подшипник. Внутренний зазор больше нормального. Массивный латунный сепаратор. двухтельный. центрированный по бортам. | 340.00 | 520.00 | 82.00 |
| 6068MB C3 | Подшипник однорядный шариковый радиальный. Внутренний зазор больше нормального. Механически обработанный латунный сепаратор. направляющий по внутреннему кольцу. | 340.00 | 520.00 | 82.00 |
| 6068MB | Подшипник однорядный шариковый радиальный. Механически обработанный латунный сепаратор. направляющий по внутреннему кольцу. | 340.00 | 520.00 | 82.00 |
| 6068MBS C3 | Подшипник однорядный шариковый радиальный. Внутренний зазор больше нормального. Механически обработанный латунный сепаратор. Направляющие внутреннего кольца. Со смазочными канавками на направляющих поверхностях. | 340.00 | 520.00 | 82.00 |
| 6068M/C3VQ561 | Подшипник однорядный шариковый радиальный. Внутренний зазор больше нормального. Механически обработанный латунный сепаратор. центрируемый по шарикам. Разные конструкции или материалы обозначаются цифрой после буквы М. например. М2. | 340.00 | 520.00 | 82.00 |
| NU1068-M1-J30PC-C3 | Однорядный цилиндрический роликовый подшипник. Внутренний зазор больше нормального. Механически обработанный латунный сепаратор. вращающийся элемент качения (крестовина на заклепках). Кольца и тела качения с черным оксидным покрытием. | 340.00 | 520.00 | 82.00 |
| NU1068-M1-J30PC | Однорядный цилиндрический роликовый подшипник. Механически обработанный латунный сепаратор. вращающийся элемент качения (крестовина на заклепках). Кольца и тела качения с черным оксидным покрытием. | 340.00 | 520.00 | 82.00 |
| NU1068-MPAX-J30PC | Однорядный цилиндрический роликовый подшипник. Ребристый однокомпонентный цельнолатунный сепаратор является дальнейшим развитием сепараторов FAG типов MPA и MP1A и будет последовательно заменять эти типы. Он обладает большей прочностью по отношению к ударным нагрузкам и вибрациям. чем его предшественники. и особенно хорошо подходит для применения в условиях высоких нагрузок. Кольца и тела качения с черным оксидным покрытием. | 340.00 | 520.00 | 82.00 |
| QJ1068MA | Подшипник шариковый с четырехточечным контактом. Механически обработанный латунный сепаратор. Центрирование по внешнему кольцу. | 340.00 | 520.00 | 82.00 |
| NJ 1068 MA | Роликовый радиальный цилиндрический однорядный подшипник. Механически обработанный латунный сепаратор. Центрирование по внешнему кольцу. Однорядный цилиндрический роликовый подшипник. | 340.00 | 520.00 | 82.00 |
| 7068A | Шариковый радиально-упорный однорядный подшипник. Двухрядный радиально-упорный шарикоподшипник без отверстия для смазки. | 340.00 | 520.00 | 82.00 |
| 7068B | Шариковый радиально-упорный однорядный подшипник. Угол контакта 40 градусов. | 340.00 | 520.00 | 82.00 |
| QJ1068 | Шариковый радиально-упорный однорядный подшипник. Штампованный сепаратор из стального листа. Шариковый подшипник с четырех-точечным контактом. | 340.00 | 520.00 | 82.00 |
| QJ 1068 N2MA | Шариковый радиальный подшипник. Измененная или модифицированная внутренняя конструкция при неизменных основных размерах. Шариковый подшипник с четырехточечным контактом. | 340.00 | 520.00 | 82.00 |
| 7168М | Роликовый радиальный-упорный однорядный подшипник. Модифицированный контакт.. | 340.00 | 520.00 | 82.00 |
Способы доставки
Отправка через ведущие транспортные и курьерские компании: ПЭК, Деловые Линии, СДЭК, Байкал-Сервис, Энергия, КИТ, ЖелДорЭкспедиция.
Самовывоз возможен напрямую со склада в Москве.
Сроки доставки
Срок зависит от региона и выбранной транспортной компании. Все заказы комплектуются и отправляются в кратчайшие сроки со склада в Москве.
Надёжность и сохранность
Вся продукция упаковывается с учётом требований транспортировки. Мы гарантируем, что подшипники и комплектующие прибудут к заказчику в полной сохранности.
Доставка в страны ЕАЭС
Мы работаем с проверенными логистическими партнёрами, что позволяет оперативно доставлять заказы в Беларусь, Казахстан, Армению и другие страны ЕАЭС.
Варианты оплаты:
Минимальная сумма заказа и скидки:
Документы и гарантии:
Да, конечно! Наши технические специалисты готовы помочь вам с подбором точного аналога или замены подшипника. Просто позвоните нам по телефону +7 (495) 104-99-04 или напишите на почту zakaz@podsnab.ru.
Для оперативной консультации подготовьте, пожалуйста, имеющиеся данные: маркировку, размеры, тип оборудования или артикул старого подшипника.
Да, конечно! Мы высоко ценим долгосрочное сотрудничество и доверие клиентов по всей России. Для постоянных клиентов действует персональная система скидок.
Условия формируются индивидуально и зависят от:
Чтобы узнать свои условия и получить максимально выгодное предложение, свяжитесь с персональным менеджером или напишите нам на почту zakaz@podsnab.ru.
Вы можете оформить заказ несколькими способами:
Для оформления заказа от юридического лица свяжитесь с нашим отделом по работе с корпоративными клиентами по телефону +7 (495) 104-99-04 или напишите на email zakaz@podsnab.ru, прикрепив реквизиты вашей организации.
Мы оперативно подготовим коммерческое предложение и выставим счет.
Возврат товара надлежащего качества возможен в течение 10 дней с момента получения, если товар не был в употреблении, сохранен товарный вид, упаковка не вскрывалась и присутствуют все сопроводительные документы.
Возврат денежных средств осуществляется в течение 10 рабочих дней после проверки товара складом.
В соответствии с законодательством возврату не подлежат подшипники надлежащего качества, если отсутствует оригинальная упаковка или имеются следы монтажа.
В случае выявления брака или гарантийного случая мы гарантируем возврат или обмен товара.
Да, гарантийный срок хранения устанавливается заводом-изготовителем и в среднем составляет 2 года при соблюдении условий хранения: сухое помещение, оригинальная упаковка и смазка.
Точный срок для конкретного типа подшипника уточняйте у наших менеджеров.
Пн–Пт: с 8:00 до 17:00 (МСК).
Сб–Вс: выходные дни.
Заказы на сайте принимаются круглосуточно. Заявки, поступившие после окончания рабочего дня, обрабатываются на следующий рабочий день.
Минимальная сумма заказа для доставки составляет 3000 рублей. Самовывоз со склада возможен на любую сумму при наличии товара.
ООО «УралТехГрупп»
ИНН: 7415093830
КПП: 772401001
ОГРН: 1167456069021
Банк: ПАО Сбербанк
Р/с: 40702810838000475273
К/с: 30101810400000000225
БИК: 044525225
У подшипника NP 1068 пока нет отзывов. Вы можете стать первым покупателем, поделившимся своим мнением.