Поиск подшипника
Статьи
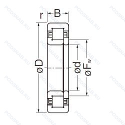
NUP2209EG — Роликовый радиальный однорядный подшипник, модификация основного исполнения NUP2209, производство NACHI.
Размер подшипника: 45x85x23 мм.
Однорядный цилиндрический роликоподшипник. Наружное кольцо имеет два борта, внутреннее — один борт и одно свободное фланцевое кольцо. Основные размеры по DIN 5412-1, относится к подтипу фиксированные подшипники, разъемные, с сепаратором, игольчатые сепараторы для шатунов двигателей.
Международная стандартизации ISO
NUP2209EG
В наличии
| Обозначение | Конструктивные изменения |
|---|---|
| NUP2209E C3 | Внутренний зазор больше нормального. Повышенная грузоподъемность. |
| NUP2209 | Сталь сквозной закалки SUJ2 (японская) и взаимозаменяемость (только для метрических серий). Канавка под стопорное кольцо на наружном кольце подшипника. Точность размеров примерно соответствует классу точности Р4. Класс точности 2. Однорядный цилиндрический роликовый подшипник. Наружное кольцо имеет два борта. Основное конструктивное исполнение. |
| NUP2209E | Повышенная грузоподъемность. |
| NUP2209ECP/C3 | Внутренний зазор больше нормального. Оптимизированная внутренняя конструкция предусматривает увеличенное количество роликов и/или ролики большего размера с улучшенными условиями контакта торцов роликов с бортами внутреннего кольца. Сепаратор из стеклонаполненного полиамида PA66. центрируемый по роликам. |
| NUP2209E.M1 | Повышенная грузоподъемность. Механически обработанный латунный сепаратор. вращающийся элемент качения (крестовина на заклепках). |
| NUP2209ET | Сквозная закалка и шлифовка стали с переломом в одной точке. |
| NUP2209-E-XL-TVP2-C3 | Внутренний зазор больше нормального. Повышенная грузоподъемность. Серия X-Life премиум-класс. увеличиный срок службы. Cепаратор изготовленный из полиамида PA66. армированного стекловолокном. |
| NUP2209-E-XL-TVP2 | Повышенная грузоподъемность. Серия X-Life премиум-класс. увеличиный срок службы. Cепаратор изготовленный из полиамида PA66. армированного стекловолокном. |
| NUP2209ECP | Оптимизированная внутренняя конструкция предусматривает увеличенное количество роликов и/или ролики большего размера с улучшенными условиями контакта торцов роликов с бортами внутреннего кольца. Сепаратор из стеклонаполненного полиамида PA66. центрируемый по роликам. Однорядный цилиндрический роликовый подшипник. |
| NUP2209-E-M1-C3 | Внутренний зазор больше нормального. Повышенная грузоподъемность. Механически обработанный латунный сепаратор. вращающийся элемент качения (крестовина на заклепках). |
| NUP2209-E-TVP3-C3 | Внутренний зазор больше нормального. Увеличенная грузоподъёмность. Цельный сепаратор из полиамида PA66-GF25. сепаратор оконного типа. направляемый телами качения. |
| NUP2209W | Цельный прессованный сепаратор. |
| NUP2209ECJ | Два стальных сепаратора оконного типа. внутреннее кольцо без фланца. направляющее кольцо с усиленным роликом. |
| NUP2209ET2 DZ | Увеличенная грузоподъёмность. Сепаратор из полиамида. армированного стекловолокном. Оптимизированная внутренняя конструкция и модифицированный контакт. |
| NUP2209-E-XL-M1 | Повышенная грузоподъемность. Серия X-Life премиум-класс. увеличиный срок службы. Механически обработанный латунный сепаратор. вращающийся элемент качения (крестовина на заклепках). |
| NUP2209-E-XL-M1-C3 | Внутренний зазор больше нормального. Повышенная грузоподъемность. Серия X-Life премиум-класс. увеличиный срок службы. Механически обработанный латунный сепаратор. вращающийся элемент качения (крестовина на заклепках). |
| NUP2209E J1 | Цилиндрический роликовый подшипник c увеличенной грузоподъемностью. Прессованный стальной сепаратор. |
| NUP2209W C3 | Внутренний зазор больше нормального. Цельный прессованный сепаратор. |
| NUP2209E G15 | Повышенная грузоподъемность. Литой сепаратор из полиамида 6.6. армированного стекловолокном. Элемент качения по центру. |
| NUP2209 E C4 | Внутренний зазор подшипника больше. чем C3. Повышенная грузоподъемность. |
| NUP2209EMD C4 | Внутренний зазор подшипника больше. чем C3. Повышенная грузоподъемность. Механически обработанный латунный сепаратор .Расположенный на элементах качения. |
| NUP2209-E-MPA | Повышенная грузоподъемность. Твердый латунный сепаратор. |
| NUP2209-E-TVP3 | Повышенная грузоподъемность. Цельный сепаратор из полиамида PA66-GF25. сепаратор оконного типа. направляемый телами качения. |
| NUP2209E.TVP | Повышенная грузоподъемность. Molded Snap-Type Cage Of Glass Fibre Reinforced Polyamide. Rolling Element Riding. |
| NUP2209R | С выпуклыми асимметричными роликами и обработанным сепаратором. |
Модификации роликового подшипника NUP2209EG — это измененное основное конструктивное исполнение NUP2209, основные размеры (45x85x23) не отличаются.
| Обозначение | Гост | Конструктивные особенности |
|---|---|---|
| RNJ0922 | ISO | Роликовый радиальный однорядный подшипник. |
| NU2209E.TVP | ISO | Повышенная грузоподъемность. Molded Snap-Type Cage Of Glass Fibre Reinforced Polyamide. Rolling Element Riding. |
| 2509 | ГОСТ | Роликовый радиальный однорядный подшипник. |
| 32509 | ГОСТ | Роликовый радиальный однорядный подшипник. |
| 42509 | ГОСТ | Роликовый радиальный однорядный подшипник. |
| 92509 | ГОСТ | Роликовый радиальный однорядный подшипник. |
| NH2209 E | ISO | Повышенная грузоподъемность. |
| N2209E | ISO | Повышенная грузоподъемность. |
| NH2209 | ISO | Канавка под стопорное кольцо на наружном кольце подшипника. |
| NJ2209R | ISO | С выпуклыми асимметричными роликами и обработанным сепаратором. |
| NJ2209EG | ISO | Игольчатые сепараторы для шатунов двигателей. |
| NU2209EG | ISO | Игольчатые сепараторы для шатунов двигателей. |
| NJ2209-E-MPA | ISO | Повышенная грузоподъемность. Твердый латунный сепаратор. |
| NJ2209-E-TVP3+HJ2209-E | ISO | Повышенная грузоподъемность. Цельный сепаратор из полиамида PA66-GF25. сепаратор оконного типа. направляемый телами качения. |
| NJ2209-E-MPA+HJ2209-E | ISO | Повышенная грузоподъемность. Твердый латунный сепаратор. |
| NJ2209-E-TVP3 | ISO | Повышенная грузоподъемность. Цельный сепаратор из полиамида PA66-GF25. сепаратор оконного типа. направляемый телами качения. |
| NU2209-E-MPA | ISO | Повышенная грузоподъемность. Твердый латунный сепаратор. |
| NJ 2209 ECPH | ISO | Однорядный цилиндрический роликовый подшипник. |
| NU 2209 ECPH | ISO | Однорядный цилиндрический роликовый подшипник. |
| 5-42509 Д | ГОСТ | Сепаратор из алюминиевого сплава.. |
Аналог роликового подшипника NUP2209EG — это подшипник такого же размера dx45,Dx85,Bx23, типа и конструкции.
| Обозначение | Конструктивные особенности | Внутренний (d) | Наружный (D) | Ширина (B) |
|---|---|---|---|---|
| DAC45850023 | Шариковый радиально-упорный двухрядный подшипник. Однорядный радиально-упорный шарикоподшипник с углом контакта 25°. | 45.00 | 85.00 | 23.00 |
| LDJ45=8/6 | Шариковый радиальный двухрядный подшипник. Exxon Aviation Instrument Oil. Средний предварительный натяг. | 45.00 | 85.00 | 23.00 |
| S4209-2RS | Шариковый радиальный двухрядный подшипник. Резиновые уплотнения с каждой стороны подшипника. | 45.00 | 85.00 | 23.00 |
| 1509-Л | Шариковый радиальный двухрядный подшипник. Сепаратор из латуни.. | 45.00 | 85.00 | 23.00 |
| 7509A | Роликовый радиальный-упорный однорядный подшипник. Двухрядный радиально-упорный шарикоподшипник без отверстия для смазки. | 45.00 | 85.00 | 23.00 |
| CUC209-28 | Шариковый радиальный однорядный подшипник. 1.3/4. | 44.45 | 85.00 | 22.00 |
| CUC209 | Шариковый радиальный однорядный подшипник. Радиальный внутренний зазор С2. | 45.00 | 85.00 | 22.00 |
| 380708-ЕК10Т2С17 | Шариковый радиальный однорядный подшипник. Смазка Литол-24. Сепаратор из текстолита.. 200°. Температура отпуска. Улучшенная конструкция уплотнений плюс стопорный штифт. | 40.00 | 85.00 | 23.00 |
| 2209-K+H309 | Шариковый сферический двухрядный подшипник. Коническое внутреннее отверстие. | 45.00 | 85.00 | 23.00 |
| 2209-K-2RS+H309 | Шариковый сферический двухрядный подшипник. Коническое внутреннее отверстие. Контактные уплотнения типа RS с обеих сторон игольчатого роликоподшипника. | 45.00 | 85.00 | 23.00 |
| 2209-2RS1TN9 | Шариковый сферический двухрядный подшипник. | 45.00 | 85.00 | 23.00 |
| S2209-2RS | Шариковый сферический двухрядный подшипник. Резиновые уплотнения с каждой стороны подшипника. | 45.00 | 85.00 | 23.00 |
| 40-3509 Н | Роликовый радиальный двухрядный подшипник. Детали из теплостойкой стали. | 45.00 | 85.00 | 23.00 |
| 53509-Н(22209CCW33C3) | Роликовый радиальный двухрядный подшипник. ВНИИНП-210. Детали из вакуумированной стали.. Детали из теплостойкой стали. | 45.00 | 85.00 | 23.00 |
| 6-1509 Л | Шариковый радиальный двухрядный подшипник. Сепаратор из латуни.. | 45.00 | 85.00 | 23.00 |
Способы доставки
Отправка через ведущие транспортные и курьерские компании: ПЭК, Деловые Линии, СДЭК, Байкал-Сервис, Энергия, КИТ, ЖелДорЭкспедиция.
Самовывоз возможен напрямую со склада в Москве.
Сроки доставки
Срок зависит от региона и выбранной транспортной компании. Все заказы комплектуются и отправляются в кратчайшие сроки со склада в Москве.
Надёжность и сохранность
Вся продукция упаковывается с учётом требований транспортировки. Мы гарантируем, что подшипники и комплектующие прибудут к заказчику в полной сохранности.
Доставка в страны ЕАЭС
Мы работаем с проверенными логистическими партнёрами, что позволяет оперативно доставлять заказы в Беларусь, Казахстан, Армению и другие страны ЕАЭС.
Варианты оплаты:
Минимальная сумма заказа и скидки:
Документы и гарантии:
Да, конечно! Наши технические специалисты готовы помочь вам с подбором точного аналога или замены подшипника. Просто позвоните нам по телефону +7 (495) 104-99-04 или напишите на почту zakaz@podsnab.ru.
Для оперативной консультации подготовьте, пожалуйста, имеющиеся данные: маркировку, размеры, тип оборудования или артикул старого подшипника.
Да, конечно! Мы высоко ценим долгосрочное сотрудничество и доверие клиентов по всей России. Для постоянных клиентов действует персональная система скидок.
Условия формируются индивидуально и зависят от:
Чтобы узнать свои условия и получить максимально выгодное предложение, свяжитесь с персональным менеджером или напишите нам на почту zakaz@podsnab.ru.
Вы можете оформить заказ несколькими способами:
Для оформления заказа от юридического лица свяжитесь с нашим отделом по работе с корпоративными клиентами по телефону +7 (495) 104-99-04 или напишите на email zakaz@podsnab.ru, прикрепив реквизиты вашей организации.
Мы оперативно подготовим коммерческое предложение и выставим счет.
Возврат товара надлежащего качества возможен в течение 10 дней с момента получения, если товар не был в употреблении, сохранен товарный вид, упаковка не вскрывалась и присутствуют все сопроводительные документы.
Возврат денежных средств осуществляется в течение 10 рабочих дней после проверки товара складом.
В соответствии с законодательством возврату не подлежат подшипники надлежащего качества, если отсутствует оригинальная упаковка или имеются следы монтажа.
В случае выявления брака или гарантийного случая мы гарантируем возврат или обмен товара.
Да, гарантийный срок хранения устанавливается заводом-изготовителем и в среднем составляет 2 года при соблюдении условий хранения: сухое помещение, оригинальная упаковка и смазка.
Точный срок для конкретного типа подшипника уточняйте у наших менеджеров.
Пн–Пт: с 8:00 до 17:00 (МСК).
Сб–Вс: выходные дни.
Заказы на сайте принимаются круглосуточно. Заявки, поступившие после окончания рабочего дня, обрабатываются на следующий рабочий день.
Минимальная сумма заказа для доставки составляет 3000 рублей. Самовывоз со склада возможен на любую сумму при наличии товара.
ООО «УралТехГрупп»
ИНН: 7415093830
КПП: 772401001
ОГРН: 1167456069021
Банк: ПАО Сбербанк
Р/с: 40702810838000475273
К/с: 30101810400000000225
БИК: 044525225
У подшипника NUP2209EG пока нет отзывов. Вы можете стать первым покупателем, поделившимся своим мнением.